sk Ru , Rsku
где (см. п. 10.6) – упругая характеристика неармированной кладки. Условие прочности центрально сжатой армированной кладки
N mg Rsk A,
где А – площадь расчетного сечения; mg – коэффициент учета негативного влияния длительности нагрузки (см. п. 10.6); φ – коэффициент продольного изгиба [10, табл. 18] в зависимости от λh, λi (см. п. 10.6) и упругой характеристики армированной кладки sk.
Пример. Найти несущую способность кирпичной колонны по исходным данным п. 10.6, армированной сетками из стержней ø6 А-I с квадратной ячейкой (100х100 мм), с=10 см, Ast=0,283 см2; сетки установлены через 4 ряда кладки, S=30 см. Расчетное сопротивление стали класса А-I Rs=2300 кгс/см2, нормативное – Rsn=3000 кгс/см2 [2], коэффициент условия работы γcs=0,75 [7, табл. 13].
Решение.
1. A 2600 см2, с 0,8; R 13 кгс/см2; mg 1;h 12; 1000 см. пример п. 10.6.
2. |
max 50 |
R |
50 |
13 |
0,8 |
|
0,3% 0,1%. |
|
||||||
|
|
|
|
|
||||||||||
|
|
2Ast |
|
Rs |
|
2300 0,75 |
|
|||||||
3. |
|
100 |
2 0,283 |
100 0,19% max. |
|
|||||||||
|
10 30 |
|
||||||||||||
|
|
cS |
2 Rs |
|
|
2 0,19 2300 0,75 |
|
|
||||||
4. |
R R |
|
13 0,8 |
17кгс/см2 |
2R= |
|||||||||
|
|
|||||||||||||
|
sk |
100 |
|
|
|
|
100 |
|
|
|||||
|
|
|
|
|
|
|
|
|
|
|||||
=2 13 0,8 20,8 кгс/см2 .
5.Rsku Ru 2 Rsn 2 13 0,8 2 0,19 3000 32,2 кгс/см2 . 100 100
6. sk |
|
Ru |
1000 |
2 13 0,8 |
646. |
Rsku |
|
||||
|
|
32,2 |
|
||
7.[10, табл. 18], λh=12 и sk=646 определяем =0,76.
8.Несущая способность центрально сжатой армированной колонны
Nu mg Rsk A 1 0,76 17 2600 33592 кгс, в 1,48 раза выше, чем для центрально сжатой неармированной колонны (п. 10.6), что подтверждает факт усиления кладки сеточным армированием.
183
10.9.Внецентренно сжатая кладка
ссетчатым армированием [10, п. 4.31]
Применять сетчатое армирование внецентренно сжатых элементов с эксцентриситетами, выходящими за пределы ядра сечения, не следует (для прямоугольных сечений, если е0>0,17h).
По сравнению с центральным сжатием [10, п. 10.8] корректируется максимальный процент армирования:
max |
|
50R |
|
0,1%, |
||
|
|
|||||
|
|
(1 |
2e0 |
)R |
s |
|
|
|
|||||
|
|
|
y |
|||
где у – расстояние от центра тяжести до сжатой грани элемента (для прямоугольного сечения y=h/2).
Также корректируется расчетное сопротивление армированной кладки; при внецентренном сжатии оно определяется по формуле
|
|
|
|
R R |
2 Rs |
(1 |
2e0 |
) 2R. |
|
|||
|
|
|
|
|
||||||||
|
|
|
|
skb |
100 |
|
y |
|
|
|||
|
|
|
|
|
|
|
|
|||||
Расчет прочности внецентренно сжатой армированной кладки |
||||||||||||
следует производить по формуле |
|
|
|
|
|
|||||||
где mg – коэффициент |
N mg 1RskbAc , |
|
|
|||||||||
учета |
влияния |
длительности |
нагрузки |
|||||||||
(см. п. 10.7); |
|
2e0 |
|
|
|
|
|
|
|
|
||
A A(1 |
) – площадь сжатой зоны сечения (см. п. 10.7); |
|||||||||||
|
||||||||||||
c |
|
h |
|
|
|
|
|
|
|
|||
|
e0 |
|
|
|
|
|
|
|
|
|||
1 |
1,45 – |
коэффициент, |
учитывающий |
влияние |
||||||||
h |
||||||||||||
|
|
|
|
|
|
|
|
|
|
|
||
незагруженной части сечения (см. п. 10.7); φ1 – коэффициент продольного изгиба, определяется в
соответствии с п. 10.7 с заменой упругой характеристики на sk
(см. п. 10.8).
Пример. Найти несущую способность армированной кирпичной колонны по исходным данным п. 10.8 с эксцентриситетом сжимающего усилия е0=8,5 см, что значительно меньше
0,17h=0,17∙51=8,67 см.
Решение.
1. Ас 1733cм2;h 51 см; mg 1;R 13кгс/см2; с 0,8; h 12.
184
λhc=18; =1,17 см. пример п. 10.7.
2. |
max |
|
|
50R |
|
|
|
|
50 13 0,8 |
0,9% 0,1%. |
|
|
|||||||
(1 |
|
2e0 |
)R |
s |
(1 |
2 8,5 |
)2300 0,75 |
|
|
||||||||||
|
|
|
|
|
|
|
|
|
|
|
|||||||||
|
|
|
|
|
h/2 |
|
|
|
51/2 |
|
|
|
|
|
|
||||
3. |
= 0,19% (п. 10.8) < max; sk= 646; = 0,76; Rs = 2300 кгс/см2. |
||||||||||||||||||
|
|
|
|
|
|
|
|
|
γcs = 0,75 (п. 10.8). |
|
|
|
|
||||||
4. |
R |
R |
2 Rs |
(1 |
2e0 |
) 13 0,8 |
2 0,19 2300 0,75 |
(1 |
2 8,5 |
) |
|||||||||
|
|
|
|
||||||||||||||||
|
skb |
|
|
100 |
|
|
|
|
h/2 |
|
|
|
|
100 |
|
0,5 51 |
|||
|
|
|
|
|
|
|
|
|
|
|
|
|
|||||||
=12,58 кгс/см2 < 2R =2∙13∙0,8=20,8 кгс/см2.
5.По [7, табл. 18] λhc =18 и sk = 646, φс = 0,59.
6. |
с |
|
0,76 0,59 |
0,675. |
|
|
|||
1 |
2 |
2 |
|
|
|
|
|||
7. Несущая способность внецентренно сжатой армированной кладки Nu mg 1Rskb Ac 1 0,675 12,58 1733 1,17 17217 кгс,
что всего на 6% выше, чем для внецентренно сжатого (с тем же эксцентриситетом) неармированного сечения (см. п. 10.7); подтверждается малая эффективность сетчатого армирования при эксцентриситете на границе ядра сечения.
10.10. Расчет кладки на местное сжатие (смятие) [7, п. 4.13]
При передаче на каменную кладку опорного давления от плит, балок, ферм и т. д. через ограниченные по площади контакта участки возникают условия для местного повреждения (смятия) кладки.
Ввиду влияния смежных с площадью контакта незагруженных зон сопротивление каменной кладки местному сжатию больше (эффект обоймы), чем осевому. Расчетное сопротивление кладки на смятие Rc определяется по формуле [10, п. 4.14]
Rc R,
где R – расчетное сопротивление кладки при осевом сжатии; ξ – коэффициент эффекта обоймы.
3 А 1,
Ас
где Ас – площадь смятия (контакта); А – расчетная площадь, включающая площадь контакта и площадь смежных, влияющих на него, незагруженных зон [10, п. 4.16]; ξ1 – коэффициент максимально
185
допустимого увеличения Rc по отношению к R, зависящий от материала кладки [10, табл. 21], например (рис. 76):
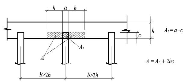
Рис. 76. Формирование расчетной площади при расчете на местное сжатие
Расчет прочности сечения при местном сжатии производится по формуле
Nc dRc Ac ,
где – коэффициент полноты эпюры давления; при равномерном распределении давления (под опорными распределительными пластинами) = 1; при треугольной эпюре давления (под непосредственным контактом изгибаемого элемента через слой раствора) = 0,5; d – коэффициент, учитывающий распределяющую пластику кладки; например, для кирпичной кладки
d 1,5 0,5 .
Пример. Определить возможность опирания плит покрытия непосредственно на кирпичную стену.
Параметры кладки:
марка кирпича 75, марка раствора 50;
толщина стены 510 мм, h = 51 см;
кирпич полнотелый одинарный. Характеристики плит покрытия:
плита ребристая железобетонная размерами в плане 3х6 м;
расчетная нагрузка на плиту с учетом собственного веса
500 кгс/м2;
плита концами продольных ребер опирается на кладку;
глубина заделки ребер 120 мм, с = 12 см;
186
|
ширина ребра по низу 70 мм, ширина спаренных ребер |
|
а = 14 см. |
Решение. |
|
1. |
Опорное давление плиты |
Nc 500 3 6/2 4500 кгс.
2.Ac a c 14 12 168 см2.
3.R = 13 кгс/см2 ([10, табл. 2], кирпич М75, раствор М50).
4.A Ac 2hc 168 2 51 12 392 см2.
5. 3 |
A |
3 |
|
1392 |
2,021 1 2 [10, табл. 21]; ξ = 2. |
|
Ac |
168 |
|||||
|
|
|
||||
6.Rc R 2 13 26 кгс/см2.
7.= 0,5.
8.d 1,5 0,5 1,5 0,5 0,5 1,25.
9.Несущая способность контакта на местное сжатие (смятие)
Nu dRc Ac 0,5 1,25 26 168 2730 кгс,
что меньше Nc = 4500 кгс – прочность на смятие при непосредственном контакте не обеспечена; необходимое опирание плит покрытия осуществляется через распределительные плиты.
10.11. Конструктивные параметры опирания элементов конструкций на кладку
Под опорными участками элементов и под распределительными плитами следует предусмотреть слой раствора толщиной не более
15 мм.
Толщина распределительных опорных плит назначается кратной толщине рядов кладки, но не менее 150 мм.
Глубина заделки плит перекрытий в стену, а также распределительных плит, установленных на пилястрах, в основную стену должна составлять не менее 120 мм.
Если опорное давление Nc превышает 80% расчетной несущей способности кладки, при местном сжатии, следует предусматривать сеточное армирование опорного участка кладки. Сетки укладываются не менее чем в трех верхних горизонтальных швах. Диаметр стержней сеток не менее 3 мм, размер ячейки не более 60 х 60 мм.
Такими же сетками конструктивно через три ряда кладки в пределах 1м ниже распределительной плиты армируются пилястры,
187