Материал: 1799

Внимание! Если размещение файла нарушает Ваши авторские права, то обязательно сообщите нам

i yi пл.

Рис. 72. Диаграмма " " кладки при сжатии

Неупругие пластические деформации, обусловленные ползучестью раствора, появляются при напряжениях выше 0,2 Ru. Как показывают опыты на образцах кладки, при напряжениях менее 0,2 Ru (временного сопротивления сжатию) кладка работает упруго и ее деформативность характеризуется модулем упругости Е0, который принимается равным тангенсу угла наклона касательной к зависимости « » в начале координат:

Е0=tgφ0=σi/εyu

1

или Е0=Ru/εyu=Ru yu ,

где εуи – доля упругих относительных деформаций, соответствующих временному сопротивлению кладки Ru.

В нормах проектирования принимается

Е0= Ru,

где – упругая характеристика кладки, величина, как следует из вышеотмеченного, обратная предельным упругим относительным деформациям:

=1/ εyu.

Для получения полных относительных деформаций (с учетом ползучести) пользуются значением секущего модуля деформации

Е tg 1 i / i .

173

При расчете конструкций по прочности кладки значение модуля деформаций рекомендуется принимать равным

Е=0,5Е0.

10.5. Конструктивные особенности каменных конструкций

Каменные стены в зависимости от конструктивной схемы здания подразделяются на:

несущие, воспринимающие кроме нагрузок от собственного веса и ветра также нагрузки от покрытий, перекрытий и т. д.;

самонесущие, воспринимающие нагрузку только от собственного веса стен всех вышележащих этажей здания и ветровую нагрузку;

несущие (в том числе навесные наружные стены), воспринимающие только нагрузку от собственного веса и ветра

впределах одного этажа;

перегородки – внутренние стены, воспринимающие только нагрузки от собственного веса и ветра (при открытых проемах). Конструктивные схемы каменных зданий подразделяются на:

жесткие; упругие.

В зданиях с жесткой конструктивной схемой каменные стены и столбы опираются в горизонтальном направлении на перекрытия и жесткие (неподвижные) поперечные стены или конструкции с расстоянием между ними не более регламентируемых нормами проектирования, например, не более 42 м при сборных железобетонных перекрытиях с замоноличенными швами. При расстояниях выше регламентируемых здание с упругой конструктивной схемой рассматривается как рамная система со стойками из стен и столбов и ригелями из перекрытий.

Жесткую конструктивную схему имеют, как правило, жилые дома и общественные здания; стены и столбы рассчитываются от нагрузок, приложенных непосредственно к конструкциям. Стены и столбы, имеющие в плоскостях междуэтажных перекрытий опоры на горизонтальное воздействие, допускается при расчете на вертикальную нагрузку считать расчлененными по высоте на однопролетные стержни с шарнирными опорами, причем нагрузка от вышележащих этажей прикладывается центрально (если не меняется сечение стены в дровне перекрытия над данным этажом); нагрузка,

174

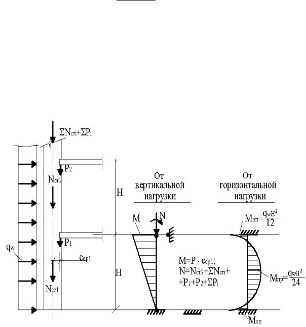
прикладываемая в пределах рассматриваемого этажа, учитывается с фактическими эксцентриситетами. Изгибающие моменты от ветровой нагрузки определяются в пределах каждого этажа, как для балки с защемленными концами (см. рис. 73).

Врезультате статического расчета горизонтальные сечения стен

истолбов рассматриваются как центрально или внецентренно сжатые.

В уровне верха стены e0 M Mоп .

N

Ширину у расчетного сечения стены без пилястр следует принимать:

а) при равномерной передаче давления от перекрытия по всей длине его опирания:

для стены без проемов – 1м;

для стены с проемами – ширине простенка; при этом ширина грузовой площади равна расстоянию между осями простенков;

Рис. 73. Расчетные схемы (усилия) стены 1-го этажа

175

б) при сосредоточенной передаче давления (под опорами ферм,

2

балок) – не более воп 3 Н ; не более 6h и не более ширины

простенка (воп – ширина опорной плиты, Н – высота этажа, п

– толщина стены).

При отсутствии специальных опор, фиксирующих положение опорного давления, допускается принимать расстояние от точки приложения опорной реакции прогонов, балок или настила до внутренней грани стены или опорной плиты, равной одной трети глубины заделки, но не более 7 см.

Каменные стены и столбы должны крепиться к перекрытиям и покрытиям анкерами сечением не менее 0,5 см2 и расстоянием между ними не более 6 м; диаметр анкера соразмерен с толщиной швов кладки (ø8; ø10).

Самонесущие стены к колоннам несущего каркаса должны быть закреплены по высоте гибкими связями, допускающими независимость вертикальных деформаций стен и колонн. Расстояние между связями по высоте не должно превышать 1,5 м (для зимней кладки).

Расчет анкеров должен производиться при расстоянии между анкерами более 3 м. Расчетное усилие в анкере определяется по формуле Ns M / H 0,01N (рис. 74).

Где М – изгибающий момент от расчетных нагрузок в уровне перекрытия в месте опирания на стену на ширине, равной расстоянию между анкерами; N расчетная нормальная сила в уровне расположения анкера на ширине, равной расстоянию между анкерами; Н – высота этажа.

При определении требуемой площади сечения анкера расчетное сопротивление необходимо принимать с учетом коэффициентов условий работы для арматуры γcs.

176

Рис. 74. Расчетная схема анкера

Пример. Запроектировать анкера крепления стены толщиной 640 мм за диск перекрытия из пустотных плит пролетом 6 м. Глубина опирания диска 120 мм, расчетная нагрузка на перекрытие с учетом собственной массы плит 1130 кгс/м2. Расчетная нагрузка по оси стены в уровне перекрытия 15000 кгс/м, высота этажа 3 м.

Решение.

1.Давление перекрытия на стену 1130∙6/2=3390 кгс/м.

2.Эксцентриситет давления перекрытия на стену

e0 640/2 120/3 280мм.

3. Изгибающий момент в уровне перекрытия на 1 п. м стены

М=3390∙0,28=949,2 кгс/м. 4. Расчетное усилие в анкере с длины стены 1м

Ns M 0,01N 949,2 0,01 15000 466,4 кгс.

H 3

5. Требуемая для 1 м стены площадь поперечного сечения анкера

(сталь класса А-I, Rs = 2300 кгс/см2, γсs = 0,9 [7, табл. 13]

A

 

Ns

 

 

466,4

0,225 см2.

 

 

 

 

s

cs

R

s

0,9 2300

 

 

 

 

 

Если принять диаметр анкеров 8 мм (площадь сечения 0,503 см2), то расстояние между ними 0,503/0,225=2,20 м, а для диаметра 10

мм(0,785 см2) – 0,785/0,225=3,40 м.

10.6.Центральное сжатие неармированной кладки [10, п. 4.1]

При центральном сжатии напряжения по поперечному сечению элемента распределяются равномерно.

177