Нагрузка от собственного веса:
нормативная 3120/6,76 = 462 кгс/м;
расчетная 462 ∙ 1,1 = 508 кгс/м.
В итоге с учетом собственного веса ригеля нагрузки следующие:
расчетная 7000 + 508 = 7508 кгс/м;
нормативная 6070 + 462 = 6532 кгс/м;
нормативная длительно действующая 5350 + 462 = 5812 кгс/м. Для ригеля применено смешанное армирование напрягаемой и
ненапрягаемой арматурой из стали класса Ат – V (ненапрягаемые стержни обрываются по длине и крепятся к пространственному каркасу).
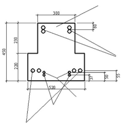
Состав и размещение арматуры показаны на схемах сечений и арматурных элементов (рис. 61).
Схема напрягаемой арматуры |
Схема ненапрягаемой арматуры |
Каркас СКР – 8
Рис. 61. Размещение арматуры
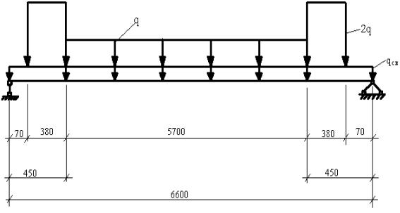
Статический расчет. Расчетная схема ригеля – однопролетная балка с шарнирными опорами, загруженная распределенной нагрузкой (рис. 62).
143
Рис. 62. Расчетная схема ригеля
Расчетные усилия:
максимальная перерезывающая сила (qсв = 0,508 тс/м; q = 7 тс/м)
Q |
0,508 6,6 |
2 7 0,38 |
7 5,7 |
26,95 тс; |
||||||||
|
|
|
|
|
||||||||
max |
2 |
|
|
|
|
|
2 |
|
|
|||
|
|
|
|
|
|
|
|
|||||
изгибающий момент в середине пролета |
||||||||||||
|
Mmax 26,95 3,3 |
0,508 3,32 |
||||||||||
|
|
|
|
|
|
|||||||
|
2 |
|
|
|||||||||
|
|
|
|
|
|
|
|
|
|
|
||
|
0,38 |
5,7 |
|
7 2,852 |
||||||||
2 7 0,38( |
|
|
|
|
) |
|
|
|
41,57 тс∙м; |
|||
|
|
|
2 |
|
||||||||
|
2 |
|
2 |
|
|
|
|
|
|
|||
то же для упрощенной расчетной схемы при равномерно распределенной расчетной нагрузке с учетом собственного веса
7,508 тс/м
Mmax 7,508 6,62 /8 40,88 тс∙м;
поправочный коэффициент для определения максимального момента по упрощенной расчетной схеме
к41,57/40,88 1,017.
Нормативные усилия:
от собственного веса ригеля (0,462 тс/м)
Mсв 0,462 6,62 /8 2,52 тс∙м;
от нормативной нагрузки (6,532 тс/м)
M н 6,532 6,62 /8 1,017 36,17 тс∙м;
от нормативной длительно действующей нагрузки (5,812 тс/м)
Mдлн 5,812 6,62 /8 1,017 32,18тс∙м.
144
Коэффициент условия работы высокопрочной арматуры АтV [2, табл. 24] γs6 для предварительно напряженной арматуры принимается в зависимости от относительной высоты сжатой зоны ξ
(для |
напряженной |
|
высокопрочной |
арматуры |
γs6 принимаем |
|||
равным 1). |
|
|
|
|
|
|
||
Относительная |
высота сжатой |
зоны определяется из фор- |
||||||
мулы (29): |
|
|
s6Rsp Asp Rs1As1 Rs2 As2 Rsc As |
|||||
|
|
x |
|
|
||||
|
h0 |
|
Rbbh0 |
|
|
|||
|
|
|
|
|
|
|||
|
|
|
|
|
или |
|
|
|
|
|
|
|
|
s6ks kc, |
|
|
|
где ks |
Rsp Asp /(Rbbh0); |
|
|
|
||||
kc (Rsc As Rs1As1 Rs2 As2)/(Rbbh0); |
|
|
||||||
s6 |
( 1)(2 |
|
1) ,[2,формула(27)]. |
|
|
|||
|
|
|
||||||
|
|
|
R |
|
|
|
|
|
Прочность нормальных сечений Расчеты ведутся со ссылками на СНиП 2.03.01 – 84 [2].
бетон В35; расчетное сопротивление бетона (табл. 13) с учетом γb2 = 0,9 (табл. 15)
Rb = 199 ∙ 0,9 = 179,1 кгс/см2 (19,5 ∙ 0,9 = 17,55 МПа)
А's = 12,56 см2 (4Ø20АIII); Rsc = 3750 кгс/см2 (табл. 22)
Аs2 = 2,26 см2 (2Ø12АIII); Rs2 = 3750 кгс/см2
Аs1 = 3,08 см2 (2Ø14АтV); Rs1 = 6950 кгс/см2 (табл. 22),
ненапряженная арматура
Аsp = 15,20 см2 (4Ø22АтV); σsp = 5500 кгс/см2, предварительно напряженная арматура, Rsр = 6950 кгс/см2 (680 МПа)
145
Рис. 63. Параметры расчетного сечения
Совместным решением уравнений относительно γs6 имеем
s6 |
|
(2 1) 2( 1)kc / R |
, |
|
|||
|
|
1 2( 1)ks / R |
|
а относительно ξ имеем
(2 1)ks kc . 1 2( 1)ks / R
Решение:
граничная относительная высота сжатой зоны [2, п. 3.12]
0,008Rb 0,85 0,008 17,55 0,7096;
sR Rsp 400 sp sр sp; sp 0[2,п.3.28];
σsp = 550 МПа; р = 84 МПа (см. исходные данные); γsp= 1 γsp;
|
sp |
0,5 |
84 |
(1 |
1 |
|
|
) 0,114 0,1; |
|
|||||||||||||||
|
|
|
|
|
|
|
|
|
|
|||||||||||||||
|
|
|
|
|
|
|
||||||||||||||||||
|
|
|
550 |
|
4 |
|
|
|
|
|
|
|
|
|
||||||||||
|
sp |
1 0,114 0,89; |
|
|
|
|
|
|||||||||||||||||
|
sp |
680 400 550 0,89 590МПа; |
|
|||||||||||||||||||||
|
sc,u |
500МПа ( в2 |
1); |
|
|
|
|
|
||||||||||||||||
|
R |
|
|
|
|
|
|
|
|
|
|
|
|
|
0,7096 |
|
0,50; |
|||||||
|
|
sR |
|
|
|
|
|
|
|
|
|
|
|
0,7096 |
|
|||||||||
|
|
|
1 |
(1 |
|
) |
|
|
|
1 |
590 |
(1 |
) |
|
||||||||||
|
|
|
|
|
|
|
|
|
|
|
|
|||||||||||||
|
|
|
sc,u |
1,1 |
|
|
500 |
1,1 |
|
|
||||||||||||||
рабочая высота для основной арматуры |
|
|||||||||||||||||||||||
|
|
|
|
|
|
|
|
h0 h a 45 5,5 39,5см; |
||||||||||||||||
|
b = 30 см; ks |
|
|
6950 15,2 |
0.498; |
|
||||||||||||||||||
|
|
|
|
|
|
|
|
|
|
|
|
|
||||||||||||
|
|
|
|
|
|
|
179,1 30 39,5 |
|
|
|
|
|
||||||||||||
kc 3750 12,56 6950 3,08 3750 2,26 0,081; 179,1 30 39,5
решение системы уравнений (η = 1,15, [2, п. 3.13]):
(2 1,15 1)0,4978 0,081 0,436; 1 2(1,15 1)0,4978/0,50
sp (2 1,15 1) 2(1,15 1)0,081/0,50 1,038;
12(1,15 1)0,4978/0,50
высота сжатой зоны по [2, формула (29)]
146
x 6950 1,038 15,20 6950 3,08 3750 2,26 3750 12,56 17,20см; 179,1 30
проверим правильность решения систем:
17,20/39,5 0,436;
s6 1,15 (1,15 1)(20,436 1) 1,038; 0,50
несущая способность нормального сечения [2, формула (28)]
Mu Rbbx(h0 0,5x) Rsc As (h0 a )
179,1 30 17,20(39,5 0,5 17,20)
3750 12,56(39,5 6) 44,33 105кгс∙см.
Вывод. Несущая способность нормального сечения выше расчетного усилия (Ммах = 43,5 тс∙м, см. статический расчет), резерв прочности составляет 1,9%. Ригель по прочности нормального сечения запроектирован корректно.
Проверка на ПЭВМ
Результаты проведенных вычислений подтверждаются расчетом по программе RNS (инструкция, см. прил. 3).
Ниже приведены распечатки:
бланка исходных данных;
результатов решения.
Исходные данные
|
|
|
|
h |
|
|
b |
|
|
h'f |
|
b'f |
|
hf |
bf |
|
|
|
||||||
|
|
|
45 |
|
|
30 |
|
|
0 |
30 |
|
22 |
|
|
52 |
|
|
|
|
|||||
|
|
|
|
|
|
|
|
|
|
|
|
|
|
|
|
|
|
|
|
|
|
|
|
|
|
|
|
|
|
|
|
|
Rb |
|
|
σsc,u |
|
|
|
N |
|
|
|
|
|
||||
|
|
|
|
|
|
179,1 |
|
|
5000 |
0,85 |
|
4 |
|
|
|
|
|
|
|
|||||
|
|
|
|
|
|
|
|
|
|
|
|
|
|
|
|
|
|
|
|
|
|
|
|
|
|
|
|
|
|
|
|
|
M |
|
N |
|
e' |
|
My |
|
|
|
|
|
|||||
|
|
|
|
|
|
4157000 |
|
0 |
|
0 |
|
|
0 |
|
|
|
|
|
|
|
||||
|
|
|
|
|
|
|
|
|
|
|
|
|
|
|
|
|
|
|
|
|
|
|||
h0 |
As |
Fp |
|
Rs |
|
|
η |
|
|
Rsc |
|
β |
|
|
σsp |
|
γ'sp |
|
γsp |
Δσsp |
b |
|||
6 |
12,56 |
1 |
|
3750 |
|
1 |
|
|
3750 |
1 |
|
0 |
|
|
0 |
|
0 |
0 |
0 |
|||||
39,5 |
15,2 |
0 |
|
6950 |
|
1,15 |
|
|
4000 |
0,8 |
|
5500 |
|
|
1,11 |
|
0,89 |
0 |
0 |
|||||
40 |
2,26 |
1 |
|
3750 |
|
1 |
|
|
3750 |
1 |
|
0 |
|
|
0 |
|
0 |
0 |
0 |
|||||
41,3 |
3,08 |
0 |
|
6950 |
|
1 |
|
|
4000 |
0,8 |
|
0 |
|
|
0 |
|
0 |
0 |
0 |
|||||
147