Материал: 1799

Внимание! Если размещение файла нарушает Ваши авторские права, то обязательно сообщите нам

где

qI – расчетная нагрузка на плиту сборного варианта, кН/м2;

gсн.в

– нормативная нагрузка от собственной массы сборной плиты,

кН/м2; gсмон.в.пл – расчетная нагрузка от собственной массы монолитной плиты, кН/м2:

gсмон.в.пл

hпл

 

f

,

 

 

 

100

 

здесь hпл – толщина плиты, м; ρ = 2500 кг/м3 – плотность железобетона; γf = 1,1– коэффициент надежности по нагрузке.

Расчетная нагрузка на 1 п.м пролета плиты численно равна нагрузке на 1 м2, так как рассчитывается полоса шириной 1м.

7.2.2. Статический расчет

Изгибающие моменты в неразрезных балочных плитах при пролетах, отличающихся не более чем на 20%, определяют с учетом перераспределения и выравнивания пролетных и опорных моментов.

Моменты в крайнем пролете и над первой промежуточной опорой, кН∙м,

 

q

пл

l2

Mкр

 

кр

.

 

11

 

 

 

Момент в средних пролетах и над средними промежуточными опорами , кН∙м,

Mqпл lc2р .

16

Определение поперечных сил и расчет плит на поперечную силу не производится в виду достаточной несущей способности наклонных сечений сплошных плит.

7.2.3. Конструктивный расчет

Для монолитных ребристых перекрытий рекомендуется применять бетон классов В15…В20.

Армирование монолитной плиты выполняется сетками с рабочей арматурой классов Вр-1 (диаметром 3…5 мм) и А-III (диаметром более 5 мм) и распределительной класса Вр-1.

Диаметры выпускаемой промышленностью арматуры приведены в табл. 8.

113

Подбор продольной арматуры в плите производится по опорным и пролетным изгибающим моментам, как для балки прямоугольного сечения с шириной b = 100 см и высотой h, равной принятой толщине плиты hпл.

Рабочая высота плиты, см,

h0 h a,

где а = 1,5 см – расстояние от центра тяжести арматуры до ближайшей грани сечения.

Конструктивный расчет должен быть произведен для крайнего и среднего пролетов в следующем порядке:

1. Определяется параметр α0:

M

0 Rb b h02 100,

где M – изгибающий момент, Н∙см; Rb – призменная прочность бетона, МПа.

2.По полученному значению α0 находят относительное плечо внутренней пары сил ν (см. табл. 7).

3.Определяется требуемая площадь рабочей арматуры, см2, для участка плиты протяженностью 1м:

M

AS RS h0 100,

где Rs – расчетное сопротивление арматуры растяжению, МПа.

4. По требуемой площади рабочей арматуры по таблице принимаются марки сеток [7] в соответствии с принятым вариантом армирования.

7.2.4. Армирование плит

Плиты монолитных ребристых перекрытий армируют плоскими или рулонными сетками:

а) с продольным расположением рабочей арматуры; б) с поперечной рабочей арматурой.

В курсовом проекте рекомендуется принимать один из двух возможных вариантов армирования монолитной плиты.

7.2.5. Первый вариант армирования

114

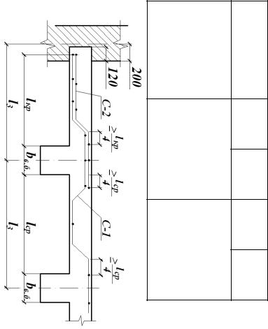
Впервом варианте (рис. 51) плита армируется рулонными сетками. По требуемой площади арматуры в средних пролетах и над средними промежуточными опорами подбирается сетка С-1 с продольной арматурой, которая раскатывается поперек направления второстепенных балок с размещением по толщине плиты в соответствии с эпюрой изгибающих моментов.

Вкрайнем пролете и над первой промежуточной опорой моменты больше, чем в средних пролетах. Поэтому в среднем пролете

инад первой промежуточной опорой раскатывается дополнительная сетка С-2. С точки зрения технологичности предпочтительнее принимать сетку С-2 с поперечной рабочей арматурой.

Марка сетки С-2 подбирается по разности площадей арматур Asкр1

иAsср. Сетка С-2 раскатывается в крайнем пролете и над первой промежуточной опорой вдоль второстепенной балки. Ширина сетки принимается в соответствии с требованиями, обозначенными на рис. 51.

При определении количества сеток С-1 на перекрытие необходимо учитывать конструктивные требования к стыкам сварных сеток в нерабочем направлении [2, п. 5.41].

Пример

При l1 = 6,2 м; l2 = 6,5 м; l3 = 1,625 м; bв.б = 18 см получено

Asкр1 = 0,81 см2 и Asср = 0,56 см2. В средних пролетах принимается рулонная сетка с продольными рабочими стержнями Ø Вр4 1, размещенными с шагом 200 мм (0,2 м), имеющая площадь сечения стержней на 1 м ширины сетки, наиболее близкую к требуемой.

A

 

0,126

0,63см2

A

0,56см2,

 

scp

0,2

 

scp1

 

где 0,126 – площадь, см2, сечения Ø 4 (см. табл. 8). Распределительная поперечная арматура принимается

минимального диаметра с максимальным шагом (см. табл. 15): Ø Вр3 1-400

мм. При длине монолитной плиты l1∙5 – 2∙(200-120) = 6200∙5-160 = =30840 мм, перепуске при стыке сеток в нерабочем направлении не более чем на 50 мм [2, п.5.41] и числе сеток в количестве 20 штук ширина сетки назначается по значению 30840:20+50 = 1592 мм и принимается 1600 мм (кратно шагу 200). Таким образом, марка сетки

115

 

 

 

 

 

 

 

 

 

 

 

 

 

 

Таблица 15

 

 

 

 

 

 

 

 

 

Параметры сеток, мм, ГОСТ 23279-85(1987)

 

 

 

 

 

 

 

 

 

 

 

 

 

 

 

 

 

 

Ширина сетки

Диаметры

 

Шаг стержней

Пример маркировки сетки по

 

 

стержней

 

 

структуре

 

 

 

 

 

 

 

 

 

 

по осям

 

 

 

 

 

 

 

 

 

 

 

 

 

 

 

 

 

 

 

 

 

 

 

 

 

 

 

 

 

 

 

 

 

 

 

 

 

крайних

продольных

 

 

 

Тип,

d1, кл. - S1

 

A

 

стержней

 

продольных

поперечных

Вс

 

поперечных

 

С(Ср)

d2, кл. - S2

доб 1skp

 

 

 

 

 

 

 

 

 

 

 

 

 

 

 

 

 

 

 

 

A

 

 

 

 

 

 

 

 

 

 

 

 

 

 

 

 

От 600 до

12-40

 

 

 

 

 

14А-III

 

 

 

 

200

600

1 С

1600

1skp

 

 

 

 

 

 

 

 

 

 

 

3000

6-16

 

 

 

6А-III

 

 

 

 

 

 

 

 

 

 

 

 

 

 

 

 

 

 

 

 

 

 

 

 

 

 

 

 

 

 

 

 

 

A

 

 

 

 

 

 

 

 

 

 

 

 

 

 

 

116

От 800 до

6-16

 

 

 

200, 400

200

3 С

6А-III-400

2400

scp

 

 

 

 

 

 

 

 

 

 

 

 

 

3000

 

 

 

 

 

 

 

 

 

 

12-25

 

 

 

 

 

18А-III

 

81,0

 

 

 

 

 

 

 

 

 

 

 

 

 

 

 

 

 

 

 

 

 

 

 

 

 

3-5

 

 

 

 

100

100

 

4ВрI-100

 

 

 

 

 

 

 

 

 

 

 

 

 

 

 

 

 

 

 

 

 

 

4Ср

 

1100

,0

 

 

 

 

 

 

 

 

 

 

 

 

 

 

 

 

 

 

 

 

 

 

 

 

 

 

 

От 600 до

3-10

 

 

 

200

150

 

3ВрI-400

 

63

 

 

 

 

 

 

 

 

 

 

 

 

 

 

 

 

3800

6-10

 

 

 

300

200

 

8А-III-200

 

18,0

 

 

 

 

 

 

 

 

 

 

400

300

 

1800

 

 

 

 

 

 

 

 

 

 

 

 

3-10

 

 

 

500

400

 

4ВрI-400

 

см

 

 

 

 

 

 

 

 

 

 

 

 

 

 

 

2

 

 

 

 

 

 

 

 

 

 

 

 

 

 

 

 

 

 

 

 

 

 

 

 

 

 

 

 

 

 

.

1. d1, d2 диаметры продольных, поперечных стержней, мм; S1, S2 шаг продольных, поперечных стержней, мм; Вс ширина сетки, мм.

2. Ширина сетки принимается кратной выбранному шагу продольных стержней.

над

3

1-С

первой

4

 

 

Cp4:

назначаетсяопоройпромежуточной

400 Bp1

 

200 Bp1

2-СсеткаДобавочная.

 

 

1600

:площади по

пролетах крайних в

 

и

117

Вид сетки

Тип

сетки

1

Тяжелые

плоские

3

Легкие:

4

рулонные

плоские 4

Примечания: