Материал: 1799

Внимание! Если размещение файла нарушает Ваши авторские права, то обязательно сообщите нам

Рис. 40. 1-й случай III стадии НДС: Rbt – временное сопротивление

бетона растяжению; Rb – временное сопротивление бетона сжатию (призменная прочность); σТ – физический предел текучести

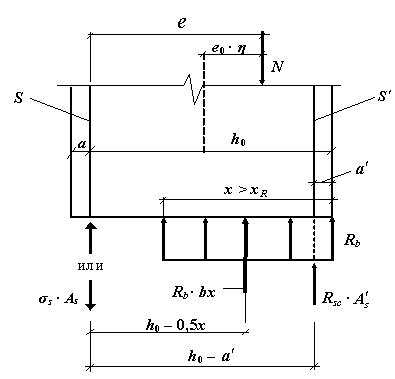
На основании анализа НДС формируется расчетная схема сечения по случаю больших эксцентриситетов (рис. 41).

Расстояние от силы N до центра тяжести растянутой арматуры e = e0 . η + h/2 – a .

Условие прочности формируется из уравнения равновесия ΣMs = 0:

N e Rbbx(h0 0,5x) Rsc As (h0 a ),

где высота сжатой зоны бетона определяется из уравнения равновесия ΣN = 0:

 

N Rs As Rsc As Rbbx.

 

e

e0

· η

 

 

 

N

a

h0

 

a

S

 

 

 

 

S

 

 

 

 

 

x < xR

 

 

 

Rb

Rs As

Rb · bx

 

Rsc ·A

 

 

 

s

 

h0 0,5x

 

 

93

h0 a

Рис. 41. Расчетная схема 1-го случая III стадии НДС:

ξ = x/h0 ξR = xR/h0 .

Разрушение от раздробления бетона сжатой зоны характеризуется условием 1 ≥ ξ > ξR и относится к случаю малых эксцентриситетов; характерной особенностью является достижение в сжатой зоне предела прочности (временного сопротивления Rb ) при недогруженности арматуры S.

Рассматриваются 2 варианта 2-го случая III стадии НДС

(рис. 42).

1-й вариант

 

2-й вариант

e01

N

 

e02

N

S

S’

S

 

S’

 

σb=Rb

 

 

 

 

σsc ·A

 

σb=

 

 

σs · As

 

Rb

s

σs · As

 

 

 

 

 

 

 

 

 

 

 

 

 

 

 

94

 

 

 

σsc< σT

 

σs < σT

 

 

 

σsc ·As

Рис. 42. 2-й случай III стадии НДС

В результате анализа НДС формируется расчетная схема сечения по случаю малых эксцентриситетов (рис.43).

По данной расчетной (см. рис. 43) схеме формируется условие прочности такое же, как и в случае больших эксцентриситетов, отличается только уравнение определения высоты сжатой зоны:

N σs As Rsc As Rbbx,

где для отыскания σs принята линейная зависимость «σs ξ » для ξ в диапазоне 1…ξR.

σ

s

(2

1 ξ

1)R ,

 

 

1 ξR

s

для

 

ξ = 1 σs = Rs = Rsc (для классов АI…AIII);

 

 

 

для

 

 

 

ξ = ξR , σs = Rs.

Из совместного решения уравнений получено выражение для определения ξ :

ξ (N RscAs )(1 ξR ) Rs As (1 ξR ) 1.

2Rs As Rbbh0(1 ξR )

95

Рис. 43. Расчетная схема 2-го случая III стадии НДС

ξ x/h0 ξR xR /h0

Для симметричного армирования (As As и Rs = Rsc) уравнение упрощается:

ξ

N(1 ξR ) 2Rsc AsξR

1.

 

2Rsc As Rbbh0(1 ξR )

Подбор армирования гибких ( 0/i 14) внецентренно сжатых элементов усложняется постоянной корректировкой коэффициента η, учитывающего увеличение эксцентриситета за счет прогиба. Любым из способов нахождение требуемых площадей Аs и As связано с последующей корректировкой Ncr и снова уточнением сечений арматуры.

Поэтому более целесообразен для решения задач подбора арматуры метод попыток.

Дано: b, h, Rb, Rs, Rsc, 0 , i, M, N и начальный эксцентриситет

e0=M/N с учетом ea.

Решение.

1. Устанавливаем граничные значения ξR .

96

2.Задаемся продольной арматурой с Аs и As ; уточняем а и a , определяем h0 .

3.Находим гибкость 0/i.

4. Если 14,

определяем условную критическую

силу

Ncr (…Аs и

As …) и находим η 1/(1 N/Ncr ) 1,

если

14,η 1.

5.Определяем расстояние e e0 η h/2 a.

6.В предположении (ξ ξR ) случая больших эксцентриситетов

имеем ξ x/h0 (N Rs As Rsc As )/(Rbbh0).

7.Если ξ ξR , значит величина ξ (п. 6) фиктивная, поскольку вместо Rs должно быть σs , поэтому проводится уточнение значения ξ ; если ξ ξR , величина ξ (п. 6) достоверна.

8.Определяем высоту сжатой зоны x ξh0.

9.Проверяем условие прочности; если условие прочности не выполняется или выполняется со значительным запасом, проводим корректировку параметров продольной арматуры и повторяем расчет с п. 2.

6.2. Конструктивная схема

Колонны многоэтажных промышленных зданий состоят из сборных железобетонных элементов длиной, кроме 1-го этажа, равной высоте этажа. Для опирания ригелей перекрытия колонны снабжены консолями. Стыки элементов колонн для удобства работ по соединению устраиваются на расстоянии 500…800 мм выше уровня панелей перекрытия. Конструктивная и расчетная схемы колонны приведены на рис. 44.

6.3. Расчетная схема, нагрузки, усилия

Колонна 1-го этажа рассчитывается как внецентренно сжатый стержень с шарнирным закреплением. Расчетная длина l0 в соответствии с [2] принимается равной расстоянию H от оси ригеля до середины заделки колонны в стакан фундамента, которая должна быть не

97