Материал: 1207

Внимание! Если размещение файла нарушает Ваши авторские права, то обязательно сообщите нам

 

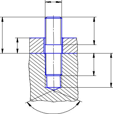
3. Строят фронтальный разрез и вид слева, исходя из следующего:

высота головки болта

h = 0,7d , высота гайки H = 0,8d, радиус дуг для

средней грани гайки и головки болта R = 1,5d .

 

 

 

Для определения радиуса r

дуг боковых граней необходимо про-

должить дуги средней грани до их пересечения с крайними ребрами боко-

вых граней и провести линию, перпендикулярную к оси болта, до пересе-

чения ее с линией, делящей боковую грань пополам.

 

 

 

 

d

 

 

С•45Е

 

 

 

Х

d1

 

 

 

 

 

 

 

 

 

 

 

12

 

 

 

 

 

K

 

 

 

 

 

1

 

 

 

 

 

 

 

 

30Е r

R

S

l0

R

Н

 

 

2

 

 

 

l

 

 

 

 

 

 

 

 

 

 

b

 

 

 

 

 

 

 

 

d

 

 

 

 

 

 

1

2

 

 

 

 

 

 

b

 

 

 

 

 

 

 

h

 

 

 

 

 

 

 

 

 

 

lрасч.=b1+b2 +S+H+K

 

 

 

 

 

d - наружный диаметр резьбы

 

 

 

 

D=2d

Dш=2,2 d

 

ш

11

 

 

d1

=0,85d

K=0,4d

 

D

 

 

 

H=0,8d

S=0,15d

 

 

 

 

 

h =0,7d

C=0,15d

 

 

 

 

 

R=1,5d

X =0,25d

 

 

 

 

 

R1

=d

d2 =1,1d

 

 

 

D

 

l0

=2d

 

 

 

 

 

 

r - определяется построением

 

 

Рис. 6. Болтовое соединение

 

 

10

4. Определяют на главном виде проекции 1' точек 1 (на гайке и головке болта) под углом 30°, через точки 1 проводят фронтальные проекции контура фаски.

Радиус скругления гайки и головки болта на виде слева R1 = d. Болт, гайку и шайбу, попадающих в продольный разрез плоскостью,

проходящей через ось болта, условно принято изображать неразрезанными.

Соединяемые детали в разрезе штрихуются в разные стороны. Плотность (частота) и направление штриховки для одной и той же детали должны быть одинаковыми на всех изображениях.

Примеры условного обозначения крепежных деталей на учебных чертежах

1. Болт с диаметром резьбы d = 12 мм, длиной 60 мм с крупным шагом резьбы обозначается так: болт М 12х60 ГОСТ 7798-70. То же, с мелким шагом резьбы: болт М 12х1,25х60 ГОСТ 7798-70.

2.Гайка с диаметром резьбы d = 12 мм, исполнения 1 с крупным шагом резьбы: гайка М 12 ГОСТ 5915-70. То же, с мелким шагом резьбы, исполнения 2: гайка 2 М 12х1,25 ГОСТ 5915-70.

3.Шайба круглая, диаметр резьбы стержня болта (шпильки, винта) 20 мм, исполнение 1: шайба 20 ГОСТ 11371-78.

4.2. Шпилечное соединение

Шпилька представляет собой цилиндрический стержень с резьбой на обоих концах.

В шпилечное соединение входят: шпилька, гайка, шайба и соединяемые детали. Изображение шпилечного соединения складывается из изображений вышеперечисленных деталей и выполняется по тем же правилам, что и болтовое соединение.

При соединении деталей шпилька одним концом L1 ввинчивается в

резьбовое отверстие детали. Длина ввинчиваемого конца L1 зависит от материала детали, в которой выполнено резьбовое отверстие:

L1 = d (сталь, бронза, латунь, сплавы титана), ГОСТ 22032-76; L1 = 1,25d (серый и ковкий чугун), ГОСТ 22034-76;

L1= 2d (легкие сплавы), ГОСТ 22038-76.

На резьбу гаечного конца L0 навинчивается гайка.

Длина шпильки L (без ввинчиваемого конца) определяется аналогично длине болта:

L расч = b + S + H + K ,

11

где b толщина скрепляемой детали, S толщина шайбы,

H высота гайки,

K запас резьбы на выходе из гайки.

Полученную величину сравнивают со стандартными значениями длин шпилек 32, 35, 38, 40 и выбирают длину, ближайшую к расчетной.

Длину нарезанной части гаечного конца берут равной (рис. 7).

L0 = S + H + K + 0,5d

Пример упрощенного, условного обозначения шпильки с диаметром резьбы d = 16 мм, крупным шагом P = 2, длиной L = 120 мм, ввинчиваемой в стальное резьбовое отверстие: шпилька М 16х120 ГОСТ 22032-76.

То же, с мелким шагом P = 1,5 мм: шпилька М 16х1,5х120

ГОСТ 22032-76.

d

o

l

l

b

1

l

2

l

120Е

Рис. 7. Элементы шпилечного соединения

4.3. Винтовое соединение

Винтовое соединение аналогично соединению шпилькой: винт завинчивается в одну из скрепляемых деталей.

12

На учебных чертежах рекомендуется вычерчивать соединения по относительным размерам (в зависимости от наружного диаметра резьбы d).

Наибольшее распространение в машиностроении имеют крепежные винты для металлов, которые изготовляют с цилиндрической (ГОСТ 149180), полукруглой (ГОСТ 17473-80) и потайной (ГОСТ 17475-80) головками

(рис. 8).

 

 

1,1d

 

 

 

b

 

 

 

 

 

2

1

d

l0

l

l

l

 

 

 

 

l

 

 

 

 

 

 

 

0,85d

 

 

 

 

2d

 

 

1

 

 

1

b

0

1

 

l

2

 

l

 

 

l

а)

0,2d

0,25d

d

1,5d

 

 

б)

 

 

в)

 

0

 

0,2d

 

90Е

 

,

 

 

 

 

 

8

 

 

 

 

 

d

 

 

 

 

1

0,7d

d

0,4d

0,25d

d

0,5d

 

 

 

 

 

Рис. 8. Винтовое соединение

Примеры условных обозначений винтов

1. Винт с цилиндрической головкой, диаметр резьбы 20 мм, шаг резьбы мелкий 1,5 мм, длина винта 80 мм (Lдлина винта без головки),

13

ГОСТ 1491-80: винт М20х1,5х80 ГОСТ 1491-80.

2. Винт с потайной головкой, диаметр резьбы 12 мм, шаг резьбы крупный, длина винта 50 мм (для винтов с потайной головкой длина включает длину стержня и высоту головки), ГОСТ 17475-80: винт М 12х50

ГОСТ 17475-80.

4.4. Шпоночное соединение

Шпоночное соединение состоит, как правило, из вала, зубчатого колеса (или шкива) и шпонки.

Наиболее распространенными являются шпонки призматические и сегментные (рис. 9, 10). Размеры шпонок стандартизированы и зависят от диаметра вала (табл. 2).

Таблица 2

Размеры шпонок

Диаметр

 

 

 

 

Шпонки по ГОСТ

 

 

 

 

вала от 22

 

 

23360-78

 

 

 

24071-80

 

до 30 мм

b

h

t1

d+t2

L

b

h

 

t1

d+t2

D

 

8

7

4

35

18 90

8

11

 

8

35

28

 

 

 

 

 

 

 

 

 

 

 

 

А

h

l

 

 

b

А-А

 

 

 

 

2

 

 

t

2

 

d

d+t

 

 

1

 

t

А

Рис. 9. Шпонка призматическая (ГОСТ 23360-78)

14