Материал: zapiska_1

Внимание! Если размещение файла нарушает Ваши авторские права, то обязательно сообщите нам

Окончание таблицы 6.1

1

2

3

4

5

14

Верстак для ремонта форсунок ГЕФЕСТ-ВС-

109-ЭП

1

150

1740х630х1445мм

15

Набор приспособлений для разъединения трубопроводов Partner PA-AN7028

1

1,9

-

16

Цифровой манометр Crystal XP2i

1

0,4

-

7 Разработка системы диагностирования системы питания дизельного двигателя автомобиля Ford Mondeo

7.1 Функциональная схема и описание объекта диагностирования

Это первые дизельные двигатели Форда с системой питания Common Rail. TDCi – получен в результате модернизации двигателя 2.0 TDDi. Поэтому нет ничего удивительного в том, что они имеют общие проблемы, влияющие на долговечность.

2.0 TDCi 2001-2004 г.в. регулярно страдал из-за отказа форсунок. Спустя время насос высокого давления начинал гнать металлическую стружку и выводил из строя форсунки. Недолго ходит и двухмассовый маховик. Кроме того существуют и типичные проблемы, характерные для послуживших турбодизелей – клапан системы EGR и расходомер.

В процессе производства Ford предпринимал попытки устранить уязвимые места 2.0 TDCi, и следует признать, что количество проблем значительно сократилось.

Рисунок 7.1 – Внешний вид моторного отсека Ford Mondeo III

Система регулирования питания дизельного двигателя автомобиля Ford Mondeo III представлена на рисунке 7.2

1— Распределительный топливный насос, 2 — блок управления насосом (PCU), 3 — форсунка, 4 — температурный датчик головки блока цилиндров (СНТ), 5 — датчик абсолютного давления во впускном трубопроводе (МАР), 6 — датчик температуры впускного воздуха (IAT), 7 — регулятор пониженного давления EGR, 8 — датчик температуры впускного воздуха (IAT) перед турбонагнетателем, 9 — воздушный фильтр, 10 — комбинированный инструмент, 11 — турбонагнетатель Garett-GT15, 12 — датчик педали акселератора (АР), 13 — датчик положения педали сцепления (СРР), 14 — выключатель тормозного освещения (ВРР), 15 — диагностический разъем (DLC), 16 — замок-выключатель зажигания,17 — блок управления трансмиссией (HCV) EEC V с 104 кодами и встроенным PATS, 18 — клапан турбонагнетателя,19 — клапан рециркуляции отработанного газа (EGR) c EGR-установочным датчиком, 20 — вакуумный насос, 21 — зарядное устройство аккумуляторной батареи (Smart-Charging), 22 — штифтовые свечи накаливаниz,23 -Позиционный датчик коленчатого вала (СКР), 24 — топливный бак, 25 — топливный фильтр.

Рисунок 7.2 – Система регулирования питания двигателя Ford Mondeo III

Температурный датчик головки блока цилиндров (СНТ): СНТ-датчик находится со стороны коробки передач в головке блока цилиндров. Он не выполняет измерений температуры охлаждающей жидкости, как обычно в старых двигателях Ford, а фактическую температуру головки блока цилиндров. Его сигналы оказывают влияние на объем впрыскивания, начало впрыскивания, частоту вращения при холостом ходе, управления свечами накаливания, EGR-систему, а также индикацию температуры охлаждающей жидкости и управление вентилятором радиатора.

Позиционный датчик коленчатого вала (СКР): СКР-датчик регистрирует индуктивно точное угловое положение коленчатого вала, а также текущую частоту вращения двигателя. Его сигналы значимы для объема впрыскиваемой горючей смеси и начала впрыскивания.

Чтобы учитывать влияние температуры на плотность надувочного воздуха, IAT-датчик регистрирует температуру надувочного воздуха. Его сигналы использует РСМ для получения корректирующих параметров при расчете давления наддува. В таком союзе Т-МАР-датчик предоставляет информацию на РСМ, на основе которой рассчитывается объем воздушной массы, надуваемой в двигатель. Все это оказывает также влияние на количество впрыскиваемого топлива и систему EGR.

Расходомер воздуха (MAF): MAF-датчик работает по принципу нагретой проволоки. Он «вставлен» в воздухопровод позади воздушного фильтра и в основном управляет EGR-системой.

Датчик положения педали акселератора (АРР): для того чтобы изменять мощность двигателя в соответствии с положением педали акселератора, РСМ руководствуется данными о положении АРР-датчика. В принципе этот датчик работает аналогично потенциометру, который посредством трех скользящих контактов измеряет угловые перемещения педали акселератора.

Датчик располагается в салоне, в левом кронштейне усилительного элемента передней стойки, за щитком приборов. Во избежание черного дыма он снабжает РСМ текущими значениями господствующего давления окружающего воздуха. На основе посылаемых сигналов бортовая ЭВМ корректирует давление наддува и фактический объем впрыскивания.

Основные элементы системы питания дизельного двигателя автомобиля Ford Mondeo III представлена на рисунке 7.3

1 –Трубопровод, 2  сопло и держ. топливной форсунки, 3-  впускной трубопровод; 4 - топливный коллектор, 5 – топливопровод, 6 - свеча подгрева, 7-  провод свечи подогрева, 8 – болт, 9 - анкерная гайка, 11-  уплотнительное кольцо, 12 – крышка, 13 – соединитель, 14 – стяжка, 15 – стяжка, 16-  болт, 17- болт, 18 –болт.

Рисунок 7.3 – Основные элементы системы питания

Последовательность работы топливной системы дизельного двигателя следующая. Дизельное топливо из топливного бака при помощи топливоподкачивающего насоса проходит через фильтр грубой очистки, избавляясь от крупных включений. Далее, уже непосредственно перед ТНВД топливо проходит через фильтр тонкой очистки. После фильтрации дизельное топливо попадает в ТНВД и в связке с ним работают топливные форсунки, через которые топливо в распыленном состоянии и впрыскивается в цилиндр.

Электронный блок управления (ЭБУ) получает информацию от всех датчи-ков об измеряемых параметрах, анализирует их и выдает команду форсункам на впрыск определенной порции топлива в строго обозначенное время.

Электромагнитная форсунка относится к исполнительному механизму си-стемы. При получении управляющего сигнала от ЭБУ игла форсунки поднимает-ся для распыления порции топлива.

1 - Насос впрыска топлива, 2 –топливопровод, 3-специальная гайка, 4-кронштейн, 5-опора, 6-кронштейн топливного насоса, 7-болт с шестигранной головкой, 8-винт, 9-винт, 10- зажим топливопровода, 11-гайка, 12-датчик температуры топлива, 13-клапан насоса, 14- прокладка,15- диффузор,16- зведочка,17- болт, 18 –болт.

Рисунок 7.4 – Основные элементы ТНВД

Насосы обеспечивают подачу топлива в цилиндры дизельного мотора под определенным давлением, а также строго в определенный момент. Порции  подаваемого топлива отмерены очень точно и соответствуют степени нагрузки на двигатель. Рабочее давление ТНВД является 1100 бар. Рабочее давление в топливной рампе должно быть 3,8 бар.

7.2 Диагностические параметры и диагностическое оборудование для оценки технического состояния системы питания дизельного двигателя автомобиля Ford Mondeo III

Диагностирование систем питания дизельных двигателей включает в себя проверку герметичности системы и состояния топливного фильтра, проверку топливоподкачивающего насоса, а также насоса высокого давления и форсунок.

Герметичность топливной системы проверяют визуально и проверкой давления в топливной рампе можно замерять манометром, прибор подсоединяется (при помощи переходников) своим выходом к топливной рампе, а на входе соединяется с топливным шлангом. Далее включается зажигание. При этом на манометре устанавливается определенное давление, которое не должно опускаться, в данном двигателе 3,8 бара.

Состояния топливных фильтров именно их загрязнение может повлиять на пропускную способность топливных магистралей и сказаться на показателях манометра.

ТНВД и форсунки можно проверить автомобильным сканером Bosch KTS 570 давление в ТНВД в данной топливной системе должно составлять 1100 бар, расход топлива на холостом ходу должно составлять 0,7 лита/час.

Топливоподкачивающего насоса качает топливо из бака через фильтра в ТНВД, при его неисправности в ТНВД подается недостаточное количества топлива, что приводит к нестабильной работе двигателя.

Рисунок 7.5 — Универсальный автомобильный сканер Bosch KTS 570

Bosch KTS 570 - универсальный программно-аппаратный комплекс для диагностики электронных блоков и систем автомобилей европейского, азиатского и американского производства. Компания Bosch является лидером рынка различных электронных компонентов для автомобильной промышленности и является поставщиком на сборочные линии крупнейших автоконцернов, поэтому диагностическое оборудование этого производителя способно работать с подавляющим большинством существующих марок и моделей транспортных средств.

Bosch KTS 570 представляет собой небольшой адаптер, в котором сосредоточены новейшие технологии в области автомобильной диагностики. Прибор позволяет проводить огромное количество всевозможных процедур по тестированию и техническому обслуживанию систем транспортных средств. Bosch KTS 570 представляет собой программно-аппаратный комплекс, состоящий из адаптера для подключения к диагностическому разъему автомобиля и специализированного программного обеспечения ESI[tronic] для установки на персональный компьютер, ноутбук или один из защищенных планшетов от компании Bosch: DCU 100, DCU 130. Связь с ПК и другими устройствами осуществляется посредством беспроводного протокола передачи данных Bluetooth.

Возможности прибора (Bosch КTS-570):

  • считывает/расшифровывает коды неисправностей;

  • стирает коды неисправностей;

  • выводит текущие параметры системы в цифровой виде;

  • выводит текущие параметры системы в графическом виде;

  • управляет исполнительными компонентами;

  • активирует специальные режимы работы контроллера;

  • описывает расположение диагностических колодок;

  • сбрасывает сервисные интервалы;

  • контролирует масла;

  • разблокирует иммобилайзер;

  • вариантное кодирование;

  • базисные настройки;

  • мультиметр;

  • инициализация угла поворота колес;

  • проверка ESP;

  • осциллограф (KTS 570);

  • другие функции (чтение VIN, статический тест и т.д.).

При помощи Bosch КTS-570 можно выбрать режимы тестирования. Которые позволяют: считывать системные данные; обрабатывать коды неисправностей на обычном русском языке; обнаруживать непостоянные неисправности путем регистрации и хранения системных данных в течении нескольких минут ДО и ПОСЛЕ появления неисправности, с последующим анализом полученной информации; сбрасывать коды неисправностей; управлять: реле бензонасоса, лампой циркуляции выхлопных газов, форсунками, уровнем "СО", потенциометром.

Рисунок 7.6 - Компрессометр дизельных двигателей

Компрессометр используется для контроля состояния деталей цилиндро-поршневой группы и ГРМ дизельных двигателей легковых автомобилей с прямым и непрямым системами впрыска. Подключение прибора осуществляется с помощью адаптеров через гнездо свечи накаливания. Изделие снабжено большим, 83 мм, гидронаполненным аналоговым манометром в обрезиненном противоударном корпусе, шкала которого градуирована от 0 до 70 кгс/см² (0-1000 PSI). Соединительный армированный шланг, длиной 355 мм, снабжен быстросъемным соединением, рассчитан на пиковое давление 300 кгс/см². Изделие применяется для обслуживания автомобилей марок: BMW, CITROEN, DIAHATSU, FIAT, FORD, ISUZU, LAND ROVER, DAF, MAZDA, MERCEDES-BENZ, MITSUBISHI, NISSAN, OPEL , PEUGEOT, RENAULT, TOYOTA, VAG, VOLVO.

7.3 Разработка диагностической модели системы питания Ford Mondeo III

Объект диагностирования рассматривается как преобразователь одних величин Y, которые вводятся в объект, в другие величины R, которые являются реакциями объекта . Таким образом, работу объекта диагностирования можно представить в следующем виде:

R = А Y (7.1)

где R, Y – векторы выходных и входных величин соответственно;

А – оператор объекта.

Если объект имеет конечное количество состояний К, то модель должна обеспечивать изменение выходного сигнала при неизменном входном сигнале в зависимости от i- го состояния. На объект диагностирования можно воздействовать разными тестовыми проверками Пj, что будет приводить к изменению реакции. Поэтому в общем виде следует записать:

(7.2)

где - оператор объекта диагностирования или его элемента при проведении Пj–ой проверки и i-ом отказе.

Если такое уравнение будет задано для всей совокупности проверок и отказов, то это будет явная диагностическая модель объекта.

Наиболее простой формой представления модели является таблица состояний. Она строится следующим образом. Каждому отказу соответствует состояние Si. Поэтому столбцы соответствуют состояниям, а строки - Пj элементарным проверкам. В клетки таблицы (i, j) заносится результат . В первом столбце So записываются реакции объекта контроля на проверки при его исправном состоянии.

Если значения входа и выхода обозначить двойными логическими переменными, то они будут принимать значения «1», когда они допустимы, и «0» - когда не допустимы. Значения в таблице состояний будут принимать значения «0» или «1» в зависимости от состояния объекта.

Построение таблицы состояний происходит в несколько этапов. Первоначально рассматривается и анализируется функциональная схема объекта диагностирования. Здесь же необходимо принять решение о необходимости включения в формируемую логическую модель каждого из элементов функциональной схемы. Если элемент не влияет на работу схемы, то его можно исключить из дальнейшего рассмотрения.

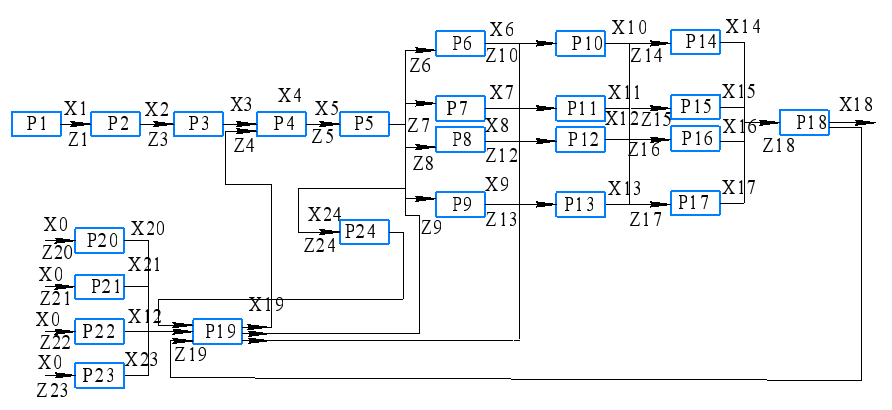
Далее строится структурная схема по следующим формальным правилам:

а) если какой-либо входной (выходной) сигнал блока характеризуется несколькими параметрами, то каждый из этих параметров обозначается отдельным входом (выходом);

б) все блоки обозначаются Pi, входы Zi, выходы Хi;

в) если выход какого-либо блока, являющийся входом в другой блок, расщепляется на несколько выходов, то вход также расщепляется на такое же количество входов.

P1 - топливный бак, P2 - топливоподкачивающий насос, P3 - топливный фильтр, P4 – топливный насос высокого давления, P5–топливные рампа, P6…P9-свечи накала, P10…P13-форсунки, P14…P17-цилиндры, P18 датчик содержания кислорода в ОГ, P19 – электронный блок управления, P20 – датчик температуры охлаждающей жидкости, P21 – датчик вращения коленчатого вала, P22 – датчик положения педали, P23 – датчик вращения распределительного вала, P24 – датчики давления в топливной системе.