Материал: Всё о чертежах

Внимание! Если размещение файла нарушает Ваши авторские права, то обязательно сообщите нам

При нанесении размера радиуса перед размерным числом помещают прописную букву R.

При указании размера диаметра (во всех случаях)

перед размерным числом наносят знак « ».

При указании размера квадрата перед размерным числом наносят знак «»

Перед размерным числом, характеризующим конусность,

наносят знак «», острый

угол которого должен быть направлен в сторону вершины конуса

Перед размерным числом, определяющим уклон,

наносят знак «», острый

угол которого должен быть

56

 

направлен в сторону уклона.

 

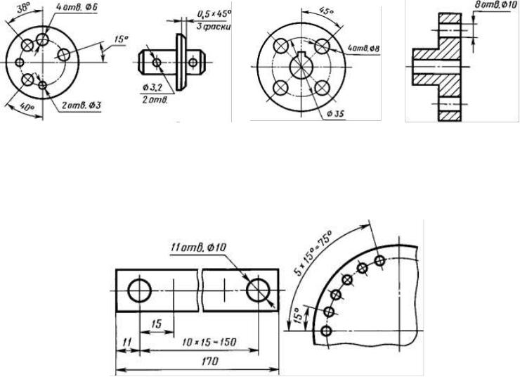
При нанесении размера фаски, выполненной под углом 45°, в размере фаски указывают ширину фаски и через знак умножения величину угла 45°.

Размеры фасок под другими углами указывают по общим правилам

— линейным и угловым размером или двумя линейными размерами

57

Размеры нескольких одинаковых элементов изделия, как правило, наносят один раз с указанием на полке линии-выноски количества этих элементов.

При нанесении размеров элементов, равномерно расположенных по окружности изделия (например, отверстий), вместо угловых размеров, определяющих взаимное расположение элементов, указывают только их количество.

При нанесении размеров, определяющих расстояние между равномерно расположенными одинаковыми элементами изделия (например, расстояниями) рекомендуется вместо размерных цепей наносить размер между соседними элементами и размер между крайними элементами в виде произведения количества промежутков между элементами на размер промежутка.

58

При изображении вида или разреза симметричного предмета или отдельных симметрично расположенных элементов размерные линии, относящиеся к этим элементам, проводят с обрывом, и обрыв размерной линии делают дальше оси или линии обрыва предмета.

Размерные линии допускается проводить с обрывом при указании размера диаметра окружности независимо от того, изображена ли окружность полностью или частично; при этом обрыв размерной линии делают дальше центра окружности

59

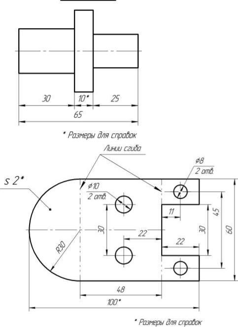
Справочные размеры на чертеже отмечают знаком «*», а в технических требованиях записывают: «* Размеры для справок».

К справочным относят следующие размеры:

• один из размеров замкнутой размерной цепи. Предельные отклонения таких размеров на чертеже не указывают

• размеры деталей (элементов) из сортового, фасонного, листового и другого проката, если они полностью определяются обозначением материала и др.

60