Материал: Влияние пероксидной отбелки на эффективность биологической отбелки сточных вод

Внимание! Если размещение файла нарушает Ваши авторские права, то обязательно сообщите нам

Рисунок 3 - Участие пироксидазы в окислении пирокатехина

Субстратная специфичность пероксидазы к природным субстратам максимальна в щелочной и нейтральных средах. В качестве доноров водорода наиболее интенсивно используются природные фенольные соединения (пирогаллол, гваякол и др.). В процессах окисления принимают участие ионы металлов, например марганца, рисунок 4.

Рисунок 4 - Схема окисления фенолов в присутствии ионов марганца

.3 Патентный поиск по повышению эффективности биологической очистки при участии пероксида водорода

.3.1 Способ биологической очистки сточных вод от фенола

Известен способ очистки сточных вод от трудноокисляемых соединений путем предварительной обработки перекисью водорода перед подачей на биологическую очистку. Этот способ предусматривает предокисление пероксидом водорода сточных вод и дальнейшее направление их на биологическую очистку.

Формула изобретения: способ биологической очистки сточных вод от фенола активным илом, включающий адаптацию активного ила, отличающийся тем, что очистку проводят активным илом и пероксидом водорода, причем активный ил предварительно адаптируют к высоким концентрациям фенола не более 3,0 г/л и пероксидом водорода не более 3 г/л. Результаты представлены в таблице 1.

Таблица 1 - Показатели процесса биодеструкции фенола

Показатели процесса

Предложенный способ

Прототип


Пример 1

Пример 2


Концентрация фенола до очистки, г/л

3,0

3,0


Концентрация фенола после очистки, г/л

0,05

0,18


ХПК до очистки, мг О2/л

295

374

364,2

ХПК после очистки, мг О2/л

212

430,5

26,6

Степень очистки, %

95

94

92,7

Концентрация активного ила в конце процесса деструкции, г/л по сухим веществам

3,96

2,64

2,9

Скорость потребления фенола, г/л*ч

до 0,33

до 0,27

0,025

Режим

Непрерывный

Непрерывный

Допустимая концентрация фенолов, г/л

Не более 3,0

Не более 0,5


Предлагаемый способ позволяет осуществлять процесс очистки в непрерывных условиях, значительно повысить скорость процесса, причем процесс совместного биологического и химического окисления проводится в одном объеме и одновременно, что значительно упрощает аппаратурное оформление биологической очистки. Однако, содержание фенолов не должно превышать 3 г/л.

Непрерывный процесс совместного и одновременного окисления фенолов активным илом и пероксидом водорода проводят на лабораторных моделях аэротенков - смесителей объемом 5 л, которые работают круглосуточно.

Используются модельные сточные воды, содержащие, г/л: Na2HPO4 - 10,1, (NH4)2SO4 - 1,0, KH2РO4 - 2,7, MgSO4*7H2O - 0,2, MnSO4 - 0,01, FeSO4*7H2O - 0,05, Са(NO3)2 - 0,03, в качестве загрязнителя - фенол в концентрациях 0,5-3,0 г/л.

Степень очистки оценивается спектрофотометрическим методом при длине волны, равной 270 нм.

1.3.2 Способ биологической очистки сточных вод от органических соединений

Формула изобретения: способ биологической очистки сточных вод от органических соединений, в частности, от фенолов и их производных, активным илом, включающий обработку активного ила перекисью водорода, отличающийся тем, что активный ил предварительно адаптируют к потреблению фенола при внесении фенола в концентрации не более 2 г/л и перекиси водорода в концентрации не более 3 г/л, а очистку проводят в периодическомрежиме с внесением высококонцентрированных сточных вод порциями не более 5 г/л по фенолам и перекиси водорода порциями не более 20г/л непосредственно в среду биоокисления в течение всего процесса без оттока жидкой среды. Результаты представлены в таблице 2.

Таблица 2 - Показатели эффективности биологической очистки

Показатели процесса

Пример 1 без адаптации с адаптацией к Н2О2

Пример 2 (с адаптацией к Н2О2)

Концентрация фенола в исходном стоке, г/л

2,0

2,0


Количество суммарно внесённого фенола, г/л ХПК до очистки, мг О2/л

8,0

100,0

364,2

ХПК после очистки, мг О2/л



26,6

Степень очистки, %

85

99,95

92,7

Концентрация активного ила в конце процесса деструкции, г/л по сухим веществам

2,6

17,0

2,9

Скорость потребления фенола, г/л*ч

до 0,3

до 0,8

0,025

Режим

Периодический с дополнительным внесением высококонцентрированных сточных вод и перекиси водорода

Непрерывный

Допустимая концентрация фенолов, г/л

Не более 5,0

Не более 0,5


Недостатками такого способа является проведение процесса в периодическом режиме.

Используются модельные сточные воды, содержащие, г/л: Na2HPO4 - 10,1, (NH4)2SO4 - 1,0, KH2РO4 - 2,7, MgSO4*7H2O - 0,2, MnSO4 - 0,01, FeSO4*7H2O - 0,05, Са(NO3)2 - 0,03, в качестве загрязнителя - фенол в концентрации 2,0. Адаптацию микроорганизмов, формирующих активный ил, к потреблению фенола проводят в периодическом режиме биоокисления вплоть до одномоментно вносимых концентраций фенола 2 г/л в течение 1,5 мес. путем культивирования микроорганизмов в колбах на качалке. Процесс биодеструкции фенола проводят на лабораторной модели аэротенков-смесителей в биореакторе с мешалкой объемом 5 л [5].

1.3.3 Способ биодеструкции фенола

Формула изобретения: изобретение относится к биотехнологии и может быть использовано в процессе биологической очистки промышленных сточных вод, почвы, шламов. Способ предусматривает выращивание лигнолитического гриба Panus (Lentinus) tigrinus BKM F-3616D на жидкой питательной среде Чапека-Докса, дополненного лигносульфанатом, содержащей калий фосфорнокислый двузамещенный, сульфат железа, сульфат магния, нитрат натрия, сульфат меди, хлорид калия, сахарозу и лигносульфонат, соответственно.

Получение 3-4-суточного инокулята этого гриба. Внесение в фенолсодержащие стоки с биогенными факторами 3-4-суточного инокуляталигнолитического гриба Panus (Lentinus) tigrinus BKM F-3616D. Изобретение позволяет осуществлять очистку стоков от фенолов с более высокими концентрациями.

Результаты представлены в таблице 3.

Таблица 3 - Показатели биодеструкции фенола

Обработка

Максимальная концентрация фенола, г/л

Убыль фенолов, г/л

Pseudomonasputida

0,25

0,23

Pseudomonas species и Alcaligenes species

1,50

1,35

Panus (Lentinus) tigrinus BKM F-3616D, выращенный на среде Чапека-Докса с лигносульфонатом

30

22,50


Технический результат заключается в очищении стоков и субстратов с высокой концентрацией фенолов (до 30 г/л).

Способ биодеструкции фенола, предусматривающий внесение микроорганизма в фенолсодержащие стоки с биогенными факторами, отличающийся тем, что в качестве микроорганизма используют 3-4-суточный инокулятлигнолитического гриба Panus (Lentinus) tigrinus BKM F-3616D, выращенного на жидкой среде Чапека-Докса, дополненной лингосульфонатом, включающей, г/л: калий фосфорнокислый двузамещенный - 1,0; сульфат железа - 0,01; сульфат магния - 0,5; нитрат натрия - 3,0; сульфат меди - 0,22; хлорид калия - 0,5; сахароза - 30,0; лигносульфонат - 15,0.

.3.4 Способ аэробной биологической очистки сточных вод

Формула изобретения: изобретение относится к области биологической обработки промышленных или бытовых сточных вод. Проводят механическую обработку сточной воды и отделяют от нее твердый осадок. Обрабатываемую воду отстаивают в первичном отстойнике и отделяют от нее сырой осадок. Аэробную биологическую очистку воды активным илом осуществляют в аэротенке. Смесь сточной воды и активного ила отстаивают во вторичном отстойнике. Перед подачей возвратного активного ила обратно в аэротенк осуществляют его физико-механическую обработку путем ультразвукового воздействия в роторном аппарате с модуляцией потока, в который одновременно подают атмосферный воздух. Очищенную воду отводят из очистных сооружений. Изобретение позволяет повысить эффективность и качество процесса биологической очистки сточных вод.

Ультразвук, действуя на возвратный активный ил, повышает метаболическую активность микрофлоры, удельная скорость потребления кислорода возрастает, и происходит ускорение процесса биологического окисления органических загрязнений сточных вод.

Так как технологический процесс очистки сточных вод требует предотвращения вымывания активного ила из системы очистных сооружений, то размеры флокул должны быть достаточными для того, чтобы обеспечить седиментацию ила во вторичных отстойниках за время, обусловленное конструкционными параметрами отстойников.

Формула для расчёта наименьшего допустимого размера частицы ила:

 , (1)

где ρ1 и ρ2 - плотности частицы и жидкости соответственно; η - динамическая вязкость жидкости; V - объем отстойника; Q - объёмная скорость потока жидкости в отстойник; h - глубина отстойника; g - ускорение свободного падения.

Для получения значений размеров флокул, обеспечивающих оптимальную скорость и качество биологического окисления органических загрязнений, используется разработанная ячеечная модель процесса биологического окисления флокулами активного ила. Режим обработки в РАМП выбирается таким образом, чтобы обеспечить размер флокул как по формуле 1, так и требованиям ячеечной модели.

Активный ил, осажденный во вторичном отстойнике, в дальнейшем именуемый возвратным активным илом, с помощью насоса подается по трубопроводу на вход аэротенка. В тракт трубопровода встраивается роторный аппарат с модуляцией потока для осуществления физико-механического воздействия на поток возвратного ила.

Для насыщения иловой суспензии растворенным кислородом одновременно с возвратным активным илом в роторный аппарат с модуляцией потока подают атмосферный воздух и производят диспергирование иловоздушной смеси. Обработанный возвратный ил подается на вход аэротенка, где смешивается с поступающей сточной водой .

.3.5 Способ биологической очистки сточных вод

Формула изобретения:

. Способ биологической очистки сточных вод, включающий первичное отстаивание, обработку активным илом в аэротенках, вторичное отстаивание и возврат циркуляционного активного ила в аэротенки. Отличается тем, что возвратный циркуляционный активный ил после вторичного отстаивания перед обработкой в аэротенках предварительно регенерируют кислородсодержащей смесью, погружением в него аэратора с возможностью управления временем пребывания кислорода в иловой смеси.

. Способ по п. 1, отличающийся тем, что предварительную регенерацию возвратного циркуляционного активного ила производят погружением аэратора в поток ила непосредственно в магистрали.

. Способ по п. 1, отличающийся тем, что предварительную регенерацию возвратного циркуляционного активного ила производят погружением аэратора в камеру циркуляционного активного ила.

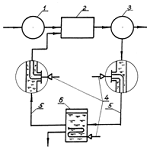
На рисунке 6 представлена схема для реализации данного способа. Способ биологической очистки сточных вод включает отстаивание в первичном отстойнике 1, обработку активным илом в аэротенках 2, вторичное отстаивание во вторичном отстойнике 3 и возврат циркуляционного активного ила в аэротенки 2. Возвратный циркуляционный активный ил после вторичного отстаивания перед обработкой в аэротенках аэрируют кислородсодержащей смесью погружением в него аэратора 4. Аэратор 4 погружают в поток ила непосредственно в магистраль 5 или в камеру 6 циркуляционного активного ила с возможностью управления временем пребывания кислорода в иловой смеси, рисунок 5.

Рисунок 5 - Схема реализации регенерации активного ила

В результате предварительной регенерации циркуляционного активного ила повышается его метаболическая активность и резко сокращается массовый расход воздуха на аэрацию в аэротенках, что приводит к значительному сокращению электроэнергии (как минимум в 2 раза), а также позволяет быстро восстанавливать нормальную работу сооружений (2-3 суток) в случае резкого увеличения токсичности стоков. БПК5 определяется равным не более 3 мг/л.

2. Методическая часть

.1 Методика отбелки целлюлозы

Небеленую целлюлозу из хвойных пород с заданной жесткостью 11,3 Каппа, вязкостью 840 мл/г после КЩО подвергают обработке серной кислотой с расходом 3% от массы в.с.ц., с концентрацией массы 10% при выдерживании целлюлозной суспензии при 900С в течение 60 минут, затем целлюлозную массу отделяют, промывают и обрабатывают пероксидом водорода при той же концентрации массы (с расходами Н2О2 2,0% и гидроксида натрия 1,2%, сульфата магния 0,25%) при 800С и продолжительности 120 мин., затем целлюлозу отделяют, промывают и обрабатывают диоксидом хлора при температуре 70 0С с расходом 0,5% при концентрации массы, продолжительности обработки аналогичной второй ступени, затем целлюлозу промывают и подвергают обработке пероксидом водорода (с расходами Н2О2 1,5% и гидроксида натрия 1,2% от массы абс. сухой целлюлозы) при концентрации массы 10%, при 900С и продолжительности обработки 120 мин., тщательно промывают и высушивают.

Фильтраты лиственной целлюлозы были получены по аналогичной методике (исходная жесткость 11,8 ед. Каппа, вязкость 940 мм/г)

.2 Метод определения белизны целлюлозы

Метод основан на измерении в синей области спектра при эффективной длине волны 457 нм коэффициента диффузного отражения поверхности светонепроницаемой стопы образцов по отношению к коэффициенту отражения абсолютного рассеивания, принимаемого за 100%.

Аппаратура, посуда, реактивы

фотометр белизны, соответствующий требованиям ГОСТ 30116;

рабочие эталоны;

воронка Бюхнера с внутренним диаметром 90 мм ГОСТ 9147;

колба для фильтрования под вакуумом вместимостью 1000-2000 см3; ГОСТ 25336;

насос вакуумный лабораторный;

валик металлический массой 1000-1500 г;

рН-метр лабораторный;

бумага фильтровальная ГОСТ 12026;

фильтры из хлопчатобумажной белой ткани ГОСТ 29298;

фильтры обеззоленные марки "синяя лента";

весы лабораторные общего назначения ГОСТ 24104 с пределом взвешивания не более 1000 г и погрешностью взвешивания ± 0,03 г;

анализатор влажности

горка сушильная с регулируемой температурой 80 С ± 2 С;

стакан мерный вместимостью 250-300 см3 ГОСТ 25336;

кислота серная ГОСТ 4204, 0,1 н раствор;

вода дистиллированная ГОСТ 6709.

Выполнение анализа

Из отобранной пробы целлюлозы изготавливают не менее двух отливок минимальной массой 1 м2 200 г.