Материал: Вариант№20_(2020)

Внимание! Если размещение файла нарушает Ваши авторские права, то обязательно сообщите нам

Федеральное государственное образовательное бюджетное

учреждение высшего профессионального образования

«Санкт-Петербургский государственный университет

телекоммуникаций им. проф. М. А. Бонч-Бруевича»

__________________________________________________________

Факультет многоканальных телекоммуникационных систем

Кафедра

теоретических основ связи и радиотехники

КУРСОВАЯ РАБОТА

учебная дисциплина «Общая теория связи»

Тема: «Расчёт основных характеристик цифровой системы связи

с использованием квадратурной модуляции»

Выполнил студент II курса группы

.,

номер зачётной книжки ,

номер выполненного варианта 20,

Проверил руководитель

доцент кафедры ТОС и Р,

Щербатый П.Е.,

Оценка __________(подпись)

Оглавлени

1. Введение 3

3.1. Источник сообщения 5

3.2. Аналого-цифровой преобразователь 9

3.3. Кодер 12

3.4. Формирователь модулирующих сигналов 14

3.5. Модулятор 19

3.5.1. Сглаживающий формирующий фильтр 19

3.5.2. Блоки перемножителей, инвертор, сумматор 23

3.6. Непрерывный канал 25

3.8. Декодер 28

Вывод 31

Список литературы 32

1. Введение 3

2. Исходные данные 5

3.1. Источник сообщения 5

3.2. Аналого-цифровой преобразователь 9

3.3. Кодер 12

3.4. Формирователь модулирующих сигналов 14

3.5. Модулятор 18

3.5.1. Сглаживающий формирующий фильтр 18

3.5.2. Блоки перемножителей, инвертор, сумматор 22

3.6. Непрерывный канал 24

3.7. Демодулятор 24

3.8. Декодер 27

Вывод 30

Список литературы 31

1. Введение

Цель курсовой работы – изучить принципы работы системы цифровой связи и рассчитать основные характеристики входящих в неё функциональных узлов.

Задача – изучить и разработать систему цифровой связи, оптимальную в отношении флуктуационной помехи и исключающую появление межсимвольной помехи.

Требуется:

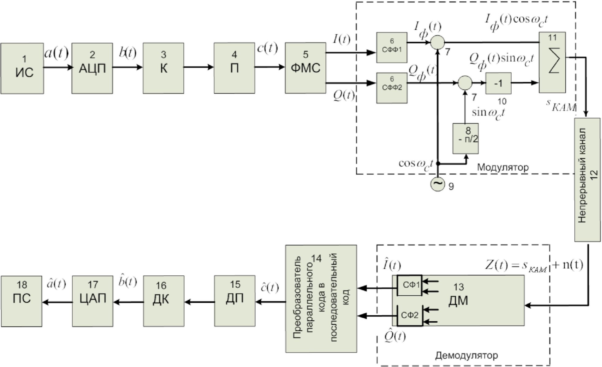
  1. Изобразить структурную схему системы цифровой связи, включив блоки сглаживающих формирующих фильтров СФФ1 и СФФ2 в передающем устройстве и согласованных фильтров СФ1 и СФ2 в приёмном устройстве.

  2. Пояснить назначение всех функциональных узлов системы цифровой связи.

  3. Рассчитать основные характеристики системы передачи цифровой информации.

Рис. 1: Структурная схема системы цифровой связи

Функциональные узлы, входящие в систему цифровой связи:

  1. – источник сообщений (ИС) создаёт реализации a(t) случайного процесса A(t);

  2. – аналого-цифровой преобразователь (АЦП) преобразует аналоговый сигнал от источника сообщения в последовательность его двоичных цифровых отсчётов;

  3. – кодер (К) включает в цифровой поток от АЦП дополнительные символы, предназначенные для повышения помехоустойчивости системы связи;

  4. – перемежитель

  5. – формирователь модулирующих сигналов (ФМС) служит для получения модулирующих сигналов I(t) и Q(t), соответствующих заданному виду модуляции;

  6. – согласованные формирующие фильтры для формирования импульсов Найквиста g3(t)

из прямоугольных импульсов g2(t)

  1. – перемножающие устройства

  2. – фазовращатель на угол модулятора – для получения второго несущего колебания, ортогонального по отношению к первому;

  3. – генератор гармонических колебаний – для получения несущего колебания; 10 – инвертор для получения инвертированного колебания

  1. – сумматор модулятора – для объединения синфазного и квадратурного сигналов в единый сигнал с квадратурной модуляцией SКФМ(t) = I(t) cos ωct + Q(t) sin ωct;

  2. – непрерывный канал – среда распространения сигнала SКФМ(t);

  3. – демодулятор – для анализа приходящего сигнала, искажённого помехами, и принятия решения о переданном сообщении;

  4. – преобразователь параллельного кода в последовательный код – для преобразования сигнала с выхода демодулятора в последовательный формат кодовых комбинаций;

  5. – деперемежитель

  6. – декодер (ДК) – для исправления части ошибок, возникших при приёме сообщений вследствие влияния помех;

  7. – цифро-аналоговый преобразователь (ЦАП) – для восстановления аналоговой формы сигнала по принятым его цифровым отсчетам;

  8. – получатель сообщений (ПС).

2. Исходные данные

Параметр

Данные по варианту

Предельные уровни аналогового сигнала

aмин , aмакс , (В)

aмин = -2.4В

aмакс = 3.3В

Верхняя частота спектра аналогового

сигнала fв

fв = 5100 Гц

Заданный уровень квантования

j = 444

Шаг квантования ∆a, мВ

11.4

Спектральная плотность мощности

флуктуационной помехи

В2

N0 = 2 · 107 Гц

q - номер тактового интервала ошибки

q = 9

Вид модуляции

КФМ-4

Кодирование и декодирование – сверточное.

3.1. Источник сообщения

Источник сообщения (ИС) вырабатывает реализации a(t) стационарного случайного процесса A(t) типа квазибелого шума с параметрами amin, amax и fB. Мгновенные значения сообщения равновероятны в интервале от значения aмин до значения aмакс.

Требуется:

      1. Написать аналитические выражения для плотности вероятности w(a) мгновенных значений сообщения, функции распределения F (a) и построить их графики.

Графики w(a) и F(a) представлены на Рис. 2

Рис. 2: Графики w(a), F (a)

2. Рассчитать математическое ожидание M[A(t)] и дисперсию D[A(t)] сообщения A(t).

3. Написать аналитическое выражение для спектральной плотности мощности GA(f )

сообщения A(t) и построить график

График функции GA(f ) представлен на рис. 3.

Рис. 3: График функции GA(f )

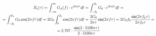
      1. Найти аналитическое выражения для корреляционной функции BA(τ ) сообщения A(t) и построить график. По форме графика BA(τ ) определить, является ли сообщение A(t) эргодическим случайным процессом или не является таковым.

График функции BA(τ ) указан на Рис. 4

Рис. 4: График функции Ba(τ )

Форма графика корреляционной функции соответствует эргодическому случайному процессу.

3.2. Аналого-цифровой преобразователь

Аналого-цифровой преобразователь (АЦП) преобразует реализации аналогового (непрерывного) сообщения A(t) в цифровую форму – поток двоичных символов нулей и единиц, т. е. в последовательность прямоугольных импульсов, где «0» имеет нулевое напряжение, а «1» прямоугольный импульс положительной полярности. Амплитуда импу- льсов U равна 1В.

Преобразование аналогового сигнала в цифровую форму осуществляется в три

этапа.

На первом этапе производится дискретизация реализации a(t) сообщения A(t) по

времени. В моменты времени ti берутся непрерывные по уровню отсчёты a(ti) мгновенных значений реализации a(t). Расстояние между отсчётами равно интервалу ∆t, величина которого определяется в соответствии с теоремой Котельникова.

На втором этапе выполняется квантование точных отсчётов a(ti) по уровню. Для

этого интервал ∆a равный разности ∆a = amax −amin разбивается на уровни квантования с постоянным шагом ∆a = 0.0114 B. Уровни квантования нумеруются целыми числами 0, 1, 2, 3 . . . L−1. Нумерация уровней начинается с уровня, которому соответствует значение amin, и заканчивается на уровне, которому соответствует значение amax. Обычно величина шага квантования ∆t выбирается так, чтобы число уровней квантования L можно предста- вить в виде L = 2k, где k целое число.

Каждый аналоговый отсчёт a(ti) заменяется значением ближайшего к нему уровня квантования j в виде целого числа, удовлетворяющего неравенству . Получаем квантованный отсчёт j10(ti) в виде целого числа в десятичной форме счисления.

На третьем этапе число j10(ti) в десятичной форме переводится в двоичную форму счисления j2(ti) в виде последовательности двоичных символов и на выходе АЦП появляется сигнал в виде двоичной цифровой последовательности k информационных символов.

Требуется:

1. Рассчитать интервал дискретизации ∆t для получения непрерывных отсчетов

a(ti) реализации a(t), ti = i · t, i = 0, ±1, ±2, ±3

2. Рассчитать частоту дискретизации Fd

Fd = 2 · fв = 2 · 5100 = 10200 Гц.

3. Определить число уровней квантования L

В соответствии с вариантом, заданный уровень квантования равен 444. Шаг квантования

a, в свою очередь, равен 0.0114.

4. Рассчитать мощность шума квантования Pшк и сравнить её с мощностью непрерывного сообщения A(t), Pшк. Найдем мощность шума квантования Pшк.

5. Найти минимальное число k двоичных разрядов, требуемое для записи в двоичной форме любого номера j из L–1 номеров уровней квантования.

2

L = 2k, k ≥ log L, где k - разрядность АЦП

k = log2 512 = 9

6. Записать k-разрядное двоичное число, соответствующее заданному уровню квантования

j.

Число 444 в двоичной системе счисления записывается как 110111100.

7.Начертить временную диаграмму отклика АЦП bАЦП(t) на заданный уровень квантования в виде последовательности импульсов.

На рисунке приведена временная осциллограмма интерфейса Centronics при T = Δt/9 = 1.09 ∙ 10-5. T берется таким из-за того, что длина отклика не должна превышать частоту дискретизации.

3.3. Кодер

Используется помехоустойчивый сверточный код.

Требуется:

1. Задать параметры сверточного кодера: степень кодирования k/n = 1/2 длину кодового ограничения K = 3 векторы; векторы связи g1 = 111, g2 =

= 101.

Схема кодера указана на Рис. 6, используются следующие параметры свёрточного

кода:

- степень кодирования k/n = 1/2,

- длина кодового ограничения K = 3,

- векторы связи и .

1-й(нечетный) кодированный бит

Информационный входной бит

Выходной кодированный дибит

2-й(четный) кодированный бит

Рис. 6: Схема кодера

2. По решетчатой диаграмме сверточного кодера определить последовательность кодовых символов (КС) uˆ на выходе кодера при условии ,когда на вход кодера поступает 9- разрядная двоичная последовательность информационных символов (ИС) mˆ ,соответствующая заданному уровню квантования j

По решетчатой диаграмме сверточного кодера определим последовательность кодовых символов (КС) u на выходе кодера при условии m = 110111100

Информационные символы m

1

1

0

1

1

1

1

0

0

Кодовые символы (КС) u

11

01

01

00

01

10

10

01

11

3. На решетчатой диаграмме кодера отметить путь, соответствующий полученным КС.

Рис. 7: Решетчатая диаграмма кодера

3.4. Формирователь модулирующих сигналов

Формирователь модулирующих сигналов (ФМС)предназначен для преобразования двоичного цифрового потока от кодера C(t) в модулирующие сигналы I(t) и Q(t), которые необходимо подавать на синфазный и квадратурный входы модулятора для получения заданного сигнального созвездия на его выходе.

Tb = = 5.447 ∙ 10-6 (с)