Материал: Устройство и ремонт фильтра грубой очистки

Внимание! Если размещение файла нарушает Ваши авторские права, то обязательно сообщите нам

Устройство и ремонт фильтра грубой очистки

Содержание

 

Введение

1. Характеристика систем тепловоза 2ТЭ10М

1.1 Масляная система тепловоза 2ТЭ10М

1.2 Топливная система тепловоза 2ТЭ10М

2. Устройство и ремонт фильтра грубой очистки

2.1 Назначение, устройство и принцип действия фильтра грубой очистки масла

2.2 Назначение, устройство и принцип действия фильтра грубой очистки топлива

2.3 Ремонт фильтра грубой очистки

3. Охрана труда

Заключение

Список использованной литературы

Введение

Масло, топливо, воздух, без которых работа дизелей невозможна, обычно содержат посторонние твердые частицы, размер которых не превышает 10-20 мкм (пыль). Твердые частицы представляют большую угрозу для трущихся деталей. Особенно опасны "остроконечные" частички кварца, так как они тверже даже стали. Если не принять специальных мер, то эти частицы, попав внутрь цилиндров дизеля, топливных насосов и других узлов, имеющих трущиеся детали, проникнут в самые маленькие зазоры между ними и, вклинившись в поверхности трения, металл которых более мягок, исцарапают их. Это вызовет быстрый износ, сопровождающийся увеличением первоначального зазора между трущимися поверхностями и искажением их геометрической формы. Например, искажение геометрической формы уплотнительного кольца может вызвать утечку воздуха при такте сжатия в цилиндре, что ухудшит условия воспламенения топлива при впрыске. При больших зазорах увеличивается утечка масла и ухудшаются условия смазки трущихся деталей. Отрицательно сказывается на техническом состоянии дизеля увеличение зазора между поршнем и цилиндровой втулкой, в подшипниках валов, между плунжером топливного насоса и его втулкой.

Кроме того, по мере работы в дизеле масло засоряется частицами металла, образующимися в результате истирания сопряженных деталей, отвердевшими частицами сгоревшего топлива, продуктами разложения масел и т.п. Будучи загрязненным, масло, предназначенное для уменьшения износа, само начинает ускорять износ смазываемых им трущихся деталей, поэтому очень важно вовремя улавливать и отделять от масла посторонние частицы.

Для борьбы с загрязнением топлива, масла и воздуха тепловозные дизели снабжаются специальными устройствами: топливными и масляными фильтрами, воздухоочистителями и др.

Цель письменной экзаменационной работы, ознакомится с устройством и ремонтом фильтра грубой очистки.

Предметом исследования моей работы является:

. Устройство фильтра грубой очистки;

. Ремонт фильтра грубой очистки.

Для реализации выше указанных целей мною поставлены следующие задачи:

. Дать характеристику масляной, топливной системам тепловоза 2ТЭ10М, а именно:

назначение масляной, топливной системы;

составные элементы масляной, топливной системы;

принцип работы масляной, топливной системы;

. Рассмотреть, назначение, устройство и принцип действия фильтра грубой очистки масла и топлива;

. Рассмотреть ремонт фильтра грубой очистки;

. Рассмотреть охрану труда.

Актуальность выбранной темы заключается в том что, фильтр грубой очистки имеет важную роль в устройстве масляной и топливной системам тепловоза 2ТЭ10М конечно же, если есть фильтр, то мы должны знать его устройство, все правила и основные действия по его ремонту.

При написании письменной экзаменационной работы мною использовались следующие методы исследования - сбор информации, обобщение, сравнение, личное наблюдение во время практики.

1. Характеристика систем тепловоза 2ТЭ10М


1.1 Масляная система тепловоза 2ТЭ10М


Масляная система тепловоза предназначена для непрерывной подачи масла к трущимся деталям дизеля, для поддержания жидкостного трения, отвода тепла и промывки трущихся поверхностей, а также непрерывного фильтрования масла, чтобы обеспечить срок его службы.

Система смазки циркуляционная, комбинированная. Наиболее нагруженные детали дизеля смазываются под давлением, остальные - разбрызгиванием. Кроме того, от этой системы смазываются установленные на тепловозе передний, задний распределительные редукторы и гидромеханический редуктор привода вентилятора холодильной камеры, а также подводится масло к серводвигателю автоматического привода гидромуфты. Масло охлаждается в водомасляном теплообменнике водой системы охлаждения масла и наддувочного воздуха.

Быстрое и возможно полное удаление всех нежелательных примесей - частичек пыли, продуктов металла и продуктов окисления - позволяет резко снизить абразивный износ деталей дизеля и вспомогательных механизмов тепловоза и значительно замедлить процесс старения масла.

В системе применены фильтры грубой и тонкой очистки масла, а также центробежный фильтр. Фильтр грубой очистки включен последовательно в систему и обеспечивает фильтрацию почти всего подаваемого насосом дизеля масла с тонкостью отсева 0,1 мм. Фильтр тонкой очистки включен параллельно в систему смазки, через него циркулирует до 4% масла с отделением взвешенных в масле частиц размером до 20-30 мкм. Параллельно в системе смазки включен также центробежный фильтр, в котором дополнительно очищается до 4% масла.

Для гидрореактивного привода ротора центробежного фильтра служит масляный насос с подачей 10 м3/ч при давлении 0,8-1,04 МПа, установленный на заднем распределительном редукторе тепловоза. Чтобы предотвратить повышенный износ и задиры деталей, а также уменьшить затрачиваемую мощность на трогание, раскрутку коленчатого вала и пуск дизеля, необходимо перед пуском все трущиеся поверхности обильно смазать. Это обеспечивается установкой в системе шестеренного маслопрокачивающего насоса с подачей 12 м3/ч с электроприводом.

Пуск дизеля без предварительной прокачки маслом исключен благодаря включенной в схему управления тепловозом электроблокировке, не позволяющей пустить дизель до тех пор, пока маслопрокачивающий агрегат не прокачает его маслом в течение 90 с. Давление масла в различных точках системы контролируется по показаниям манометров, установленных на пультах управления и в дизельном помещении.

В процессе эксплуатации тепловоза возможны случаи снижения давления масла ниже допустимого или чрезмерного повышения температуры масла из-за неисправностей масляного насоса или автоматики холодильника, разрыва гибких соединений трубопроводов, повышенного зазора во вкладышах коленчатого вала и др. Возможность аварии в этих ситуациях исключена оборудованием системы смазывания реле давления и температуры масла.

От недопустимого снижения давления масла дизель защищен двумя реле, установленными на левой стороне его блока. Одно реле снимает нагрузку с генератора, если давление масла в верхнем коллекторе упадет ниже 0,1-0,11 МПа. При снижении давления масла в верхнем коллекторе ниже 0,05-0,06 МПа второе реле останавливает дизель. Реле температуры масла снимает нагрузку с генератора по достижении температуры масла 86-87°С. Это реле размещено в одном корпусе с реле температуры воды дизеля и установлено на правой стенке кузова тепловоза. Регулирование давления масла, поступающего на смазку вспомогательных механизмов тепловоза, обеспечивается дросселями, перепускными и редукционными клапанами.

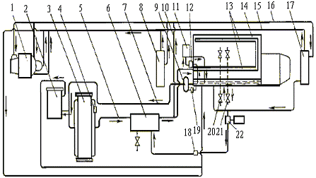
Рис. 2.1 Схема масляной системы тепловоза 2ТЭ10Л:

- гидромуфта переменного наполнения и угловой редуктор вентилятора холодильника; 2 - фильтр тонкой очистки масла; 3 - водомасляный теплообменник; 4 - байпасный клапан; 5 - трубопровод охлаждённого масла главного контура; 6 - фильтр грубой очистки масла; 7 - трубопровод горячего масла главного контура; 8 - задний редуктор; 9 - главный масляный насос; 10 - трубопровод для питания трубопровода 16; 11 - центрифуга; 12 - масляный насос центрифуги; 13 - верхний и нижний маслораздаточные коллекторы дизеля; 14 - дизель 10Д100; 15 - дренажный трубопровод для слива масла в картер дизеля; 16 - трубопровод подачи масла к редукторам и гидромуфте переменного наполнения; 17 - передний редуктор; 18 - обратный клапан; 19 - предохранительный клапан; 20 и 21 - трубопроводы для набора масла в картер и слива его из картера; 22 - прокачивающий насос

В зависимости от назначения систему можно условно разделить на пять взаимосвязанных контуров: главный контур (контур смазки дизеля); контур смазки вспомогательных механизмов тепловоза; контур фильтра тонкой очистки; контур центробежного фильтра и контур маслопрокачивающего агрегата.

Главный контур. Масло из картера дизеля нагнетается шестеренным насосом в теплообменник. Охлажденное масло поступает в фильтр грубой очистки, очищается от примесей и нагнетается в нижний и верхний масляные коллекторы дизеля. Смазав все трущиеся поверхности дизеля, масло сливается обратно в картер. Для контроля работы главного контура установлены приборы на пультах управления в кабинах машиниста обеих секций тепловоза и на щите, приборов в дизельном помещении

Давление масла после насоса измеряется по манометру и должно находиться в пределах 0,35-0,6 МПа при частоте вращения 850 об/мин вала дизеля. Давление масла в конце верхнего масляного коллектора дизеля контролируется по электроманометрам, установленным на пультах управления обеих секций тепловоза, и должно быть не менее 0,2 МПа при частоте вращения 850 об/мин и 0,07 МПа при 400 об/мин вала дизеля.

Работа фильтра грубой очистки контролируется манометрами и, показывающими давление масла до и после фильтра Разность их показаний 0,1 МПа. Повышенный перепад давлений указывает на засоренность фильтра.

Температура масла на выходе из дизеля измеряется по электротермометрам, установленным на пультах управления обеих секций тепловоза. Температура масла должна быть 60-80°С, максимально допустимая при высоких температурах наружного воздуха - не более 86°С. Для измерения температуры масла после теплообменника установлен капиллярный термометр, показания которого должны находиться в пределах 55-75°С. Загрязненность фильтров турбокомпрессоров оценивается по показаниям манометров. Давление масла после фильтров не менее 0,25 МПа при частоте вращения 850 об/мин.

На тепловозах ЗТЭ10М на пульте управления каждой крайней секции установлены электроманометры и электротермометры для контроля работы главных контуров всех трех секций, а на пульте средней секции - только собственной масляной системы.

Контур смазки вспомогательных механизмов тепловоза. Часть масла, очищенного в фильтре грубой очистки, через предохранительный клапан поступает к вспомогательным механизмам тепловоза.

К переднему и заднему распределительным редукторам и угловому редуктору гидропривода масло поступает через редукционные клапаны. Вентили предназначены для отключения подачи масла к редукторам при разборке их или демонтаже. Из переднего и заднего распределительных редукторов масло откачивается установленными на них откачивающими насосами в картер дизеля.

Масло к гидромуфте привода вентилятора холодильной камеры поступает через запорный клапан. При отказе в работе запорного клапана гидромуфта заполняется маслом через открытый вентиль и дроссель с диаметром отверстия 5 мм, поддерживающий требуемое давление. От гидропривода масло отводится по общей сливной трубе в картер дизеля.

К сердцу двигателя масло поступает от контура центробежного фильтра и отводится в общую сливную трубу. Давление масла в контуре смазки вспомогательных механизмов тепловоза контролируется по манометрам.

Контур фильтра тонкой очистки. Часть неохлажденного масла подводится к фильтру тонкой очистки через дроссель с проходным отверстием диаметром 10 мм, что позволяет поддерживать давление масла в фильтре в пределах 0,1-0,22 МПа при частоте вращения 850 об/мин вала дизеля. Отфильтрованное масло сливается в картер дизеля.

Контур центробежного фильтра. Установленный на заднем распределительном редукторе шестеренный насос нагнетает масло из картера дизеля на центробежный фильтр. Очищенное масло сливается в картер дизеля. Перепускной клапан поддерживает давление масла на фильтр в пределах 0,8-1,04 МПа, контролируемое по манометру. Избыточное масло сбрасывается клапаном в трубопровод главного контура.

Контур маслопрокачивающего агрегата. Масло забирается из картера дизеля маслопрокачивающим агрегатом, проходит фильтрацию в фильтре грубой очистки и нагнетается на смазку дизеля. Невозвратный клапан отключает контур при работающем масляном насосе дизеля.

При прокачке дизеля маслом после продолжительной стоянки или разборки системы необходимо открыть краник для выпуска воздуха из системы. После появления масляной струи без пузырьков воздуха краник закрывают. Пробу масла для анализа отбирают через краник, установленный на фильтре грубой очистки.

Заправка масла в картер производится при открытых вентилях или от стационарной установки или через заправочную горловину от заправщика.

Масло из картера сливается через открытые вентили. После слива масла из картера необходимо открыть вентили для слива масла из узлов и трубопроводов системы. Масло, скапливающееся при работе дизеля в воздухоочистителях, сливается через вентили.

Особенности масляной системы

. Большая часть масляной системы располагается на дизеле. Вне его - только полнопоточный фильтр (ФГОМ).

. В главном контуре располагается два масляных насоса, частота оборотов первого на 3 % больше второго.

. Работа масляной системы протекает по следующей схеме: картер двигателя внутреннего сгорания (ДВС) >масляный насос (МН1) >ФТОМ> водомасляный теплообменник (ВМТ) >МН2> далее масло разделяется на два потока: один подает масло к трущимся деталям дизеля.

- автоматический привод; 2 - вентили; 3 - дроссели; 4 - фильтр тонкой очистки; 5 - пробка для выпуска воздуха; 6 - редукционный клапан; 7 - фильтр грубой очистки; 8 - разгрузочный клапан; 9 - масляный насос центробежного фильтра; 10 - задний распределительный редуктор; 11 - масляный насос дизеля; 12 - центробежный насос; 13 - заправочная труба; 14 - сливная труба; 15 - манометр давления масла в редукторе; 16 - передний распределительный редуктор; 17 - маслопрокачивающий насос; 18 - электроманометр температуры масла на выходе из дизеля; 19 - электроманометр давления масла в верхнем коллекторе дизеля ведущей секции; 20 - электроманометр давления масла в верхнем коллекторе дизеля ведомой секции; 21 - пульт приборов в кабине; 22 - дизель-генератор; 23 - невозвратный клапан; 24 - электроманометр давления масла в верхнем коллекторе дизеля ведущей секции; 25 - термореле; 26 - приборный щит; 27 - манометр давления масла в заднем распределительном редукторе; 31 - манометр давления масла до фильтра тонкой очистки; 32 - манометр давления масла перед гидромуфтой; 33 - манометр давления масла до фильтра грубой очистки; 34 - манометр давления масла после фильтра грубой очистки; 35 - термометр температуры масла после теплообменника; 36 - теплообменник; 37 - вентиль для выпуска воздуха и отбора пробы масла; 38 - гидропривод вентилятора.

А другой (5 %) - к двум центробежным фильтрам. Между двумя насосами расположены два клапана: один - невозвратный, служит для всасывания масла МН2 из картера, при недостаточном поступлении масла к нему; второй - предохранительный, предназначен для отвода масла в картер при давлении перед МН2 более 0,08-0,12 МПа.

. Основной деталью ФГОМ является штора-НАРВА-6-4, которая имеет складки в двух перпендикулярных направлениях, что обеспечивает в элементе с диаметром 150 мм и высотой 365 мм фильтрующей поверхности площадью 2,4-4,1 м2. Элемент задерживает частицы размером 40-50 мкм и выдерживает перепад давлений в 0,25 МПа.