Материал: ТКП-самостоятельная

Внимание! Если размещение файла нарушает Ваши авторские права, то обязательно сообщите нам

Задание № 27 Кондуктор универсальный для сверления отверстий в осях

Выполнить сборочный чертеж кондуктора по рабочим чертежам деталей и описанию устройства. Кондуктор изобразить на чертеже в трех видах. На главном виде корпус 1 показать в том положении, в каком он дан на главном виде чертежа детали. Масштаб сборочного чертежа 2:1. Приступая к выполнению сборочного чертежа, 2:1 ознакомьтесь с конструкцией каждой детали и всеми обозначениями на рабочих чертежах.

Прим еч ани е. Чертежи деталей4, 6, 11, 13, 19, 21, 22, 26 неданы. Дет.6 и13 —штифты,

ГОСТ 3128—70; дет. 4 — винт М6, ГОСТ 17475—72; дет. 11 — болт М8, ГОСТ 7798—70; дет. 19 — гайка М12, ГОСТ 5915—70;дет. 21 — шайба, ГОСТ 11371—68*;дет. 22 — винт М5, ГОСТ 1491—72;

дет. 26 — винт М5, ГОСТ 17473—72. Перечисленные детали надо найти по номеру ГОСТа в технических справочниках. Недостающие размеры и материал стандартных деталей выбрать из таблиц ГОСТовс учетомназначениядеталейвсборочнойединице.

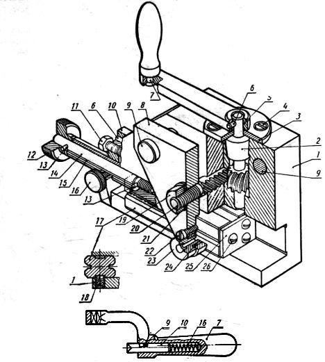
Устройство и работа кондуктора. Кондуктор служит для сверления в осях отверстий (рис. 1). Он состоит из отдельных узлов: узел плиты 8; узел валашестерни 2; узел призмы 17. Кондуктор собирают в следующем порядке.

Сначала собирают узел плиты 8. В отверстие Ø14А плиты запрессовывают втулку 24; в отверстия Ø16Л забивают сверху до упора колонки 9; в отверстие Ø13А снизу вставляют до упора рейку 20, повернув ее зубьями назад. На выступающий конец рейки с резьбой Ml2 надевают шайбу 21 и закрепляют рейку

в таком положении гайкой 19. Во втулку 24 вставляют втулку 23 и закрепляют ее винтом 22, головка которого должна входить в выемку втулки. Плиту 8 в сборе опускают в корпус 1 так, чтобы колонки 9 и рейка 2 вошли в три отверстия Ø15А корпуса.

Затем собирают узел вала-шестерни 2. В отверстие Ø8А рычага 5 со стороны, противоположной фаске 1,5X45°, забивают конец Ø 8Г ручки 7 и развальцовывают его. На Ø10С3 вала-шестерни 2 надевают фланец 3 (фаской наружу и срезанной частью кверху), а затем гладкой стороной рычаг 5 и закрепляют его на валу 2 штифтом 6. Вал-шестерню в сборе вставляют конусом до упора в коническое отверстие корпуса 1. Зубья шестерни при этом входят в зацепление с зубьями рейки. Фланец 5 крепят к корпусу винтами 4.

Затем собирают узел призмы 17. К торцу призмы, имеющему три отверстия М5, крепят упор 25 винтами 26. В отверстие Ø3А на проточке шпильки 14 забивают штифт 13. На шпильку 14 надевают срезом кверху втулку 15 до упора в штифт 13. На втулку 15 надевают бобышку 10 и закрепляют ее винтом 16. На выступающий из втулки конец шпильки 14 надевают кнопку 12 и закрепляют ее штифтом 13. Шпильку ввертывают в отверстие М10 X 0,5 призмы 17. Затем призму вставляют в продольную прорезь 30А корпуса; при этом вверх может быть обращен тот (больший или меньший) паз призмы, в котором удобнее крепить ось данного диаметра D (рис. 1). Бобышку 10 крепят к корпусу 1 болтами 11 и штифтами 6.

Кондуктор подготавливают к работе следующим образом. Ослабив винт 16, перемещают весь узел призмы вдоль прорези корпуса нажимом на кнопку 12, пока расстояние между упором 25 и осью втулки 23 не станет приблизительно равно 1 (рис. 1). Затем винтом 16 фиксируют положение втулки 15 и вращением кнопки 12 (при этом призма перемещается по резьбе шпильки 14) точно доводят расстояние /. В этом положении призму закрепляют в корпусе винтами 18. Установив ось (обрабатываемую деталь) на призме до упора в деталь 25, зажимают ее (рис. 2) между плитой 8 и пазом призмы, вращая ручку 7. Затем через втулку 23 сверлят отверстие d в оси.

В данном случае d = 3 мм, но через сменные втулки можно сверлить отверстия различных диаметров; перемещением призмы относительно втулки можно изменять в широких пределах расстояние 1; два паза призмы разных размеров позволяют надежно укреплять в кондукторе оси различных диаметров D. Поэтому кондуктор является универсальным.