Материал: ТКП-самостоятельная

Внимание! Если размещение файла нарушает Ваши авторские права, то обязательно сообщите нам

Задание №10

Редуктор давления воздуха

Выполнить сборочный чертеж редуктора по рабочим чертежам деталей

иописанию устройства. Масштаб сборочного чертежа 2,5:1.

Пр и м е ч а н и е. Чертеж дет. 11 (винт, ГОСТ 17473—72) не дан; размеры и материал винта надо выбрать по справочнику.

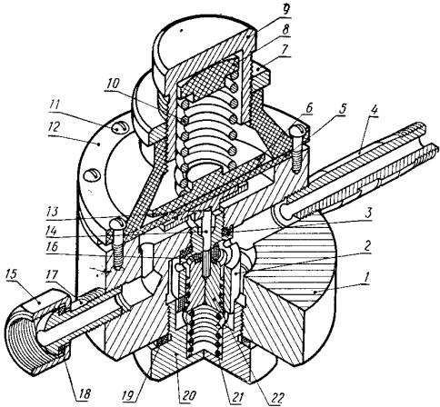
Устройство и работа редуктора. Редуктор предназначен для снижения давления сжатого воздуха и поддержания постоянства этого давления; Собирают редуктор в следующем порядке.

В отверстие M12 корпуса 1 со стороны отверстия М26 ввертывают до упора направляющую втулку 2. Предварительно на конец втулки с резьбой M12 надевают прокладку 3. Шток 14 золотника накатанным концом вбивают на всю глубину в отверстие золотника 22; затем на шток надевают прокладку 16 из вулканизированной резины так, чтобы она вошла в расточку золотника Ø9. После этого кромки золотника завальцовывают. Золотник 22 штоком вводят в отверстие Ø3 направляющей втулки 2 со стороны отверстия Ø12А3. Затем в отверстие М26 корпуса вставляют пружину 21 и ввертывают до упора пробку 20 с надетой на нее прокладкой 19. На шток 14 золотника со стороны отверстия Ø 48 корпуса надевают упорную шайбу 13; на нее последовательно накладывают резиновую мембрану 5 и гладкой стороной к мембране тарелку б. После этого к корпусу крепят крышку 12 винтами 11. В отверстие крышки вставляют пружину 10 так, чтобы выступ тарелки входил в пружину. С другого конца в пружину вставляют

выступом седло 5, после чего в крышку ввертывают головку 9 редуктора. Самоотвинчивание головки предотвращается контргайкой 7. Подводный штуцер 4 ввертывают в отверстие корпуса Труб. кл. 2, которое сообщается с цилиндрической полостью Ø 25. Другой конец штуцера служит для соединения с трубкой, подводящей воздух к редуктору. В отверстие корпуса с резьбой Труб. 1/8” кл. 2, сообщающееся с цилиндрической полостью Ø46, ввертывают выходной штуцер 17, на который предварительно надевают гайку 15 со вставленной в ее проточку прокладкой 18. Эту гайку навертывают на отводную трубку.

Рассмотрим принцип работы редуктора. Воздух из подводного штуцера 4 поступает в нижнюю камеру корпуса 1 и дальше направляется к отверстию Ø3 втулки 2, которое под действием пружины 21 перекрывается вкладышем 16 золотника. Воздух может проникнуть к выходному штуцеру 17 лишь при отводе золотника 22 вниз. Золотник отводится вниз головкой 9 редуктора. При вращении головки, завинченной в крышку 12, пружина 10 давит на мембрану 5 и прогибает ее вниз. При этом мембрана давит на шайбу 13, отжимая золотник с вкладышем, и открывает отверстие Ø3 втулки 2. Величина давления, поддерживаемая редуктором, зависит от степени открытия отверстия Ø3, которая устанавливается головкой 9 редуктора. Понижение давления подводимого воздуха вызывает прогибание мембраны вниз под действием пружины 10 и, следовательно, дополнительный впуск воздуха, который доводит давление в отводном штуцере до прежней величины. Увеличение давления воздуха вызывает прогиб мембраны вверх, что позволяет пружине 21 уменьшить открытие отверстия Ø3, т. е. уменьшить количество и давление поступающего воздуха.