Материал: Типовые задачи расчета цепей, содержащих электронные элементы

Внимание! Если размещение файла нарушает Ваши авторские права, то обязательно сообщите нам

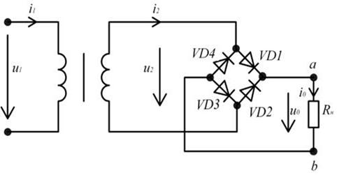
Тогда действующее значение тока нагрузки равно:

мA.

Коэффициент трансформации равен:

, А.

Промежуточный ток через диод равен:

А.


Обратное напряжение на диоде:

В.

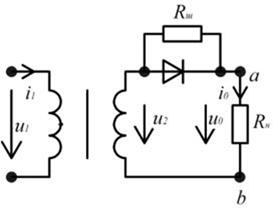
Фильтр



Среднее значение выпрямленного напряжения равно:

.

Следовательно, действующее значение напряжения на нагрузке равно:

В.

Действующее значение тока нагрузки равно:

.

Среднее значение тока нагрузки равно:

.

Тогда действующее значение тока нагрузки равно:

мA.

Коэффициент трансформации равен:

, мА.

Промежуточный ток через диод равен: А.

Обратное напряжение на диоде:

В.

Ф.

Среднее значения напряжения на нагрузке равно:


Из полученного выражения следует, что

В.


Аналогично для тока

А.

Определим :

Ом;

;

Ом.

Определяем действующее значение переменного тока :

;

А.


 и  получаем В.

Определим параметры трансформатора:

Коэффициент трансформации:

, А..

Мощность трансформатора: Вт

Задача 5. Определение h-параметров транзистора типа ГТ322

Любой транзистор можно представить как активный четырехполюсник. Для описания четырехполюсника при малых амплитудах сигнала и при расчете и анализе соответстующих устройств используется так называемые малосигнальные параметры. Малосигнальные параметры являются дифференциальными параметрами. Наиболее употребительна система h-параметров.

Обычно в качестве независимых переменных принимают приращение входного тока  и выходного напряжения , тогда зависимые переменные  и можно найти как


Эти уравнения соответствуют схеме замещения транзистора:

- параметры транзистора легко могут быть определены опытным путем из опытов холостого хода и короткого замыкания.

 

- коэффициент передачи тока при ;


выходная проводимость при .

Конкретные значения h зависят от схемы включения транзистора и режима работы. Они могут быть определены по статическим характеристикам или схемам замещения.

Найдем параметры транзистора марки ГТ322 включенном по схеме ОБ.

Дано: входные и выходные характеристики ОБ.


Система уравнений h-параметров с общим эмиттером:


Решение:

1.      Определяем рабочую точку А:

,


.        На входной характеристике указана точка А для того же режима, что и на выходных характеристиках. Проводим к точке А касательную и по приращениям между  и  при постоянном напряжении , находим


.        Если рассматривать  как ,  как , а  как , то  есть коэффициент обратной связи по напряжению, обусловленной эффектом модуляции толщины базы:


Задав , определим значения  для входных характеристик, построенных при (в точке D) и при (в точке А). Получаем

.        На выходной характеристике указана точка рабочая точка А, проводим к ней касательную и по приращениям между  и точками E и F при постоянном токе , находим




5.      Из выходных характеристик по заданным приращениям и между точками G и H при постоянном напряжении  находим


Ответ:,,,

Задача 6. Определение h-параметров по физическим параметрам

Рисунок. Схема замещения транзистора в физических параметрах.

Рисунок. Схема замещения транзистора в h - параметрах.




короткое замыкание коллектор-эмиттер.

Схема в физических параметрах примет следующий вид:

Рисунок. Короткое замыкание коллектор-эмиттер на схеме в физических параметрах.

Учтя, преобразования имеем:

;

;

;

;

.

;

;

;

.

;

;

;

;

.

;

;

;

.

транзистор диод стабилитрон напряжение

 ;.

Заключение

В данной курсовой работе были рассмотрены типовые задачи расчета цепей содержащих электронные элементы, изученных в курсе «Физические основы электроники»: были рассчитаны базовые схемы и параметры транзистора, выявлены особенности работы диода и стабилитрона.

Сопоставляя результаты, полученные в данной курсовой работе с введением, представленным выше, можно прийти к выводу, что все задания выполнены: в первом задании рассчитан диод, параметры цепи с диодом. Во втором - произведен расчет стабилитрона и построены графики его характеристик. В третьем задании определены параметры выпрямителей. В четвертом: найдено положение рабочей точки и рассчитаны параметры транзистора в этой точке. В пятом задании выведены h-параметры транзистора. В шестом был произведен переход от заданных параметров к необходимым.

Список использованной литературы

1. Гусев В.Г., Гусев Ю.М. Электроника. - М.: Высшая школа, 1991 г. - 622 с.

. Основы промышленной электроники. Под ред. В.Г. Герасимова. - М.: Высшая школа, 1986 г. - 336 с.

. Бочаров Л.Н., Жеребятников С.К., Колесников И.Ф. Расчет электронных устройств на транзисторах. - М.: Энергия, 1978 г. - 208 с.

. Изъюрова Г.И. и др. Расчет электронных схем: примеры и задачи. - М.: В.шк.,1987 г. - 395 с.

. Полупроводниковые приборы: диоды, тиристоры, оптоэлектронные приборы: Справочник. Под общ. ред. Н.Н. Горюнова. - М.: Энергоиздат, 1982 г. - 744 с.