Введение
Электроника-это наука о формировании, передаче и обработке электрических сигналов.
В системах автоматического управления различными объектами важную роль играет информация, полученная от датчиков состояния объекта, ее переработка, с точки зрения формирования управляющего воздействия или выходной информации. Пример: необходимо следить за уровнем воды в баке. Следовательно, датчик уровня вырабатывает сигнал, который преобразуется в нужную форму, затем сравнивается с необходимой величиной (проходит обработку) и в зависимости от этого сравнения воздействует на клапан, предварительно пройдя превращение в мощный сигнал, способный переместить клапан.
Физическими носителями информации являются сигналы, например, акустические, механические, электрические, световые, пневматические и так далее. В современных системах используют в основном электрические сигналы, для которых характерны высокая скорость их обработки, простота формирования и передачи на длинные расстояния. В процессе формирования, передачи и обработки электрические сигналы подвергаются различным преобразованиям: усилению, фильтрации для устранения искажений и защиты от помех, формируются по форме, амплитуде и длительности. Для этого используют электронные устройства, которые состоят из электронных элементов и пассивных электрических цепей (резисторов, конденсаторов, катушек индуктивности).
Современная промышленность выпускает два вида электронных элементов: в виде отдельных дискретных компонентов (диодов, транзисторов и так далее) и в виде микросхем (интегральных схем), в которых в одном корпусе собрана электронная схема, представляющая собой функциональный узел для обработки информации и располагающаяся на одном кристалле полупроводнике.
Полупроводником называют вещество, у которого сопротивление много больше, чем сопротивление проводника и много меньше, чем сопротивление изолятора. Проводниками являются элементы четвертой группы таблицы Менделеева (углерод, кремний, германий), пятой (фосфор, мышьяк, сурьма), шестой (селен), а также химические соединения (арсенид галлия).
Итак: электроника - область науки, изучающая физические явления в полупроводниках и электровакуумных приборах, их характеристики, параметры, а также устройств, основанных на их применении.
В данной работе поставлена задача выполнения 6
заданий, в каждом из которых надо применить все практические знания по данному
курсу. В первом задании надо рассчитать ток и напряжение на диоде, параметры
цепи с диодом. Во втором нужно произвести расчет переходного процесса в цепи с
нелинейным элементом и построить графики . В третьем задании требуется
рассчитать нелинейную цепь с источниками питания различного типа. В четвертом
задании требуется определить параметры выпрямителей. В пятом: определить
положение рабочей точки и рассчитать параметры транзистора в этой точке. Шестое
задание представляет собой переход от h-параметров транзистора с общим
эмиттером к h-параметрам с общим коллектором.
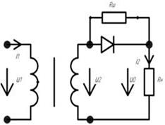
Задача 1. Расчет электрической цепи, содержащей
диод
При известных:
;
;
;J=0.05 A.
Для следующей цепи
Рис. 1. Схема исследуемой цепи.
. Определить ток короткого замыкания Iкз
2. Определить напряжение холостого хода Uxx
. Определить входное сопротивление относительно зажимов диода
. Методом опрокинутой характеристики найти ток и напряжение на диоде. 5. Определить Е при Uvd =0 и Ivd=0
Решение
Рис. 2. Схема исследуемой цепи с обозначением
контурных токов.
Составим выражения по методу контурных токов
(направления обхода всех контуров по часовой стрелке) :
Подставим численные значения:
I11-800 I22-200 I33=26
I11+1000 I22 =0
I11+1000 I33=-10
Значения контурных токов:11=0,075А22=0,06А33=0,005А
Значение тока короткого замыкания:кз= I22 - I33 =0,06 -0,005=0,055А
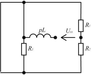
.Для нахождения напряжения Uхх
размыкаем цепь на месте диода:
Рис.3 цепь для нахождения напряжения
холостого хода
xx=-E1+I1xR3-I2xR4=-10+5.2-12.8=17.6
B
. Находим входное сопротивление в
виде суммы значений резистивных элементов:
Выполним проверку:
Согласно методу эквивалентного
генератора входное сопротивление можно найти как отношение напряжения холостого
хода к току короткого замыкания:
следовательно, расчёты верны.
. Используя метод опрокинутой
характеристики найдем ток и напряжение на диоде.
Получаем что Ivd=0.028 A , Uvd=8 B.
.Чтобы найти ЭДС источника при отсутствии диода используем раннее полученную формулу для нахождения напряжения холостого хода:
xx=-E1+I1xR3-I2xR4
Тогда при Uxx=0 находим что E=-13.3
Ответы:,Iкз=0,055 A;хх=17,6
Ввх=320 Ом;vd=8 В,Ivd=0,028 А;Е=-13.3 В при Ivd
=0, Uvd=0.
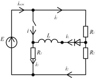
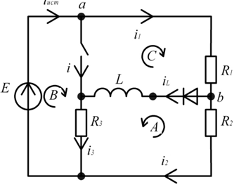
Задача 2. Расчет переходного процесса в
нелинейных цепях
Решение.
. Составим дифференциальные уравнения
цепи для конечного положения ключа на основе законов Кирхгофа:
2.Составим характеристическое
уравнение
для
конечного положения ключа, исключая источник ЭДС.
Преобразуем схему, описанную выше,
для нахождения характеристического уравнения.
Тогда получим следующее:
искомое характеристическое уравнение.
.Определим корни характеристического
уравнения, полученного выше:
.Определим принужденную составляющую переходной величины.
Для этого рассмотрим цепь в
установившемся режиме. Т.к. цепь питается от постоянного напряжения, то
принужденные величины - это постоянные токи и напряжения.

Сопротивления
и
параллельны.
Тогда:
Тогда
.Запишем решение в общем виде:
,
где
.
.Определим независимые начальные условия:
Найдем
Запишем второй закон Кирхгофа для контура А:
Тогда
Определим постоянные интегрирования и запишем окончательное выражение искомой величины.
Запишем общее решение при
:
,
Тогда
Ответ:
График тока на индуктивности:
Графики тока и напряжения на диоде включенном в прямом направлении:

Графики диода включенного обратно:

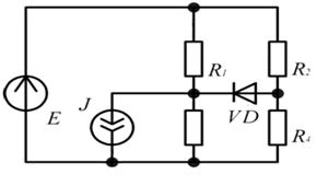
Задача 3. Расчет электрической цепи, содержащей
стабилитрон
График ВАХ стабилитрона и схема стабилизатора:
1. Построить график напряжения на стабилитроне;
. Построить график тока на стабилитроне;
. Построить графики тока и напряжения на стабилитроне
Решение:
Преобразуем данную схему:
Найдем значение
. Для этого
упростим исходную схему, используя данные преобразования:
Первый этап перестроения:
Второй этап:
Третий этап:
Данную схему преобразуем к
окончательному виду схемы:
Т.к. стабилитрон включен в обратном
направлении и
, то график
напряжения на стабилитроне будет выглядеть так:
Построим график
:
Подставляя значения
из графика
в суммарную
вольтамперную характеристику, получим ток при данной
. Т.к. все
элементы цепи соединены последовательно, то ток стабилитрона равен току цепи.
График тока на стабилитроне.
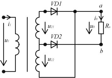
Задача №4. Расчет выпрямителей
Рассчитать однофазный однополупериодный
выпрямитель с фильтром.

Рассчитать однофазный двухполупериодный
выпрямитель с нулевым выводом с фильтром.
Рассчитать однофазный мостовой выпрямитель с
фильтром.
Определить параметры трансформатора и диода, при
условии, чтобы амплитуда отрицательной полуволны напряжения на нагрузке
равнялась бы 0,2 амплитуды отрицательной полуволны.

Решение:
Среднее значение выпрямленного напряжения равно:
.
Следовательно, действующее значение
напряжения на нагрузке равно:
В.
Действующее значение тока нагрузки
равно:
.
Среднее значение тока нагрузки
равно:
.
Тогда действующее значение тока
нагрузки равно:
.
Коэффициент трансформации равен:
В,
мА.
Промежуточный ток через диод равен
мA.
Обратное напряжение на диоде:
В.
Фильтр представляет собой
конденсатор, присоединённый параллельно нагрузке.
Фильтр
Ф.
Среднее значение выпрямленного
напряжения равно:
.
Следовательно, действующее значение напряжения
на нагрузке равно:
В.
Действующее значение тока нагрузки
равно:
.
Среднее значение тока нагрузки
равно:
.