Материал: Термодинамика_часть 1 (старое издание)

Внимание! Если размещение файла нарушает Ваши авторские права, то обязательно сообщите нам

131

Рис. 41. Схема, p-v и T-s диаграммы воздушной холодильной установки

Удельное количество теплоты,

быть определено по соотношению

q

c

pm

1

 

переданное охлаждающей воде, может

T2 T3 ,

(313)

удельное количество теплоты, отведенное от воздуха в холодильной камере,

по формуле

q2

 

cpm T1 T4 ,

(314)

 

а удельная работа цикла при условии постоянства теплоемкости рабочего те-

ла ( c pm idem ) может быть рассчитана из выражения

l

l

l

q

q

2

c

pm

T T T T

 

ц

1,2

3,4

1

 

 

2

3

1

4

 

(315)

или, поскольку для адиабатных процессов (1–2) и (3–4) справедливы следу-

ющие соотношения температур:

T1 T2 T4 T3 ;

T1 T4 T2 T3 ,

(316)

определена по формуле

lц

132

 

T

 

c pm ( T2 T1 ) ( 1

3

).

T

 

 

 

2

 

(317)

При использовании соотношений (314), (317) холодильный коэффици-

ент воздушной холодильной может быть определен из формулы

t

q

2

l

 

ц

 

 

 

 

 

T

( T

T

) /[( T

T

) ( 1

3

1

4

2

1

 

T

 

 

 

 

 

 

 

 

 

 

2

)]

T

1

 

T

T

2

1

.

(318)

Следует отметить, что вследствие малого значения теплоемкости воз-

духа, удельная холодопроизводительность воздушных холодильных устано-

вок достаточно низкая.

Аборбционная холодильная установка

Иногда для осуществления цикла холодильной машины целесообразнее расходовать не механическую работу, как это было в рассмотренных типах холодильных машин, а теплоту, отбираемую, к примеру, от уходящих про-

дуктов сгорания газотурбинных установок. Холодильные машины, в которых для понижения температуры тел до температуры ниже температуры окружа-

ющей среды используется теплота отработавших продуктов сгорания, назы-

ваются абсорбционными холодильными установками (рис. 42).

Абсорбционные холодильные установки используют в качестве рабо-

чего тела хладоагенты и их растворы. В качестве хладагента в абсорбцион-

ных холодильных установках может быть использован аммиак, а в качестве растворителя (абсорбента) – вода.

133

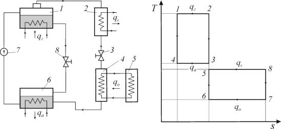
Рис. 42. Схема и идеализированная T-s диаграмма абсорбционной холодильной установки

Схема абсорбционной установки показана на рис. 42. В генераторе (1) к

водоаммиачному раствору подводится теплота от внешнего источника (отра-

ботавшие продукты сгорания) при давлении p1 . Подводимая теплота qг идет на испарение рабочего тела: в этом процессе образуется пар с высокой кон-

центрацией аммиака и с температурой T2 . Пар из генератора (1) поступает в конденсатор (2), где конденсируется при температуре T5, передавая теплоту охлаждающей воде qк.

Конденсат проходит через дроссельный вентиль (3), на выходе из кото-

рого рабочее тело имеет давление p2 и температуру T6 , значение которой меньше, чем температура в холодильной камере. В испарителе (4) раствор испаряется за счет подвода теплоты q0 от охлаждаемого объема (5). Из испа-

рителя пар поступает в абсорбер (6), где поглощается при температуре T3 аб-

сорбером, поступающим из генератора через вентиль (8), отдавая теплоту аб-

сорбции qа охлаждающей воде, проходящей через змеевик. Вследствие по-

глощения пара, концентрация хладагента (аммиака) в растворе повышается.

Насосом (7) раствор из абсорбера (6) подается в генератор.

При идеализации работы цикла рассматриваемой установки (полная обратимость процессов, полное выпаривание хладагента из абсорбера) рабо-

134

чий процесс в ней можно представить в виде совокупности прямого (1-2-3-4)

и обратного (5-6-7-8) циклов Карно. Эффективность работы абсорбционной машины можно оценить тепловым коэффициентом

q0 qг

.

(319)

Следовательно, чем больше отбирается удельной теплоты от охлажда-

емого объема при фиксированном количестве подведенной теплоты в генера-

торе, тем выше экономичность холодильной установки. Действительный цикл абсорбционной холодильной установки характеризуется необратимо-

стью процессов, что приводит к некоторому снижению теплового коэффици-

ента абсорбционной холодильной машины .

13. Циклы двигателей внутреннего сгорания

Термодинамические циклы тепловых двигателей имеют следующие

особенности:

все процессы являются обратимыми и протекают с одним и тем же коли-

чеством рабочего тела;

химический состав рабочего тела постоянен;

процессы сжатия и расширения рабочего тела являются адиабатными;

подвод теплоты к рабочему телу осуществляется от горячего источника;

теплота от рабочего тела передается к холодному источнику;

теплоемкость рабочего тела не зависит от температуры;

рабочее тело - идеальный газ.

Характеристиками термодинамических циклов тепловых двигателей

являются:

степень сжатия;

степень повышения давления;

135

степень предварительного расширения;

соотношение давлений сжатия.

Циклы поршневых двигателей внутреннего сгорания

Анализ круговых процессов показывает, что термический КПД цикла -

основная характеристика эффективности двигателя, зависит от средней тем-

пературы рабочего тела в процессе подвода теплоты. Поэтому в качестве ра-

бочего тела в двигателе используются продукты сгорания, полученные при сжигании жидкого или газообразного топлива. Поршневыми двигателями внутреннего сгорания (ДВС) называются двигатели, в которых топливо сжи-

гается в цилиндрах, где возвратно-поступательно двигается поршень.

Несмотря на то, что цикл Карно имеет наивысший КПД, в реальных машинах он не реализуется. Дело в том, что цикл Карно, будучи сильно рас-

тянутым в координатах рv, связан с весьма большими значениями удельного объема и давления (рис. 43).

Рис. 43. Цикл Карно в координатах p-v