Материал: Термодинамика_часть 1 (старое издание)

Внимание! Если размещение файла нарушает Ваши авторские права, то обязательно сообщите нам

121

Цикл Ренкина состоит из изобары (4–1), где подводится теплота в нагревателе, адиабаты (1–2) расширения пара в паровой турбине, изобары (2– 3) отвода теплоты в холодильнике-конденсаторе и изохоры (3–4) повышения давления воды в насосе. Линия (4–а) на изобаре соответствует процессу по-

вышения температуры жидкости после насоса до температуры кипения ts

при давлении р1. Участок (a–b) соответствует превращению кипящей жидко-

сти в сухой насыщенный пар, а участок (b–1) – процессу подвода теплоты в пароперегревателе для превращения сухого насыщенного пара в перегретый.

а б

Рис. 34. Цикл Ренкина в координатах p-v (а) и Т-s (б)

Работа, совершаемая паром в турбине, равна разности энтальпий пара до и после турбины

wT

h1

h2

.

(306)

Работа, затраченная на сжатие воды в насосе, определяется так же по разности энтальпии рабочего тела в точках (4) и (3).

122

В координатах р-v эта работа определяется площадью e-3-4-f (рис. 34a).

Эта работа весьма мала по сравнению с работой турбины.

Полезная работа цикла равна работе турбины за вычетом работы, за-

трачиваемой на привод насоса wН

w w

w

w

T

H

T

h1

h2

.

(307)

Удельное количество теплоты q1, подведенной в котле и пароперегре-

вателе, определяется из первого начала термодинамики (работа при этом не совершается) как разность энтальпий рабочего тела в процессе подвода теп-

лоты

q1

h1

h4

,

(308)

где h4 – энтальпия горячей воды на входе в паровой котел при давлении р2

практически равна по величине энтальпии кипящей воды в точке (3), т.е. h4 h3.

Сопоставляя соотношения, можно определить термический КПД цикла Ренкина как отношение полезно полученной работы в цикле к количеству подведенной теплоты

 

 

 

w

 

Т

 

 

 

 

t

 

q

 

 

 

 

 

 

1

h1 h2 h1 h4

.

(309)

Другая важная характеристика паросиловой установки удельный рас-

ход пара d, который характеризует количество пара, необходимого для выра-

ботки 1 кВт·ч энергии (3600 Дж), и измеряется в кг /( кВт ч ).

Удельный расход пара в цикле Ренкина равен

d

3600

 

3600

.

(310)

 

 

 

wТ

h1 h2

 

123

Удельный расход пара определяет размеры агрегатов: чем он больше,

тем больше пара приходится вырабатывать для получения той же мощности.

Пути повышения экономичности паросиловых установок

Термический КПД цикла Ренкина даже в установках с высокими пара-

метрами пара не превышает 50 %. В реальных установках из-за наличия

внутренних потерь в двигателе значение КПД еще меньше.

Существуют два пути повышения экономичности паросиловых устано-

вок: повышение параметров пара перед турбиной и усложнение схем пароси-

ловых установок.

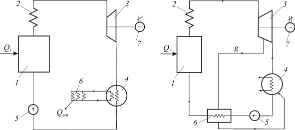
Рис. 35. Схема установки для сов-

Рис. 36. Схема паросиловой уста-

местной выработки механической

новки с регенеративным подогре-

энергии и теплоты

вом питательной воды

1 – парогенератор; 2 – пароперегреватель; 3 – паровая турбина; 4 – конденсатор; 5 – питательный насос; 6 – тепловой потребитель

Первое направление приводит к увеличению теплоперепада в процессе

расширения пара на турбине (h1 - h2) и, как следствие, к увеличению удель-

ной работы и КПД цикла. При этом теплоперепад по турбине h1-h2 можно дополнительно увеличить, снижая противодавление в конденсаторе установ-

124

ки, т.е. уменьшая давление р2. Повышение экономичности паросиловых установок этим путем связано с решением ряда трудных технических задач, в

частности, использования высоколегированных, жаропрочных материалов для изготовления турбины.

Эффективность использования паросиловой установки можно значи-

тельно повысить за счет использования теплоты отработавшего пара для отопления, горячего водоснабжения, сушки материалов и т. д. С этой целью охлаждающую воду, нагретую в конденсаторе (4) (рис. 35), не выбрасывают в водоем, а прокачивают через отопительные установки теплового потреби-

теля (6). В таких установках станция вырабатывает механическую энергию в виде полезной работы L1 на валу турбины (3) и теплоту Qт.п для отопления.

Такие станции называют теплоэлектроцентралями (ТЭЦ). Комбинированная выработка тепловой и электрической энергии – один из основных методов повышения эффективности тепловых установок.

Повысить КПД паросиловой установки по сравнению с циклом Ренки-

на можно за счет применения так называемого регенеративного цикла

(рис. 36). В этой схеме питательная вода, поступающая в котел (1), нагрева-

ется паром, частично отбираемым из турбины (3). По этой схеме пар, полу-

ченный в котле (1) и перегретый в пароперегревателе (2), направляется в турбину (3), где происходит его расширение до давления в конденсаторе (4).

Однако часть пара после совершения им работы из турбины и направляется в регенеративный подогреватель (6), где в результате конденсации он подогре-

вает питательную воду, подаваемую насосом (5) в котел (1).

Сам конденсат после регенеративного подогревателя поступает на вход насоса (5) или в конденсатор 4, где он смешивается с конденсатом пара,

прошедшего через все ступени турбины. Таким образом, в котел поступает такое же количество питательной воды, какое и выходит из него в виде пара.

Из диаграмм (рис. 37) видно, что каждый килограмм пара, входящий в тур-

бину, расширяется от давления р1 до давления р2, совершая работу w1=h1-h2.

125

Пар в количестве (1 - g) долей килограмма расширяется до конечного давле-

ния p3, совершая работу w2=h2-h3. Суммарная работа 1 кг пара в регенера-

тивном цикле будет

w w

w

1

2

h

h

h

1

2

2

h

1 g h h h

3

1

3

2

h

 

3

 

g

,

(311)

где

g

– доля пара отбираемого из турбины и подаваемого в регенератор.

Рис. 37. График адиабатного расширения пара в турбине с промежуточным отбором (а) и изменения количества пара (б)

Уравнение показывает, что использование регенерации теплоты приво-

дит к уменьшению удельной работы расширения по сравнению с циклом Ренкина с теми же параметрами пара. Однако расчеты показывают, что рабо-

та в регенеративном цикле уменьшается медленнее, чем расход теплоты на получение пара при наличии регенерации, поэтому КПД паросиловой уста-

новки с регенеративным подогревом в итоге выше КПД обычного цикла.

Применение пара высоких и сверхвысоких давлений с целью повыше-

ния КПД установок наталкивается на серьезное затруднение: влажность его на последних ступенях турбины получается настолько высокой, что заметно снижает КПД турбины, вызывает эрозию лопаток, может служить причиной