Контроллер для реализации логических зависимостей (коммандоаппарат), характеризуется прошитой в его памяти развитой библиотекой логических функций и функций блокировки типовых исполнительных механизмов. Для его программирования используются специализированные языки типа релейно-контактных схем.
Контроллер, реализующий любые вычислительные и логические функции, не имеющий ограничений по области применения.
Контроллер противоаварийной защиты должен отличаться от контроллеров других классов:
· особенно высокой надежностью, достигаемой различными вариантами диагностики и резервирования (например, диагностикой работы отдельных компонентов контроллера в режиме реального времени, наличием основного и резервного контроллеров с одинаковым аппаратным и программным обеспечениями и с модулем синхронизации работы контроллеров, резервированием блоков питания и коммуникационных шин);
· высокой готовностью, т. е. высокой вероятностью того, что объект находится в рабочем режиме (например, не только идентификацией, но и компенсацией неисправных элементов; не просто резервированием, но и восстановлением ошибок программы без прерывания работы контроллеров);
· отказоустойчивостью, когда при любом отказе автоматизируемый процесс переводится в безопасный режим функционирования.
Контроллер телемеханических систем автоматизации, удобен для создания систем диспетчерского контроля и управления распределёнными на местности объектами, повышенное внимание уделяется программным и техническим компонентам передачи информации на большие расстояния беспроводными линиями связи.
Открытость архитектуры.
По структуре контроллеры подразделяются на два класса: контроллеры, имеющие фирменную закрытую структуру, и контроллеры открытой структуры, основанной на одном из магистрально-модульных стандартов.
При закрытой фирменной структуре изменения (модификации) контроллера возможны, обычно, только компонентами производителя. Сами изменения достаточно ограничены и заранее оговорены производителем.
· При открытой магистрально-модульной структуре, открытость и широкая доступность стандарта на шину, соединяющую модули разного назначения, даёт возможность выпускать в данном стандарте любые модули разным производителям.
PC-совместимость.
По этому признаку все контроллеры можно разделить на два класса: PC-совместимые и PC-несовместимые. Каждый из этих классов имеет свои достоинства и недостатки.
Достоинства и недостатки каждого из этих видов контроллеров определяют их области использования.
Конструктивное исполнение.
По конструктивному исполнению контроллеры можно разделить на несколько групп, мы их условно назовем так:
· встраиваемые;
· размещаемые в общий конструктив;
· модульного типа.
Встраиваемые контроллеры, не имеют корпуса, часто конструкция просто крепится на раме (рис. 5.1).
Контроллеры, размещаемые в общий конструктив, характеризуются тем, что все модули размещаются в одном конструктиве (рис. 5.2, рис. 5.3).
Контроллеры модульного типа не используют общего конструктива, каждый модуль имеет собственный корпус. Так как защитную оболочку для каждого модуля сделать проще, чем для всего контроллера, то именно этот тип контроллеров чаще всего выпускают для жёстких условий. Модули контроллеров с внутренней межмодульной шиной на боковых поверхностях имеют контакты для подключения соседних модулей. А модули контроллеров с внешней шиной, как правило, используют для связи между модулями какую-нибудь скоростную полевую шину. В качестве примера на рис. 5.3 показан контроллер с внутренней шиной, а на рис. 5.4 показаны модули контроллера с внешней шиной, приспособленные для эксплуатации в жёстких условиях.
Регистраторы.
Регистраторы предназначены для измерения, регистрации, сигнализации и регулирования параметров технологических процессов.
Изначально регистраторы были бумажными, т.е. собираемая ими информация отображалась на бумажной ленте. Бумажные регистраторы бывают двух видов:
µR1000 (поле записи 100мм, 6 каналов)
µR1800 (поле записи 180мм, 6-24 канала)
Они предназначены для регистрации переменных процессов на бумажном носителе в аналоговом и цифровом виде с дополнительными цифробуквенными распечатками.
Эти регистраторы зарекомендовали себя высоконадежными приборами с превосходными метрологическими характеристиками, практически не требующими техобслуживания.
Недостатки:
· запись на бумажные носители данные можно анализировать только вручную;
· бумажные регистраторы требуют замены расходных материалов (бумага, пишущий узел).
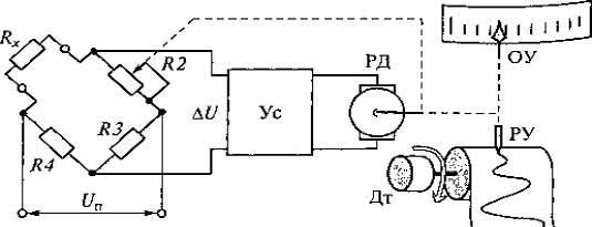
На рисунке 5.5 показано упрощенное устройство автоматического моста для регистрации изменяющихся сопротивлений (например, для записи температуры с помощью термометров сопротивления).
Резистивный датчик Rx включен в мостовую схему (уравновешенный мост), выходное напряжение которой при изменении сопротивления Rx создает некоторую разность потенциалов ∆U. Усилитель Ус усиливает эту разность и подает на реверсивный двигатель РД, который одновременно управляет положением стрелки отсчетного устройства ОУ, пера регистрирующего устройства РУ и положением движка реохорда R2. Развертку диаграммной бумаги во времени осуществляет двигатель Дт.
Таким образом, благодаря электромеханической отрицательной обратной связи, разница потенциалов ∆U устремляется к нулю, мост автоматически уравновешивается, показания на ОУ и РУ пропорциональны сопротивлению Rx и, следовательно, измеряемой величине.
С развитием полупроводниковых технологий развивались и все электронные приборы. Видеографические регистраторы с процессорным управлением пришли на замену устаревшим бумажным аналоговым регистраторам. А это значит, что у современных ПЛК и регистраторов родственная электронная начинка. Наличие микропроцессорного сердца позволяет расширять возможности регистраторов до уровня, ограниченного возможностями самого процессора и фантазией разработчиков. Современные регистраторы имеют универсальные аналоговые входы, способные снимать практически любые сигналы, будь то напряжение, ток или сопротивление. Регистраторы способны измерять температуру с помощью пирометров, термопар или термосопротивлений. Благодаря наличию дискретных входов можно воспринимать сигналы «сухой контакт», «открытый коллектор», «потенциальный вход».
Новое поколение видеографических регистраторов серии DX/CX, кроме прямых функций записи, обеспечивают яркую, крупную индикацию параметров техпроцесса в удобном виде (увеличенный цифровой формат, столбчатая диаграмма, аналоговый тренд). Видеографические серии CX имеют встроенные контуры ПИД - регулирования, что значительно расширяет сферу применения этих приборов.
Видеорегистраторы DX/CX позволяют объединить все три уровня обработки информации:
· нижний уровень (измерение и регистрация данных, сигнализация превышения установок, оперативный просмотр истории процесса, управление процессором по ПИД - закону);
· средний уровень (работа в сетях с использованием полевых шин MODBUS, FIEDBUS FOUNDATION);
· верхний уровень (интеграция в системы управления производством верхнего уровня с использованием стандарта 100Base-TX Ethernet. Системы верхнего уровня получают возможность прямого доступа к параметрам технологического процесса. Встроенный web-сервер,FPT-клиент/сервер, функция автоматической рассылки сообщений по e-mail расширяют использование данного прибора).
На рисунке 5.6 изображена схема использования регистратора. К регистратору подключаются датчики с выходными аналоговыми и/или дискретными сигналами. Прибор обрабатывает полученные данные, записывает их в энергонезависимую внутреннюю память и, если есть необходимость, передает данные на верхний уровень АСУ ТП или сервисный ПК. При возникновении нештатных ситуаций (например, отклонение уровня измеряемого параметра от заданных норм или некорректный расход энергоресурсов) срабатывает система сигнализации или происходит блокирование исполнительных механизмов.
При совместной работе регистратора с регуляторами можно получить полноценную систему управления.
На рисунке 5.7 изображена схема использования регистратора. Регуляторы принимают выходные сигналы датчиков и управляют исполнительными механизмами. Одновременно с управлением с помощью токовых выходов регуляторов сигналы передаются на регистратор, который фиксирует все процессы системы.
Современные вторичные приборы обладают всеми необходимыми функциями для объединения в единую сеть, что позволяет при необходимости интегрировать их в АСУТП.
Например, в технологическом процессе требуется организовать дополнительный контур регулирования, т. е. необходим простой локальный ПИД-регулятор. Решая подобные задачи, можно постепенно подготовить платформу для будущей автоматизации производства, заложив в проект ПИД-регуляторы с портом связи RS485 изображенных на рисунке 5.8.
При первой же необходимости можно объединить все ПИД-регуляторы в одну сеть и обеспечить сбор данных и централизованное управление (дистанционное изменение установок регулирования, ПИД-параметров и т. п.) при помощи видеографического регистратора или компьютера.
Со временем парк вторичных приборов расширяется и обновляется. Кроме бумажных регистраторов появляются видеографические, и постепенно образуется распределенная система сбора данных с визуализацией регистрацией данных по месту. Естественно, для организации подобной системы все приборы должны иметь порт связи RS485 и один протокол передачи данных (все приборы, поставляемые компанией «Эталон прибор», удовлетворяют этим требованиям).
Таким образом, постепенно можно организовать полноценную распределенную систему сбора данных и регулирования, которая может функционировать автономно или быть интегрированной в любую имеющуюся систему управления.
Передача данных на верхний уровень в данном примере основана на широко распространенном стандарте Ethernet; видеографические регистраторы DX/CX кроме выполнения своих прямых функций обеспечивают согласование полевых шин FIELDBUS FOUNDATION и MODBUS с сетью верхнего уровня Ethernet - рисунок 5.9.
Т. е., решая локальные задачи управления, можно
подготовить необходимую базу для проведения комплексной автоматизации.
Рисунок 4.1 - Встраиваемый контроллер
Рисунок 4.2 - Контроллер, размещаемый в общий
конструктив
На каждом из описанных выше этапов на верхнем
уровне (PC) можно
использовать штатное программное обеспечение; можно произвести интеграцию с уже
имеющейся SCADA системой
через ОРС-сервер; можно разработать собственное программное обеспечение на
основе предлагаемых библиотек API
функций.
Рисунок 4.3 - Контроллер с внутренней шиной
Рисунок 4.4 - Модули контроллера с внешней шиной
Рисунок 4.5 - Автоматический мост бумажного
регистратора
Рисунок 4.6 - Схема сбора данных и сигнализации
Рисунок 4.7 - Система управления и регистрации
данных

Рисунок 4.9 - Схема согласования полевых шин
Заключение
В курсовом проекте был рассмотрен вопрос
разработки средств измерения теплотехнического контроля расхода основного
конденсата на входе деаэратора Т/а К-220-44. Описан объект контроля. Основан
выбор функциональной схемы теплотехнического контроля объекта, согласно
нормативным документам, произведён выбор места установки и функциональных
признаков приборов. В соответствии с заданием и нормативными документами был
произведён выбор аппаратуры комплекта по расходу, составлена заказная
спецификация. В индивидуальном задании был рассмотрен вопрос «Видеографические
регистраторы и промышленные контроллеры». Разработан презентационный модуль.
Принятые сокращения по тексту
БЩУ - блочный щит управления;
ГСП - Государственная система приборов;
ПВД - подогреватель высокого давления;
ПНД - подогреватель низкого давления;
ПТК - програмнно-технический комплекс.
Список используемых источников
теплотехнический контроль деаэратор конденсат
1. Обозначения условные, графические в схемах. Оборудование энергетическое : ГОСТ 21.403-80. - Введ. 1981-07-01. - М. : Изд-во стандартов, 1981. - 34 с.
. Изменение № 1 к РД 34.35.101-88. Методические указания по объему технологических измерений, сигнализации, автоматического регулирования на тепловых электростанциях.-М.:СПО Союзтехэнерго, 1999.
3. РД 153-34.1-35.104-2001. Методические указания по объему технологических измерений, сигнализации, автоматического регулирования на тепловых электростанциях с ПГУ, оснащенных АСУ ТП. .-М.:СПО Союзтехэнерго, 2002.
. Контрольно-измерительные приборы и инструменты: учебник для нач. проф. образования /С.А.Зайцев, Д.Д. Грибанов.- М.: Издательский центр «Академия»,2002.-464 с.
5. Монтаж средств измерений и автоматизации: справочное пособие / А. С. Клюев [и др.]; под ред. А. С. Клюева. - 3-е изд., перераб. и доп. - М. : Энергоатомиздат, 1988. - 488 с.
. Мурин Г.А. Теплотехнические измерения.- М.: Энергия, 1979.-423 с.
. Мухин В.С. Приборы контроля и средств автоматики тепловых процессов: учебное пособие для нач. проф. / В.С. Мухин, И.А Саков.- М.: Высшая школа, 1988.-256 с.
. Панфилов В.А. Электрические измерения: Учебник для сред. проф. образования / В.А. Панфилов. - 2-е изд., стер. - М.: Издательский центр «Академия», 2006. - 288с.
. Преображенский В.П. Теплотехнические измерения и приборы.- М.: Энергия, 1978.-458 с.
10. Преобразователь измерительный САПФИР - 22М. Техническое описание и инструкция по эксплуатации. 08906128 ТО / ГРМТИ. - М. : Внешторгиздат, 1993. -108 с.
11. Проектирование систем автоматизации технологических процессов : справочное пособие / А. С. Клюев [и др.]; под ред. А. С. Клюева. - 2-е изд., перераб. и доп. - М. : Энергоатомиздат, 1990. - 464 с.
12. Теоретические основы теплотехники. Теплотехнический эксперимент: справочник / под общ. ред. В. А. Григорьева, В. М. Зорина ;- 2-е изд., перераб. - М.: Энергоатомиздат, 1988.- 362 с
13. Трухний А.Д. Стационарные паровые турбины / А.Д. Трухний. - 2-е изд., перераб. и доп. - М. : Энергоатомиздат, 1990.- 640с.
. Громов Д. Классификация современных контроллеров / Д. Громов //.Методичка КОНТРоль и АВТоматика.-2007.-№4.-С.34-37
. Александров А. Видеографические регистраторы и промышленные контроллеры. Построение АСУ на регистраторах / А. Александров.- Режим доступа: http://www.kipinfo.ru/info/stati/?id=169
16. Номенклатурный каталог продукции ЗАО «ЭлеМер».- Режим доступа : http://www. elemer.ru
17. Номенклатурный каталог продукции ОАО «Теплоконтроль». - Режим доступа : http://www.teplocontrol.ru/
. Номенклатурный каталог продукции ЗАО «Метран». - Режим доступа : http://www.metran.ru/
19. Номенклатурный каталог продукции ОАО «Эталон прибор ». - Режим доступа : http://www.etalon-chel.ru/