Материал: Технология низкотемпературной сепарации газа

Внимание! Если размещение файла нарушает Ваши авторские права, то обязательно сообщите нам

Технология низкотемпературной сепарации газа

Введение

сепарация газ транспорт низкотемпературный

Природный газ, получаемый с промыслов, содержит посторонние примеси: твердые частицы (песок и оскалну), конденсат тяжелых углеводородов, водяные пары и часто сероводород, и углекислый газ. Присутствие твердых частиц в газе приводит к быстрому износу соприкасающихся с газом деталей компрессоров. Твердые частицы засоряют и портят арматуру газопровода и контрольно-измерительные приборы; скапливаясь на отдельных участках газопровода, они сужают его поперечное сечение. Жидкие частицы, оседая в пониженных участках трубопровода, так же вызывают уменьшение площади его поперечного сечения. Они, кроме того, оказывают корродирующее действие на трубопровод, арматуру и приборы. Влага в определенных условиях приводит к образованию гидратов, выпадающих в газопроводе в виде твердых кристаллов. Гидратные пробки могут полностью закупорить трубопровод. При промышленном использовании газа содержащийся в нем сероводород отрицательно сказывается на качестве выпускаемой продукции. В присутствии влаги сероводород вызывает сильную коррозию металлов. Углекислых газ вреден главным образом тем, что он снижает теплоту сгорания газа. Перед поступлением в магистральный газопровод газ должен быть осушен и очищен от вредных примесей.

Подготовка газа осуществляется на промысловых газовых сборных пунктах главным образом методами низкотемпературной сепарации, основанными на однократной конденсации продукции скважин с использованием ингибиторов гидратообразования, а также методами абсорбции и адсорбции с последующей очисткой газа от сероводорода.

Целью данной работы является: изучить метод низкотемпературной сепарации газа.

Задачи:

. Изучить технологии и оборудование, применяемое в процессах НТС;

. Рассмотреть параметры, влияющие на процесс НТС;

. Выявить достоинства и недостатки установки НТС.

1.      Низкотемпературная сепарация газа


Метод извлечения жидких углеводородов из газов газоконденсатных месторождений, в основе которого лежат процессы однократной конденсации при температурах от -10 до -25 ºС и газогидромеханического разделения равновесных жидкой и газовой фаз, называется низкотемпературной сепарацией.

Метод НТС для извлечения жидких углеводородов из продукции скважин газоконденсатных месторождения был впервые использован в США, где в 1950 г. Была пущена в эксплуатацию первая промышленная установка НТС. Получение низкой температуры сепарации достигалось дросселированием газа с избыточного давления.

Первая установка состояла из низкотемпературного сепаратора со змеевиком в нижней части, предназначенным для расплава гидратов. Теплый газ из скважины проходил через змеевик, затем по выходе из змеевика сепаратора дросселировался и поступал в сепаратор. Отсепарированный газ направлялся в газопровод.

Дальнейшее развитие НТС шло по пути усложнения установок. В схему сначала включили рекуперационный теплообменник, затем системы впрыска и регенерации ингибитора гидратообразования, далее холодильные машины и систему стабилизации конденсата. Такой же путь развития прошли установки и на отечественных промыслах [2].

2.      Технологии и оборудование, применяемые в процессах низкотемпературной сепарации газа


2.1 Технологии


Существует несколько способов подготовки природного газа к транспорту.

Способ подготовки природного газа к транспорту с использованием ингибитора гидратообразования

Краткое описание

Предложенный способ предназначен для подготовки природного или попутного нефтяного газа к транспорту и включает в себя ступенчатую сепарацию, охлаждение газового потока между ступенями сепарации, введение ингибитора гидратообразования, выведение из сепараторов жидкой фазы и направление водной фазы последней ступени сепарации в поток газа.

В качестве ингибитора гадратообразования используют летучее водорастворимое органическое вещество, например метанол, этанол, ацетон, эфироальдегидную фракцию и др.

Организация процесса предусматривает:

а) фракционирование водного раствора ингибитора гадратообразования на контактных ступенях первой ступени сепарации с газовым потоком в количестве, обеспечивающим массовое соотношение жидкости к газу L/G=0,0007-0,007. В качестве водного раствора ингибитора используют водную фракцию, выделенную на второй (низкотемпературной) ступени сепарации, в которую добавляют свежий ингибитор;

б) разделение газового потока перед каждой ступенью контакта на два потока, одним из которых производят фракционирование водного раствора, и объединение двух потоков после каждой ступени контакта.

Способ осуществляется следующим образом.

Углеводородный газ (поток 1) с температурой 15-45 оС и давлением 9-13 Мпа подают на первую ступень сепарации, где отделяют от газовой фазы воду и конденсат. Затем на контактных ступенях на первой ступени сепарации производят отдувку и насыщение газа ингибитором гидратообразования. Водный раствор (поток 2) до подачи на отдувку фракционируют на контактных ступенях первой ступени сепарации газовым потоком 1 в количестве, обеспечивающем массовое соотношение жидкости к газу L/G=0,0007-0,007, при этом газовый поток 1 разделяют перед каждой ступенью контакта на два потока, одним из которых производят фракционирование водного раствора (поток 2), после каждой ступени контакта газ объединяют.

Водный раствор (поток 2) представляет собой - 51,3%-ный (по массе) раствор ингибитора.

На первой ступени сепарации отделяют газовую фазу (поток 5) от водной (поток 6). Концентрация ингибитора в низкоконцентрированном водном растворе (поток 6), определяемом на первой ступени сепарации, составляет 0,025% (по массе), что отвечает требованиям экологии для подачи водного раствора в систему промстоков.

После последней ступени контакта объединяют газовую фазу (поток 3), концентрация ингибитора в которой 79,7% (по массе), с байпасированным потоком газа (поток 4). Этим обеспечивается концентрация ингибитора в газовом потоке (поток 5), равна 68,5% (по массе).

Такая концентрация позволяет исключить гидратообразование, которое может возникнуть после охлаждения газового потока при существующих термодинамических параметрах установки. Для предупреждения гидратообразования на этом участке концентрация ингибитора должна быть не менее 55% (по массе). Охлажденный поток газа 7 направляют на вторую ступень - низкотемпературную сепарацию.

Термодинамические условия в низкотемпературном сепараторе следующие: температура от -15 до -25 оС, давление 7-9 Мпа. Отсепарированных и охлажденный сухой газовый поток 8, полученный после низкотемпературной сепарации используют для охлаждения газового потока (поток 5) и направляют в газопровод. Водную фазу (поток 9), концентрация ингибитора в которой 28,2% (по массе), со второй ступени сепарации обогащают свежим ингибитором гидратообразования (поток 10) до концентрации 51,3% (по массе) и полученный водный     раствор направляют на контакт с газом в первую ступень сепарации (поток 2), а углеводородную жидкость со второй ступени сепарации (поток 11) - конденсатопровод.

Способ предлагает многократное (циклическое) использование водной фазы второй ступени сепарации, содержащей ингибитор гидратообразования. Необходимую концентрацию ингибитора гадратообразования в водной фазе, направляемой на первую ступень сепарации, обеспечивают, добавляя свежий ингибитор гадратообразования. Необходимость в добавлении свежего ингибитора связана с компенсацией уноса его с газом и конденсатом.

Эффективность

Предложенный процесс позволяет снизить расход и концентрацию свежего ингибитора и осуществить непосредственную подачу газа с необходимым содержанием в нем ингибитора гидратообразования на низкотемпературную сепарацию.

Данный способ подготовки углеводородного газа нашел свое применение на УКПГ-2 Уренгойского месторождения.

Способ подготовки природного газа к транспорту

Краткое описание

Предложенный способ предназначен для подготовки природного газа к транспорту путем выделения из него воды и углеводородного конденсата.

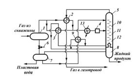
Принципиальная технологическая схема этого способа изображена на рис. 2.

Способ подготовка природного газа к транспорту включает ступенчатую сепарацию, охлаждение газа между ступенями сепарации, дегазацию и охлаждение нестабильного конденсата, полученного после каждой ступени сепарации, и противоточное контактирование конденсата со всех ступеней сепарации с отсепарированным газом в верхней зоне сепаратора последней ступени сепарации.

Технологическая схема подготовки природного газа к транспорту:

-сепаратор; 2-рекуперативный теплообменник; 3-сепаратор-адсорбер; 4,5,9-штуцера; 6-фазный разделитель; 7,8-теплообменники

Эффективность

Эффективность предложенного способа подготовки природного газа к транспорту достигается за счет снижения энерго-затрат и уменьшения соединения легких компонентов в нестабильном конденсате.

Способ подготовки природного газа к транспорту

Краткое описание

В предложенном способе подготовки природного газа к транспорту его обрабатывают органическим поглотителем при перепаде давления между первой и второй ступенями сепарации, равном 1,0-1,5 МПа. При этом в качестве поглотителя используют диэтиленгликоль и углеводородную фракцию с температурой начала кипения 280-350 оС, а процесс ведут в противотоке между двумя изолированными потоками поглотителей при удельном их расходе (10-100) л/ 1000 м3 газа. Выбранный числовой интервал перепада давлении обусловлен тем, что при перепаде давлении Δр > 1,5 МПа выполнение требовании качества газа по ГОСТу обеспечивается с помощью процесса низкотемпературной сепарации (НТС). Подключение в этот период абсорбции невозможно по следующим причинам: снижается эффективность процесса НТС, так как подача абсорбента с температурой выше температуры абсорбируемого газа повышает температуру точки росы и температуру сепарации (т.е. ухудшается качество товарного газа, что приводит к нарушению теплового баланса стадии НТС): стадия углеводородной абсорбции неэффективна при подаче относительно теплового поглотителя в низкотемпературный сепаратор, так как качество товарного газа при абсорбции определяется термодинамическими параметрами на выходе из аппарата; резко снижается эффективность гликолевой осушки из-за большой вязкости концентрированного гликоля. При включении дополнительной обработки с опозданием (т.е. при перепаде давлений между ступенями сепарации меньше 1,0 МПа) ухудшается качество подаваемого в магистральный газопровод газа и теряется газовый конденсат - ценное углеводородное сырье.

Таким образом, перепад давлении в 1,0-1,5 МПа является необходимым условием эффективного осуществления стадий НТС и абсорбции и комбинированной системы качественой подготовки газа к транспорту в период исчерпания дроссель-эффекта.

Эффективность

Предложенный способ подготовки природного газа к транспорту позволяет значительно удешевить процесс, сократить потери углеводородного конденсата и повысить точку росы по углеводородам обрабатываемого газа.

Способ подготовки природного газа к транспорту

Краткое описание

Способ предназначен для подготовки природного газа к транспорту путем выделения из него воды и углеводородного конденсата.

Схема подготовки природного газа к транспорту приведена на рис. 3. Конденсат из сепаратора 1 дросселируют на клапан 6 и дегазируют в разделительной емкости 7, откуда газ дегазации направляют в куб 8 абсорбера-сепаратора 5, а углеводородный конденсат охлаждают в рекуперативном теплообменнике 9 и подают в качестве абсорбента в верхнюю массообменную секцию 10.

Пластовый газ после сепаратора 1 и охлаждения в рекуперативных теплообменниках 2 и 3 расширяют в устройстве 4 и подают в абсорбер-сепаратор 5, где разделяют в сепарационной секции 11 на газ, который подают в верхнюю массообменную секцию 10, и конденсат, который направляют на орошение в нижнюю массообменную секцию 12. Конденсат, выделенный в верхней 10 и нижней 11 массообменных секциях, нагревают потоками газа из сепаратора 1 и конденсата из разделительной емкости 7 соответственно в теплообменниках 3 и 9 и направляют в куб 8, где его выветривают. Газ выветривания из куба 8 подают в нижнюю массообменную секцию 12, а жидкий углеводородный продукт выводят из установки. Отсепарированный газ, прошедший обработку в абсорбере-сепараторе 5, нагревают в теплообменнике 2 и подают в газопровод.

При отсутствии избыточной энергии газ из сепаратора 1 дополнительно охлаждают, используя холод, вырабатываемый холодильной установкой 13.

Схема подготовки природного газа к транспорту:

-сепаратор; 2,3,9-рекуперативные теплообменники; 4-расширяющее устройство; 5-абсорбер-сепаратор; 6-дросселирующий клапан; 7-разделительная емкость; 8-куб абсорбера-сепаратора; 10-верхняя массообменная секция

Эффективность

Эффективность данного способа достигается за счет повышения степени извлечения из газа целевых компонентов С3+в и снижения газонасыщенности получаемого конденсата путем нагрева конденсата, полученного в верхней и нижней массообменных секциях сепаратора, потоком газа между ступенями сепарации и подачи его в куб сепаратора.

Способ предусматривает разделение исходной газоконденсатной смеси на газовую и жидкую фазы в адсорбере-сепараторе.

Предложенный способ подготовки природного газа к транспорту был внедрен на Ямбургском ГКМ.

Способ сепарации газожидкостной смеси

Краткое описание

Предложенный способ предназначен для разделения газожидкостной смеси.

На рис. 4. изображена схема устройства, в котором может быть осуществлен данный способ.

Устройство для сепарации газожидкостной смеси:

-трубопровод для подачи газожидкостной смеси; 2,7-кольцевая щель; 3,5,8,9-патрубки; 4-емкость; 6-завихритель

В трубопровод 1 на разделение подают газожидкостную смесь. Перед закручиванием через кольцевую щель 2 и патрубок 3 отбирают часть газожидкостной смеси. Далее газ отделяют от жидкости в гравитационном поле емкости 4 и подают в зону пониженного давления посте закручивания через патрубок 5, где давление потока ниже, чем до закручивания. После закручивания в завихрителе 6 газожидкостный поток разделяется на центральный газовый с зоной пониженного давления и периферийный газожидкостный с зоной повышенного давления. Далее периферийный газожидкостный поток через кольцевую щель 7 патрубок 8 отбирают и разделяют в гравитационном поле емкости 4, и газ возвращают через патрубок 9 в основной газовый поток.

Эффективность

Предложенный способ сепарации газожидкостной смеси позволяет повысить эффективность очистки газа при увеличении производительности, поскольку повышение производительности по жидкости не вызывает резкого изменения остаточного содержания жидкости в газовом потоке после сепаратора. Техническое решение использовано в проектах ЦКБН и внедрено в промышленность.

.2 Сепарационное оборудование


Существует несколько типов сепарационного оборудования:

устройство для отделения газа от жидкости;

устройство для разделения газожидкостных смесей;

трехфазный сепаратор;

газожидкостный сепаратор;

аппарат для очистки и осушки природного газа;

горизонтальный аппарат для обработки газа;