Материал: Стандарт MIL-STD-202G

Внимание! Если размещение файла нарушает Ваши авторские права, то обязательно сообщите нам

MIL-STD-202G

6.SUMMARY. The following details are to be specified in the individual specification:

a.Direction of axis of flame, if other than vertical (see 3).

b.Point of impingement of applied flame (see 3).

c.Time of application of flame, if other than 15 seconds (see 3).

d.Allowable time for burning of visible flame on specimen (see 3).

e.Measurements after test (see 5).

METHOD 111A

16 April 1973

2

MIL-STD-202G

Inches

mm

Inches

mm

.0004

0.01

.125

3.18

.002

0.05

.127

3.23

.005

0.13

.130

3.30

.006

0.15

.192

4.88

.010

0.25

.194

4.93

.021

0.53

.250

6.35

.041

1.04

.302

7.67

.062

1.57

.322

8.18

.082

2.08

.625

15.18

.120

3.05

1.688

42.88

.123

3.12

 

 

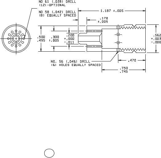
MATERIAL: BRASS

FIGURE 111-1. Burner head.

METHOD 111A

16 April 1973

3

MIL-STD-202G

Inches

mm

Inches

mm

.003

0.08

.300

7.62

.005

0.13

.470

11.94

.011

0.28

.495

12.57

.039

0.99

.500

12.70

.042

1.07

.562

14.27

.046

1.17

.745

18.92

.170

4.32

.750

19.05

.200

5.08

1.187

30.15

MATERIAL: BRASS

2

BODY-BURNER

FIGURE 111-1. Burner head - Continued.

METHOD 111A

16 April 1973

4

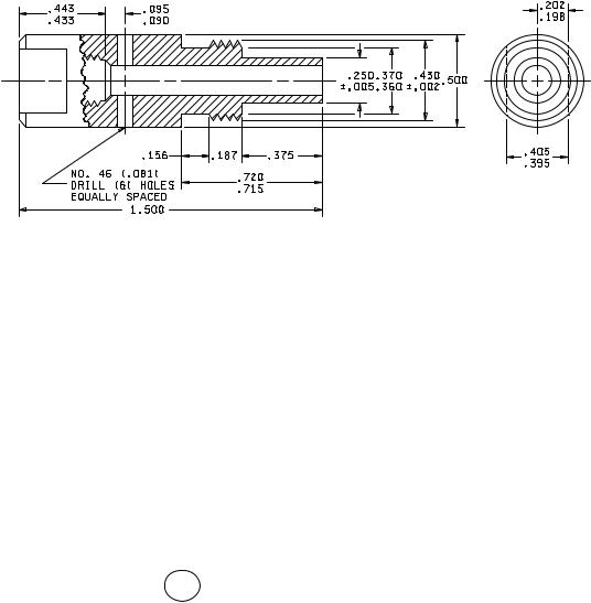
MIL-STD-202G

Inches

mm

Inches

mm

.002

0.05

.370

9.40

.005

0.13

.375

9.53

.081

2.06

.395

10.03

.090

2.29

.405

10.29

.095

2.41

.430

10.92

.156

3.96

.433

11.00

.187

4.75

.443

11.25

.198

5.03

.500

12.70

.202

5.13

.715

18.16

.250

6.35

.720

18.29

.360

9.14

1.500

38.10

MATERIAL: BRASS

3

BASE-BURNER

FIGURE 111-1. Burner head - Continued.

METHOD 111A

16 April 1973

5