Материал: Специфика подготовки проб и проведения измерений β-излучающих радионуклидов

Внимание! Если размещение файла нарушает Ваши авторские права, то обязательно сообщите нам

В случае калибровки радиометрических установок, когда необходимо растворение изготовленного источника вместе с пленкой, применяется только раствор коллодия. При изготовлении источника 1÷3 капли радиоактивного раствора наносятся на пленку, приклеенную к центральному отверстию диска-держателя весовым или объемным способом. Затем пленка помещается под инфракрасную лампу или в сушильный шкаф, и нанесенный раствор высушивается при температуре 50 ÷ 80°С. Для равномерного распределения радиоактивного вещества по пленке и предотвращения ее стягивания при высыхании до нанесения раствора поверхность пленки рекомендуется покрывать небольшим количеством инсулина или этиленгликоля. [8]

Толстые источники

Толстыми источникам считаются такие, для которых дальнейшее увеличение толщины не приводит к увеличению скорости счета от источника. Это возможно в том случае, когда толщина источника превосходит максимальный пробег β-частиц в материале источника (более трех слоев половинного ослабления излучения). Практически толстыми считаются источники толщиной 700÷1000 мг/см2, даже для радиоактивных изотопов, испускающих жесткое β - излучение.

Основным видом толстых β-источников являются насыпные. Для их приготовления используются кюветы различной формы и конфигурации глубиной не менее 5÷8 мм. Исследуемая проба высушивается (в ряде случаев озоляется, например, при анализе пищевых продуктов), измельчается, тщательно перемешивается (для отбора средней пробы) и засыпается в кювету равномерным слоем.

Для закрепления поверхности насыпного источника его рекомендуется покрыть тонкой пленкой из лака ПХВ-70, коллодия, шеллака и пр. [8]

Промежуточные источники

δист = 0,7 ÷ 3,0, если 10 < Zэфф0 < 30;

δист = 1,7 ÷ 3,0, если 30 < Zэфф0 < 70.

При изготовлении промежуточных источников необходимо пользоваться или тонкими подложками (δподл ≤1 мг/см2), исключающими обратное отражение β-частиц, или подложками с толщиной, обеспечивающей насыщение коэффициента обратного отражения (δподл =150÷200 мг/см2). Так как доля отраженных от подложки β-частиц растет с увеличением атомного номера подложки и с ростом энергии β-частиц, то в качестве подложек целесообразно использовать материалы с малым атомным номером (например, алюминий и его сплавы) или некоторые органические соединения (цапонлак, полиуретановый лак и пр.). При радиометрических измерениях в качестве промежуточных источников наибольшее распространение получили стандартные источники-таблетки диаметром 8 мм и толщиной 80±0,2 мг/см2, приготовленные методом прессования в прессформах. [8]

3.2 Методы измерения активности препаратов

Измерение активности источников является одной из основных и наиболее распространенных задач радиометрии. Существует два метода измерения активности - абсолютный и относительный. Выбор абсолютного или относительного метода измерений обусловливается исходной активностью источников, степенью трудоемкости их приготовления, требуемой точностью радиометрического анализа, наличием радиометрической аппаратуры. [3]

Определение абсолютной радиоактивности

Абсолютный метод измерения активности заключается в определении полного числа актов распадов, происходящих в исследуемом радиоактивном источнике, по скорости счета (по величине ионизационного тока, по количеству β-, γ-совпадений и пр.) от этого источника, зарегистрированной с помощью радиометрической установки.

В общем случае расчет «абсолютной» активности (под абсолютной активностью радиоактивного источника понимается полное число актов распада, происходящих в веществе данного источника) ведется по формуле:

Aaбc = nсчКсв,                                                                                    (5)

где: Aaбc - абсолютная активность, расп/мин; nсч - скорость счета, имп/мин; Ксв - коэффициент связи, расп/имп.

Коэффициентом связи называется величина, учитывающая ряд эффектов, которые обусловлены параметрами выбранной радиометрической аппаратуры, взаимным расположением источника и счетчика и свойствами измеряемого радиоактивного изотопа. [8]

Способы регистрации a- и b-частиц во многом аналогичны. Однако, существенные различия в поведении этих частиц при их прохождении через вещество накладывают специфические особенности на конструкцию детекторов. Так, значительно большие пробеги b-частиц позволяют изготавливать детекторы с гораздо более толстыми стенками. С другой стороны, сильное рассеяние b-частиц и меньшая ионизирующая способность затрудняют их регистрацию, тогда как регистрация a-частицы, попавшей в рабочее тело детектора, происходит практически со 100%-ной вероятностью.

Если радиоактивное вещество находится в каком-либо газе, например в воздухе, то его активность проще всего определить, введя этот газ прямо в ионизационную камеру. Особенно эффективно этот метод применяется для регистрации b-излучения с малой энергией. [9]

Для измерения абсолютной активности β-излучений газов и паров используются пропорциональные счетчики внутреннего наполнения (проточные и тупиковые). Они позволяют зарегистрировать β-частицы самых низких энергий (<0,15МэВ). При измерении относительно высоких активностей счетчиком Гейгера-Мюллера необходимо вводить поправку на мертвое время счетчика. В этом отношении пропорциональный счетчик, обеспечивающий скорость счета до 105 имп/сек, обладает значительным преимуществом по сравнению со счетчиком Гейгера-Мюллера.

Абсолютную активность β-излучателей можно измерять на торцовых счетчиках с малой толщиной окошка. При этом должны точно учитываться геометрические условия измерений, поправки на поглощение и самопоглощение, на обратное рассеяние β-излучения.

Абсолютная активность β-излучателя может быть определена по потере заряда препаратом. При этом вторичные электроны, выбитые при прохождении β-частиц через материал самого излучателя, обладающие энергиями в несколько десятков эВ, задерживаются сеткой, на которую подается небольшой отрицательный потенциал (до 300В). Прибор для измерения потери заряда откачивают, чтобы исключить ионизацию воздуха частицами. Абсолютная активность непосредственно определяется по потере заряда препаратом за единицу времени.

При измерении абсолютной активности радиоактивное вещество должно быть равномерно нанесено тонким слоем на подложку (пленка из вещества с малым атомным номером). [3]

Метод 4π-геометрии

Для измерений активности b-источников особенно эффективен метод 4p-геометрии, так как он позволяет исключить необходимость внесения большинства трудно определяемых поправок. 4p-геометрия реализуется расположением b-источника между двумя пропорциональными, сцинтилляционными или полупроводниковыми счетчиками. Источник и подложка, на которую он нанесен, должны быть достаточно тонкими, чтобы поправочные коэффициенты на поглощение b-частиц в них были невелики. [9]

Рис. 2. Разрез проточного 4π-счетчика: 1-корпус счетчика; 2 - крышка корпуса; 3 - тефлоновый изолятор; 4 - стержень для крепления петли; 5 - петля; 6 - измеряемый радиоактивный образец; 7 - держатель для препарата; 8 - фланец; 9 - накидная муфта с резьбой. [3]

При измерении β-излучателей для достижения 4π-геометрии твердые препараты либо закрывают с обеих сторон тончайшими нерастворимыми пленками и опускают в жидкий сцинтиллятор, либо прямо растворяют в жидком сцинтилляторе. Излучатель может быть заполимеризован в пластмассовом сцинтилляторе или введен в кристалл при выращивании неорганического сцинтиллятора. [3]

Ошибки в определении абсолютной активности β-излучателей с помощью 4π-счетчика могут быть связаны с отклонением реального геометрического коэффициента от 4π-геометрии, а также с поглощением β-частиц в материале образца и его подложке. Даже без учета этих факторов точность определения абсолютной активности мягких β-излучателей составляет 10%, а жестких - около 5%. [3]

Определение абсолютной активности с помощью 4п-счетчика

1.наносят на диск фильтровальной бумаги небольшой объем (0,05-0,1 мл) исходного радиоактивного раствора и измеряют активность полученного препарата на торцовом счетчике.

. рассчитывают, во сколько раз следует разбавить исходный раствор, чтобы скорость счета препарата в избранной геометрии составляла 2-500 имп/сек

. готовят серии препаратов для 4π-счетчика

. проводят измерение активности

. рассчитывают объемной активности, с учетом проведенных разбавлений. [3]

Метод β-, γ-совпадений

Если β-распад сопровождается испусканием γ-квантов, то можно использовать методы β-γ-совпадений. В этом случае применяют и гейгеровские, и сцинтилляционные счетчики. При этом отпадает необходимость предварительной калибровки счетчиков по чувствительности.



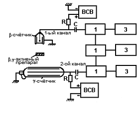
Рис. 3. Блок-схема установки для измерения абсолютной активности методом β-, γ-совпадений со счетчиками Гейгера-Мюллера: 1 - усилители; 2 - схема совпадений; 3-регистрирующие устройства

Сущность метода заключается в следующем. Установки, включающие два детектора, настраивают так, чтобы раздельно регистрировались излучения разного рода или разной энергии.

Активность измеряют по формуле:

                                                                 (6)

где nβ -число β-частиц, регистрируемых счетчиком; nγ - число γ-квантов, регистрируемых счетчиком; nβγ -число совпадений. [3]

С помощью формулы (6) можно определить активность изотопов, у которых β-распад сопровождается испусканием одного γ-кванта. Измерять активность изотопов с более сложной схемой распада изотопов с конвертированным γ-излучением данным методом трудно, так как для этого надо знать схему распада, коэффициенты конверсии и проводить дополнительные измерения.

С введением поправки на фон, долю β-частиц, поглощённых в воздухе и окошке счётчика, а также самопоглощение в толще препарата и отражение излучения от подложки. методом β-, γ-совпадений можно определить абсолютную активность изотопа, распадающегося по простой схеме, с точностью до 1%, но метод сложен в аппаратурном воплощении. [8]

Определение абсолютной активности с помощью метода β-, γ-совпадений

1. Определяют плато счетчика и устанавливают рабочее напряжение на счетных трубках.

. Помещаю β-счетчик на таком расстоянии, при котором скорость счета в 1-ом и 2-ом каналах будет примерно одинаковой.

. Определяют скорость счета совпадений nβγ, скорость счета в 1-ом канале nβ и скорость счета во втором канале nγ.

4. Закрывают препарат алюминиевой фольгой толщино  й 100 мг/см2 и определяют скорость счета γ-γ-сопадений и γ-квантов, регистрируемых βсчетчикомв сумме фоном. Для контроля еще раз определяю скорость счета во 2-ом канале. Измерения каждой из этих величин проводят в течение не менее 2 ч.

. Удалив препарат, определяют скорость величину вона счетчиков. Измерение проводят в течение часа.

Каждое измерение, описанное в пунктах 3,4 и 5, производят последовательным включением (через короткие промежутки времени) пересчетных устройств схемы совпадений, 1-го и 2-го каналов.

. По формуле (6) вычисляют абсолютную величину активности данного препарата.

Определение относительной радиоактивности

Относительный метод измерения активности заключается в сравнении скорости счета от исследуемого источника со скоростью счета от эталонного источника, абсолютная активность которого известна. [8]

Для правильного проведения измерений относительно активности исследуемых препаратов необходимо, чтобы выполнялись следующие требования:

форма и размеры препаратов (площадь, толщина) должны быть одинаковы (пользуются либо бесконечно тонкими препаратами, либо препаратами, толщина которых превосходит толщину слоя насыщения);

препараты должны одинаково располагаться относительно счетчика (ошибки связанные с расположение счетчика и препарата возрастают по мере приближения препарата к счетчику);

радиоактивное вещество должно быть равномерно распределено по всему объему препаратов (для снижения влияния этого фактора проводят несколько измерений, поворачивая препарата на 90,180, 270˚ вокруг оси, полученные результаты усредняются);

перед измерением препараты следует тщательно высушивать;

подложки, на которые нанесены измеряемые препараты, должны быть выполнены из одинакового материала и иметь равную толщину (используют тонкую органическую пленку, фильтровальную бумагу или слои вещества толщиной, соответствующей толщине слоя насыщения);

все измерения должны проводиться на одной установке с одним и тем же счетчиком и держателем для препаратов;

следует стремиться к тому, чтобы измерения всех образцов были выполнены с одинаковой статистической точностью;

если измерения выполняются в разное время, необходимо проверять воспроизводимость показаний прибора (используют препарат постоянной активности).

При сравнительных измерениях нет необходимости вносить поправку на распад радиоактивного изотопа, поскольку эталонный излучатель содержит тот же изотоп, что и испытуемый образец.

Если не удается на практике осуществить совершенно одинаковые условия измерения, то при выполнении относительных измерений приходится учитывать ряд поправок. [1]

3.3 Основные типы поправок, вносимые при детектировании

При определении активности следует вводить ряд поправок. Необходимость этого возникает из-за специфических свойств, описанных ранее. C учетом всех поправок, связь между скоростью счетчика и активностью образца можно записать в следующем виде:

                                    (7)

где n-суммарная скорость счета образца и фона (импульс/сек); nф - скорость счета фона; кр - поправка на разрешающее время; fм - поправка на ложные импульсы; w - поправка на геометрию; Eβ - эффективность регистрации счетчиком импульсов; fок+возд - поправка на поглощение в воздухе и окошке детектора; s - поправка на самоослабление излучения; fпод - поправка на обратное рассеяние; p - поправка на схему распада. [10]

Поправка на фон

Фон детектора обусловлен как внешним излучением (космические лучи, естественная радиоактивность конструкционных материалов, лабораторные источники излучения, радиоактивные загрязнения деталей радиометрической установки и т.п.), так и самопроизвольными разрядами в счетчике (ложные импульсы). Поскольку устранить все причины появления фона нельзя, измеряемая скорость счета препарата всегда содержит фоновую составляющую. Фон оказывает влияние на точность определения скорости счета радиоактивного вещества и тем большее, чем ниже активность препарата. Очевидно, что фон надо свести к минимуму. В частности, чтобы уменьшить влияния внешнего излучения счетчик обычно помещают в защитный «домик» из свинца.

Фон, среднее значение которого указано в техническом паспорте каждого детектора, зависит от типа детектора, его конструкции, а также условий и срока эксплуатации. Превышение этого уровня, при условии правильно установленного рабочего напряжения и отсутствия радиоактивных загрязнений в защитном домике, указывает на выход счетчика из строя. [11]