Материал: Создание автоматической станочной системы механообработки

Внимание! Если размещение файла нарушает Ваши авторские права, то обязательно сообщите нам



(значения скорости резания V и подачи S литература [2]).

принимаем


переход3-расточить отверстие до Ø ,l=22.

(значения скорости резания V и подачи S литература [2]).

принимаем


переход4-точить фаску в отверстии Ø .

(значения скорости резания V и подачи S литература [2]).

принимаем



=0,5

=1,74+0,5=2,24мин.

- сверлильная:

переход1-сверлить 6 отверстий Ø 3,3 последовательно

 (значения скорости резания V и подачи S литература [2]).

принимаем .




переход2-снять 6 фасок  последовательно

.(значения скорости резания V и подачи S литература [2]).

принимаем .


переход3-нарезать резьбу

.(значения скорости резания V и подачи S литература [3]).

принимаем .


;

;

-частота обратного вращения шпинделя;

-шаг резьбы.

переход4-сверлить 4 отверстий Ø 11 последовательно

.(значения скорости резания V и подачи S литература [2]).

принимаем .



=0,4

=3,19+0,4=3,59мин.

Среднее оперативное время обработки:

Топ.ср.=

Отношение среднего оперативного времени к такту выпуска

,следовательно из выбранного оборудования проектируем одну автоматическую линию.

Количество станков определяем по формуле: С=

С1=; С2=;

С3=; С4=;

С5=

Принимаем С1=2; С2=1; С3=1; С4=1; С5=1.

Синхронизация имеет целью обеспечение равенства времени выполнения технологических переходов на каждой позиции автоматической линии с тактом автоматической линии.

Среднее оперативное время меньше такта автоматической линии, следовательно требуется выполнить синхронизацию.

Таб.6.Сводная ведомость.

Время до синхронизации

Время после синхронизации

Предпринятые мероприятия

Число параллельных рабочих мест

010

7,47

5,84

повышение режимов обработки за счет увеличения скорости резания

2

015

3,37

5,84

снижение режимов обработки за счет уменьшения скорости резания


020

3,23

5,84

снижение режимов обработки за счет уменьшения скорости резания


025

2,24

5,84

снижение режимов обработки за счет уменьшения скорости резания


030

3,59

5,84

снижение режимов обработки за счет уменьшения скорости резания



. Разработка структуры автоматизированного производства

Данная автоматическая линия механической обработки детали “корпус” состоит из 6 единиц оборудования. Участок оснащен средствами для механизированной уборки стружки. Используется автоматизированная складская система с кареткой для автоматического адресования грузов и автоматическим кран-штаблером. Данный участок имеет площадь 240м2. В результате выбора здания и сетки колон 18000х12000 и типовой секции 72000х72000, данная поточная линия находится в левом нижнем углу цеха механической обработки.

11. Вспомогательное транспортно-загрузочное оборудование для компоновки автоматизированного комплекса


Рис.2. Схема устройства каретки-оператора.

Устройство каретки-оператора (рис.2): шасси тележки представляет собой сварную силовую раму 11, на кронштейнах которой смонтированы две оси с четырьмя ходовыми колесами 12. С одной стороны рамы устанавливается подвижный бампер13, который в случае наезда тележки на посторонние предметы включает систему торможения и останова. Привод перемещения каретки-оператора состоит из электродвигателя постоянного тока 2, редуктора 1, на выходном валу которого установлено зубчатое колесо, которое находится в зацепление с шестерней, расположенной на ведущей оси ходовых колес. Платформа установки спутников представляет собой плиту 3,на которой установлены направляющие планки с роликами 4 для базирования спутника и защелка, предохраняющая спутник от смещения при движении тележки. Привод подачи спутника 5 обеспечивает его перемещение с платформы тележки по направляющим планкам к агрегату загрузки спутников либо к ячейке оперативного накопителя. Блок электроавтоматики установлен на стойке 6 шасси тележки, к нему относятся чувствительные элементы 9 систем торможения и точного останова каретки-оператора состоит из электропривода и фиксатора, который входит в отверстия в колодках, расположенных в пунктах останова тележки.

Подвод электропитания к электрооборудованию обеспечивает кабеленесущую цепь 8. От наладочного пункта 7 возможно выполнение отдельных элементов цикла работы каретки-оператора.

Работа тележки осуществляется автоматически, управление от ЭВМ. Тележка по команде, поступающей от управляющей ЭВМ, включает электродвигатель привод перемещения каретки-оператора и датчик позиционирования, расположенной в пункте её требуемого останова. При подходе тележки к заданной позиции во взаимодействие с устройством позиционирования вступает вначале датчик системы торможения, а затем датчик точного останова. Затем каретка-оператор фиксируется. После этого включается привод подачи спутника с платформы тележки на оборудование комплекса. На этом цикл работы тележки заканчивается. После поступления от ЭВМ новой информации каретка-оператор перемещается к пункту, указанному в следующем адресе.

. Анализ установочных размерных связей на одной из позиции автоматизированного производственного комплекса

Составляющими звеньями установочных размерных связей являются: размеры заготовки, приспособлений, которые выявляются при построении размерных цепей по общей методике размерного анализа конструкции. Выявление установочных размерных связей и их расчёт производится со следующим целями:

1.      обеспечить работоспособность автоматической системы в течении требуемого времени эксплуатации в условиях действия различных факторов, влияющих на стабильность составляющих размеров и размерных связей;

2.      выбрать методы и средства автоматизации, обеспечивающие требуемые размерные связи, сформулированные требования к размерной точности автоматических устройств, реализующих автоматическую установку;

.        выбрать методы и способы размерной наладки системы, т.е. средства технического оснащения используемых в процессе наладки;

.        определить регламент обслуживания и профилактики автоматических загрузочных устройств;

.        определить допускаемые ограничения внешних воздействий при работе автоматических устройств.

Рассмотрим размерные связи возникающие при автоматической установки заготовки на станок.

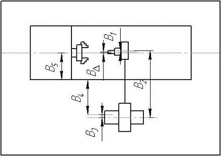
Рис.3.Схема размерных связей.

В - отклонение от соосности шпинделя станка и оси загружаемой заготовки В1 - отклонение от соосности заготовки в схвате. В2 - программируемые перемещения схвата. В3 - расстояние от базы В4 - расстояние между станком и роботом. В5 - расстояние от оси шпинделя станка до основной базы станка.

Установку заготовки в патрон и съем детали осуществляет робот. Робот берет заготовку захватом, вносит ее в рабочую зону станка так, чтобы ось заготовки совпадала с осью раскрытых кулачков патрона, и затем задвигает заготовку в патрон, после чего подается команда на зажим кулачков патрона. Ввод заготовки в раскрытые кулачки патрона возможен, если В не превышает значения:

Вмах.=,

Где D - диаметр раскрытых кулачков патрона, d - диаметр устанавливаемой в патрон заготовки.

Если в момент установки размер В окажется больше этого предельно допустимого значения ,то при движении захвата робота вдоль оси шпинделя заготовка упрется в патрон и автоматическая установка заготовки будет невозможна. Следовательно обеспечение требуемого значения В является условием возможности автоматической установки заготовки в патрон.

Кулачки, сдвигающиеся к оси патрона, при наличии отклонения от соосности будут стремиться переместить заготовку в новое положение. Заготовка пока еще закреплена в захвате робота. Следовательно, возникнут силы при передаче заготовки от робота в патрон.

Р = jВD,

Где j - жесткость системы робот - заготовка - патрон.

Пусть j = 500 н/м, Р <100 н,

тогда ВD = Р/ j = 100/500 = 0,2 мм.

Размерная цепь ВD=В2 - В1 - В5 - В4 - В3

Метод достижения точности - метод полной взаимозаменяемости. При данном методе допуск замыкающего звена ТD = Т1+Т2+Т3+Т4+Т5

Допуск соосности ВD = ± 0,2 мм составил ТD =0,4 мм.

Очевидно, обеспечить условие для автоматической установки практически нельзя. Возможно несколько путей решения поставленной задачи.

1.      Сократить допуск размеров составляющих звеньев; использовать предварительно обработанные заготовки для уменьшения погрешности заготовки; расширить допуск замыкающего звена ТD.

2.      Из формулы, из которой было получено значение допуска, следует, что решение при той же допустимой силе может быть обеспечено снижение жесткости закрепления заготовки в захвате робота. Этот путь наиболее удобен и поэтому захват роботов делают подпружиненным. Однако, чрезмерно уменьшать жесткость тоже вредно, так как при установке изделия различной массы будут большие погрешности позиционирования оси заготовки в захвате по высоте.

.        Можно использовать робот с автоматической поисковой системой управления.

Для загрузки станков выбираем робот с погрешностью

позиционирования ± 1мм.

В2 = 800 ± 0,325 мм

В1 = 0 ± 1 мм

В3 = 100 ± 0,205 мм

В4 = 400 ± 0,235 мм

В5 = 400 ± 0,235 мм

ТD/ 2 = 1+0,325+0,205+0,235+0,235

ТD= 4мм.

ВD= 0±2мм.

. Описание принципиальной схемы и принципа работы автоматизирующего устройства

ОПИСАНИЕ РОБОТА М20П. 40. 01

Промышленный робот М20П. 40. 01 предназначен для автоматизации складирования, погрузки деталей и смены инструмента на металлорежущих станках (1 или 2 станка), может работать в составе робототехнических комплексов и гибких автоматизированных производств.

В состав робота входят:

манипулятор;

устройство программного управления промышленного робота (УПУ ПР) «Контур 1».

Манипулятор робота М20П. 40. 01

Кинематическая схема манипулятора робота М20П. 40. 01 приведена на рис.4. Приводы звеньев Z, q и R - электрические, звена a и схвата - пневматические. В табл.7 приведены некоторые технические характеристики манипулятора робота М20П. 40. 01/1/.

·   Кинематическая схема манипулятора робота 20П. 40. 01:

1, 2, 3, 4 - степени подвижности; 5 - схват

Таблица 7. Технические параметры манипулятора робота М20П. 40. 01

Параметр

Значение

Грузоподъемность, кг

20

Потребляемая мощность, кВт

2

Максимальная скорость перемещения звеньев

по оси Z, м/с

0,5


по оси q, °/с

60


по оси R, м/с

1,0


по оси a, °/с

60

Минимальная скорость перемещения звеньев

по оси Z, м/с

0,008


по оси q, °/с

1


по оси R, м/с

0,008


по оси a, °/с

60

Масса робота, кг

603