Материал: Составление схемы замещения

Внимание! Если размещение файла нарушает Ваши авторские права, то обязательно сообщите нам

Составление схемы замещения

Министерство науки и образования Республики Казахстан

Екибастузский инженерно-технический институт им. К.И. Сатпаева

Кафедра «Энергетика и металлургия»










Курсовая работа

по дисциплине: «Переходные процессы»

Выполнил:

студент гр. БЭЭ-31

Москова С.С.

Проверил:

Имангазинова Д.К.





Екибастуз, 2016 г.

Задание

1. Составить схему замещения для заданной электрической схемы и рассчитать ее параметры в относительных единицах.

2.      Определить сверхпереходный и ударный токи трехфазного короткого замыкания в точке К(3) заданной схемы. Определить методом типовых кривых периодическую слагающую тока.

.        Определить начальные значения токов всех видов несимметричных коротких замыканий в заданной точке К(n). Построить векторные диаграммы токов и напряжений.

.        Определить предел передаваемой мощности и коэффициент статической устойчивости электропередачи с учетом и без учета АРВ.

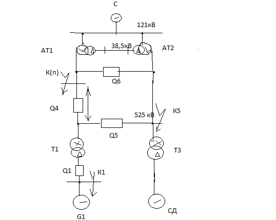
Рисунок 1 - Исходная электрическая схема

Содержание

1.      Составление схемы замещения. Расчет параметров схемы

.        Расчет сверхпереходного и ударного токов трехфазного короткого замыкания

.        Расчет токов всех видов коротких замыканий. Построение векторных диаграмм

.        Расчет предела передаваемой мощности и коэффициента статической устойчивости

Список использованных источников

. Составление схемы замещения. Расчет параметров схемы

Составим схему замещения на основе заданной электрической схемы.












Рисунок 2 - Схема замещения

Определим основные параметры схемы. Рассчитаем реактивное сопротивление системы.

        (1)

Найдем сопротивления автотрансформаторов. Для этого определим напряжения короткого замыкания.

(2)

(3)

(4)

Т.к. параметры автотрансформаторов АТ1 и АТ2 равны, то реактивные сопротивления соответствующих обмоток будут равны между собой.

      (5)

 

      (6)

Рассчитаем реактивные сопротивления линий.

  (7)

Определим реактивное сопротивление двухобмоточного трансформатора.

      (8)

Произведем расчет напряжений короткого замыкания и реактивных сопротивлений автотрансформатора АТ3.

   (9)

   (10)

   (11)

      (12)

 

      (13)

Определим реактивное сопротивление нагрузки.

    (14)

Рассчитаем реактивные сопротивления генераторов.

     (15)

     (16)

Найдем реактивное сопротивление синхронного двигателя.

    (17)

Принимаем сверхпереходные ЭДС системы , нагрузки .

Определим сверхпереходную ЭДС генераторов.

  (18)

 

 

Рассчитаем сверхпереходную ЭДС синхронного двигателя.

 

1      

. Расчет сверхпереходного и ударного токов трехфазного короткого замыкания

Преобразуем исходную электрическую схему относительно точки К1. Для этого объединим параллельное соединение синхронного двигателя и генератора.

(19)

             (20)

Заменим последовательные соединения сопротивлений каждой ветви в одно сопротивление.

 (21)

 (22)











Рисунок 3 - Схема преобразований

Произведем дальнейшее преобразование схемы замещения до точки КЗ.

  (24)

            (25)

 (26)

(27)

            (28)








Рисунок 4 - Эквивалентная схема относительно точки КЗ

Произведем расчет сверхпереходного тока трехфазного короткого замыкания.

        (29)

 (30)

Определим ударный ток трехфазного короткого замыкания. Для этого оценим значения активных сопротивлений схемы.

Активное сопротивление системы.

        (31)

Активные сопротивления соответствующих обмоток автотрансформаторов АТ1 и АТ2.

(32)

 

  (33)

Активные сопротивления линий.

  (34)

Активное сопротивление двухобмоточного трансформатора.

          (35)

Активные сопротивления автотрансформатора АТ3.

         (36)

 

(37)

Активное сопротивление нагрузки.

(38)

Активные сопротивления генераторов.

        (39)

        (40)

Активное сопротивление синхронного двигателя.

         (41)

Преобразуем исходную схему относительно точки К1 с учетом активных сопротивлений.

  (42)

 (43)

 (44)

 (45)

  (46)

 (47)

  (48)

Рассчитаем отношения .

 

 

Определим с помощью графика значения ударных коэффициентов: , . Произведем расчет ударных токов.

 (49)

 (50)

3. Расчет токов всех видов коротких замыканий. Построение векторных диаграмм

Произведем расчет схемы прямой последовательности.















Рисунок 5 - Схема прямой последовательности

Т.к. все реактивные сопротивления и сверхпереходные ЭДС рассчитаны, запишем их значения.

 

 

 

 

 

 

 

 

 

 

 

 

 

 

 

 

 

Рассчитаем реактивные сопротивления линий.

         (51)

      (53)

Преобразуем схему прямой последовательности относительно точки К(n), используя формулы (19-28).

 

 

 

 

 

 

 

 

 

 




Рисунок 6 - Преобразованная схема прямой последовательности

Определим суммарные реактивные сопротивления и ЭДС.

(54)

             (55)

Рассчитаем сверхпереходный ток, используя формулы (29-30).

 

 

Произведем расчет схемы обратной последовательности.

Т.к. все реактивные сопротивления рассчитаны, запишем их значения.

 

 

 

 

 

 

 

 

 

 

 

 

 

 

 

схема замещение короткий замыкание















Рисунок 7 - Схема обратной последовательности

Преобразование схемы обратной последовательности относительно точки К(n) будет идентично преобразованию схемы прямой последовательности.

 

 

 

 

 

 

 




Рисунок 8 - Преобразованная схема обратной последовательности

Суммарное реактивное сопротивление схемы обратной последовательности.

 

Произведем расчет схемы нулевой последовательности.












Рисунок 9 - Схема нулевой последовательности

Т.к. все реактивные сопротивления рассчитаны, запишем их значения.