Материал: sn74hc161

Внимание! Если размещение файла нарушает Ваши авторские права, то обязательно сообщите нам

SN54HC161, SN74HC161 4 BIT SYNCHRONOUS BINARY COUNTERS

 

 

SCLS297D − JANUARY 1996 − REVISED SEPTEMBER 2003

 

 

 

D Wide Operating Voltage Range of 2 V to 6 V

D Low Input Current of 1 A Max

D Outputs Can Drive Up To 10 LSTTL Loads

D Internal Look-Ahead for Fast Counting

D Low Power Consumption, 80- A Max ICC

D Carry Output for n-Bit Cascading

D Typical tpd = 14 ns

D

Synchronous Counting

D ±4-mA Output Drive at 5 V

D

Synchronously Programmable

SN54HC161 . . . J OR W PACKAGE

 

SN54HC161 . . . FK PACKAGE

SN74HC161 . . . D, N, NS, OR PW PACKAGE

 

(TOP VIEW)

 

(TOP VIEW)

 

 

CLK

CLR

NC

V

RCO

 

 

 

 

 

 

 

 

 

CC

 

 

CLR

1

16

VCC

 

 

 

 

 

 

 

CLK

2

15

RCO

A

3

2

1

20 19

QA

A

3

14

QA

4

 

 

 

18

B

4

13

QB

B

5

 

 

 

17

QB

C

5

12

QC

NC

6

 

 

 

16

NC

C

7

 

 

 

15

QC

D

6

11

QD

 

 

 

 

 

 

14

ENP

7

10

ENT

D

8

 

 

 

QD

GND

8

9

LOAD

 

9

10 11 12 13

 

 

ENP

GND

NC

LOAD

ENT

 

 

 

 

 

 

 

 

 

 

 

NC − No internal connection

 

description/ordering information

These synchronous, presettable counters feature an internal carry look-ahead for application in high-speed counting designs. The ’HC161 devices are 4-bit binary counters. Synchronous operation is provided by having all flip-flops clocked simultaneously so that the outputs change coincident with each other when so instructed by the count-enable (ENP, ENT) inputs and internal gating. This mode of operation eliminates the output counting spikes that are normally associated with synchronous (ripple-clock) counters. A buffered clock (CLK) input triggers the four flip-flops on the rising (positive-going) edge of the clock waveform.

ORDERING INFORMATION

T

PACKAGE

ORDERABLE

TOP-SIDE

 

 

A

 

 

PART NUMBER

MARKING

 

 

 

 

PDIP − N

Tube of 25

SN74HC161N

SN74HC161N

 

 

 

 

 

 

 

Tube of 40

SN74HC161D

 

 

 

 

 

 

 

SOIC − D

Reel of 2500

SN74HC161DR

HC161

−40 °C to 85°C

 

Reel of 250

SN74HC161DT

 

 

 

 

 

SOP − NS

Reel of 2000

SN74HC161NSR

HC161

 

 

 

 

 

 

 

 

Tube of 90

SN74HC161PW

 

 

 

 

 

 

 

TSSOP − PW

Reel of 2000

SN74HC161PWR

HC161

 

 

Reel of 250

SN74HC161PWT

 

 

 

 

 

 

 

CDIP − J

Tube of 25

SNJ54HC161J

SNJ54HC161J

−55 °C to 125°C

 

 

 

 

CFP − W

Tube of 150

SNJ54HC161W

SNJ54HC161W

 

 

 

 

 

 

LCCC − FK

Tube of 55

SNJ54HC161FK

SNJ54HC161FK

 

 

 

 

 

Package drawings, standard packing quantities, thermal data, symbolization, and PCB design guidelines are available at www.ti.com/sc/package.

Please be aware that an important notice concerning availability, standard warranty, and use in critical applications of Texas Instruments semiconductor products and disclaimers thereto appears at the end of this data sheet.

PRODUCTION DATA information is current as of publication date. Products conform to specifications per the terms of Texas Instruments standard warranty. Production processing does not necessarily include testing of all parameters.

Copyright 2003, Texas Instruments Incorporated

On products compliant to MIL PRF 38535, all parameters are tested unless otherwise noted. On all other products, production processing does not necessarily include testing of all parameters.

POST OFFICE BOX 655303 DALLAS, TEXAS 75265

1

SN54HC161, SN74HC161

4 BIT SYNCHRONOUS BINARY COUNTERS

SCLS297D − JANUARY 1996 − REVISED SEPTEMBER 2003

description/ordering information (continued)

These counters are fully programmable; that is, they can be preset to any number between 0 and 9 or 15. As presetting is synchronous, setting up a low level at the load input disables the counter and causes the outputs to agree with the setup data after the next clock pulse, regardless of the levels of the enable inputs.

The clear function for the ’HC161 devices is asynchronous. A low level at the clear (CLR) input sets all four of the flip-flop outputs low, regardless of the levels of the CLK, load (LOAD), or enable inputs.

The carry look-ahead circuitry provides for cascading counters for n-bit synchronous applications without additional gating. Instrumental in accomplishing this function are ENP, ENT, and a ripple-carry output (RCO). Both ENP and ENT must be high to count, and ENT is fed forward to enable RCO. Enabling RCO produces a high-level pulse while the count is maximum (9 or 15 with QA high). This high-level overflow ripple-carry pulse can be used to enable successive cascaded stages. Transitions at ENP or ENT are allowed, regardless of the level of CLK.

These counters feature a fully independent clock circuit. Changes at control inputs (ENP, ENT, or LOAD) that modify the operating mode have no effect on the contents of the counter until clocking occurs. The function of the counter (whether enabled, disabled, loading, or counting) is dictated solely by the conditions meeting the stable setup and hold times.

2

POST OFFICE BOX 655303 DALLAS, TEXAS 75265

 

 

 

 

SN54HC161, SN74HC161

 

 

 

4 BIT SYNCHRONOUS BINARY COUNTERS

 

 

 

SCLS297D − JANUARY 1996 − REVISED SEPTEMBER 2003

logic diagram (positive logic)

 

 

 

LOAD

9

 

 

 

 

 

 

 

ENT

10

 

 

15

 

 

 

 

 

LD

 

RCO

 

7

 

 

ENP

 

 

 

 

 

 

 

 

 

CK

 

 

CLK

2

 

 

 

 

 

 

 

 

1

CK

LD

 

CLR

 

 

 

 

R

 

 

 

 

 

 

 

 

 

M1

 

 

 

 

G2

 

 

 

 

1, 2T/1C3

14

 

3

 

G4

QA

A

 

3D

 

 

 

 

 

 

 

4R

 

 

 

 

M1

 

 

 

 

G2

 

 

 

 

1, 2T/1C3

13

 

4

 

G4

QB

B

 

3D

 

 

 

 

 

 

 

4R

 

 

 

 

M1

 

 

 

 

G2

 

 

 

 

1, 2T/1C3

12

 

5

 

G4

QC

C

 

3D

 

 

 

 

 

 

 

4R

 

 

 

 

M1

 

 

 

 

G2

 

 

 

 

1, 2T/1C3

11

 

6

 

G4

QD

D

 

3D

 

 

 

 

 

 

 

4R

 

For simplicity, routing of complementary signals LD and CK is not shown on this overall logic diagram. The uses of these signals are shown on the logic diagram of the D/T flip-flops.

Pin numbers shown are for the D, J, N, NS, PW, and W packages.

POST OFFICE BOX 655303 DALLAS, TEXAS 75265

3

SN54HC161, SN74HC161

4 BIT SYNCHRONOUS BINARY COUNTERS

SCLS297D − JANUARY 1996 − REVISED SEPTEMBER 2003

logic symbol, each D/T flip-flop

LD (Load)

 

 

M1

 

 

 

 

TE (Toggle Enable)

 

 

G2

 

 

 

 

CK (Clock)

 

 

 

 

 

 

 

 

 

1, 2T/1C3

Q (Output)

 

 

 

 

 

G4

 

 

 

 

 

 

 

 

D (Inverted Data) 3D

R (Inverted Reset) 4R

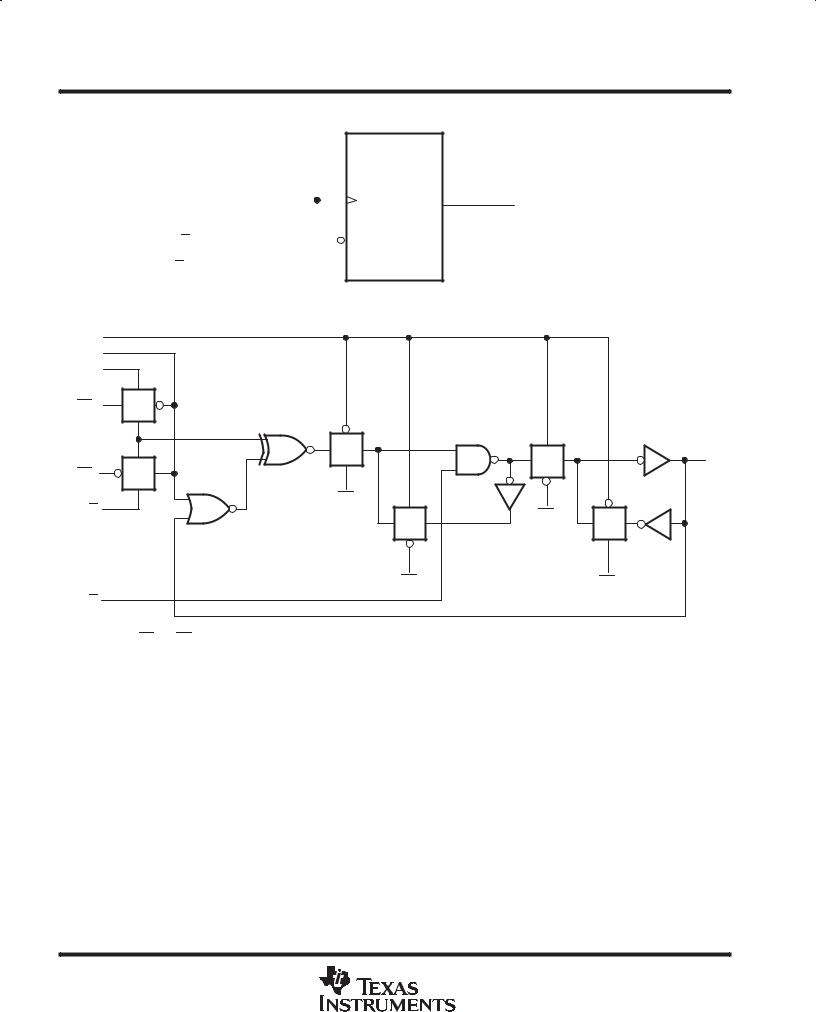
logic diagram, each D/T flip-flop (positive logic)

CK

 

LD

 

TE

 

LD

TG

LD

TG

D

 

R

TG

CK

TG

CK

TG

Q

CK

TG

 

 

CK

The origins of LD and CK are shown in the logic diagram of the overall device.

4

POST OFFICE BOX 655303 DALLAS, TEXAS 75265

SN54HC161, SN74HC161 4 BIT SYNCHRONOUS BINARY COUNTERS

SCLS297D − JANUARY 1996 − REVISED SEPTEMBER 2003

typical clear, preset, count, and inhibit sequence

The following sequence is illustrated below:

1.Clear outputs to zero (asynchronous)

2.Preset to binary 12

3.Count to 13, 14, 15, 0, 1, and 2

4.Inhibit

CLR

LOAD

A

B

Data

Inputs

C

D

CLK

ENP

ENT

QA

Data QB

Outputs

QC

QD

RCO

12

13

14

15

0

1

2

 

 

 

Count

 

Inhibit

Sync Preset

 

 

 

 

 

 

Clear

 

 

 

 

 

 

Async

 

 

 

 

 

 

Clear

 

 

 

 

 

 

POST OFFICE BOX 655303 DALLAS, TEXAS 75265

5