Материал: Системы многоканальной связи

Внимание! Если размещение файла нарушает Ваши авторские права, то обязательно сообщите нам

Содержание

1 Системы многоканальной связи 2

1.1 Организация многоканальной связи 2

1.1.1 Общие положения 2

1.1.2 Системы с частотным разделением каналов 4

1.1.3 Системы с временным разделением каналов 6

1.2 Методы модуляции и кодирования сигналов 7

1.2.1 Аналоговые методы модуляции 7

1.2.2 Цифровые методы модуляции 7

1.2.2.1 ИКМ 8

1.2.2.2 ИКМ с предсказанием (разностная ИКМ) 8

1.2.2.3 Дифференциальная ИКМ 8

1.2.2.4 Дельта-модуляция 9

1.2.2.5 Дельта-модуляция с компандированием 9

1.3 Цифровые методы передачи сигналов 9

1.3.1 Преимущества цифровых методов передачи 9

1.3.2 Структура линейного тракта цифровой системы передачи 9

1.3.3 Методы линейного кодирования 13

1.3.4 Параметры стандартных систем ИКМ 16

1.3.4.1 Система ИКМ-30 16

1.3.4.2 Система ИКМ-24 18

1.3.4.3 Система ИКМ-15 19

  1. Системы многоканальной связи

    1. Организация многоканальной связи

      1. Общие положения

Линии передачи являются наиболее дорогостоящей и громоздкой частью систем электросвязи. В силу технических и экономических причин возникает необходимость передавать по одной цепи одновременно и независимо большое число сообщений, т.е. создавать в одной цепи большое число независимых каналов.

Системой многоканальной связи называется совокупность технических средств обеспечивающих подобную передачу. К передатчику многоканальной системы связи подводятся первичные сигналы от источников сообщений. Эти сигналы подвергаются специальной обработке и объединяются в общий групповой сигнал, направляемый в цепь связи. В приемной части системы из группового сигнала выделяются индивидуальные сигналы отдельных каналов, соответствующие передаваемым сообщениям.

При построении многоканальных систем связи одной из основных является задача разделения сигналов. Методы разделения сигналов можно разбить на две группы.

К первой группе относятся методы не требующие преобразования формы первичных сигналов. Разделение основывается на использовании т.н. развязывающих 2N-полюсников. При подключении источника энергии к одной из пар полюсов, токи возникающие в ветвях схемы, создают отличающуюся от нуля разность потенциалов только в одной противоположной паре полюсов. В это время во всех остальных парах полюсов она остается равной нулю. Примером такого развязывающего 2N-полюсника может служить уравновешенный мост. С помощью развязывающих 2N-полюсников можно построить аппаратуру лишь с небольшим числом каналов, поэтому методы первой группы играют вспомогательную роль.

Методы второй группы требуют преобразования первичных сигналов. В передающей части системы сигналы отдельных каналов наделяются некоторыми заранее обусловленными признаками. Они должны быть такими, чтобы в приемной части системы сигналы могли быть различены и разделены.

Групповой сигнал получается объединением канальных сигналов. Системы, где групповой сигнал получается суммированием канальных сигналов, называются аддитивным. Системы, где применяются другие методы, называются комбинационными. В современных многоканальных системах связи используют в большинстве случаев аддитивные системы.

Системы многоканальной передачи состоят из трех основных частей:

  • каналообразующего оборудования (КО);

  • оборудования линейного тракта (ОЛТ);

  • о борудования сопряжения (ОС).

Рис. 1‑1 Структура многоканальной системы передачи

КО является унифицированным. Оно предназначено для создания каналов с характеристиками, соответствующими определенным нормам.

ОЛТ – часть системы, в которой сигналы всех каналов объединены в групповой сигнал. Этот сигнал имеет согласованные с линией характеристики. ОЛТ включает в себя устройства, устанавливаемые на оконечных станциях, линию передачи и оборудование промежуточных станций.

      1. Системы с временным разделением каналов

Принцип временного уплотнения базируется на теореме Котельникова-Шеннона. Согласно этой теореме любой непрерывный электрический сигнал можно передать по линии связи мгновенными значениями этого сигнала (отсчетами), если частота их следования не менее чем в два раза будет превышать величину полосы передаваемых частот. Таким образом, появляется возможность в промежутках между посылками отсчетов одного канала передавать отсчеты других каналов.

Поскольку полоса пропускания телефонного канала составляет 0,3 – 3,4 кГц, в качестве стандартной частоты дискретизации выбрано значение f = 8 кГц. Соответственно, период следования импульсов Т = 1/f = 125 мкс.

При использовании временного уплотнения обеспечивается разделение ресурсов с помощью коммутатора (на передающей стороне), который последовательно подключает каждый входной канал на определенный временной интервал («интервал коммутации», «тайм-слот»), необходимый для посылки выборки (или какой-то фиксированной части) сигнала в данном канале. Сформированный таким образом поток выборок от разных входных каналов направляется в линию связи. На приемной стороне демультиплексор с помощью аналогичного коммутатора и фильтров нижних частот выделяет отдельные выборки и распределяет их по соответствующим каналам. Передача и прием должны быть строго синхронизированы, в противном случае точное разделение каналов будет невозможным.

Р ис. 1‑4 Временное разделение каналов

    1. Методы модуляции и кодирования сигналов

      1. Аналоговые методы модуляции

К аналоговым способам импульсной модуляции относятся:

  • амплитудно-импульсная модуляция (АИМ);

  • широтно-импульсная модуляция (ШИМ);

  • фазо-импульсная модуляция (ФИМ);

  • частотно-импульсная модуляция (ЧИМ);

  • периодно-импульсная модуляция (ПИМ).

При АИМ изменяется амплитуда сигналов, частота следования импульсов не меняется недостаток – при АИМ, как и при передаче непрерывных аналоговых сигналов происходит накопление помех. При ШИМ, ФИМ, ПИМ, ЧИМ амплитуда импульсов в процессе модуляции остается постоянной, а изменяется один из временных параметров импульсной последовательности. При ШИМ изменяется длительность импульсов, причем ШИМ бывает односторонней и двусторонней. При ФИМ форма импульса не меняется, изменяется положение импульса в пределах тактового интервала пропорционально значению моделирующего сигнала. При ЧИМ изменяется частота следования импульсов, при ПИМ – период.

      1. Цифровые методы модуляции

К цифровым способам импульсной модуляции относятся:

  • импульсно-кодовая модуляция (ИКМ);

  • разностная ИКМ (ИКМ с предсказанием);

  • дифференциальная ИКМ (ДИКМ);

  • дельта-модуляция (ДМ, ΔМ);

  • адаптивная ДМ (ДМ с компандированием).

        1. ИКМ

Импульсно-кодовая модуляция включает в себя 3 операции:

  1. дискретизация

  2. квантование

  3. кодирование

Дискретизация устанавливает соответствие аналогового сигнала последовательности отсчетов, снимаемых с данного сигнала в короткие промежутки времени. В результате дискретизации получаем последовательность импульсов, модулированных по амплитуде.

Квантование является операцией, которая заключается в замене амплитуды каждого отсчета наиболее близким из набора дискретных значений, т.е. эталонными амплитудами или ступенями квантования. При этом вносится ошибка сигнала, которая называется ошибкой квантования или шумом квантования. Эта ошибка тем больше, чем меньше ступеней квантования.

ОС является специфическим для каждой многоканальной системы. Оно обеспечивает согласованное взаимное соединение КО с линейным трактом.

В состав многоканальной аппаратуры входит так же унифицированное генераторное оборудование (ГО).

В настоящее время наибольшее распространение получили системы с частотным разделением каналов (частотным мультиплексированием) ЧРК (Frequency division multiplexing FDM) и с временным разделением каналов (временным мультиплексированием) ВРК (Time division multiplexing - TDM).

В линейных трактах систем с ЧРК для передачи канальных сигналов используются неперекрывающиеся полосы частот. Разделение таких канальных сигналов производится с помощью частотных полосовых фильтров.

В системах с ВРК цепь связи на короткие промежутки времени периодически подключается к источнику и приемнику сигналов каждого канала. Сигналы одного канала передаются, когда цепь свободна от передачи сигналов других каналов. Системы с ВРК являются импульсными, т.к. первичные сигналы подвергаются квантованию по времени.

      1. Системы с частотным разделением каналов

П ри частотном уплотнении полоса частот выходного канала делится на некоторое число полос (подканалов) n, соответствующих по ширине основной полосе стандартного телефонного канала 4 кГц.

Рис. 1‑2 Частотное разделение каналов

В показанной на рис. 1-2 канальной группе каждый канал имеет фактическую полосу пропускания 3,1 кГц и формируется полосовыми фильтрами с частотами среза, сдвинутыми на 4 кГц относительно друг друга. Например, фильтр первого канала имеет частоты среза 60,3 и 63,4 кГц, второго – 64,3 и 67,4 кГц. При больших уровнях сигнала в каналах защитной полосы 900 Гц между каналами недостаточно для устранения перекрестной наводки от соседних каналов

Для формирования канальных групп используется процедура ОБП-ПН – модулирования несущей и поднесущих по амплитуде с подавлением одной боковой полосы (левой или правой) и подавлением несущей. Схема формирования канальных групп может быть разной. Стандарт CCITT рекомендует следующую систему группирования:

  • первичная группа (основная канальная группа) – 12 стандартных телефонных каналов;

  • вторичная группа (основная супергруппа) – 5 первичных групп (т.е. 60 каналов);

  • третичная группа (мастергруппа) – 5 вторичных групп (т.е. 300 каналов), 10 вторичных групп (т.е. 600 каналов) или 16 вторичных групп (т.е. 960 каналов).

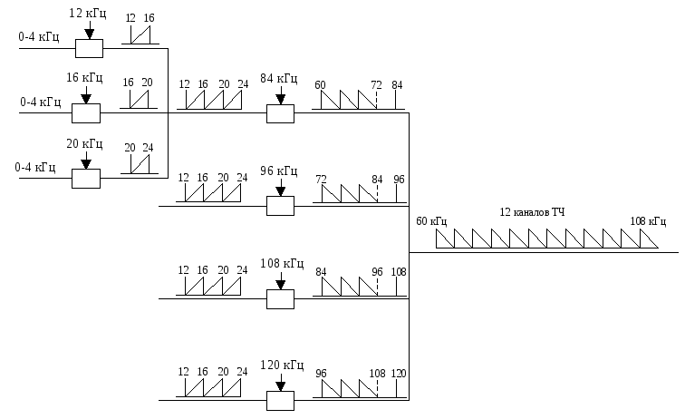
Различное число вторичных и третичных групп может быть использовано в процессе группирования, образуя четвертичные группы (мультимастергруппы). Формирование первичной группы показано на рис. 1-3, где используется двухступенчатая схема: на первой формируется группа из трех (правых) каналов ОБП – путем модуляции поднесущих 12, 16 и 20 кГц, на второй – канальная группа из 12 (левых) каналов ОБП – путем модуляции поднесущих 84, 96, 108 и 120 кГц. В результате формируется канальная группа с шириной полосы 48 кГц (60-108 кГц), которая используется для модуляции 5 несущих (420, 468, 512, 564, 612 кГц) при формировании вторичной группы с шириной полосы 210 кГц (312 – 522 кГц) и т.д.

С ледует отметить, что частотное уплотнение имеет ряд недостатков, присущих аналоговым методам, такие как сложность реализации и трудность настройки.

Рис. 1‑3 Схема формирования первичной группы

Кроме систем передачи частотное уплотнение применяется в системах беспроводной радиосвязи, в мобильных телефонных системах, в абонентских телевизионных системах, включая кабельное телевидение и телефонию. Каналы, представленные в мультиплексном сигнале, могут быть как аналоговыми, так и цифровыми.

В сетях широковещательного телевидения сначала исходные низкочастотные телевизионные сигналы от передающих устройств смещаются посредством модуляции в определенные, отведенные специально для них области спектра - каждой области отводится полоса 6,5 МГц. Затем такой мультиплексный широкополосный сигнал (до 860 МГц) распространяется по эфиру или в коаксиальной кабельной системе от локальных студий кабельного телевидения к абонентам.

Разновидностью ЧРК является волновое мультиплексирование (Wavelength Division Multiplexing – WDM), применяемое в волоконно-оптических системах передач. Преимущественно используется область спектра от 1,3 нм (230 ТГц) до 1,6 нм (188 ТГц). Для плотного волнового мультиплексирования (Dense Wavelength Division Multiplexing – DWDM) при котором расстояние между соседними длинами волн не более 2 нм используется область спектра 1530-1560 нм.

Кодирование является операцией, которая заключается в замене эталонной амплитуды каждого отсчета ее величиной, выраженной в двоичном исчислении.