Материал: Система управління імпульсного перетворювача постійної напруги

Внимание! Если размещение файла нарушает Ваши авторские права, то обязательно сообщите нам

Система управління імпульсного перетворювача постійної напруги

Вступ

Принцип дії і характеристики імпульсного підвищувального перетворювача постійної напруги

Принцип дії імпульсних перетворювачів постійної напруги (ІППН) полягає в періодичному підключенні та відключенні (комутації) кола навантаження до первинного джерела електроенергії з напругою . Здійснюється це за допомогою електронних силових ключів - транзисторів, діодів, тиристорів. Середні напруга  та струм  навантаження залежать від проміжків часу підключення джерела напруги  до накопичувального елемента схеми ІППН.

Період перетворення .

;

 - час розімкненого стану ключа;

-час замкненого стану ключа (енергія від джереланадходить до схеми)

- відносна тривалість імпульсу.

При зміні  можна досягти стабілізації або відрегулювати вихідну напругу ІППН. Даний спосіб регулювання напруги при постійній частоті проходження імпульсів називається широтно-імпульсною модуляцією (ШІМ).

ІППН в порівнянні зі стабілізаторами безупинної дії має такі переваги:

·        Більший коефіцієнт корисної дії (ККД).

·        Менші маса та габарити.

ІППН в порівнянні зі стабілізаторами безупинної дії має такі недоліки:

·        Наявність пульсацій та додаткових перешкод, що зумовлено імпульсним регулюванням.

·        Гірші динамічні характеристики.

·        Відносна складність.

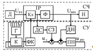
Структурна схема ІППН показана на рис. 1.1.

Рис.1.1

Складові частини структурної схеми ІППН:

ІР - імпульсний регулятор, через який енергія передається від джерела Д до навантаження Н; Д - джерело; Н - навантаження; ДН - дільник напруги; ДС - датчик струму; СЗ - струмовий захист; ПН - підсилювач неузгодженості; ШІМ - широтно-імпульсний модулятор; ФК - формуючий каскад. ІР містить: Кл - силові ключі; Ф - фільтруючі реактивні елементи. ШІМ містить: Г - генератор трикутної напруги; К - компаратор.

Силову частину СЧ ІППН утворюють електричні кола, що містять елементи ІР і з'єднують джерело Д з навантаженням Н. Схема управління СУ формує сигнал управління силовими ключами таким чином, щоб стабілізувати вихідну напругу Для цього відстежується фактичне значення  та порівнюється з задавальним сигналом . Окрім цього СУ виконує функцію струмового захисту.

Сигнал на виході ДН, що пропорційний напрузі на навантаженні, порівнюється із сигналом . Різниця між  і  після підсилення в ПН попадає на ШІМ, на виході якого утворюються прямокутні імпульси з шириною,пропорційною напрузі регулювання . Модульовані за шириною імпульси надходять на ФК, який відповідно до них створює необхідний сигнал управління силовими ключами.

Силові ключі Кл періодично підключають з частотою перетворення джерело Д до елементів Ф, відбираючи енергію від нього визначеними “порціями”. Завдяки згладжувальній дії Ф до навантаження Н енергія надходить рівномірно.

Якщо струм силового ключа перевищує певне значення, ТЗ зменшує напругу .

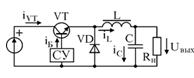
Типова силова схема знижувального ІППН, в якому використовується один керований ключ - транзистор, показані на рис. 1.2.

Рис.1.2.

Основні принципи роботи знижувального ІППН.

У знижувальному ІППН вихідна напруга завжди менша за вхідну. Коли транзистор VT відкрито черговим імпульсом струму бази  тривалістю (рис. 1.3), енергія від джереланадходить до навантаження  і накопичується в дроселі L та конденсаторі С фільтра. Спад напруги на транзисторіпри цьому невеликий, порядку І В, та відповідає напрузі насичення транзистора. До діода VD прикладено зворотну напругу, близьку за величиною до вхідної. Струм дроселя наростає за експоненціальним законом від мінімального  до максимального значень.

Таким же чином змінюється і струм транзистора . По закінченні імпульсу , що відкриває, транзистор VT закривається, відключаючи дросель від джерела вхідної напруги. Струм через нього спадає. Як тільки струм дроселя починає зменшуватися, напругою його самоіндукції відкривається діод VD. В цей час дросель підключений паралельно навантаженню і фільтрувальній ємності. Контур струму замикається через діод. Струм дроселя зменшується за експоненціальним законом від максимального до мінімального значення. Протягом даного проміжку часу  струм діода є струмом дроселя. Далі, після закінчення паузи , транзистор знову відкривається і процеси повторюються. Струм дроселя при цьому має сталу та змінну () складові. Практично уся змінна складова цього струму проходить через конденсатор С (струм на рис. 1.З). Стала складова замикається через навантаження. Дросель у даній схемі весь період фільтрує вихідну напругу. Тому знижувальна схема забезпечує принципово менші пульсації вихідної напруги в порівнянні з підвищувальною та інвертувальною.

Рис. 1.3.

Статичні характеристики ІППН для безперервних струмів дроселя задаються у вигляді:

 ,

- відносна тривалість імпульсу;

 - відносна величина опору втрат;

,

,

 - динамічний опір відкритих напівпровідникових ключів;

- активний опір у колі дроселя.

Для знижувального ІППН має місце така формула:

;

На рис. 1.4 приведено регулювальні характеристики знижувального ІППН () для  (безперервна лінія) і  (пунктирна лінія).

Рис. 1.4.

Регулювальна характеристика знижувального IППН лінійна і слабко залежить від втрат  у колі.

Характеристики  лінійні. При заданих  вони визначаються коефіцієнтом передачі ІППН . Зовнішні характеристики можна одержати, якщо покласти  та  і змінювати опір навантаження .

Система управління імпульсним перетворювачем постійної напруги

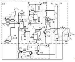
Принципова схема СУ ІППН з підключенням основних елементів силової частини показана на рис. 1.5.

Мал.1.5

Пунктирними лініями виділено блоки, що відповідають структурній схемі на мал.1.1. Різниця між понижувальним, підвищувальним та інвертувальним ІППН полягає в схемі ФК. На мал.1.5. показана схема, що відповідає знижувальному ІППН.

Транзисторна пара ,  є керованим ключем ІР (транзистор  у схемі на мал.1.2). Керуючий струм  для нього формується двокаскадним імпульсним підсилювачем, який виконано на транзисторі , який входить до схеми ФК.

Його колекторний струм  близький до нуля, тому транзистори ,  теж знаходяться в закритому стані. При появі на вході ФК напруги  високого рівня, відкривається транзистор  струмом, який протікає крізь його базу від позитивного полюса живлення СУ з напругою  крізь резистор . Резистори  і  потрібні для утворення позитивних імпульсів на виходах компараторів  і . Це пов'язано з тим, що ці компаратори типу 521СА3 (LM111) або 554СА3 (LM311) мають так звані виходи з відкритим колектором. Діод  потрібен для збільшення приблизно на 0,6 В потенціалу відкривання транзистора  у схемі понижуючого ІППН. Завдяки цьому транзистор надійно запирається компаратором . В колі колектор-емітер , діод , резистор  протікає струм бази . Тому транзистор  також відкритий. Струм колектора  надходить до бази транзистора  і відкриває його.

Звідси робимо висновок, що стосовно стану силового ключа ,  ФК є неінвертуючою ланкою. Коли напруга  низького рівня - це відповідає

закритому стану ключа, високого рівня - відкритому. Треба сказати, що транзистори  і  повинні мати на порядок вищу швидкодію ніж транзистор . Це буде дотримуватися за умовою вибору транзисторів з параметрами МГц, МГц.

Модульовані за шириною імпульси  (мал. 1.6.) створюються за допомогою компаратора, який порівнює трикутну напругу , що надходить на негативний вхід з напругою регулювання  з виходу ПН, що прикладена до позитивного входу. Коли напруга  більше за напругу , на виході компаратора має бути низький рівень .

Мал.1.6

При < , компаратор переключається на високий рівень . Напруга  міняється порівняно повільно. Напруга , що прикладена до входу компаратора, викликає на його виході періодичну послідовність прямокутних імпульсів , ширина котрих залежить від рівня . Задавальний генератор Г побудовано на компараторі . Частота коливань генеруємої їм напруги  задає частоту перетворення. До виходу компаратора з відкритим колектором підключено в якості навантаження резистор . Резистори , ,  утворюють коло позитивного зворотного зв'язку, завдяки якому компаратор працює як тригер Шмітта. Елементи інерційного негативного зворотного зв'язку  і  задають частоту коливань. Припустимо, що конденсатор  розряджено і на виході компаратора високий рівень напруги, близький до напруги . Дільник, який складається з резисторів  та , задає рівень постійної складової напруги на неінвертуючому вході компаратора. При  він дорівнює . При високій напрузі на виході на неінвертуючому вході напруга  трохи більше за . Конденсатор  повільно заряджається струмом через резистори  та . Як тільки напруга на конденсаторі  перевищить напругу на неінвертуючому вході , компаратор різко переключається на низький рівень. Конденсатор почне повільно розряджатися через резистор . На неінвертуючому вході при переключенні компаратора напруга знизиться до рівня , трохи меншого за . При досягненні напругою на конденсаторі рівня , компаратор знову переключиться на високий рівень і далі процеси будуть періодично повторюватися. На виході компаратора при цьому буде напруга прямокутної форми, а на конденсаторі буде напруга, що близька до трикутної - . Її розмах дорівнює різниці порогів переключення тригера Шмітта , а середній рівень - половині напруги живлення. Величина резистора  обирається такою, щоб ширина петлі гістерезису тригера була приблизно , тобто ; , що і визначає розмах . Більше його значення приведе до додаткової нелінійності контуру регулювання через значну відмінність експонентної напруги від лінійно-трикутної форми. Менший розмах  обумовить великі відхилення інтегруючого підсилювача за межі області регулювання при перехідних процесах і меншу точність роботи компаратора ШІМ .