Материал: Синтез систем автоматического управления

Внимание! Если размещение файла нарушает Ваши авторские права, то обязательно сообщите нам

Синтез систем автоматического управления

Реферат

ПЕРЕХОДНЫЙ ПРОЦЕСС, МОДЕЛИРОВАНИЕ СИСТЕМЫ, ДИСКРЕТНАЯ СИСТЕМА, НЕПРЕРЫВНАЯ СИСТЕМА, НЕПРЕРЫВНЫЙ РЕГУЛЯТОР, НЕПРЕРЫВНЫЙ КОМПЕНСАТОР, ОБЪЕКТ УПРАВЛЕНИЯ, СТЕПЕНЬ ЗАТУХАНИЯ, ВРЕМЯ РЕГУЛИРОВАНИЯ, ДИСКРЕТНЫЙ РЕГУЛЯТОР, ДИСКРЕТНЫЙ КОМПЕНСАТОР.

Целью выполнения курсового проекта является синтез систем автоматического управления.

Произведен расчет параметров регулятора и компенсатора для непрерывных системы и для дискретной системы, а также произведено моделирование переходных процессов, моделирование дискретной и непрерывной систем и расчет наблюдателя переменных состояния.

При выполнении расчетов соблюдались следующие требования к качеству регулирования:

Содержание

Введение

Расчет параметров регулятора непрерывных систем

.1 Теоретические сведения

.2 Расчет параметров регулятора

Расчет компенсатора для непрерывных систем

.1 Теоретическая часть

.2 Расчет компенсатора

Расчет параметров регулятора дискретных систем

.1 Теоретические сведения

.2 Расчет параметров регулятора

Расчет компенсатора для дискретных систем

Расчет наблюдателя переменных состояния

.1 Теоретические сведения

.2 Расчет наблюдателя

Моделирование систем управления

6.1 Моделирование непрерывной системы

.2 Моделирование дискретной системы

.3 Моделирование наблюдателя переменных состояния

Заключение

Список использованных источников

Введение

Под синтезом системы автоматического управления понимается направленный расчет, имеющий конечной целью отыскание рациональной структуры системы и установление оптимальных величин параметров ее отдельных звеньев. По отношению к основе синтеза в настоящее время имеются разные точки зрения.

Синтез можно трактовать как пример вариационной задачи и рассматривать такое построение системы, при котором для данных условий работы (управляющие и возмущающие воздействия, помехи, ограничения по времени работы и т. п.) обеспечивается теоретический минимум ошибки.

Синтез также можно трактовать как инженерную задачу сводящуюся к такому построению системы, при котором обеспечивается выполнение технических требований к ней. Подразумевается, что из многих возможных решений инженер, проектирующий систему, будет выбирать те, которые являются оптимальными с точки зрения существующих конкретных условий и требований к габаритам, весу, простоте, надежности и т. п.

Иногда в понятие инженерного синтеза вкладывается еще более узкий смысл и рассматривается синтез, имеющий целью определение вида и параметров корректирующих средств, которые необходимо добавить к некоторой неизменяемой части системы (объект с управляющим устройством), чтобы обеспечить требуемые динамические качества.

При инженерном синтезе системы автоматического управления необходимо обеспечить, во-первых, требуемую точность и, во-вторых, приемлемый характер переходных процессов.

Решение первой задачи в большинстве случаев сводится к определению требуемого общего коэффициента передачи разомкнутой системы и, в случае необходимости, - вида корректирующих средств, повышающих точность системы (комбинированное управление и т. н.). Эта задача может решаться при помощи определения ошибок в типовых режимах па основе тех критериев точности, которые были изложены в главе 8. Решение этой задачи, как правило, не сопряжено с трудностями принципиального или вычислительного характера, так как критерии точности достаточно просты для их практического использования. В сложных случаях можно прибегать к помощи моделирования. Решение оказывается сравнительно простым вследствие необходимости установления значений относительно небольшого числа параметров. В простейшем случае необходимо найти только коэффициент передачи разомкнутой системы.

Решение второй задачи - обеспечение приемлемых переходных процессов - оказывается почти всегда более трудным вследствие большого числа варьируемых параметров и многозначности решения задачи демпфирования системы. Поэтому существующие инженерные методы часто ограничиваются решением только второй задачи, так каких авторы считают, что обеспечение требуемой точности может быть достаточно просто сделано на основании использования существующих критериев точности и совершенствования их практически не требуется.

В настоящее время для целей синтеза систем автоматического управления широко используются вычислительные машины, позволяющие производить полное или частичное моделирование проектируемой системы. При таком моделировании становится возможным наиболее полно исследовать влияние различных факторов нелинейности, зависимость параметров от времени и т. н.

Однако моделирование на вычислительных машинах не может заменить расчетных методов проектирования, которые во многих случаях позволяют исследовать вопрос в общем виде и среди многих решений найти оптимальное. Поэтому, несмотря на развитие и распространение машинных методов синтеза, теория должна располагать собственными методами, которые дополняли бы моделирование и являлись бы теоретической базой при отыскании оптимального решения.

1 Расчет параметров регулятора непрерывных систем

.1 Теоретические сведения


Для одноконтурной системы наиболее часто регулятор включается последовательно с объектом управления (рис. 1.1).

Рис. 1.1. Структура простейшей одноконтурной системы регулирования

Для многих одноконтурных систем можно выбрать регулятор на основе типовой структуры, отвечающий одному из следующих законов:

·    пропорциональный закон:

u(t) = kпε(t);

·    интегральный закон:

;

·    дифференциальный закон:

;

·   
пропорционально-интегральный закон:

u(t) = kпε(t) + ;

·    пропорционально-дифференциальный закон:

u(t) = kпε(t) + ;

·    пропорционально-интегрально-дифференциальный закон:

u(t) = kпε(t) + + ;

Пропорциональный регулятор обеспечивает высокое быстродействие, но для многих объектов сохраняется установившаяся ошибка.

Интегральный регулятор позволяет исключить установившуюся ошибку, однако ухудшает устойчивость системы. Дифференциальный регулятор позволяет обеспечить ускорение динамических процессов в системе.

Синтез ПД-регулятора

При оценке качества систем управления на основе косвенных методов была получена зависимость степени затухания от ближайшего к мнимой оси корня, связанного с параметром m:

Желаемая степень затухания лежит в диапазоне [0.75-0.9].

Для замкнутой системы найдены полюса:

;

Введём замену-этому соответствует смещение мнимой оси до совпадения с полюсом, местоположение которых характеризует параметр m. При m=0 имеем границу области устойчивости. Чаще всего выбирают значение m от 0.22() до 0.366()

Синтез ПД-регулятора:

.2 Расчет параметров регулятора


Расчет регулятора будет произведен в пакете Matlab, а моделирование в приложении Simulink.

Программа для подбора коэффициентов в скрипт-файле Matlab будет иметь вид:

clc,clear=0:0.001:0.02;%задаемся частотой=0.75;=-(log(-psi+1))/(2*pi);%определяем параметр m=(j*w-m*w);%переход в область расширенных частот=(0.76*exp(-11*s))./(1000*s.^3+110*s.^2+s)%передаточная функция объекта=real(1./wo);%действительная часть объекта=imag(1./wo);%мнимая часть объекта=length(wo)%длина

%определяем коэф.регулятора

for i=1:n(i)=1/w(i)*-Im(i);(i)=-Re(i)-(c1(i)*m*w(i));

end

%получаем кривую коэф.регулирования(c0,c1),grid

[c0,c1]=ginput(1)% определяем С0 и С1=tf([c1 c0],[1])% %передаточная функция регулятора

На рисунке 1.2 построена кривая для нахождения оптимальных значений коэффициентов ПД-регулятора

Рисунок 1.2 - Кривая коэффициентов регулятора

Найденные коэффициенты ПД-регулятора:

c0 = 0.030760368663594

c1 = 0.206871345029240

Передаточная функция ПД-регулятора имеет вид:

Transfer function:

.2069 s + 0.03076

2 Расчет компенсатора для непрерывных систем

.1 Теоретическая часть


Инвариантные системы управления относятся к специальному классу автоматических систем, получившему достаточно широкое применение в различных отраслях промышленности и оборонной технике.

В настоящее время высококачественные системы автоматического управления, как правило, создаются на основе принципа инвариантности (независимости) к любым внешним воздействиям.

Комбинированное регулирование - основной и наиболее широко используемый способ обеспечения инвариантности регулированной величины от возмущения. В системе комбинированного регулирования компенсирующая часть создает сигнал u, который вызывает такое воздействие исполнительного элемента, которое компенсирует (с определенной погрешностью) влияния возмущения на объект, т.е. на выходную величину. Компенсирующая часть включает чувствительный элемент для измерения возмущения и элемент, который создает необходимый компенсирующий сигнал.

Возмущение - это воздействия среды на объект, вызывающие отклонения управляемой переменной от заданных значений или программ изменения. Если о возмущении на объект имеется полная информация, то она может быть учтена при расчете оптимального управления, обеспечивающего желаемые характеристики объекта.

В некоторых случаях доступна текущая информация о причине отклонений. Используя эту информацию, можно компенсировать отклонения управляемой переменной, оказывая на объект дополнительное воздействие.

В простейшем случае компенсирующее воздействие суммируется с управляющим. В результате получаем систему, также реализующую принцип разомкнутого управления. Алгоритм обработки текущей информации о возмущении в компенсаторе с целью вычисления компенсирующего воздействия строится на базе информации о характеристиках объекта по каналам управления и возмущения.

Наличие текущей информации о возмущении, т.е. о причине отклонений, да-ло возможность формирования в системе второго (искусственного) пути из точки приложения возмущения к выходу объекта. Наличие такого пути является необходимым условием реализации абсолютной инвариантности управляемой переменной к непосредственно измеряемому возмущению.

Компенсатор - устройство или заполнитель для возмещения или уравновешивания влияния различных внешних факторов на состояние и работу сооружений, систем, машин, приборов.

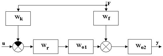
Систему с компенсатором можно представить в виде:

Рисунок 2.1 - Система с компенсатором

Рассчитать компенсатор можно следующим образом:

Для работоспособности системы управления с компенсацией возмущения необходимо, чтобы заданный режим объекта был устойчив, а другие (нескомпенсированные) возмущения были слабыми.

Синтез комбинированных систем можно реализовать следующим образом:

)     сначала следует выполнить синтез замкнутого контура регулирования;

2)      затем выделить чувствительный элемент для измерения возбуждения;

)        после этого определить параметры передаточной функции компенсатора.

.2 Расчет компенсатора


Код программы следующий:

clc,clear

% коэффициенты ПД-регулятора:= 0.030760368663594= 0.206871345029240=tf([0.6],[7 1])% передаточная функция возмущения=tf([c1 c0],[1])% передаточная функция регулятора=tf([0.8],[10 1])% передаточная функция первого объекта=wF/(wR*Wo1)% передаточная функция компенсатора

[a b]=tfdata(wk,'v')

Передаточная функция компенсатора в командном окне Matlab имеет вид:

Transfer function:

s + 0.6

-----------------------------

.158 s^2 + 0.3378 s + 0.02461

3 Расчет дискретного регулятора

.1 Теоретические сведения


Межтактовые колебания, которые появляются в системе, включающей в себя регуляторы, можно устранить, задавая конечное время установления управляющей и регулируемой переменных. Джури назвал такой характер протекания процессов апериодическим. При ступенчатом изменении задающей переменной входной и выходной сигналы объекта должны принимать новое установившееся значение после определенного конечного интервала времени.

Апериодический регулятор - обеспечивает окончание переходного процесса при ступенчатом возмущении за заданное время.

Предполагается, что ступенчатое изменение задающей переменной происходит в момент времени k = 0, т.е.

ω(k) = 1 для k = 0, 1, 2, ... (3.1)

Если время запаздывания d = 0, то требования для минимального конечного времени установления переходного процесса записываются следующим образом:

y(k) = ω(k) = 1 для k ≥ m;

u(k) = u(m) для k ≥ m. (3.2)

Для случая b0 = 0 z-преобразования задающей, регулируемой и управляющей переменных имеют следующий вид:

 (3.3)(z) = y(1)z-1 + y(2)z-2 + … +1[z-m + z-(m+1) + …]; (3.4)(z) = u(0) + u(1)z-1 + … + u(m)[z-1 + z-(m+1) +…]. (3.5)

Разделив уравнения (3.5) и (3.6) на (3.4), получим:

p1 = y(1), = y(2) - y(1), (3.6)

…= 1 - y(m -1).

 (3.7)

...

qm = u(m) - u(m - 1).

Следует учесть, что

p1 + p2 +…+ pm = 1, (3.8)

q0 + q1 + …+ qm = u(m). (3.9)

Передаточная функция замкнутой системы будет равна:

 (3.10)

Следовательно, передаточная функция компенсационного регулятора имеет вид: