Материал: Сборные каркасно-панельные здания серии 1.020-1

Внимание! Если размещение файла нарушает Ваши авторские права, то обязательно сообщите нам

Элементы перекрытий разделяют на рядовые и связевые (плиты - распорки), передающие горизонтальные усилия на колонны. Основные координационные размеры элементов перекрытий по ширине: для рядовых многопустотных плит 1,2 и 1,5 м, для пристенных и связевых 1,5 м, для ребристых сантехнических 1,5 м, для связевых плит типа 2Т - 3м, для доборных типа 1Т - 1,3, 1,5 и 1,7 м.

При раскладке плит в каркасах с дополнительными колоннами (включая лестничные клетки) средние связевые плиты заменяют пристенными. Зазоры между плитами шириной до 0,4 м замоноличиваются по месту. Средние связевые железобетонные ребристые плиты (толщина полки 50мм) устанавливаются с прорезью в местах прохода диафрагм жесткости «из плоскости» рам и в других случаях, когда возникает необходимость устройства значительных отверстий в перекрытии.

Работу перекрытий в качестве горизонтальных диафрагм жесткости обеспечивают приваркой ригелей к консолям колонн сваркой связевых панелей перекрытия между собой и с ригелями, замоноличиваем бетоном шпоночных швов между всеми элементами перекрытия. Плиты связываются между собой стальными анкерами, продетыми сквозь строповочные петли. Связевые плиты соединяются стержневыми накладками, приваренными к расположенным в подрезках парным выпускам арматуры. Прорезь в полке ребристой плиты формируется при изготовлении или пробивается перед установкой.

Рисунок 1.7

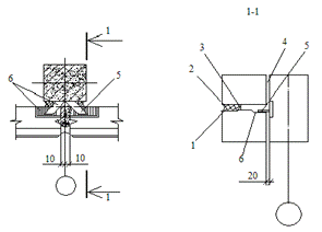
1.3 Диафрагмы жесткости. Лестницы

При шаге колонн до 6,0 м ширина панели-диафрагмы соответствует расстоянию в свету между колоннами; при шаге колонн 7,2 и 9,0 м стены диафрагмы проектируются составными из двух- трех изделий с координационными размерами по длине 1,2; 3,0 и 5,6 м.

Панели стен- диафрагм изготовляют глухими или с дверными проемами. Элементы диафрагм жесткости между собой и с колоннами по вертикальным стыкам соединяют стальными шпоночными связями на сварке по закладным деталям, не менее, чем в двух уровнях по высоте этажа. Горизонтальные стыки толщиной 30 мм замоноличивают цементном растворе марки 200. Выбор конструкции стыка определяется характером и порядком величины воспринимаемых усилий.

Номенклатура панелей диафрагм при колоннах площадью сечения 300х300 и 400х400 мм единая. Соответственно зазор между колонной и диафагмой 70 и 20 мм. Со стороны примыкания диафрагм, колонны могут формироваться без консолей, а панели диафрагм - без паза для них. Это несколько снижает расход стали. Контактный горизонтальный стык при проверенном качестве выполнения может приниматься равнопрочным среднему сечению панели.

Шаг вертикальных диафрагм жесткости, определяется расчетом. Он должен быть не более 36,0 м (с кратностью в 6,0 м) по длине здания и не больше 18 м от края здания или температурно-деформационного шва.

Рисунок 1.8

Лестницы собираются из марш-площадок ребристой конструкции. Высота ребер 305 мм. При отделке здания ступени накрываются накладными проступями, площадки - плитами или монолитным полом толщиной 60 мм. Марш-площадки- заложением 5770 мм, шириной 1,15 м и высотой подъема 1,4; 1,65; 1,8 м (подступенков 10;11;12)- рассчитаны соответственно на высоту этажа 2,8; 3,3; 3,6; 4,2 м. доборная полуплощадка верхнего этажа опирается на марш крепежным уголком.

Рисунок 1.9

ГЛАВА 2. ОГРАЖДАЮЩИЕ КОНСТРУКЦИИ

.1 Ненесущие стеновые панели

Навесные стены каркасных зданий из ячеисто- и легкобетонных панелей двухрядной разрезки

Рисунок 2.1

Стеновые панели двухрядной разрезки изготавливаются из легких бетонов плотностью в сухом состоянии 0,6-1,1 т/м3, марок 35,50 и 75, и автоклавных ячеистых бетонов плотностью в сухом состоянии 0,5-0,7 т/ м3, марок 25 и 35, с защитно-декоративными слоями или гидрофобными покрытиями по наружной и внутренней поверхностям.

Панели армируются пространственными каркасами, состоящими из продольных плоских каркасов и отдельных стержней, свариваемых в местах пересечений контактно-точечной сваркой.

Номинальная длина панелей равна шагу и пролетам рам каркаса (3; 4,5 и 6 м), высота 0,6-2,1 м с интервалом через 0,3м, толщина 250, 300 мм и только для легкобетонных панелей-350 мм.

По положению в наружных стенах панели подразделяются на: поясные-цокольные (высота 0,9 м), подкарнизные (высота 0,6 м), парапетные (высота 0,9 и 1,2 м), междуэтажные (высота 1,5; 1,8 и 2,1 м) и доборные к ним (высота 0,6 м); простеночные (высота 1,2; 1,8; 2,1 и 2,7 м; длина 0,3;0,45; 0,6; 1,2; и 1,8); угловые - для внешних углов здания (всех указанных высот); поясные - укороченные для входящих углов здания; простеночные угловые - для тех же углов.

Компоновочные схемы стеновых панелей на фасадах учитывают габариты оконных проемов в соответствии с ГОСТ 11214-78.

Конструкция панельных стен принята навесной с жестким креплением каждого пояса. Компенсация температурных деформаций происходит за счет швов, заполняемых упругими синтетическими прокладками и герметизирующими мастиками.

Рисунок 2.2

На внутренних поверхностях стеновых панелей для навески на каркас предусматриваются закладные детали или подрезки, оголяющие арматуру. Поясные панели и панели для внешних углов крепятся к закладным деталям, расположенным на боковых гранях колонн. Укороченные панели у входящего угла здания навешиваются на ригель. Простеночные панели-рядовые и входящего угла- крепятся на штырях к поясным панелям. Поясные панели из легких бетонов высотой от 1,2 м свариваются с колонной через пластинчатые посредники в верхнем уровне и на высоте 0,9 м от низа. Эти крепления рассчитаны на восприятие вертикальных и горизонтальных усилий. Нижнее крепление в виде гнутого стержня, заведенного в заложенную в панель трубку и приваренного к колонне, воспринимает только горизонтальные усилия. Поясные панели высотой до 0,9 м свариваются с колонной только в верхнем уровне; нижнее крепление- аналогично.

Поясные панели из автоклавных ячеистых бетонов на внутренних поверхностях имеют подрезки, оголяющие сдвоенные стержни каркасов. Под стержни заводится привариваемый к колонне крепежный «крюк» из стальной пластины, аналогичной посреднику. В этом случае всю вертикальную силу воспринимает крепление, расположенное на высоте 0,9 м от низа (или в верхнем уровне для панелей высотой 0,6 и 0,9 м). верхнее крепление панелей высотой от 1,2 м и нижнее вкрепление всех панелей рассчитаны только на восприятие горизонтальных усилий, а по конструкции аналогичны креплению описанных выше легкобетонных панелей.

Простеночные панели крепятся на стальных штырях, привариваемых к расположенным в пазах закладным уголкам. Гнезда для этих штырей в поясных панелях высверливаются на месте.

Номинальные размеры панелей - высота «на этаж», ширина 0,25; 0,5 6-метрового шага каркаса. Вертикальная разрезка фасада сосна колоннам и указанным долям шага; горизонтальная - соответствует уровню верха перекрытия.

2.2 Самонесущие кирпичные стены

Кирпич является одним из основных стеновых материалов. В современном строительстве свыше 40 % гражданских зданий возводят из кирпича, при этом создаются большие возможности использования архитектурно- художественных качеств этого материала.

Кирпичные стены выполняются из керамического и силикатного кирпича. Стандартный кирпич имеет размеры 120х65х250 мм. применяют также полуторный кирпич, имеющий высот 88 мм. Толщина кирпичных стен опирающихся на фундаментные балки каркасных зданий 250 мм, 380 мм и 510 мм. Повышение теплозащитных качеств стеновых ограждающих конструкций заключается в увеличении их сопротивления теплопередачи до нормативных значений, действующих в настоящее время. Это достигается утеплением стен теплоизоляционными материалами.

ГЛАВА 3. ВАРИАНТЫ КРЕПЛЕНИЯ ОГРАЖДАЮЩИХ КОНСТРУКЦИЙ

Технические решения теплозащиты в целом могут быть классифицированы по трем основным признакам: по месту размещеия (с внутренней, наружной или одновременно с внутренней и наружной стороны стены ); по виду материала утеплителя; по виду материала защитного слоя.

Способ наружного утепления фасада здания, включает наклеивание на фасад здания утеплителя; механическое закрепление; пропитку закрепленного утеплителя вододисперсионной грунтовкой на глубину 2-8 мм; укладку армирующей сетки и закрепление ее клеевым составом. Для пропитки утеплителя предпочтительно используют вододисперсионную акриловую грунтовку, а армирующую сетку закрепляют цементосодержащим клеевым составом на основе акриловой смолы. Утепление с нанесением элементных слоев на поверхность фасада и последовательного крепления их между собой и к поверхности фасада с помощью клеевых составов и, при необходимости, механических приспособлений (дюбелей). На утепляемый фасад снизу вверх с перевязкой швов приклеивают плиты утеплителя. При необходимости осуществляется его дополнительное крепление к стене дюбелями. Затем поверхность утеплителя покрывается армирующим слоем. Для этого на поверхность плиты утеплителя сплошным слоем толщиной примерно 3-4 мм наносят клеящую массу, в которую вдавливают армирующую сетку до полного погружения. На поверхность приклеенной сетки наносят второй слой клеящей массы толщиной примерно 1-2 мм до полного ее покрытия. Поверхность тщательно выравнивают. Затем наносят декоративно- штукатурный слой.

Отдельные слои утепления выполняют в системе утепления строго определенные функции. Плиты утеплителя обеспечивают требуемую термическую изоляцию. Клеящий раствор и соединительные элементы, крепящие утеплитель к стене, обеспечивают конструкционную устойчивость утеплительной системы.

Армирующий слой является защитой утеплителя и предохраняет систему утепления от механических повреждений. При этом армирование сеткой ограничивает термические деформации защитного слоя, предохраняет от образования трещин и увеличивает сопротивление механическим повреждениям.

Декоративно- штукатурный слой является отделкой утеплительной системы, предохраняет ее от воздействия климатических факторов и увеличивает сопротивление ударам.

Рисунок 2.3 - Система мокрого фасада

Вентилируемые системы фасадов. Навесной фасад представляет собой конструкцию, состоящую из материалов облицовки (плит или листовых материалов) и подоблицовочной конструкции, которая, в свою очередь, крепится к стене таким образом, чтобы между защитно-декоративным покрытием и стеной оставался воздушный промежуток. Для дополнительного утепления наружных конструкций между стеной и облицовкой может устанавливаться теплоизоляционный слой - в этом случае вентиляционный зазор оставляется между облицовкой и теплоизоляцией.

К вспомогательным элементам систем вентилируемых фасадов относятся: уплотнительные ленты между панелью и профилем подоблицовочной конструкции; декоративные уголки и вставки для закрытия торцов и зазоров между панелями; перфорированные металлоконструкции для вентиляции системы снизу и вверху ( заклепки, кляммеры, гребенки, для крепления панелей к профилям).

Подоблицовочная конструкция может крепиться как на несущую, так и на самонесущую стену, выполненную из различных материалов (бетон, кирпич). Применяют вентилируемые фасады не только в новом строительстве, но и при реконструкции старых зданий.

В вентилируемом фасаде отдельные слои конструкции располагаются следующим образом: ограждающая стена, теплоизоляция, воздушный промежуток, защитный экран. Такая схема является оптимальной, так как слои различных материалов располагаются по мере уменьшения показателей их теплопередачи, а сопротивление паропроницаемости возрастает снаружи вовнутрь.

Устройство дополнительной теплоизоляции снаружи лучше защищает стену от переменного замерзания и оттаивания. Выравниваются температурные колебания массива стены, что препятствует появлению деформаций, особенно нежелательных при крупнопанельном домостроении. Точка росы сдвигается в наружный теплоизоляционный слой, внутренняя часть стены не отсыревает, и не требуется дополнительной пароизоляции.

Другим достоинством наружной теплоизоляции является увеличение теплоаккумулирующей способности массива стены. Если вдруг произойдет отключение источника теплоснабжения при наружной изоляции, кирпичная стена будет остывать в 6 раз медленнее, чем при внутреннем слое теплоизоляции такой же толщины. Установка теплоизоляции снаружи позволяет также снизить расходы на ремонт поврежденных стен.

Совместное применение навесного фасада и теплоизоляционного слоя существенным образом повышают звукоизоляционные характеристики ограждающей конструкции, поскольку фасадные панели и теплоизоляция обладают звукопоглащающими свойствами в широком диапазоне частот.

Наличие воздушного промежутка в вентилируемом фасаде принципиально отличает его от других типов фасадов, так как благодаря перепаду давления этот промежуток работает по «принципу действия вытяжной трубы». В результате чего из ограждающей конструкции в окружающую среду удаляется атмосферная и внутренняя влага. Вентилирумый воздушный промежуток снижает также и теплопотери, так как он практически является температурным буфером. Воздух в нем примерно на три градуса выше, чем снаружи.

Основные достоинства вентилируемых фасадов:

широкие возможности по использованию современных фасадных отделочных материалов;

высокая тепло- и звукоизоляция;

вентиляция внутренних слоев- удаление атмосферной влаги и влаги образующейся за счет диффузии водяных паров изнутри;

защита стены и теплоизоляции от атмосферных воздействий;

нивелирование термических деформаций;

возможность проведения фасадных работ в любое время года - исключен «мокрые» процессы;

отсутствие специальных требований к поверхности несущей стены - ее предварительное выравнивание, и более того, сама система позволяет выравнивать дефекты и неровности поверхности, что сделать с применением штукатурок часто сложно и дорого;

длительный безработный срок (25-50 лет в зависимости от применяемого материала).

Рисунок 2.4

Монтаж навесных вентилируемых фасадов(установка на здание)- один из важнейших этапов их устройства. Он требует не только тщательной предпроектной подготовки, но и не менее тщательной подготовки самого объекта. Так. После полной подготовки проекта, работа начинается с разметки фасада, монтажа кронштейнов, теплоизоляции и ветрозащиты. При выборе работ, следует помнить, что стоимость вентилируемых фасадов, существенно ниже, стоимости здания при реконструкции старого фасада, принимая во внимание новые технологии. Качественная технология монтажа навесных вентилируемых фасадов и цена, более доступная, чем на другие подобные технологии, делают устройство вентилируемых фасадов универсальной для применения во всех регионах страны.

Подготовка объекта к утеплению. Навесная фасадная система позволяет производить монтаж навесных вентилируемых фасадов в любое время года. Все используемые инструменты и материалы, особенно теплоизоляционные, необходимо защищать от неблагоприятных погодных условий.

Работы, связанные с монтажом вентилируемых фасадов и укладкой теплоизоляционного материала в дождливую погоду необходимо приостановить и принять соответствующие меры для предотвращения попадания влаги на изоляционный материал.

Вентилируемые фасады работа с которыми ведется в сложных погодных условиях: туман, сильный дождь, резкий шквальный ветер, в целях безопасности требует приостановки работ.

Разметка фасада. Планы раскладки теплоизоляционных материалов являются составной частью проекта монтажа вентилируемых фасадов и утепления объекта и разрабатываются на основании исполнительных схем действительного состояния объекта. Разметка фасада производится посредством лазера или теодалита, прицельных шнуров, рулетки и мерных реек.