Материал: Розрахунок та дослідження функціональності елементів пристрою для живлення антен з контролем відбитої потужності

Внимание! Если размещение файла нарушает Ваши авторские права, то обязательно сообщите нам

Найбільш ефективне використання узгоджених навантажень і поглиначів потужності (еквівалентів антен) при виготовленні, настроюванні та перевірці окремих блоків і комплексів апаратури.

Наприклад, ОЖО.224.000 ТУ - дротяний постійний водоохолоджувальний навантажувальний з малоіндуктивним намотуванням поглинач. Призначений для роботи в потужних радіопередавальних пристроях як еквівалент антен і баластних навантажень.

Рис. 12 - Cхеми поглинача

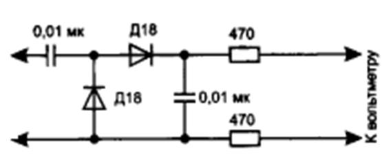
ДІ - детекторна вимірювальна секція з мілівольтметром

Призначення ДІ:

Детекторна секція вимірювальна з мілівольтметром призначена перетворення зверх високочастотних коливань в сигнали постійного струму чи в сигнали, пропорційні огинаючій СВЧ-коливань.

Основні елементи:

         Вольтметр;

         Діоди;

         Резистори;

         Конденсатор.

         Загальний опір (Ом);

         Випрямлення напруги та струму;

         Ємність.

Принцип дії ДІ:

Для збільшення значень вихідних сигналів детекторна секція звичайно містить резонаторну частину, яка налаштовується спеціальним поршнем в режим на робочій частоті.

Детекторна секція може бути побудована по схемі послідовного детектора. Для збільшення чутливості детектора на діод подається струм прямого зміщення.

Для включення в СВЧ тракт детекторний діод поміщають в високочастотний утримувач - детекторну секцію чи детектор.

Детектор може бути амплітудним чи фазовим. Амплітудним детектором називається пристрій, призначений для перетворення СВЧ-сигналів в сигнали постійного струму, тобто для виділення огинаючої коливань СВЧ. Амплітудні детектори є складовою частиною фазових і частотних демодуляторів СВЧ, використовуються в пристроях контролю і автоматичного регулювання рівня потужності, частоти, контрою форми потужності, а також в широкосмугових детекторних приймачах.

Детектор складається з елементу зв’язку з СВЧ-трактом, діоду, фільтру нижніх частот і виводу сигналу на НЧ.

Детектор забезпечує трансформацію високочастотного опору діоду в опір, що дорівнює хвилевому опору вхідної передавальної лінії. Це необхідно для того, щоб уникнути небажаного відбиття.

Детекторна секція повинна забезпечувати поглинання СВЧ потужності без просочування її при цьому на вихідні зажими.

Призначення фазового детектору полягає в отриманні постійного струму, який є пропорційним різниці фаз двох когерентних коливань СВЧ. Фазові детектори застосовуються в фазових демодуляторах, фазометрах, колах фазової синхронізації систем фазової автоматичної підстройки частоти і т.д.

Вони складаються з суматора вхідних коливань і амплітудного детектора.

Схематичне зображення ДІ:

Рис. 11 - Схема детекторної секції з під’єднанням до виходу схеми вольтметра

.        Визначення потужності на вході вузлів А, В, С, Д і Е

Потужність на вході вузла А визначається з урахуванням ККД трансформатора 3-4 і дорівнює 10мВт × η = 10 ×0,8 = 8 мВт;

(Η = 80% = 0,8)

Так як вузол А (ВФС) має в прямому напрямку загасання 0,5 дБ, потужність на його виході визначимо із співвідношення:

lg (Pвх / Рвих) = 0,5;

Звідси Рвих = Рвх/100, 05 = 8 / 1, 122 = 7,14 мВт;

Тобто на вході вузла В потужність складає 7,14 мВт, а тому вузол В ділить її навпіл, то на входах вузлів С і Д вона буде по 3,57 мВт.

На вході вузла Е при ідеальному узгодження потужність дорівнюватиме нулю.

.        Опис принципу роботи досліджуваного пристрою

Схема Живлення антени з контролем випромінюваної потужності.

РПП збуджує в коаксіальному кабелі хвилю типу Т. Потім хвиля проходить через трансформатор, де вона перетворюється в основну хвилю прямокутного хвилевода. Після цього основна хвиля хвилевода поступає в наш пристрій і на елемент ВФФ.

ВФФ не створює істотного загасання для хвилі(0,5 дБ), що рухається по лінії передачі тільки в одному (прямому) напрямку, але вносить велике загасання для іншого напряму руху енергії. Що сприяє зменшенню затягування частоти, покращенню спектра частот, усуненню ефекту довгої лінії. З ВФФ хвиля потрапляє на ТТ, який послідовно з’єднаний з пристроєм А (ВФФ).

ТТ слугує для розділення енергії між елементами С, Д, Е.

На плечах Н або Е узгоджується енергія і ділиться порівну між С та Д елементами. Оскільки плечі повністю узгодженні, енергія на елементі Е буде дорівнювати 0.

В ЗА - в дзеркальній антені на основі явища відображення електромагнітної хвилі від металевих поверхонь (дзеркала) відбувається фокусування енергії хвилі, тобто створення гострої діаграми спрямованості.

ПН - поглинач навантаження приєднаний до вихідного кінця лінії передачі, по якій передається електромагнітна енергія в антену, і таким чином, створюючи узгоджене навантаження, вони поглинають практично всю енергію.

Таким чином відбувається живлення антен з контролем відбитої потужності.

В ДІ - детекторній секції відбувається перетворення СВЧ-сигналів в сигнали постійного струму, тобто для виділення огинаючої коливань СВЧ. А також даний елемент забезпечує трансформацію високочастотного опору діоду в опір, що дорівнює хвилевому опору вхідної передавальної лінії. Це необхідно для того, щоб уникнути небажаного відбиття.

Таким чином відбувається живлення антени з контролем випромінюваної потужності.

. Використана література

1. Петров Б.М. «Электродинамика и распространение волн», 2004.

. Топтыгин И.Н. «Современная электродинамика», 2002.

. Никольский В.В. «Электродинамика и распространение радиоволн», 1973.