Материал: Розрахунок та дослідження функціональності елементів пристрою для живлення антен з контролем відбитої потужності

Внимание! Если размещение файла нарушает Ваши авторские права, то обязательно сообщите нам

Розрахунок та дослідження функціональності елементів пристрою для живлення антен з контролем відбитої потужності

ДЗ «Київський коледж зв’язку»












КОНТРОЛЬНА РОБОТА

на тему:

Розрахунок та дослідження функціональності елементів пристрою для живлення антен з контролем відбитої потужності

Роботу виконав студент

Іщенко І.В.

Перевірив:

Нікіфоренко К.Б.




Київ 2015

Зміст

1. Вихідні дані

. Визначення критичної довжини і критичної частоти основного типу хвиль коаксіального кабелю. Структура поля цієї хвилі

.Визначення частотного діапазону однохвилевого режиму роботи коаксіального кабелю. Залежність групової швидкості від частоти

. Визначення критичної довжини хвилі і критичної частоти основного типу хвиль прямокутного хвилевода з певним поперечним перерізом. Структура поля цієї хвилі

. Визначення діапазону частот однохвилевого режиму роботи хвилевода. Залежність групової швидкості від частоти

. Залежність довжини хвилі Н12 від частоти

. Визначення робочого діапазону частот даного пристрою

. Призначення пристроїв А, В, С, Д, E

. Визначення потужності на вході вузлів А, В, С, Д і Е

. Опис принципу роботи досліджуваного пристрою

. Використана література

1.     
Вихідні дані

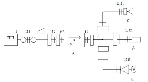
Радіопередавальний пристрій потужністю 10 мВт збуджує в коаксіальному кабелі 1 хвилю типу Т. Діаметр внутрішнього провідника коаксіального кабелю 2 мм, зовнішнього 17 мм. Трансформатором 2 хвиля Т перетворюється основну хвилю прямокутного хвилевода 5-6 з поперечним перерізом (а×б) мм. Коефіцієнт корисної дії трансформатора 80%. Основна хвиля хвилевода 5-6 поступає в пристрій, який має ідеально узгодженні вузли А, Б, С, Д і Е (рис.1).

Варіант №18

а, мм

б, мм

Тип вузла

Призначення пристрою

60

30

A

B

C

D

E

Живлення антен з контролем випромінюваної потужності

 Поперечний переріз прямокутного хвилевода

ВФФ

ТТ

ЗА

ПН

ДІ










ВФФ - вентиль на ефекті Фарадея

ЦЕФ - двійний двічі узгоджений трійник

ЗА - дзеркальна антена

ДІ - детекторна вимірювальна секція з мілівольтметром

ПН - закінчення поглинаюче навантаження

Рис. 1 - Схема живлення антен з контролем випромінюваної потужності

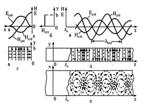
.        Визначення критичної довжини і критичної частоти основного типу хвиль коаксіального кабелю 1. Структура поля цієї хвилі.

Основним типом є хвиля Т. Критична частота рівна 0.

Вищими типом є хвиля Н11.

Критична довжина хвилі Н11:

λкр Н11=π(A+Б) = 3,14× (0,002+0,017) =0,059 (м)

А, Б - діаметр зовнішнього і внутрішньго провідників кабелю.

Критична частота хвилі Н11:

кр Н11= V0/ λкр Н11 = 3×108/0,05966 = 5 ГГц

0 = швидкість світла у вакуумі.

Рис. 2 - Силові лінії полів хвиль Т, Н11,, Е01 в коаксіальній лінії

.        Визначення частотного діапазону однохвилевого режиму роботи коаксіального кабелю 1. Залежність групової швидкості від частоти

Для існування однохвилевого режиму необхідно виконати умову:

π(A+Б)< λ<∞

або:

<f< V0/ λкр Н11

Розіб’ємо частотний діапазон на 3 однакових піддіапазони враховуючи що

в = fкр; fн = fкр/2.

(fв- fн)/3= (5-2,5)/3 = 0,83 ГГц = ∆f;

Точки відліку всередині діапазону:

 1 = fн = 2,5 ГГц; f2= fн+∆f= 3,33 ГГц; f3= f2+∆f= 4,16 ГГц;4= fв= 5 ГГц;

гр = v0 гр1 = v0  = 0 м/cгр2 = v0 1,9×108 м/c

vгр3 = v0  = 1,89×108 м/cгр4 = v0  = 2,1×108 м/c

Рис. 3 - Графік залежності групової швидкості від частоти

коаксіальний кабель хвиля частота

4.      Визначення критичної довжини хвилі і критичної частоти основного типу хвиль прямокутного хвилевода з поперечним перерізом (а,в) мм. Структура поля цієї хвилі

Основним типом є хвиля Н10


а = 60 мм; в = 30 мм;

λкр Н10= 2×а = 0,12 м;

Критична довжина хвилі вищого типу Н20:

λкр Н20 = а = 0,06 м;

Критична частота для Н10:

 кр Н10 = v0/ λкр Н10 = 3×108/0,12 = 2,5 ГГц

Критична частота для Н20:

 кр Н20 = v0/ λкр Н20 = 3×108/0,06 = 5 ГГц;

Рис.4 - Епюри складових векторів Е10, Н10: силові лінії полів Н10 хвилі

.        Визначення діапазону частот однохвилевого режиму роботи хвилевода 3. Залежність групової швидкості від частоти

Критична довжина хвилі Н12:

λкр Нmn = 2/

λкр Н12 = 2/ = 2/ = 2/

Критична частота для хвилі Н12:

 кр Н12= v0/ λкр Н12 = 3×108/30,76 = 9,7 МГц

Діапазон частот знаходиться в межах від fкр до fв.

Розрахунок буде в діапазоні від fн= fкр Н12 до fв=2× fкр Н12 = 19,4 МГц;

Розбиваємо діапазон на 3 однакових піддіапазони:

(fв- fн)/3 = ∆f = 3,2 МГц;

1.      f1= fкр Н12 = 9,7 МГц;

2.      f2= f1+∆f= 12,9 МГц;

.        f3= f2+∆f= 16,1 МГц;

.        f4= f3+∆f= 19,3 МГц;

5.      Формула, що визначає залежність групової швидкості від частоти:

гр = v0 гр1 = v0  = 0 м/cгр2 = v0 1,9×108 м/c

vгр3 = v0  = 2,4×108 м/cгр4 = v0  = 2,6×108 м/c

Рис.5 - Графік залежності групової швидкості від частоти

6.      Залежність довжини хвилі Н12 від частоти

Діапазон частот знаходиться в межах від fкр до fв.

Розрахунок буде в діапазоні від fн= fкр Н12 до fв=2× fкр Н12 = 19,4 МГц;

Розбиваємо діапазон на 3 однакових піддіапазони:

(fв- fн)/3 = ∆f = 3,2 МГц;1= fкр Н12 = 9,7 МГц;2= f1+∆f = 12,9 МГц;3= f2+∆f = 16,1 МГц;4= f3+∆f = 19,3 МГц;

Формула, що визначає залежність довжини хвилі Н12 від частоти:

λ = v0 /

λ1 = v0 / = ∞

λ2 = v0 /46,8 (м)

λ3 = v0 / = 38,6 (м)

λ4 = v0 / = 35,7 (м)

Рис.6 - Графік залежності довжини хвилі від частоти

.        Визначення робочого діапазону частот даного пристрою

Робочий діапазон визначається діапазоном одно хвилевого режиму роботи хвилевода.

н= fкр Н12 до fв=2× fкр Н12 = 19,4 МГц

.       
Призначення пристроїв А, В, С, Д, E

ВФФ - вентиль на ефекті Фарадея.

Призначення ВФФ:

ВФФ призначений для повертання сигналу на 45 градусів, таким чином не пропускаючи зворотні ЕМ хвилі.

Основні елементи:

.        Магнітна система трубчастої форми;

.        Перший перехідний хвилевод;

.        Анізотропний поглинач;

.        Фарадеївський ротатор.

Принцип дії:

Намагнічена феритова пластина є невзаємним середовищем. Тобто при прямому проходженні, хвилі вектор її поляризації обертається з положення А в положення А1(тобто на 45 градусів), а при зворотному проходженні, він не повертається в вихідне положення А, тобто не проходить назад.

Параметри:

.        Хвильовий опір (Ом);

.        Допустима вхідна потужність(Вт);

.        Прямі втрати (дБ);

.        Робоча полоса частот(Гц).

Схематичне зображення ВФФ:

.        Ферітова вставка;

.        Постійний магнит;

.        Діелектрична пластина.

ТТ - двійний хвилеводний трійник представляє собою об’єднання двух розгалуджень на прямокутних хвилеводів з хвилями основного типу. Одне розгалудження зроблено в Н-площині, а інше в Е площині.

Призначення:

ТТ призначений для поділу та узгодження потужності між плечами Е та Н, або 1 та 2.

Основні елементи:

Представляє собою 8-полюсник який має два бокових плеча, образовані прямокутним хвилеводом.

Принцип дії:

На будь-якій частоті плечі Е та Н ідеально розв’язані. При подачі енергії в плечо Е вона ділиться порівну між боковими плечами 2 та 3, при тому, що коливання в цих плечах на однаковій відстані від площини симетріх протифази. При подачі енергії в плечо Н вона також ділиться порівну між боковими плечами, але коливання в цих плечах на однаковій відстані від площини симетріх синфази.

При роботі зі сторони плеч Н та Е Т-міст характеризується значним неузгодженістю. Тому для узгодження Н-плеча приміняють налаштований штирь, розміщений в площині симетрії, а для узгодження Е плеча - індуктивна діафрагма, яка розміщена в цьому плечі. Обидва налаштованих елеманта діють цілком незалежно, а такий міст називають двійчи узгодженим. В ТТ бокові плечі (2,3) також розв’язані і узгоджені.

Параметри:

.        Повний діапазон частот хвилеводу (Гц);

.        Малі вносимі втрати (дБ);

.        Хороші узгодження портів при високій розв’язці;

.        Малий баланс плеч.

Схематичне зображення ТТ:

ЗА - дзеркальна антена

Дзеркальна антена призначена для створення досить вузьких діаграм спрямованості. У деяких випадках дзеркальна антена може використатися як допоміжний елемент якої-небудь антени, що поліпшує її характеристики (наприклад, для вирівнювання фази в розкриві рупорної антени).

Зазвичай в дзеркальних антенах відбувається перетворення більш широкої діаграми направленості опромінювача в вузьку діаграму направленості самої антени.

Основні елементи:

         Лінза;

         Зеркало з металічним напиленням;

         Випромінювач.

Характеристики дзеркальних антен:

         Ширина діаграми спрямованості (ДН) в заданих площинах (Е, Н) або у всіх напрямках

         Форма діаграми направленості (контурна, кругова)

         Коефіцієнт посилення в максимумі ДН антени

         Рівень бічних пелюсток

         Поляризація (кругова, лінійна)

         Напрямок обертання поля антени

         Коефіцієнт поляризації

         Діапазон робочих частот

         Допустимі вітрові навантаження

         Вага (для космічних антен)

Ефективність антени з несуцільним дзеркалом розраховується за формулою:

Т=Ppr/Ppad,

де Ppr - потужність випромінювання позаду рефлектора, Ppad - потужність випромінювання рефлектора (падаючої хвилі).

Якщо Т<0,01, то несуцільне дзеркало вважають хорошим.

Принцип дії ЗА:

Принцип дії антени заснований на тому, що антена являє собою середовище, у якій фазова швидкість поширення електромагнітних хвиль або більше швидкості світла, або менше її. Відповідно до цього лінзи поділяються на прискорювальні і сповільнюючі . У прискорювальних антенах вирівнювання фазового фронту хвилі відбувається за рахунок того, що ділянки хвильової поверхні частина свого шляху проходять у лінзі з підвищеною фазовою швидкістю. Ці ділянки шляху різні для різних променів. Чим сильніше промінь відхилений від осі лінзи, тим більшу ділянку шляху він проходить із підвищеною фазовою швидкістю усередині антени. Таким чином, профіль прискорювальної лінзи повинен бути ввігнутим . У антенах, що сповільнюють, навпаки, вирівнювання фазового фронту відбувається не за рахунок прискорення руху периферійних ділянок хвильової поверхні, а за рахунок сповільнення руху середини цієї поверхні. Отже, профіль лінзи, що сповільнює, повинен бути опуклим.

Структурна схема ЗА:


Рис. 10 - Структура дзеркальної антени

ПН - закінчення поглинаюче навантаження

Призначення ПН:

Поглиначі потужності призначені для: поглинання практично всієї енергії, ПН приєднують до вихідного кінця хвилеводної або коаксіальної лінії, по якій передається електромагнітна енергія в антену, і таким чином, створюючи узгоджене навантаження. Основною вимогою, що пред'являються до поглиначів потужності, є мінімальне відображення електромагнітних хвиль для можливо більш широкого діапазону частот.

Основні елементи:

         Кераміка;

         Чистий графіт;

         Дерево.

Характеристики ЗА:

         Опір (Ом);

         Діапазон робочих частот(Гц);

         Діелектрична спроможність.

Принцип дії:

Застосування поглиначів потужності в якості навантаження усуває найінтенсивніше джерело випромінювання - антену в процесі випробування комплексу РЛЗ, так як послаблює енергію СВЧ більше 60 дБ (1000000 разів) в порівнянні з випромінюванням при роботі на відкриту антену.