Материал: Разработка устройства, выполняющего функцию усилителя-распределителя цифрового сигнала и цифро-аналогового преобразователя

Внимание! Если размещение файла нарушает Ваши авторские права, то обязательно сообщите нам

Коэффициент ослабления синфазных входных напряжений при Uп = ± 5 В, Iупр = 0,9 мА, Т = + 25 0С, не менее ……………………………. 70 дБ

типовое значение ………………………………………….…….. 90 дБ

Скорость нарастания выходного напряжения при Uп = ± 5 В, Iупр = 0,9 мА, К = -100, Т = + 25 0С, не менее …………………………………… 10 В/мкс

типовое значение ………………………………………….… 25 В/мкс

Температурный дрейф напряжения смещения при Uп = ± 5 В, Iупр = 0,9 мА, Т = - 45 … + 70 0С, не более ……………………………….. 50 мкВ/ 0С

типовое значение ………………………………………..….. 5 мкВ/ 0С

Предельные эксплуатационные данные

Напряжение питания…………………………………..……± 3…± 12 В

Максимальное входное дифференциальное напряжение……… ± 2,5 В

Максимальное входное синфазное напряжение……………..|Uп - 1,5| В

Максимальный ток нагрузки……………………………………… 5 мА

Максимальная емкость нагрузки………………………………… 25 пФ

Температура окружающей среды …………………… - 45 … + 70 0С

Будем использовать неинвентирующее включение операционного усилителя. Определим значения элементов схемы.

Коэффициент усиления должен быть равен 2.

Кус = Roc / R +1 = R8 / R7 +1

Возмем значения R8 и R7 равные 1 кОм.

Выбираем резисторы R6,R7, R8 типа МЛТ-0.125-1кОм±10%.

Согласно рекомендации по применению операционных усилителей выбираем тип конденсаторов С11, С12 КМ-6-Н90-0,1мкФ±10%, а С12 КМ-4-П33-30пФ±10%.

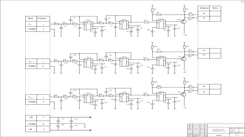
Рис.4.4.8. Электрическая схема операционного усилителя.

4.5 Выходной каскад

Эмиттерный повторитель применяется в телевизионной аппаратуре в оконечных каскадах видеоусилителей, работающих на коаксиальный кабель. Кроме того, эмиттерный повторитель применяется как входной каскад видеоусилителя, работающего от источника сигнала с большим внутренним сопротивлением. Каскад имеет малую входную динамическую емкость, высокое входное и низкое выходное сопротивления, хорошую форму частотной и фазовой характеристик.

На рис.1 изображена схема эмитерного повторителя.


Эмиттерный повторитель является оконечным каскадом устройства. К разъемам устройства подсоединяются два коаксиальных кабеля, нагруженных на 75 Ом. Таким образом, сопротивление каждой из двух ветвей эмиттерного повторителя 150 Ом. Эквивалентное сопротивление двух параллельных ветвей 75 Ом. Обозначим его Rн.

Выберем резисторы R1 и R2 типа МЛТ-0.125-75Ом±10%.

Определим значение сопротивления R1:

1 = U1 / I1 = (Eп - Uн) / I1

I1 = Uн / Rн= (Eп - Uн) Rн / Uн

1 = (5-1)*75 / 1 = 300,75 Ом

Выбираем резистор типа МЛТ-0.125-300Ом±10%

Определим основные параметры эмиттерного повторителя для значений сигнала соответствующих уровню белого и уровню черного.

Для уровня черного значение тока эмиттера будет равно:

э = Uп / R1 = 5 / 300 = 16,6 мА

Тогда мощность, рассеиваемая на транзисторе равна:

Ртр = (Еп - Uэ) Iэ

Уровню черного соответствует значение напряжения равное 0В, поэтому:

Ртр = (5 - 0)* 0,0166 = 83,3 мВт.

Для уровня белого значение тока эмиттера будет равно:

э = Uп / R1 = 5 / 300 = 16,6 мА

Тогда мощность, рассеиваемая на транзисторе равна:

Ртр = (Еп - Uэ) Iэ

Уровню белого соответствует значение напряжения на эмиттере равное -1В, поэтому:

Ртр = (5 - (-1))* 0,0166 = 99,6 мВт.

Определим требования предъявляемые к транзистору:

Мощность, рассеиваемая на транзисторе, максимальна, когда значение напряжения достигает уровня белого и равна 99,6 мВт. Возьмем запас по мощности 30%, тогда максимальная мощность рассеиваемая на транзисторе должна быть не меньше 130 мВт.

Значение полосы пропускания транзистора должно быть не менее удвоенного значения полосы пропускания яркостного сигнала, т.е.:

fmax > 12 МГц.

Этим требованиям удовлетворяет транзистор КТ315Б. Этот транзистор предназначен для работы в схемах усилителей высокой, промежуточной и низкой частоты. Выпускается в пластмассовом корпусе с гибкими выводами. Масса транзистора не более 0,18 г.

Электрические параметры

Граничное напряжение при Iэ = 5 мА не менее………….……..…15 В

Напряжение насыщения коллектор-эмиттер

при Iк = 20 мА, Iб = 2 мА не более ………………………….……. 0,4 В

Насыщение база-эмиттер при Iк = 20 мА, Iб = 2 мА не более …… 1,1 В

Статический коэффициент передачи тока в схеме с общим эмиттером

при Uкэ = 10 В, Iк = 1 мА:……………….………..…………… 50-350

Постоянная времени цепи обратной связи на высокой частоте

при Uкб = 10 В, Iэ = 5 мА не более:…………………………… 500 нс

Модуль коэффициента передачи тока при Uкэ = 10 В, Iк = 1 мА, f = 100 МГц не менее:………………………………………………………………. 2,5

Емкость коллекторного перехода при Uкб = 10 В не более:…….… 7 пФ

Входное сопротивление при Uкэ = 10 В, Iк = 1 мА не менее:.…. 40 Ом

Выходная проводимость при Uкэ = 10 В, Iк = 1 мА не более:…0,3 мкСм

Обратный ток коллектора при Uкб = 10 В не более:………..….. 1 мкА

Обратный ток коллектор-эмиттер при Rбэ = 10 кОм,Uкэ = Uкэmax не более:... 1мкА

Обратный ток эмиттера при Uбэ = 5 В не более:…………….30 мкА

Предельные эксплуатационные параметры

Постоянное напряжение коллектор-эмиттер при Rбэ = 10 кОм:…... 20 В

Постоянное напряжение база-эмиттер:………………………………. 6 В

Постоянный ток коллектора:…………………………………... 100 мА

Постоянная рассеиваемая мощность крллектора при Т=213 - 298 К 150 мВт

Температура перехода……………………………………….……… 393 К

Температура окружающей среды …………….……… от 213 до 373 К

Постоянная рассеиваемая мощность коллектора, мВТ, при Т = 298-373 К определяется по формуле РКмакс =(393 - Т) / 0,67.

Допускается эксплуатация транзистора в режиме Рк = 250 мВт при Uкб = 12,5 В, Iк = 20 мА.

Пайка выводов допускается на расстоянии не менее 2 мм от корпуса транзистора.

4.6 Кодер системы PAL

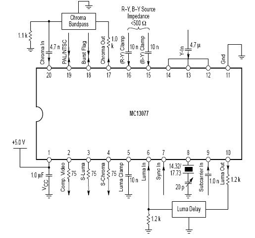
Компонентный аналоговый сигнал Y,U,V должен попасть на вход кодера. В качестве кодера используем микросхему МС13077 - высококачественный видео кодер способный преобразовывать компонентные аналоговые сигналы RGB или YUV в сигнал стандарта PAL или NTSC. ИС состоит из матрицы яркости и цветоразности, модуляторов, осциллятора поднесущей частоты, и логики, которая позволяет кодировать компонентный сигнал в композитный в соответствии с телевизионными стандартами. Кодер потребляет менее 75мА, что делает его удобным в использовании в портативных устройствах.

Кодер выполнен в 20-ти выводном корпусе DIP или SOIC. Для его работы требуются дополнительно только пассивные компоненты. ИС работает автономно без управления по цифровой шине I2C. Изготовлена на основе процесса MOSAICE фирмы Моторола. Особенности:

• Напряжение питания 5В

• Композитный выход PAL/NTSC

• Использование внешней или внутренней поднесущей частоты

• Рабочая температура TA = 0° to +70°C

Микросхема располагается на отдельной плате и соединяется с устройством преобразования сигнала SDI в сигнал YUV с помощью коаксиальных переходников.

Рис. 4.6.1 Микросхема МС13077.

Назначение выводов: 1 - Vcc, напряжение источника питания, 2 - аналоговый выход (PAL, NTSC), 3 - выход сигнала яркости S-Video, 4 - выход сигнала цветности S-Video, 5 - корпус, 6 - вход сигнала яркости с линии задержки, 7 - композитный вход сигнала синхронизации (вход имеет порог 1,4 В), 8 - связь с резонансным генератором, 9 - вход для сигналов управления, 10 - выход сигнала яркости на линию задержки (для сравнения с сигналом цветности), 11 - земля, 12,13,14 - в нашем случае вход сигнала Y, 15 - вход сигнала U, 16 - вход сигнала V, 17 - выход сигнала яркости, 18 - импульс сигнала цветовой синхронизации, 19 - (мультипроцессорная) система с перекрестной коммутацией (процессоров), 20 - вход сигнала цветности после обработки.

4.7 Принципиальная электрическая схема


.8 Спецификация

Поз. обозначение

Наименование

Количество

R1 - R5

МЛТ-0.125-510Ом±10%

5

R6 - R8, R12 - R19, R23 - R30

МЛТ-0.125-1кОм±10%

19

R10, R11, R21, R22, R32, R33

МЛТ-0.125-75Ом±10%

6

R9, R20, R31

МЛТ-0.125-300Ом±10%

3

С1, C13, C25

КМ-4-П33-47пФ±10%

3

C2, C6, C14, C18, C26, C30

КМ-4-П33-56пФ±10%

6

C3, C7, C15, C19, C27, C31

КМ-4-П33-16пФ±10%

6

C10, C22, C34

КМ-4-П33-30пФ±10%

3

C16, C17, C20 - C24, C28, C29, C32, C33, C35, C36, C39, C40

КМ-6-Н90-0,1мкФ±10%

21

C37, C38

К50-16-470мкФ10В

2

DA1- DA9

К1407УД1

9

VT1 - VT3

КТ315Б

3


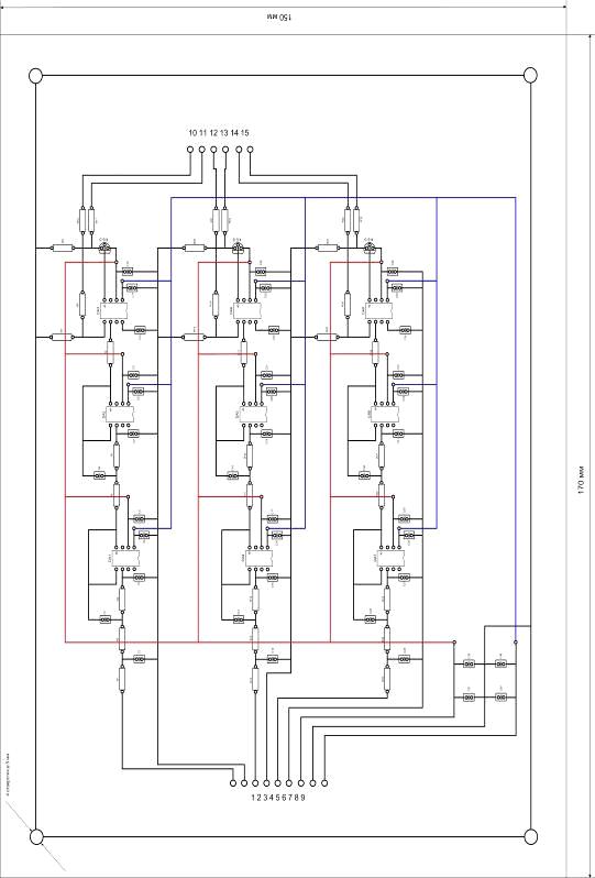
5.  Разработка топологии печатной платы

При формировании рисунка печатной платы каскада фильтра нижних частот и операционного усилителя должна быть сначала просчитана монтажная схема. На монтажной схеме должны быть отображены места размещения элементов крепления печатной платы к корпусу (напрямую или через вспомогательные приспособления), разъемы сочленения ее с другими печатными платами устройства (блока) или завязки с внешней аппаратурой. Рассмотрим изготовление печатной платы каскада фильтра нижних частот и операционного усилителя.

Печатная плата изготавливаются из стеклотекстолита марки СФ-2Н-50-2, а печатный рисунок выполняется комбинированным способом.

Плата каскада закрывается защитным экраном. Он выполнен из мягкой листовой жести и заземлен на корпус, для предотвращения наводок на его элементы.

Диаметр отверстий в печатной плате должен быть больше диаметра вставляемого в него вывода соответствующего элемента. Это обеспечивает возможность свободной установки элемента на плате.

При диаметре вывода до 0.8 мм диаметр не металлизированного отверстия делают на 0.2 мм больше диаметра вывода; при диаметре вывода более 0.8 мм - на 0.3 мм больше.

В качестве материала для изготовления печатной платы взят фольгированый стеклотекстолит.

При размещении элементов радиоэлектроники на печатной плате необходимо учитывать следующие тонкости:

-         полупроводниковые приборы и микросхемы не следует располагать близко к элементам, выделяющим большое количество тепла;

-        должна быть предусмотрена возможность конвекции воздуха в зоне расположения элементов, выделяющих большое количество тепла;

         должна быть предусмотрена возможность легкого доступа к элементам.

Стеклотекстолит должен обладать следующими характеристиками:

-         объемное удельное сопротивление, порядка - 5…10 (Ом×см);

-        тангенс угла диэлектрических потерь, не более - 0.03;

Чтобы обеспечить надежное соединение металлизированного отверстия с печатным проводником, вокруг отверстия делают контактную площадку. Диаметр контактной площадки равен: DK = D + 2B + С , где D - диаметр отверстия; 2В - необходимая минимальная радиальная толщина контактной площадки; С - коэффициент, учитывающий влияние разброса межцентрального расстояния;

Обычно, В = 0.15×D; С = (0.4…0.5)×D.

Чертеж общего вида печатной платы с соединением проводников печатным способом приведен рис.5.1. Черным цветом обозначена разводка проводников лицевой стороны, а цветными линиями - разводка обратной стороны печатной платы. Притом красным цветом обозначено питание +5 В, синим цветом -5В.

Рис.5.1. Топология печатной платы.

6. Технико-экономическое обоснование проекта

.1 Организационные факторы экономической эффективности применения ЦАП на ПТС в городе Москве

За последние несколько лет в Москве происходит интенсивное внедрение цифровых технологий в производство телевизионных передач. Многие крупнейшие телевизионные центры переходят на цифровое телепроизводство. Однако невозможно полностью отказаться от аналоговой техники.

Данный декодер позволяет совместное использование аналоговой и цифровой телевизионной техники. Это устройство служит не только усилителем-распределителем цифрового сигнала, но и преобразует его в аналоговый сигнал. Аналоговый сигнал можно использовать для контроля, т.е. для визуального контроля на мониторе и измерений на осциллографе.

Таким образом, при перестроении передвижных телевизионных станций с аналоговых стандартов на цифровые, экономически выгоднее приобрести декодеры, нежели приобретать цифровые мониторы и цифровую измерительную аппаратуру. Это обосновано и с технической точки зрения, т.к. несмотря на то, что многие телецентры переходят на цифровые стандарты производства, эфирное вещание остается аналоговым, а следовательно, более правильно контролировать и измерять аналоговый сигнал.

6.2 Расчет капитальных и эксплуатационных затрат связанных с внедрением и разработкой ЦАП

Конкурентоспособность отрасли, ее экономические показатели, финансовое положение во многом определяются состоянием материально-технической базы, уровнем соответствия средств связи требованиям научно-технического прогресса (НТП).

Капитальные вложения - это совокупность затрат на строительство новых, расширение, реконструкцию и техническое перевооружение действующих систем связи. Они включают стоимость строительно-монтажных работ, нового оборудования, кабельной продукции, затраты на их транспортировку, хранение и др.

Объем капитальных вложений определяется на:

·   основе сметной стоимости;

·   удельных капитальных вложений и мощности строящегося объекта или систем связи;

·   стоимости типового проекта.

Объем капитальных вложений на основе их удельных показателей рассчитывается:

К = Куд * М,

где Куд - удельные капитальные вложения (в расчете на единицу производственной мощности).

М - производственная мощность оборудования или строящегося объекта в соответствующих единицах измерения.

Себестоимость в общем виде характеризует объем производственных издержек (эксплуатационных расходов), необходимых для производства всего объема услуг (обслуживания технических устройств).

В данном дипломе разрабатывались блоки фильтров нижних частот, операционных усилителей, эмиттерных повторителей.

Полную себестоимость изделия определим по формуле (1):

С = ( П + М + 3×(1+))×(1 + ) )

Где П - стоимость покупных изделий и полуфабрикатов;

М - стоимость основных материалов;

3 - заработная плата основных рабочих;

 - коэффициент, учитывающий ценовые и общезаводские расходы производственных затрат, т.е. накладные расходы;

- коэффициент, учитывающий внепроизводственные расходы.

Для определения стоимости покупных изделий П разработанных блоков составим таблицу 1.

Таблица 1.

Обозначение

Наименование

Общее число, шт.

Цена за 1 шт., руб.

Всего, руб.

Конденсаторы

С1, С1’, C1’’

КМ-4-П33-47ПФ

3

3,50

10,50

C2, C2’, C2”, С6, С6’, C6’’,

КМ-4-П33-56ПФ

6

3,50

21

C3, C3’, C3’’, C7, C7’, C7’’

КМ-4-П33-16ПФ

6

3,50

21

C4, C4’, C4’’, C5, C5’, C5’’, C8, C8’, C8’’, C9, C9’, C9’’, C12, C12’, C12’’, C13, C13’,C13’’

КМ-6-Н90-0,1МКФ

18

4

72

С10, C10’, C10”

КД-2-МПО-15Ф

3

4,50

13,50

C11, C11’, C11’’

КД-2-МПО-4.7Ф

3

4,50

13,50

Резисторы

R1, R2, R3, R4, R5

МЛТ-0.125-510ОМ

5

0,50

2,50

R1’, R1’’, R2’, R2’’, R3’, R3’’, R4’, R4’’, R5’, R5’’

МЛТ-0.125-1кОМ

10

0,50

5

R6, R6’, R6’’

МЛТ-0.125-3КОМ

3

0,50

1,50

R7, R7’, R7’’, R8, R8’, R8’’

МЛТ-0.125-75ОМ

6

0,50

3

R9, R9’, R9’’

МЛТ-0.125-300ОМ

3

0,50

1,50

Операционные усилители

DA1, DA1’, DA1’’, DA2, DA2’, DA2’’, DA3, DA3’, DA3’’

К1407УД1

9

8

72

Транзисторы

VT1, VT1’, VT1’’

КТ315Б

3

5

15

Печатная плата

1

5

5

Итого:

255

Транспортные расходы

5-10%

15

Всего:

270