Материал: Разработка устройства, выполняющего функцию усилителя-распределителя цифрового сигнала и цифро-аналогового преобразователя

Внимание! Если размещение файла нарушает Ваши авторские права, то обязательно сообщите нам

·   десятичный - с уровнями от 0 до 255 в 8-битовом варианте или от 0 до 1023 в 10-битовом варианте

·   шестнадцатеричный (hexadecimal - "hex") - с уровнями от 0 до FF в 8-битовом варианте или от 0 до 3FF в 10-битовом варианте.

В Европе также применяется довольно удобный способ записи в дробно-десятичном представлении 8/10 бит. Цифры до десятичной точки означают восемь старших разрядов, а цифры после десятичной точки означают два младших разряда с шагом 0.25. Например, число

.75 означает 10-битовый код 879, который в двоичном представлении записывается как 1101101111, а в шестнадцатеричном - 36F.

Переход от 8-битового кодирования к 10-битовому не представляет большой проблемы - два младших разряда устанавливаются на нулевые значения и получается 10-битовый код. Обратный переход возможен несколькими способами - с округлением или отбрасыванием младших разрядов. Запатентованный фирмой Quantel метод динамического округления (dynamic rounding) позволяет частично преодолевать недостатки 8-битовой обработки 10-битовых видеосигналов. Этот метод напоминает метод промежуточных цветов (dithering) применяемый в компьютерной технике для имитации цветов, отсутствующих в текущей палитре видеоадаптера.

Цифровое декодирование композитных сигналов

При декодировании сигналов наибольшее влияние на качество результирующего изображения оказывает способ разделения составляющих яркости и цветности. Должно обеспечиваться такое качество разделения, при котором уровень остаточного сигнала цветности в канале яркости не превышает минус 46 дБ на ровных участках изображения.

Самым простым и надежным способом разделения яркости и цветности является применение вилки фильтров ФНЧ/ФВЧ. Этот способ и сейчас широко применяется в бытовой аппаратуре. Однако, этот способ приводит к существенному снижению качества декодированного изображения. Вследствие неполного разделения сигналов яркости и цветности он приводит к пониженной четкости яркостной составляющей и высокому уровню перекрестных помех яркость-цветность (cross-colour) и цветность-яркость (cross-luminance).

Перекрестная помеха "яркость-цветность" - это дефект декодированного ТВ изображения, который проявляется в виде паразитных цветных узоров на высокочастотных текстурах яркости. Цветные муары появляются, например, на неокрашенном клетчатом пиджаке вследствие биений этой яркостной текстуры с цветовой поднесущей. Перекрестная помеха "цветность-яркость" проявляется в виде мелких точек вблизи резких или движущихся цветовых переходов на краях объектов с высокой насыщенностью.

В профессиональной технике применяются более сложные методы разделения сигнала на отдельные составляющие. Строчный гребенчатый фильтр использует для разделения составляющих яркости и цветности композитные сигналы по меньшей мере двух (обычно трех) пространственно соседних строк в одном ТВ поле. При этом удается полностью выделять чисто вертикальные яркостные структуры, не создавая каких-либо перекрестных помех. Однако данный тип фильтра принципиально не способен отличать диагональные яркостные структуры от сигнала цветности, поэтому такие составляющие изображения оказываются пораженными перекрестной помехой яркость-цветность.

Многие декодеры имеют переключаемую (вручную, или автоматически, т.е. адаптивно) конфигурацию гребенчатого фильтра. Например, декодер может имеет два режима работы. В одном из них его апертура может быть конфигурирована для обработки трех смежных полей, что дает очень четкие изображения при задержке декодера, равной одному ТВ кадру. В режиме минимальной задержки для получения четкого декодированного изображения используются данные лишь двух смежных полей, но задержка составляет всего две ТВ строки с подстройкой в пределах до половины строки. В обоих режимах ошибки гребенчатого фильтра минимизируются благодаря использованию усовершенствованного алгоритма адаптации по оси времени.

При любом способе разделения всегда остаются такие структуры яркостной составляющей изображения, которые принципиально невозможно отличить от сигнала цветности. Примером являются движущиеся с определенной скоростью диагональные текстуры. Если их пространственная частота и скорость перемещения оказываются близкими к параметрам цветовой поднесущей, то даже самый совершенный декодер неизбежно направляет их в канал цветности. Различие между качественным декодером и низкокачественным декодером состоит, прежде всего, в том, насколько близкими к параметрам цветности должны быть параметры яркостной структуры, чтобы декодер перестал их различать. Для студийных сигналов наилучшие результаты достигаются при применении многоотсчетного адаптивного полевого гребенчатого фильтра.

4.2 Цифро-аналоговый преобразователь

Цифро-аналоговые преобразователи (ЦАП) служат для преобразования информации из цифровой формы в аналоговый сигнал. Схемотехника цифро-аналоговых преобразователей весьма разнообразна. На рис. 4.2.1 представлена классификационная схема ЦАП по схемотехническим признакам. Кроме этого, интегральные микросхемы (ИМС) цифро-аналоговых преобразователей классифицируются по следующим признакам:

o     По виду выходного сигнала: с токовым выходом и выходом в виде напряжения.

o     По типу цифрового интерфейса: с последовательным вводом и с параллельным вводом входного кода.

o     По числу ЦАП на кристалле: одноканальные и многоканальные.

o     По быстродействию: умеренного и высокого быстродействия.

Рис. 4.2.1. Классификация ЦАП

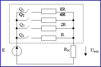
Принцип работы ЦАП состоит в суммировании аналоговых сигналов, пропорциональных весам разрядов входного цифрового кода, с коэффициентами, равными нулю или единице в зависимости от значения соответствующего разряда кода. ЦАП преобразует цифровой двоичный код Q10Q9Q8Q7Q6Q5Q4Q3Q2Q1 в аналоговую величину, обычно напряжение Uвых.. Каждый разряд двоичного кода имеет определенный вес i-го разряда вдвое больше, чем вес (i-1)-го. Работу ЦАП можно описать следующей формулой:

вых=e*(Q1 1+Q2*2+Q3*4+Q4*8+…+ Q10*1024) (4.2.1)

где e - напряжение, соответствующее весу младшего разряда, Qi - значение i -го разряда двоичного кода (0 или 1).

Например, числу 1001 соответствуетвых=у*(1*1+0*2+0*4+1*8)=9*e, а числу 1100вых=e*(0*1+0*2+1*4+1*8)=12*e.

Рис. 4.2.2. Схема цифро-аналогового преобразователя

Упрощенная схема реализации ЦАП представлена на рис 4.2.2. В схеме i - й ключ замкнут при Qi=1, при Qi=0 - разомкнут. Регистры подобраны таким образом, что R>>Rн. Эквивалентное сопротивление обведенного пунктиром двухполюсника Rэк и сопротивление нагрузки Rн образуют делитель напряжения, тогда

вых = E Rн / Rэк + Rн » E*Rн / Rэк (4.2.2)

Проводимость двухполюсника 1 / Rэк равна сумме проводимостей ветвей (при Qi=1 i - ветвь включена, при Qi=0 - отключена):

/ Rэк = Q1 / 8R + Q2 / 4R + Q3 / 2R + Q4 / R (4.2.3)

Подставив (4.2.3) в (4.2.2), получаем выражение, идентичное (4.2.1)

вых = (8Е Rн / R)*( Q1*1 + Q2*2 + Q3*4 + Q4*8 )

Очевидно, что е = 8Е Rн / R. Выбором е можно установить требуемый масштаб аналоговой величины.

Иными словами ЦАП преобразует числа, определенного в виде двоичного кода, в напряжение или ток, пропорциональные значению цифрового кода. В десятиразрядном ЦАП имеется набор источников фиксированных напряжений, соответствующих каждому из 10 разрядов, и устройство для синхронного подключения (или отключения) этих напряжений к сумматору в зависимости от поступающих символов. Напряжение на выходе ЦАП максимальное, когда со всех элементов поступают единицы. Для десятиразрядного кода число дискретных уровней равно:

L = 2^10 = 1024 ,

Максимальный размах цифровых яркостного и цветоразностных сигналов составляет 800 мВ.

Тогда цены разрядов начиная с самого младшего равны

/1024 мВ, 800/512 мВ, 800/256 мВ, … , 800/2 мВ.

При кодовом слове, поступающем на вход ЦАП в виде 0,111111111111, напряжение на выходе будет максимально и равно

/2 + 800/4 + 800/8 +…+ 800/512 + 800/1024 = 700 мВ,

а при слове 0,00000000001 напряжение будет минимально и равно

/1024 = 0,78 мВ.

Рассмотрим статические параметры ЦАП.

При последовательном возрастании значений входного цифрового сигнала D(t) от 0 до 2N-1 через единицу младшего разряда (ЕМР) выходной сигнал Uвых(t) образует ступенчатую кривую. Такую зависимость называют обычно характеристикой преобразования ЦАП. В отсутствие аппаратных погрешностей средние точки ступенек расположены на идеальной прямой 1 (рис. 22), которой соответствует идеальная характеристика преобразования. Реальная характеристика преобразования может существенно отличаться от идеальной размерами и формой ступенек, а также расположением на плоскости координат. Для количественного описания этих различий существует целый ряд параметров.


Разрешающая способность - приращение Uвых при преобразовании смежных значений Dj, т.е. отличающихся на ЕМР. Это приращение является шагом квантования. Для двоичных кодов преобразования номинальное значение шага квантования h=Uпш/(2N-1), где Uпш - номинальное максимальное выходное напряжение ЦАП (напряжение полной шкалы), N - разрядность ЦАП. Чем больше разрядность преобразователя, тем выше его разрешающая способность.

Погрешность полной шкалы - относительная разность между реальным и идеальным значениями предела шкалы преобразования при отсутствии смещения нуля.

.

Является мультипликативной составляющей полной погрешности. Иногда указывается соответствующим числом ЕМР.

Погрешность смещения нуля - значение Uвых, когда входной код ЦАП равен нулю. Является аддитивной составляющей полной погрешности. Обычно указывается в милливольтах или в процентах от полной шкалы:

.

Нелинейность - максимальное отклонение реальной характеристики преобразования Uвых(D) от оптимальной (линия 2 на рис. 22). Оптимальная характеристика находится эмпирически так, чтобы минимизировать значение погрешности нелинейности. Нелинейность обычно определяется в относительных единицах, но в справочных данных приводится также и в ЕМР. Для характеристики, приведенной на рис. 22

.

Дифференциальная погрешность - максимальное изменение (с учетом знака) отклонения реальной характеристики преобразования Uвых(D) от оптимальной при переходе от одного значения входного кода к другому смежному значению. Обычно определяется в относительных единицах или в ЕМР. Для характеристики, приведенной на рис. 22,

.

Монотонность характеристики преобразования - возрастание (уменьшение) выходного напряжения ЦАП Uвых при возрастании (уменьшении) входного кода D. Если дифференциальная нелинейность больше относительного шага квантования h/Uпш, то характеристика преобразователя немонотонна.

Температурная нестабильность ЦА-преобразователя характеризуется температурными коэффициентами погрешности полной шкалы и погрешности смещения нуля.

Погрешности полной шкалы и смещения нуля могут быть устранены калибровкой (подстройкой). Погрешности нелинейности простыми средствами устранить нельзя.

Динамические параметры ЦАП определяются по изменению выходного сигнала при скачкообразном изменении входного кода, обычно от величины "все нули" до "все единицы" (рис. 23).

Время установления - интервал времени от момента изменения входного кода (на рис. 23 t=0) до момента, когда в последний раз выполняется равенство

|Uвых-Uпш|=d/2,

причем d/2 обычно соответствует ЕМР.

Скорость нарастания - максимальная скорость изменения Uвых(t) во время переходного процесса. Определяется как отношение приращения Uвых ко времени t, за которое произошло это приращение. Обычно указывается в технических характеристиках ЦАП с выходным сигналом в виде напряжения. У ЦАП с токовым выходом этот параметр в большой степени зависит от типа выходного ОУ.

Для перемножающих ЦАП с выходом в виде напряжения часто указываются частота единичного усиления и мощностная полоса пропускания, которые в основном определяются свойствами выходного усилителя.

Шумы ЦАП

Шум на выходе ЦАП может появляться по различным причинам, вызываемым физическими процессами, происходящими в полупроводниковых устройствах. Для оценки качества ЦАП с высокой разрешающей способностью принято использовать понятие среднеквадратического значения шума. Измеряются обычно в нВ/Гц)1/2 в заданной полосе частот.

Выбросы (импульсные помехи) - крутые короткие всплески или провалы в выходном напряжении, возникающие во время смены значений выходного кода за счет несинхронности размыкания и замыкания аналоговых ключей в разных разрядах ЦАП. Например, если при переходе от значения кода 011...111 к значению 100...000 ключ самого старшего разряда ЦА-преобразователя с суммированием весовых токов откроется позже, чем закроются ключи младших разрядов, то на выходе ЦАП некоторое время будет существовать сигнал, соответствующий коду 000...000.

Выбросы характерны для быстродействующих ЦАП, где сведены к минимуму емкости, которые могли бы их сгладить. Радикальным способом подавления выбросов является использование устройств выборки-хранения. Выбросы оцениваются по их площади (в пВ*с).

Важную часть цифро-аналогового преобразователя составляет цифровой интерфейс, т.е. схемы, обеспечивающие связь управляющих входов ключей с источниками цифровых сигналов. Структура цифрового интерфейса определяет способ подключения ЦАП к источнику входного кода, например, микропроцессору или микроконтроллеру. Свойства цифрового интерфейса непосредственно влияют и на форму кривой сигнала на выходе ЦАП. Так, неодновременность поступления битов входного слова на управляющие входы ключей преобразователя приводит к появлению узких выбросов, "иголок", в выходном сигнале при смене кода.

При управлении ЦАП от цифровых устройств с жесткой логикой управляющие входы ключей ЦАП могут быть непосредственно подключены к выходам цифровых устройств, поэтому во многих моделях ИМС ЦАП, особенно ранних (572ПА1, 594ПА1, 1108ПА1, AD565А и др.), сколь-нибудь существенная цифровая часть отсутствует. Если же ЦАП входит в состав микропроцессорной системы и получает входной код от шины данных, то он должен быть снабжен устройствами, позволяющими принимать входное слово от шины данных, коммутировать в соответствии с этим словом ключи ЦАП и хранить его до получения другого слова. Для управления процессом загрузки входного слова ЦАП должен иметь соответствующие управляющие входы и схему управления. В зависимости от способа загрузки входного слова в ЦАП различают преобразователи с последовательным и параллельным интерфейсами входных данных.

Для данного устройства выберем микросхему К572ПА1А. /13/ Микросхема К572ПА1А является набором универсальных функциональных элементов для построения 10-разрядных умножающих ЦАП последовательных приближений, управляемых делителей токов и напряжений, а также других сложнофункциональных схем. Зарубежным аналогом этой микросхемы является AD7520. Микросхема К572ПА1А осуществляет преобразование входного двоичного параллельного цифрового кода в выходной ток, пропорциональный значению кода и (или) опорного напряжения. Обладает возможностью реализации полного двух- и четырехквадратного умножения сигналов, малой потребляемой мощностью. Выполнена на комплементарных МОП-транзисторах с поликремневыми затворами и поликремневых прецизионных резисторах, не требующих лазерной подгонки, и содержит 144 интегральных элемента. Конструктивно оформлена в металлокерамическом корпусе типа 201.16-8 или 201.16-17. Масса микросхемы не более 2г.