Материал: Разработка универсального тахометра

Внимание! Если размещение файла нарушает Ваши авторские права, то обязательно сообщите нам

Отличительными особенностями бытовой радиоаппаратуры являются: - повышенное эстетическое значение внешнего вида и акустических данных; - приспособленность к эксплуатации совершенно неподготовленным человеком; - массовое или крупносерийное производство и определяющие значение стоимости.

Класс 2 - морские РЭС.

Этот класс включает три основные группы: судовую (пассажирские и грузовые суда), корабельную (надводные военные корабли и подводные лодки) и буйковую аппаратуру и отличается тремя особенностями: - комплексное воздействие климатических и механических факторов (100 %-ная влажность при повышенной температуре и солевом тумане в сочетании с непрерывной вибрацией от двигателей, ударными перегрузками и линейными ускорениями); - длительное автономное плавание с отрывом от ремонтных баз; - акустические, магнитные и радиационные воздействия.

Отличительными чертами судовой и корабельной аппаратуры является:

высокий уровень типизации в целях упрощения снабжения судов запасными частями;

возможность ремонта на месте установки в условиях ограниченного пространства при минимальном количестве персонала и контрольно-измерительного оборудования без захода на ремонтную базу;

необходимость учета ограниченного размера люков и проходов на судне;

защита от сильных высокочастотных и низкочастотных (от гидроакустических станции) электромагнитных полей. Насыщенность современных судов различной аппаратурой столь высока, что обеспечение удовлетворительной электромагнитной совместимости возможно при принятии специальных мер при конструировании самого судна;

вибростойкостью (работа механизмов) и ударостойкостью при ударах волн и стрельбах, стойкостью к ускорениям, возникающим при качке. Радиолокационные установки, устройства передачи сигналов бедствия должны сохранять работоспособность в случае повреждения самого судна в результате столкновения или других аварийных ситуациях.

Буйковая аппаратура служит навигационным и другим целям и характеризуется:

особой продолжительностью необслуживаемой эксплуатации;

воздействием сильных ударов при волнении моря и постановке буя;

Класс 3 - бортовые РЭС.

Разделяется на группы авиационной, космической и ракетной техники.

Отличительными особенностями класса являются существенные требования к массогабаритным характеристикам без снижения функциональных возможностей и обеспечение работоспособности в условиях пониженного давления (до 2 кПа на высоте 26 км).

Авиационная аппаратура характеризуется относительной кратковременностью непрерывной работы, измеряемой часами. В остальное время она находится под контролем персонала ремонтной базы: подвергается периодическому осмотру и контролю, перед каждым полетом проводится предполетная проверка. Конструкция такой аппаратуры должна обладать высокой контроле- и ремонтопригодностью, обеспечивая свободный доступ к внутренним частям для уменьшения времени на поиск неисправности. Самолетная аппаратура подвергается значительным ударным и вибрационным воздействиям в широком диапазоне частот. Перепад температур также может быть очень большим. Так, например, при стоянке в южных районах корпус самолета нагревается до + 50 град, а при полете на высоте 10 км температура за бортом опускается до -50 град. При разработке подобной аппаратуры следует также учитывать большую загруженность летчика процессом управления самолетом.

К космическим и ракетным РЭС, помимо общих требований к бортовому классу, предъявляют дополнительные и очень жесткие требования по ограничению массы и габаритов, обеспечению сверхвысокой безотказности, высокой ремонтопригодности в предстартовый период и стойкости к действию вибраций и линейных перегрузок при запуске. Вполне очевидно, что любые затраты на повышение показателей безотказности РЭС во время полета и ремонтопригодности в предстартовый период будут малы по сравнению с общей стоимостью запуска космического корабля. Поэтому функциональные узлы многих систем резервируются.

.7 Выбор и обоснование конструкции универсального тахометра

С точки зрения материалов, используемых для изготовления корпусов для РЭА, все изделия можно разделить на 3 группы: 1. Стальные. Как правило это стационарные довольно габаритные изделия. Изготовленные, чаще всего из листовой стали. Элементы либо сварены между собой, либо крепятся винтами к специальным сухарям или уголкам. Требования к таким конструкциям обычно предъявляются не очень высокие, и используются они, как правило, в производственных цехах. 2. Алюминиевые. Зачастую изготавливаются не из алюминия, а из алюминиевых сплавов. Наиболее распространены дюралевые корпуса (изготовленные из дюралюминия). Этот материал легок (удельный вес около 2,8 г/куб. см), не корродирует при взаимодействии с водой, хорошо обрабатывается механически и позволяет получить высокую чистоту поверхности. Иногда применяют алюминиевые сплавы АМг и АМц. (Кстати сказать, при анодировании деталей из этих двух сплавов, покрытие на них получается более равномерное, яркое и сочное по окраске, нежели на дюралевых). Очень хорошо зарекомендовал себя во всех отношениях алюминиевый сплав В95. 3. Неметаллические. Бывают случаи, когда корпуса радиоэлектронных устройств (или их детали и компоненты) изготавливаются из неметаллов. Чаще всего это полимерные материалы - текстолит, фторопласт, АБС-пластик.

Так как универсальный тахометр используется в лабораторных условиях, был выбран корпус, предназначенный для настольной техники и радиоэлектронной аппаратуры. Форма корпуса делает его более устойчивым. В крышке корпуса предусмотрено отверстие для индикатора, кнопки «Режим» «Выше» «Ниже» и ручки плавной настройка R2. Этот корпус изготовлен из ударопрочного АБС-пластика, окрашиванию не подлежит.

Описание и марки полимера-АБС-пластика:

АБС пластик-это термопластическая ударопрочная техническая смола, сополимер акрилонитрил-бутадиен-стирол. Это пластический материал с желтоватым оттенком, хотя имеются и прозрачные модификации продукта. АБС-пластики легко окрашиваются в любые цвета.

Благодаря сочетанию акрилонитрильных и бутадиеновых звеньев со стиролом АБС пластик ударопрочен и эластичен. Он имеет уникальные физические свойства, это самый востребованный материал для производства формованных изделий. Промышленность производит АБС пластик в виде однородных гранул разных цветов. На основе АБС материала производят различные композиты, которые относятся к классу специальных полимеров.

Также на российском рынке могут встречаться и такие названия этого материала, как: АБС, ABS, АБС сополимер, сополимер акрилонитрила, бутадиена и стирола.

АБС-сополимер относится к группе инженерных пластиков. По показателям механической прочности, жесткости и ударопрочности акрилонитрилбутадиенстирол значительно превосходит ударопрочный полистирол, полистирол обычный и многие другие стирольные сополимеры. АБС пластик износостоек, выдерживает кратковременный нагрев до 90 -100 С. Максимальная температура при длительной эксплуатации лежит в пределах от 75 до 80 оС.

АБС пластик широко применяется для нанесения на него гальванического покрытия и вакуумной металлизации. Он легко сваривается, также применяется для точного литья.

Преимущества АБС пластика:

·              высокая стабильность размеров;

·              устойчивость к щелочам;

·              высокая устойчивость к растворам кислот и неорганических солей;

·              устойчивость к жирам, смазочным маслам, бензину и углеводородам;

·              ровная блестящая поверхность. Имеются марки как с пониженным, так и с повышенным уровнем блеска, а также матовые.

Основные недостатки АБС пластика:

·              Невысокая устойчивость к ультрафиолетовому излучению;

·              Растворимость в бензоле, ацетоне, эфире, анизоле, анилине и этилхлориде;

·              Невысокая устойчивость к атмосферным воздействиям;

·              Невысокие электроизоляционные свойства (в отличие от полистирола);

Свойства АБС пластика можно значительно изменять, если модифицировать исходный материал. Так, прозрачный АБС - сополимер получается при использовании четырех мономеров (в качестве четвертого применяется метилметакрилат). Чтобы повысить атмосфероустойчивость, бутадиен заменяют насыщенным эластомером. Чтобы значительно повысить теплостойкость АБС пластика, к трем имеющимся мономерам добавляют альфаметилстирол.

Конструкция корпуса универсального тахометра.

Степень защиты от внешних воздействий выполняется по ГОСТ 14254-96

На верхней части корпуса имеются фиксаторы, которые удерживают крышку корпуса. На крышке просверливаются отверстия для кнопок SA1-3, ручки плавной регулировки R2 и индикатора HG1.

Корпус выполняется литьем из гранулированного АБС-пластика.

Суть технологии состоит в использовании двухкомпонентных полимеров для заливки в эластичные силиконовые формы в среде технологического вакуума.

Компоненты основы под пластиковые корпуса подбираются согласно требуемым физико-механическим свойствам конечного изделия. Составляющие перемешиваются, жидкая смесь подогревается для получения нужной текучести и через систему литников заливается в подогретую силиконовую форму. Технологический срок жизни жидкой смеси зависит от состава компонентов и их процентного соотношения.

Вакуум нужен для:

·              удаления пузырьков воздуха и газов, образующихся при смешивании компонентов основы;

·              повышенной текучести и хорошего заполнения формы любой сложности.

После полимеризации в условиях вакуума, пластиковые корпуса извлекается из форм и подвергаются последующей обработке:

·              отрезаются литники;

·              удаляется облой.

Деталь готова к использованию, окрашиванию или дальнейшей обработке.

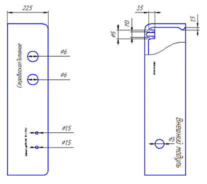
Такая конструкция обеспечивает малую трудоемкость и стоимость изготовления. Корпус допускает использование его в лабораторных условиях. На рисунке 13 приведен общий вид корпуса без крышки.

Рисунок 11 Общий вид корпуса без крышки

С левой и правой сторон корпуса выполняются отверстия для разъемов X1, X2 и X3, а так же отверстия для переключателей SB1 и SB2. Переключатели вынесены из корпуса для экономии места в корпусе, так как устройство будет размещаться на лабораторном стенде, эти переключатели могут включаться со стенда. Помимо этого, эти переключатели реализуют включение устройства и включение стробоскопа, которые производятся преподавателем или лаборантом.

Отверстия для разъемов производятся на этапе литья, диаметр отверстий для разъемов составляет 6 мм. Так же от корпуса к разъемам подведены заглушки, которые предохраняют устройство от попадания пыли. Таким образом, гнёзда разъемов утоплены в корпус, и на боковых стенках устройства нет выступающих частей. Боковые виды корпуса представлены на рисунке 14.

В районе отверстий необходимо нанести маркировку, поясняющую назначение разъемов.

Так же для удобства перемещения устройства сделано скругление углов при переходе от стенок корпуса к его дну. Радиус скругления - 3 мм.

Крышка корпуса так же выполнена из АБС-пластика, в ней выполнены отверстия для кнопок SA1, SA2, SA3, регулятора R2 и индикатора HG1. Отверстия для кнопок и регулятора выполнено сверлением, отверстие для индикатора выполнено вырубкой. На крышку корпуса нанесена маркировка с названием устройства и назначением кнопок.

Для крепления крышки и корпуса использованы фиксаторы, которые обеспечивают надежное крепление крышки к корпусу, но в то же время дают возможность быстро снять крышку для доступа к печатному узлу устройства с целью ознакомления, ремонта, либо для проведения профилактических работ, увеличивающих срок службы устройства.

Виды крышки представлены на рисунке 15.

Рисунок 12 Вид боковых стенок корпуса

Рисунок 13 Вид крышки корпуса устройства

Фиксация крышки на корпусе обозначена на рисунке 16. Окрашивание производится шелкографией.

Рисунок 14 Крепление крышки на корпусе

Преимущества такой компоновки:

·              Простота настройки и управления работой изделия;

·              Быстрота замены составных частей блока;

·              Уменьшение габаритных размеров корпуса устройства;

·              Достаточная механическая прочность и устойчивость изделия;

·              Уменьшение составных частей всего блока.

Установка индикатора HG1 на печатную плату осуществляется посредством разъемов, стоек и крепежа. Это позволяет сэкономить много места на печатной плате, индикатор занимает примерно 1/3 печатной платы.

Вид установки индикатора на печатную плату представлен на рисунке 17.

Рисунок 15. Установка индикатора на печатную плату.

3. Технологическая часть

         

Проводя анализ типовых технологических процессов (ТП) сборки и монтажа печатных узлов необходимо пояснить ряд понятий и определений, необходимых для наиболее верного описания.

          Типовым ТП называется схематичный процесс сборки и монтажа изделий одной классификационной группы, включающий основные элементы конкретного процесса: способ установки базовой детали и ориентации остальных, последовательность операций, типы технологического оснащения, режимы работы, приближенную трудоемкость для заданного выпуска изделий. По типовому процессу легко составляется конкретный процесс сборки изделия.

          Сборка представляет собой совокупность технологических операций механического соединения деталей и ЭРЭ в изделии или его части, выполняемых в определенной последовательности для обеспечения заданного их расположения и взаимодействия. Выбор последовательности операций сборочного процесса зависит от конструкции изделия и организации процесса сборки.

          Монтажом называется ТП электрического соединения ЭРЭ изделия в соответствии с принципиальной или электромонтажной схемой. Монтаж проводится с помощью печатных, проводных или тканных плат, одиночных проводников, жгутов и кабелей. Основу монтажно-сборочных работ составляют процессы формирования электрических и механических соединений.

          В соответствии с последовательностью технологических операций процесс сборки или монтажа делится на сборку (монтаж) отдельных сборочных единиц (плат, блоков, панелей, рам, стоек) и общую сборку (монтаж) изделия. Организационно он может быть стационарным или подвижным с концентрацией или дифференциацией операций.

          Стационарной называется сборка, при которой собираемый объект неподвижен, а к нему в определенные промежутки времени подаются необходимые сборочные элементы. Подвижная сборка характеризуется тем, что сборочная единица перемещается по конвейеру вдоль рабочих мест, за каждым из которых закреплена определенная часть работы. Перемещение объекта сборки может быть свободным по мере выполнения закрепленной операции или принудительным в соответствии с ритмом процесса.

          Сборка по принципу концентрации операций заключается в том, что на одном рабочем месте производится весь комплекс работ по изготовлению изделия или его части. При этом повышается точность сборки, упрощается процесс нормирования. Однако большая длительность цикла сборки, трудоемкость механизации сложных сборочно-монтажных операций определяют применение такой формы в условиях единичного и мелкосерийного производства.