Материал: Разработка универсального тахометра

Внимание! Если размещение файла нарушает Ваши авторские права, то обязательно сообщите нам

Импульсный метод, основанный на определении частоты электрических импульсов, формируемых с помощью контактного или бесконтактного (фотоэлектрического, индуктивного, емкостного и др.) прерывателя или коммутатора, связанного с валом, скорость вращения которого контролируется;

За последние годы начали развиваться электрические приборы, у которых измерение угловой скорости сводится к измерению частоты импульсов электрического тока, генерируемого вращающимся валом. Современная электроизмерительная техника позволяет производить такие измерения с более высокой точностью, чем непосредственное измерение угловой скорости. Благодаря строгому постоянству соотношения между числом оборотов вала и частотой импульсов точность измерения угловой скорости при помощи этих приборов удается доводить до 0,01%. Приборы этого типа показывают мгновенное значение угловой скорости и могут быть названы электрическими импульсными тахометрами. Показания их выражают среднюю угловую скорость за короткий промежуток времени (0,5-0,6 сек.)

Такие приборы называют электронными тахоскопами, хотя вследствие краткости измерительного периода (меньше секунды) они также дают практически мгновенные значения угловой скорости. Значит, в каждом диапазоне тахометр измеряет разницу между истинным значением скорости и наибольшим значением шкалы предыдущего диапазона. К этой группе относятся импульсные приборы для измерения средней угловой скорости, которые по принципу измерения подобны механическим тахоскопам. Средняя угловая скорость измеряется путем счета импульсов, генерируемых датчиком за определенный отрезок времени. Они были созданы для счета импульсов, поступающих из счетчиков радиоактивного излучения, откуда и были заимствованы для целей измерения угловой скорости. Сличение производится при нескольких скоростях в пределах шкалы поверяемого тахометра. Для этой цели служат специальные установки, позволяющие осуществить в широких пределах плавное изменение угловой скорости вала, приводящего во вращение сличаемые тахометры.

Недостатками таких приборов можно считать относительную сложность исполнения.

Электрические тахометры основаны на косвенном принципе измерения. К валу, скорость которого измеряется, присоединяется датчик в виде генератора, чаще всего постоянного тока. Напряжение генератора измеряется вольтметром, шкала которого градуируется в числах оборотов в минуту Достоинство электрических тахометров - достаточно высокая точность показаний и возможность дистанционного отсчета измеряемой величины одновременно в нескольких местах.

В электрических тахометрах измеряемая угловая скорость, преобразуется в постоянный, переменный или импульсный ток. В зависимости от рода тока и преобразователя, можно выделить электромашинные тахометры постоянного и переменного тока, электроимпульсные емкостные тахометры и счетно-импульсные тахометры. Тахометр с электрическим генератором представляет собой сочетание генератора постоянного или переменного (рис. 5) и вторичного электроизмерительного прибора.

Принцип действия электрического генератора заключается в том, что при движении проводника в магнитном поле возникает электродвижущая сила. Величина электродвижущей силы пропорциональна магнитной индукции, длине проводника и скорости его движения.

У электрических тахометров постоянного тока характеристика линейная, а у тахометров переменного тока - нелинейная. Тем не менее, более широкое применение получили электромашинные тахометры переменного тока. Их основное преимущество перед тахометрами постоянного тока состоит в том, что генератор переменного тока не имеет коллектора, благодаря чему тахометр лучше сохраняет свою первоначальную точность в процессе длительной работы.

Тахометры с электрическими генераторами в отличие от центробежных и магнитных дают возможность дистанционной передачи показаний, так как вторичный прибор мотет быть удален на значительное расстояние от места измерения. В авиации находят широкое применение электрические тахометры типа ТЭ. Дистанционный электрический тахометр типа ТЭ представляет собой сочетание синхронной передачи и указателя, аналогичного магнитоиндукционному тахометру.

Рисунок 5. Электрический тахометр  с переменным генератором

Датчиком синхронной передачи служит трехфазный генератор (1) с ротором в виде постоянного магнита. При вращении ротора в обмотках статора возникает переменный ток, частота которого соответствует угловой скорости ротора. Датчик связан трехпроводной линией с приемником (2), в котором имеется синхронный электродвигатель. Для улучшения пусковых характеристик в роторе электродвигателя, кроме постоянных магнитов, установлены три стальных диска (3). Магниты посажены на ось ротора свободно и связаны с ней через пружину. Это обеспечивает быстрый переход вращения ротора электродвигателя из асинхронного в синхронный режим. На конце вала электродвигателя укреплен магнитный узел (4), содержащий шесть пар полюсов постоянных магнитов, между которыми расположен металлический диск (5) подвижной части указателя. В результате взаимодействия вращающегося магнитного узла с вихревыми токами в металлическом диске возникнет вращающий момент, пропорциональный измеряемой скорости. На одной оси с диском расположены: противодействующая спиральная пружина (6), индукционный успокоитель (7) и стрелка указателя прибора (8).

Рисунок 6. Магнитоиндукционный тахометр

Дистанционные магнитные тахометры обладают сравнительно высокой точностью (погрешность не более 0,2-0,5%) имеют равномерную шкалу, достаточно надежны в работе. Минусом данного метода можно считать сложность и дороговизну исполнения.

1.2 Методы измерений, используемые в устройстве

Простейший из тахометров, применяемый для быстрых оценочных измерений - механический тахометр. На валу тахометра, которому при контакте передается вращение исследуемого объекта, установлена муфта с прикрепленными к ней на шарнирах грузами. При вращении вала грузы расходятся и перемещают муфту вдоль вала. Положение муфты на валу определяется скоростью вращения. Муфта связана рычажками со стрелкой, движущейся по циферблату. Шкала прибора проградуирована в единицах об/мин. Очевидным недостатком такого тахометра является необходимость контакта вала тахометра с исследуемым вращающимся объектом, в результате чего изменяется скорость вращения самого объекта. Предпочтительнее поэтому пользоваться бесконтактными методами.

Главным минусом тахометров, требующих контакта с вращающейся деталью считается то, то такие тахометры оказывают воздействие на деталь, что приводит к погрешности измерений. Для данного устройства решено использовать три бесконтактных метода измерения:

·              Стробоскопический метод.

·              Импульсный метод.

o     Способ использующий фотопрерыватель

o     Способ, использующий отраженный ИК-луч.

Мы подробно остановимся на этих методах:

Стробоскопический метод.

В старых фильмах наблюдался следующий эффект: колеса локомотива или повозки медленно вращаются назад. Это происходит от того что фильмы снимались с частотой 24 кадра в секунду, и колеса вращающиеся быстрее чем 24 оборота в секунду испытывали на себе стробоскопический эффект. Первоначально, из-за этого эффекта колеса в изображении замедлялись, и когда колесо набирало скорость, которая совпадала со скоростью съемки - оно визуально останавливалось на пленке. Если мы знаем число спиц на колесе, мы можем рассчитать скорость вращения, при которой колесо «остановится». Например, если колесо имеет 8 спиц, тогда его скорость эквивалентна 1440 (количество кадров в минуте), деленным на 8, или 180 оборотов в минуту. Точно так же, скорость вращения машины может быть определена с помощью настройки частоты импульсов стробоскопа, при которой движущаяся часть машины «остановится».

Так же необходимо принять во внимание количество крыльчаток на пропеллере или вентиляторе или количество деталей, на которые можно опираться для отметки на изделии. Например, если на пропеллере есть 2 лопасти, то он «остановится» когда частота стробирования будет в два раза выше скорости вращения. Решение данной проблемы - нанесение отметки на одну из лопастей пропеллера. Либо внесение поправочного коэффициента, о котором будет рассказано ниже.

Различают два стробоскопических (стробос - вихрь, скопео - смотрю) эффекта. Первый из них состоит в том, что быстрая смена отдельных фаз движения тела воспринимается глазом как непрерывное движение. Это связано с тем, что клетки сетчатой оболочки глаза сохраняют зрительный образ в течение примерно 0,1 с после исчезновения зримого объекта. И, если время между появлениями отдельных изображений меньше 0,1 с, образы сливаются, и возникает иллюзия непрерывности движения. На этом эффекте основаны кинематограф и телевидение.

Второй стробоскопический эффект состоит в том, что при определенных условиях возникает иллюзия не движения, а, наоборот, покоя предмета, который на самом деле движется.

Если какой-нибудь объект совершает периодическое движение (колеблется или вращается), то при освещении его прерывистыми световыми вспышками, следующими через равные промежутки времени, предмет будет казаться неподвижным, если частота вспышек в точности равна частоте колебаний вращения. Объясняется это тем, что глаз будет отмечать положение тела в момент световой вспышки и сохранят этот зрительный образ до следующей вспышки, которая при равных частотах вспышек и вращения застанет предмет на том же месте. Когда частота вспышек в целое число раз больше частоты вращения картина тоже будет неподвижной, но теперь будет видно несколько “экземпляров” предмета. Если отношение частоты вспышек к частоте оборотов равно k, то за каждый оборот будет происходить k вспышек, которые застанут предмет в разных положениях, отличающихся на угол 2p/k. Равенство всех углов означает, что тело вращается с постоянной угловой скорость.

Если частота вспышек не в точности равна или не в точности кратна частоте вращения тела, то оно будет казаться медленно вращающимся в ту, или другую сторону в зависимости от соотношения частот. Если частота вспышек намного больше частоты вращения или ей величины, каждая последующая вспышка будет освещать предмет в положении, когда он еще не сделал полного оборота, и он будет казаться вращающимся в сторону, противоположному реальному вращению тела. Наоборот, если частота вспышек несколько меньше частоты вращения тела, кажущееся движение будет совпадать с направлением истинным. Такие стробоскопические иллюзии иногда наблюдаются в кино, когда, например, частота следования кинокадров больше или меньше частоты вращения колес.

Стробоскопический метод измерения частоты вращения обладает одним существенным недостатком, заключающийся в том, что одну и ту неподвижную картину можно наблюдать при различных значениях k. Напомним, что k есть отношение числа вспышек к числу оборотов предмета. Эта величина может быть как больше, так и меньше единицы. Если число вспышек больше числа оборотов, то k>1. Наоборот, если число вспышек меньше числа оборотов, то k<1.

Пусть наблюдается один “экземпляр” предмета. Это возможно, если за время, равное периоду следования вспышек, предмет повернулся на угол 2p, 4p, 6p и т.д. (в общем случае этот угол равен 2pm, где m=1,2,3,¼) т.е. совершил 1,2,3,¼ оборотов (в общем случае m оборотов). Другими словами, это возможно при k=1,1/2,1/3, ¼ (в общем случае k=1/m). Итак, если при освещении вращающегося объекта импульсным осветителем наблюдается один “экземпляр” предмета, то вывод, который из этого можно сделать заключается лишь в том, что число оборот или равно числу вспышек или в целое число раз меньше числа вспышек.

Такая же неоднозначность при наблюдении двух “экземпляров” предмета. Аналогично можно показать, что такая ситуация возможна, если k=2,2/3,2/5 и т.д. Нетрудно показать, что неоднозначность определения числа оборотов стробоскопическим методом существует при наблюдении любой неподвижной картинки.

Рисунок 7. Использование стробоскопа при измерениях скорости

Явными недостатками данного метода является неоднозначность измерений, использование такого метода сопряжено не только с простотой использования, но и необходимостью четко понимать принцип действия стробоскопического метода.

Рисунок 8. Использование фотопрерывателя для измерения количества оборотов

Рисунок 8 демонстрирует другой способ измерения скорости. В этом случае, сигнал запуска поступает в тахометр от сенсора, подключенного к машине. Это может быть оптический датчик, либо датчик использующий эффект Холла, который взаимодействует с вращающейся деталью или магнитом. Когда деталь вращается, датчик посылает импульсы в тахометр, и тахометр вычисляет количество оборотов в минуту и отображает это количество на экране.

Недостатком данного способа можно считать необходимость нанесения на вал диска с отверстиями-метками, так как это не всегда представляется возможным. Кроме того, диск оказывает воздействие на вал, в некоторых случаях весьма серьезное. Например, если диск имеет всего одну метку, может возникнуть биение вала, засчет разницы масс половин диска.

Рисунок 9. Пример разметки диска фотопрерывателя.

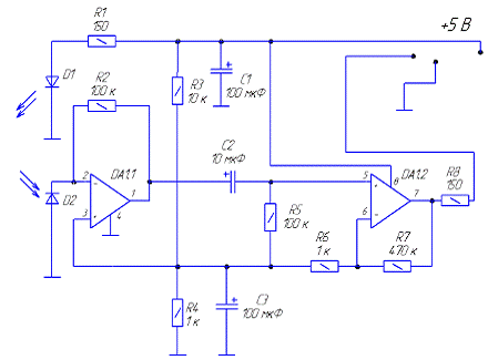
Третий способ измерения скорости вращения описан на рисунке 11. Это бесконтактный метод, основанный на отражении света от маркера, нанесенного на вращающуюся часть машины.

В некоторых случаях, отражающие полосы должны быть прикреплены к машине, чтобы получить как можно больше отраженного света во время вращения машины. В случае работы с пропеллером или лопастями вентилятора, изменение яркости будет достаточным для того чтобы не прибегать к дополнительным отражающим поверхностям.

В этом способе измерения инфракрасный луч направляется на вращающуюся деталь, а инфракрасный фотодиод улавливает отраженные световые волны (скорее, перепады от состояния «без отражения» и состояния «с отражением»). Использование ИК диапазона позволяет обойтись без дополнительных источников света для улучшения чтения.

 

Рисунок 10. Использование датчика ИК излучения при измерениях радиальной скорости.

Инфракрасное излучение - не видимое глазом электромагнитное излучение <#"804833.files/image029.gif">

Рисунок 11. Принципиальная схема фотопрерывателя

Рисунок 12. Принципиальная схема датчика отраженного излучения

2. Конструкторская часть

.1 Конструирование РЭА

Конструирование РЭА - сложный творческий процесс, не имеющей пока всеохватывающеей строгой математизированной базы и ведущийся методом многочисленных проб и последовательных приближений. Этот процесс больше искусство, чем наука, хотя решение многих проблем конструирования основано на использовании строгого математического аппарата (расчеты тепловых режимов, прочности, электрических допусков). Поэтому незначительные на первый взгляд погрешности или приближения, допущенные на ранних стадиях разработки РЭА, могут стать причиной крупных и непоправимых ошибок в дальнейшей работе.

Основными стадиями, на которых определяется конструкция РЭА, являются: подготовительная (аванпроект, или техническое предложение), эскизный проект, технический проект и разработка опытных образцов (рабочий проект). На подготовительной стадии анализируется техническое задание (ТЗ) на разработку РЭА, требуемые параметры сравниваются с параметрами аналогичной существующей РЭА, уточняются и согласуются с заказчиком неясные вопросы, после чего ТЗ утверждается и становится основным документом для дальнейшей работы. Изменение ТЗ допускается только с согласия заказчика и разработчика.