R1, R2 - МЛТ - 0,125 - 4,7 кОм±10%
DD1 - KP1533ИЗ33
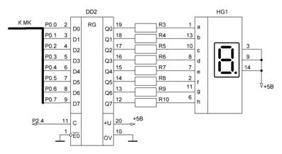
1.4.4 Разработка блока цифровой индикации
Блок цифровой индикации предназначен для отображения номера строки диагностического теста при ручном режиме тестирования. Для получения семисегментного кода используем аппаратную трассировку. В качестве индикатора используем одноразрядный семисегментный цифровой индикатор типа АЛС 321Б, имеющий параметры:
) Прямое соединение тока сегмента Iпр = 10мА.
) Прямое падение напряжения на одном сегменте Uпр = 2,8В.
Принципиальная схема блока цифровой индикации представлена на рисунке
1.9.
Рисунок 1.9 - Принципиальная схема блока цифровой индикации
Регистр DD1 предназначен для хранения двоичных
кодов выводимых на индикатор с порта P0. Регистр управляется по линии порта P2.4 и при высоком уровне P2.4 = 1 регистр передаёт данные со своих входов на выходы а
при низком уровне переходит в режим хранения. В качестве регистра используют
ИМС К1533ИP33. Для обеспечения режима работы
индикатора используем токоограничительные резисторы R1-R7 значение
которых определяем выражением:
, (3)
где Uпит = 5В - напряжение питания, Uпр = 2,8 В - падение напряжения на одном сегменте цифрового индикатора, Iпр = 10 мА - прямой ток через один сегмент цифрового индикатора, U0вых = 0,2 В - напряжение буферного регистра при уровне логического нуля.
Выбираем сопротивление из стандартного ряда значений R = 200 Ом.
R3-R10- С2 - 33 - 0,125 - 200 Ом ± 5%
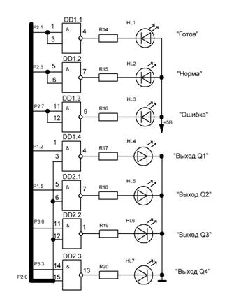
1.4.5 Разработка и расчет блока диодной индикации и индикации результатов
Блок индикации результатов предназначен для отображения результатов тестирования. В состав блока входит:
Индикатор “Готов”, который загорается после включения питания устройства и гаснет после нажатия кнопки “Тест”.
Индикатор “Норма” загорается при правильном прохождении диагностического теста.
Индикатор “Ошибка”, который загорается при неправильном прохождении диагностического теста.
Блок диодной индикации предназначен для отображения сосотояния выходом интегральной микросхемы в двоичном коде.
В качестве индикаторов используется полупроводниковый диод типа АЛ336Б.
Параметры индикатора:
Iпр = 12 мА;
Uпр = 2 В.
Принципиальная схема блока диодной индикации и индикации результатов представлена на рисунке 1.10.
Токоограничительные резисторы определяем из условия:
, (3)
где Uп = +5 В - напряжение питания;
Uпр = 2 В - прямое падение напряжения на сегменте индикатора;
Iпр = 12 мА - прямой ток.
Выбираем из ряда Е24 значение сопротивления 270 Ом.
Выбираем элементы:
R14-R20-C2-33-0,125-270 Ом ± 5%.
Рисунок 1.10 - Принципиальная схема блока диодной индикации и индикации
результатов
1.5 Разработка блока питания МПС
На питание схемы необходим источник постоянного напряжения +5В.
Определяем полный ток потребления по данным таблицы 7.
Таблица 1.5
Ток потребления элементов цепи
|
Элемент |
Кол-во |
Iпот.эл, мА |
Iпот, мА |
|
К555ЛИ1 |
1 |
8,8 |
8,8 |
|
АТ89S8252 |
1 |
220 |
220 |
|
КP1533ИР33 |
2 |
24 |
48 |
|
АЛС321Б |
2x7 |
10 |
140 |
|
АЛ336Б |
8 |
12 |
96 |
|
KT502A |
1 |
8.8 |
8.8 |
|
Итого |
- |
- |
351 |
Полный потребляемый ток равен Iпот = 0,351. Активная мощность потребляемая цепью равна Iпот = 5 * 0,351 = 1.7 Вт.
На основании потребляемого тока и мощности выбираем стандартный блок
питания типа NES-15-5.
Рисунок 1.10 - Блок питания типа NES-15-5
Таблица 1.6
Электрические параметры блока питания типа NES-15-5
|
Мощность |
15Вт |
|
Выходное напряжение |
5В |
|
Напряжение |
220В |
|
Ток на выходе |
3А |
|
Исполнение |
IP20 |
|
Стабилизация |
Напряжение |
|
Материал корпуса |
Сталь |
|
Температурный диапазон |
-20...+60°C |
|
Размеры |
78x51x28 мм |
|
Масса, кг |
0.1800 |
|
Гарантийный срок эксплуатации |
2 года |
микроконтроллер микропроцессорный цифровой интегральный
2. ЭКСПЛУАТАЦИОННО-ТЕХНОЛОГИЧЕСКИЙ РАЗДЕЛ
.1 Построение диагностических тестов для заданного цифрового устройства
Таблица состояний для интегральной микросхемы (ИМС) типа К555ЛИ1,
представлена в таблице 2.1.
Таблица 2.1
Таблица состояний для интегральной микросхемы типа К555ЛИ3
|
Вывод ИМС |
1 |
2 |
3 |
4 |
5 |
6 |
9 |
10 |
8 |
12 |
13 |
11 |
|
Вход/ выход |
A1 |
B1 |
Q1 |
A2 |
B2 |
Q2 |
A3 |
B3 |
Q3 |
A4 |
B4 |
Q4 |
|
|
0 |
0 |
0 |
0 |
0 |
0 |
0 |
0 |
0 |
0 |
0 |
0 |
|
|
0 |
1 |
0 |
0 |
1 |
0 |
0 |
1 |
0 |
0 |
1 |
0 |
|
|
1 |
0 |
0 |
1 |
0 |
0 |
1 |
0 |
0 |
1 |
0 |
0 |
|
|
1 |
1 |
1 |
1 |
1 |
1 |
1 |
1 |
1 |
1 |
1 |
1 |
На основании таблицы состояний тестируемой ИМС составляем диагностическую
таблицу состояний линии порта P1.
Таблица 2.2
Таблица состояний тестируемой ИМС
|
Вывод ИМС |
- |
7 |
6 |
5 |
4 |
3 |
2 |
1 |
DEC |
HEX |
|
Линии порта |
P1.7 |
P1.6 |
P1.5 |
P1.3 |
P1.2 |
P1.1 |
P1.0 |
|
|
|
|
Вход/ выход |
- |
- |
Q2 |
B2 |
A2 |
Q1 |
B1 |
A1 |
|
|
|
Состояние выходов |
0 |
0 |
1 |
0 |
0 |
1 |
0 |
0 |
36 |
24 |
|
|
0 |
0 |
1 |
1 |
0 |
1 |
1 |
0 |
54 |
36 |
|
|
0 |
0 |
1 |
0 |
1 |
1 |
0 |
1 |
45 |
2D |
|
|
0 |
0 |
1 |
1 |
1 |
1 |
1 |
1 |
63 |
3F |
На основании таблицы состояний тестируемой ИМС составляем диагностическую
таблицу состояний линии порта P3.
Таблица 2.3
Диагностическая таблица состояний линии порта P3
|
Вывод ИМС |
- |
14 |
13 |
12 |
11 |
10 |
9 |
8 |
DEC |
HEX |
|
Линии порта |
P3.7 |
P3.6 |
P3.5 |
P3.4 |
P3.3 |
P3.2 |
P3.1 |
P3.0 |
|
|
|
Вход/ выход |
- |
- |
B4 |
A4 |
Q4 |
B3 |
A3 |
Q3 |
|
|
|
Состояние выходов |
0 |
0 |
0 |
0 |
1 |
0 |
0 |
1 |
9 |
9 |
|
|
0 |
0 |
1 |
0 |
1 |
1 |
0 |
1 |
45 |
2D |
|
|
0 |
0 |
0 |
1 |
1 |
0 |
1 |
1 |
27 |
1B |
|
|
0 |
0 |
1 |
1 |
1 |
1 |
1 |
1 |
63 |
3F |
Таблица 2.4
Состояние выходов тестируемой ИМС при правильном прохождении диагностического теста
|
Вывод ИМС |
3 |
6 |
8 |
11 |
DEC |
HEX |
|
Линии порта |
P1.2 |
P1.5 |
P3.0 |
P3.3 |
|
|
|
Вход/ выход |
Q1 |
Q2 |
Q3 |
Q4 |
|
|
|
Состояние выходов |
1 |
1 |
1 |
1 |
|
|
|
|
1 |
1 |
1 |
1 |
|
|
|
|
1 |
1 |
1 |
1 |
|
|
|
|
0 |
0 |
0 |
0 |
0 |
0 |
.2 Разработка программы тестирования на языке Ассемблер
Микроконтроллер управляет работой устройства по линиям порта P2. Состояние линии порта и назначение
управляющий сигналов представлены в таблице 2.5
Таблица 2.5
Состояние линии порта и назначение управляющий сигналов
|
Линия порта |
Состояние линии |
Назначение управляющих сигналов |
|
P2.0 |
лог. “0” |
Отключение индикации состояния выходов ИМС |
|
|
лог. “1” |
Включение индикации состояния выходов ИМС |
|
P2.1 |
лог. “0” |
|
|
|
лог. “1” |
|
|
P2.2 |
лог. “0” |
Включение питания ИМС |
|
|
лог. “1” |
Выключение питания ИМС |
|
P2.3 |
лог. “0” |
Вывод данных из блока управления |
|
|
лог. “1” |
Отключение блока управления |
|
P2.4 |
лог. “0” |
Режим хранения семисегментного кода |
|
|
лог. “1” |
Вывод данных |
|
P2.5 |
лог. “0” |
Выключить индикатор “Готов” |
|
|
лог. “1” |
Включить индикатор “Готов” |
|
P2.6 |
лог. “0” |
Выключить индикатор “Норма” |
|
|
лог. “1” |
Включить индикатор “Норма” |
|
P2.7 |
лог. “0” |
Выключить индикатор “Ошибка” |
|
|
лог. “1” |
Включить индикатор “Ошибка” |
Блок-схема алгоритма работы МПС представлена на рисунке 2.1
Рисунок 2.1 - Блок-схема алгоритма работы МКС
Временная задержка используется в программе работы МПС, после подключения питания на тестируемую ИМС, а также для устранения влияния дребезга контактов при срабатывании кнопок. Временем задержки реализована подпрограмма Delay, она состоит из двух вложенных циклов.
Delay: Mov R6, #EXTR; Loop1: Mov R7, #INTR; Loop2: DJNZ R7, #LOO P1; DJNZ R6, #LOO P2; RET.
В технической документации на микроконтроллер указывается сколько машинных циклов выполняется каждая команда.
Mov - 2 МЦ; DJNZ - 2 МЦ;
RET - 2 МЦ; Call - 2 МЦ.
Время машинного цикла связанна с тактовой частотой соотношения:
Применяем времявнутреннего цикла: Твн = 500 мк/с.; Твнеш. = 20мл/с.
Твн = 2
· Тмц · INTR=
= 138 H
Твн = ((2+2)+500) · EXTR + (2+2+2) · Тмц
EXTR
= 27 Н
Рисунок 2.2 - Блок-схема алгоритма работы подпрограммы при автоматическом
режиме тестирования
Рисунок 2.3 - Блок - схема алгоритма подпрограммы тестирования для
ручного режима
Блок-схема алгоритма подпрограммы обработки диагностических тестов
представлена на рисунке 2.4
Рисунок 2.4 - Блок-схемы алгоритма подпрограммы обработки диагностических
тестов
Подпрограмма REZULT формирует
ячейки памяти с адресом 24Н результатов работы тестируемой ИМС. Данные в ячейке
24Н располагаются согласно таблице 2.6
Таблица 2.6
Формирование результата в ячейке памяти 24H
|
Разряд ячейки |
24Н3 |
24Н2 |
24Н1 |
24Н0 |
|
Вывод порта |
P 3.3 |
P 3.0 |
Р1.5 |
Р1.2 |
|
Вывод ИМС |
Q4 |
Q3 |
Q2 |
Q1 |
Подпрограмма OUT предназначенна для вывода номера строки диагностического теста на
цифровую индикацию.
2.3 Разработка алгоритма поиска и устранения неисправностей МПС
Алгоритм поиска неисправностей состоит из комплекса основных мероприятий. Для разработанного устройства этот комплекс содержит:
) Внешний осмотр устройства на наличие повреждений.
2) Разборка устройства и внешний осмотр печатных плат.
) Проверка целостности проводов и контактов.
) Проверка наличия питания устройства.