ВВЕДЕНИЕ
Темой курсового проектирования является: «Разработка тестопригодной схемы микропроцессорной системы на базе микроконтроллера».
Целью курсового проектирования является разработка микропроцессорной системы на базе микроконтроллера, предназначенного для функциональной диагностики цифровых и интегральных микросхем.
Основными задачами курсового проектирования являются:
) Закрепление теоретических знаний.
2) Формирование профессиональных навыков, связанных с самостоятельной деятельностью специалиста.
) Формировать ответственность за качественность принятых решений.
) Приобщение к работе со специальной нормативной структурой.
) Выработка навыков творческого мышления.
) Привитие практических навыков, применение норм проектирования, методика расчётов технологических инструкций типовых проектов и других стандартов.
) Применение современных расчётно-графических и математических методов, использование современных информационных технологий.
Объектом курсового проектирования является методы тестирования и диагностики цифровых интегральных микросхем.
Предметом исследования является: разработка структурной и принципиальной схемы микроконтроллера и интегральной микросхемы, разработка программы тестирования цифрового устройства, разработка алгоритма поиска и устранения неисправностей.
Востребованостью применение тестопригодной схемы микропроцессорной системы на базе микроконтроллера заключается в том что её можно перепрограммировать. Основные преимущества: многофункциональность, повышенная точность по сравнению с обычными цифровыми приборами данного типа, компенсация внутренних шумов, простота работы. Также использование тестопригодной схемы микропроцессорной системы на базе микроконтроллера актуально при ремонте электронной вычислительной машины для выявления несправной микросхемы этим снижая время затраченное на ремонт и затраты на замену всех микросхем.
Применение разработки устройства перед существующим аналогом являются такие параметры как дешевизна, малое энергопотребление, мобильность и компактность устройства, многофункциональность, переналадка устройства.
За время выполнения курсового проекта будут разработаны структурная и принципиальная схемы микропроцессорного устройства тестопригодной схемы микропроцессорной системы на базе микроконтроллера.
Также для данного устройства будут разработаны диагностические тесты и рассмотрены мероприятия по поиску и устранению неисправностей в целом.
В курсовом проекте даны рекомендации по энерго- и материалосбережению на стадии проектирования и производства устройства, охране окружающей среды на стадии утилизации устройства и охрана труда при эксплуатации устройства.
1. РАСЧЁТНО-ПРОЕКТИРОВОЧНЫЙ РАЗДЕЛ
.1 Назначение и область применения проектируемого устройства
Разрабатываемое устройство предназначено для тестирования цифровых микросхем по принципу функционального контроля.
Данное устройство используется на производстве для измерения и исследования микросхем при верификации новых проектов, контроле на серийном производстве, на входном контроле. Оно также используется при проведении дополнительных от браковочных испытаний и сертификации микросхем высокой сложности, а также для комплексной автоматизированной проверки микросхем большой и сверхбольшой степени интеграции методами функционального контроля и параметрических измерений.
Тестер ETS-868 предназначен для контроля функционирования цифровых интегральных микросхем в электронных модулях с напряжением питания 5В. Тестер ETS-868 имеет 32 цифровых канала, по которым происходит подача воздействий на проверяемую микросхему и приём реакций на эти воздействия. Принимаемые сигналы анализируются по уровням логического нуля и единицы, которые задаются пользователем функционального и параметрического контроля ТТЛ и КМОП микросхем с числом выводов до 512 с рабочей частотой до 100МГц (и в определенных режимах до 200 МГц).
Тестер ETS-868 обеспечивает формирование тестовой последовательности длиной до 64 М наборов векторов с числом каналов 128 (с возможностью расширения до 512).
Тестер ETS-868 совместно с комплексом для измерения параметров аналоговых интегральных микросхем ДМТ-х18 или х19 производит измерение параметров СВЧ-микросхем либо микросхем смешанного типа с цифровым управлением или цифровым выводом сигнала.
В таблице 1 приведены технические характеристики тестера цифровых
микросхем ETS-868
Таблица 1.1
Технические характеристики ETS-868
|
Параметры |
Значения |
|
Количество каналов |
до 512 |
|
Частота тестирования, МГц |
до 100 (до 200 в некоторых режимах) |
|
Разрешение по частоте, кГц |
25 |
|
Разрешение по времени размещения импульса, пс |
50 |
|
Пределы относительной погрешности установки частоты, % |
± 0,01 |
|
Диапазоны выдаваемых и измеряемых Тестером ЕТС-868 напряжений постоянного тока: - высокий уровень (VIH) - низкий уровень (VIL) |
от (VIL+500 мВ) до 6,5 В от минус 2,0 В до 6,0 В |
|
Дискретность установки выдаваемых напряжений постоянного тока (разрешение при измерении), мВ |
5 |
|
Предел допускаемой погрешности установки и измерения напряжения постоянного тока, мВ |
±10 |
|
Максимальное значение силы выходного тока каналов измерения мА |
50 |
Если брать в сравнение разрабатываемое устройство, построенное на микроконтроллере, аналогичными, разработанными на логических элементах, то можно увидеть ряд преимуществ:
) Устройство, построенное на микроконтроллере, имеет возможность тестировать большее количество различных видов и типов микросхем. Устройство, построенное на микроконтроллере, имеет возможность быстрой переналадки на другие интегральные микросхемы.
) Один микроконтроллер заменяет несколько логических элементов. Что уменьшает количество необходимых элементов и уменьшает габариты устройства.
) Устройство на микроконтроллере позволяет получить больше информации о неисправности микросхемы.
) При выходе из строя микроконтроллера, его легче заменить чем, перепаивать некоторое количество логических элементов.
На рисунке 1.1 представлен тестер цифровых микросхем ETS-868.
Рисунок 1.1 - Тестер цифровых микросхем ETS-868
.2 Разработка структурной схемы МПС
На основании проведенного аналитического обзора аналогов проектируемого
устройства и согласно задания на курсовой проект разработана структурная схема
микроконтроллерной системы имеющей вид, представленный на рисунке 1.2.
Рисунок 1.2 - Структурная схема микроконтроллерной системы
Назначение блоков структурной схемы:
МК - Микроконтроллер типа выполняющий управление работы микропроцессорной системы согласно разработанного алгоритма, а так же диагностику и обработку результатов диагностических тестов.
БУ - Блок управления осуществляет управление режимами работы микропроцессорной системы.
БС - Блок сопряжения Предназначен для подключения тестируемой ИМС к устройству.
БK - Блок коммутации предназначен для подключения/отключения питания тестируемой ИМС.
БИР - Блок индикации результатов осуществляет светодиодную индикацию результатов тестирования в виде сигнала “Норма” , “Ошибка”.
БДИ - Блок диодной индикации осуществляющий индикацию в двоичном коде результатов работы тестируемой ИМС.
БЦИ
- (Блок цифровой индикации) Предназначен для отображения номера строки
диагностического теста в цифровом семисегментном коде.
1.3 Описание элементной базы
Микроконтроллер АТ89S8252 - восьмиразрядная высокопроизводительная
однокристальная микро-ЭВМ. Условно-графическое обозначение микроконтроллера АТ89S8252
представлено на рисунке 1.3.
Рисунок 1.3 - Условно-графическое обозначение микроконтроллера АТ89S8252
Таблица 1.2
Основные электрические параметры АТ89S8252
|
Параметр |
Значение |
|
Напряжение питания, Uпит |
5 В |
|
Ток потребления |
220 мА |
Буферный регистр КР1533ИР33 - представляют собой восьмиразрядный буферный
регистр. Применение выхода с тремя состояниями и увеличенная нагрузочная
способность обеспечивает работу непосредственно на магистраль без
дополнительных схем интерфейса. Условное графическое обозначение буферного
регистра КР1533ИР33 представлено на рисунке 1.4, основные электрические
параметры в таблице 1.3.
Рисунок 1.4 - Условное графическое обозначение буферного регистра
КР1533ИР33
Таблица 1.3
Основные электрические параметры КР1533ИР33
|
Параметр |
Значение |
|
Напряжение питания, Uпит |
5 В |
|
Ток потребления |
не более 24 мА |
Семисегментный индикатор АЛС321Б - семисегментный индикатор с общим
анодом. Условное графическое обозначение семисегментного индикатора АЛС321Б представлено
на рисунке 1.5, основные электрические параметры в таблице 1.4.
Рисунок 1.5 - Условное графическое обозначение семисегментного индикатора
АЛС321Б
Таблица 1.4
Основные электрические параметры АЛС321Б
|
Параметр |
Значение |
|
Напряжение питания, Uпит |
5 В |
|
Ток потребления |
не более 24 мА |
1.4 Разработка принципиальной схемы МПС
.4.1 Разработка и расчёт блока микроконтроллера
Для работы микроконтроллера необходимо:
1) присоединить времязадающую цепь для работы внутреннего тактового генератора;
) обеспечить сброс при включении питания;
3) подключить внутреннюю или внешнюю память программ.
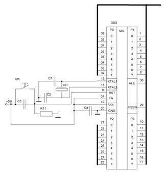
Типовая схема подключения микроконтроллера АТ89S8252 представлены на рисунке 1.6.
Для обеспечения генерации тактовой частоты к выводам XTAL1 и XTAL2 подключен кварцевый резонатор ZQ1 с частотой F = 8,5 МГц. Для облегчения запуска внутреннего генератора используются конденсаторы С2 и С3.
Рисунок 1.6 - Типовая схема подключения микроконтроллера АТ89S8252
Для сброса микроконтроллера и подачи электропитания используется цепочка R1-C1. Для принудительного сброса микроконтроллера оператором используется кнопка SB1. Для подключения внутренней памяти программ на вход ЕА подаём высокий уровень напряжения. Для фильтрации высокочастотных помех от источника питания используется конденсатор C4.
Данная схема подключения является типовой, её параметры расчёту не подлежат. Выбираем элементы [6]:
R11 - С2-33-0,125-8,2кОм±5%;
С1 - К50-31-40В-10мкФ±20%;
С2-С3 - КТ21-100В-20мкФ±20%;
С4 - К53-1-30В-0,1мкФ±20%;
SB1- KH1
Выбираем элементы:
DD3 - АТ89S8252;
ZQ1-
РК442 - 8,5Мгц
1.4.2 Разработка блока сопряжения
Принципиальная схема блока сопряжения представлена на рисунке 1.7.
Рисунок 1.7 - Принципиальная схема блока сопряжения
Для подключения питания к тестируемой ИМС используется транзисторный ключ VT1, который управляется по линиям порта Р2.2. При высоком уровне Р2.2 = 1 транзистор закрыт и питание отключено, при низком уровне Р2.2 = 0 транзистор перешёл в режим освещения и на тестируемую ИМС подаётся напряжение, близкое к напряжению питания. Транзистор выбираем исходя из условия: Iкэmax≥ Iпот = 8,8 мА, Uкэmax≥ 5B
Из источникавыбираем транзистор КТ201А, который имеет параметры:, Uкэmax = 40 В, Iкmax = 350 мА ,Uбэпр = 0,7 В, Uкэнас = 0,6, h21э = 40.
Для обеспечения тока питания ИМС ток базы должен быть равен:
(1)
Задаёмся током управления 1 мА и рассчитываем сопротивление:
, (2)
где Uбэ = 0,7 В,
= 0,2 В,
= 1 мА.
= 4100 Ом
Из ряда Е24 выбираем сопротивление: R1 = 4,3 кОм.
Применяем сопротивление R12 = R13. Выбираем элементы [7]:
R12, R13 - C2 - 33 -0,125 - 4,3кОм±5%- КТ201A.
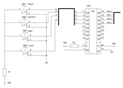
1.4.3 Разработка блока управления
Блок управления предназначен для управления режимами работы устройства и включает в себя следующие устройства управления:
) Кнопка «Тест», при нажатии которой система переходит в режим тестирования.
2) Кнопка «Авто./Руч.», которая определяет ручной или автоматический режим тестирования.
) Кнопка «Шаг» - для ввода строки диагностического теста в ручном режиме тестирования.
) Кнопка «Стоп», при нажатии на которую включается индикация и система переходит в исходное состояние.
В блок управления входит кнопка аппаратного сброса.
Блок управления подключается к порту Р0 МК через буферный регистр типа КР1533ИР33. Регистр управляется по линии порта P2.3. При низком уровне данные от Блока управления передаются к МК при высоком уровне регистр переходит в Z-состояние и блок отключается от МК.
Принципиальная схема блока управления представлена на рисунке 1.8.
Рисунок 1.8 - Принципиальная схема блока управления
Выбираем элементы [8]:
SB1 - SB4 - KH1