Материал: Разработка шагающего робота

Внимание! Если размещение файла нарушает Ваши авторские права, то обязательно сообщите нам

Запишем систему уравнений для пространства Лапласа: (5)


Выразим из второго уравнения системы (5) ток и подставим в первое:

                                                             (6)

Преобразуем выражение к виду:

                                                            (7)

Отсюда находим передаточную функцию

                                                (8)

и передаточную функцию по возмущающему воздействию:

                                           (9)

Передаточная функция обратной связи:

ос (p) = 1                                                                                        (10)

Передаточная функция редуктора

редуктора (p) = 1/120                                                                   (11)

.3 Моделирование системы автоматического управления средствами MATLAB

.3.1 Исследование непрерывной системы

Проведём моделирование системы автоматического управления средствами программного пакета MATLAB (рис.53). Воспользуемся расширением данного программного продукта - средой моделирования Simulink [1].

Рис. 3.2 Модель системы автоматического управления в среде Simulink

Используя встроенные средства среды Simulink, получим график переходного процесса системы, при воздействии на неё единичного ступенчатого сигнала (рис. 54).

Из графика можем определить следующие параметры система автоматического управления:

·        величина статической ошибки - 0%;

·        время переходного процесса -30 с;

·        колебательность присутствует;

·        коэффициент перерегулирования - 55.5%.

Исходя из этих данных, можно сделать вывод о том, что система автоматического управления не соответствует техническому заданию (по пунктам коэффициент перерегулирования, время переходного процесса и колебательность системы) и нуждается в корректировке.

В качестве корректирующего звена выберем ПИД (пропорционально-интегрально-дифференциальный) регулятор.

Рис. 54. График переходного процесса системы при воздействии на неё единичного ступенчатого сигнала

.3.2 Настройка ПИД - регулятора

Для настройки ПИД регулятора - определения значений пропорционального, дифференциального и интегрального коэффициентов - воспользуемся встроенными средствами среды Simulink.

Подбор коэффициентов будем осуществлять с помощью блока NCD OutPort. Включим его в схему, как показано на рисунке 55.

Рис. 3.3 Схема, собранная для настройки ПИД регулятора

Зададим настройки блока NCD OutPort (рис. 56-57) и ПИД регулятора PID Controller.

Рис. 3.4 Настройки блока NCD OutPort

Рис. 3.5 Настройки блока NCD OutPort

Рис. 3.6 Параметры ПИД регулятора PID Controller

В блоке NCD OutPort зададим ограничения для графика переходного процесса (рис. 3.7).

Блок NCD OutPort производит автоматическую коррекцию параметров Kp, Ki и Kd.

Рис. 3.7 Настройка границ в блоке NCD OutPort

Значения коэффициентов, полученных оптимизацией в блоке NCD OutPort:=64.48= 0, 025= 1, 12

После корректировки переходная функция удовлетворяет техническому заданию (рис. 60).

Получены следующие характеристики:

Время переходного процесса - 0.207 с.

Количество колебаний - 0.

Коэффициент перерегулирования - 0.

Статическая ошибка - 0.004.

Рис. 3.8 Реакция системы на единичное ступенчатое воздействие

Определим передаточную функцию разомкнутой системы:раз = Wус (p) ∙ Wдвигателя (p) ∙ Wредуктора (p) ∙ WПИД-регулятора (p) (12)

                        (13)

Определим передаточную функцию замкнутой системы:

                                                               (14)

                                        (15)

     (16)

Характеристическое уравнение замкнутой системы имеет вид

           (17)

Выводы к главе 3

По итогам выполненной работы были получены следующие результаты:

1)    Составлены функциональная и структурная схемы системы управления шагающего роботом;

2)      Составлены передаточные функции, описывающие аналоговую систему автоматического управления, проведено моделирование системы автоматического управления в программном пакете Matlab;

)        Составлены передаточные функции, описывающие цифровую систему автоматического управления, проведено моделирование цифровой системы автоматического управления и сравнение с аналоговой системой в программном математическом пакете Matlab;

Глава 4. Цифровая САУ

.1 Моделирование цифровой системы

Для исследования ЦСАУ необходимо провести z-преобразование передаточной функции непрерывной системы. Для этого воспользуемся средствами математического пакета VisSim (рис. 4.1).

Рис. 4.1 Переход в Z-пространство средствами VisSim

Итогом этого преобразования станет дискретная передаточная функция (рис. 4.2.)

Рис. 4.2 Дискретная передаточная функция, полученная средствами VisSim

Смоделируем дискретную и аналоговую систему автоматического управления в Simulink (рис. 4.3).

Рис. 4.3 Структурная схема цифровой и замкнутой системы

Рис. 4.4 Сравнение передаточных функций замкнутой системы по S- и Z-преобразованиям

4.2 Исследование цифровой системы на устойчивость

Как известно, непрерывная система устойчива, если все корни ее характеристического уравнения лежат в левой полуплоскости.

При исследовании дискретных систем вместо р используется новая переменная z =. Конформное преобразование z =отображает левую полуплоскость плоскости р в область, ограниченную окружностью единичного радиуса на плоскости z, при этом мнимая ось отражается в саму эту окружность [1]. Следовательно, для того чтобы системы была устойчива необходимо и достаточно, чтобы корни характеристического уравнения лежали внутри единичной окружности.

Рис. 4.5 Проверка устойчивости ЦСАУ

Как видно из рис. 4.5, все корни характеристического уравнения лежат внутри единичной окружности, следовательно, проектируемая цифровая система устойчива.

.3 Выбор электронных компонентов

Рассматривая функциональную схему устройства (рис. 51), можно сделать вывод о количестве необходимых компонентов для реализации цифровой САУ.

Представим список необходимых компонентов:

) Плата Управления;

) Силовой модуль;

) датчики (3 типа);

) ЖКИ - дисплей;

) Радио модуль.

.3.1 Плата

Для проектируемой ЦСАУ рационально использовать плату Freeduino Through-Hole на базе микропроцессора ATmega1280 datfsheet т.к. она подходит к нашему т.з., простата в использовании, не большая цена.

Технические характеристики:

Микроконтроллер: ATmega1280 datasheet

Цифровые порты ввода/вывода: 14 портов (из них 6 с ШИМ-сигналом)

Аналоговые порты ввода: 6 портов

ППЗУ 16 K из них 2 К используются загрузчиком

ОЗУ (SRAM): 1 Кбайт

ПЗУ (EEPROM): 512 байт

Тактовая частота: 16 МГц

Интерфейс с ПК: USB

Питание от USB, либо от внешнего источника, выбор с помощью перемычки

Рис. 4.5. Freeduino Through-Hole.

.3.2 Силовой модуль

Будем использовать Motor drive - силовой модуль управления двигателями.

Технические характеристики

· напряжение питания на приводы: +4.5...+ 12 В;

· напряжение сигналов управления: 5 В;

· рабочее напряжение:         4.5-12 В;

· количество силовых каналов: 4;

· выходной ток: до 4А;

· возможность реверса каждого двигателя;

· возможность независимого управления каждым каналом;

Рис. 4.6 силовой модуль Motor drive

.3.3 Датчик наклона.

Будем использовать датчик наклона D6B-2

Рис. 4.7 Датчик наклона D6B-2

Диапазон величины угла срабатывания 45...75°

Диапазон величины угла сброса 50...20°

Напряжение питания 4...6 В

Потребляемый ток 10 мкА

Выходной сигнал:

высокий уровень (горизонтальное положение)       Uпит 5 В

низкий уровень (наклонное положение)         0,5 В

Выходной ток    ± 1 мА

Диапазон рабочих температур:    -20...60 °С

Диапазон влажности среды:          10...85% отн. влажн.

4.4.4 Датчик тока

Используем датчик тока ACS714 Sensor Carrier -30 to +30A

Рис. 4.7 Датчик тока ACS714 Sensor Carrier -30 to +30A

Характеристики датчика наклона:

Размер: 20х17мм

Кратковременная перегрузка до 5 х

Выходной сигнал: аналоговый, 66 мВ/А

Сопротивление проводников платы: 1,2 Ом

Диапазон рабочих температур: -30...+50°

.4.5 Энкодер

Будем использовать инкрементальный энкодер E30S4-3000-6-L-5 компании - AUTONICS (рис. 31).

Рис. 4.8 Инкрементальный энкодер E30S4-3000-6-L-5

Характеристики энкодера:

Бренд - AUTONICS, В 6

Диаметр оси: 4 мм

Количество импульсов на оборот 1024

Рабочая температура: -30…+70 °С

Степень защиты:         IP50

Кабель: 2 м диам.

Масса: 80 гр

.4.6 Жидкокристаллический индикатор

Выбрали LCD дисплей WH1602B-YYK-CTK

Рис.4.9 LCD дисплей WH1602B-YYK-CTK

Характеристики : Жидкокристаллический индикатор

Тип: знакосинтезирующий (текстовый)

Количество символов: 2 строки по 16 символов

Подсветка: светодиодная, желто-зеленая

Шрифт: латинский и кириллический

Габариты (мм): 80x36x14

Область вывода (мм): 56×11

Напряжение питания (В): 6

Интерфейс: HD44780 совместимый

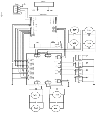
.4.7 Принципиальная схема разрабатываемой системы

С учетом выбранных компонентов спроектируем управляющую плату. Ее принципиальная схема представлена на рис. 34.

Рис. 4.10 Принципиальная схема управляющей платы

Список компонентов:- выключатель питания установки;, STOP, P - Панель управления.- Датчик наклона.- Датчик тока.- Инкрементальные энкодеры.

М1,М2,М3,М4 - приводы постоянного тока.- жки дисплей.- радио модуль позволяющий дистанционно управлять роботом.

Выводы к главе 3

По итогам выполненной работы были получены следующие результаты:

1)   Произведено моделирование цифровой системы

2)      Произведен подбор электронных компонентов для реализации системы управления шагающего робота;

)        Составлена принципиальная схема системы управления шагающего робота.

Заключение

В данном дипломном проекте был проведён анализ шагающего вида движения, анализ техники ходьбы по количеству точек опоры шагающих роботов. Был проведён обзор существующих конструкций. На основе сделанного обзора и анализа была предложена конструкция шагающего робота с четырьмя ногами.

Выбрана форма лап в виде С-образных колёс, которые закреплены со смещением оси вращения, что позволяет увеличить проходимость робота по сравнению с круглым профилем лап, и уменьшить момент сопротивления по сравнению с вытянутым профилем лап.

Габариты робота были выбраны так, что бы он был минимальных размеров, но достаточно вместимый для нужного оборудования и имел минимальный радиус разворота.

Построена трёхмерная модель робота и его основных модулей. Выполнен сборочный чертёж. Произведён расчёт основных узлов робота. Спроектирована система автоматического управления.

Реализовано математическое моделирование походки шагающего робота, построены графики, отражающие реальные свойства моделируемой системы. По полученным данным построены зависимости перемещения корпуса робота от угловой скорости лапы робота и зависимости перемещения корпуса робота от длины лапы.

Библиографический список

1.       Подураев, Ю. В. Мехатроника : основы, методы, применение [Текст]: уч. пос. / Ю. В. Подураев. - М.: Машиностроение, 2006.

2.      Бесекерский, В. А. Теория систем автоматического управления [Текст] В. А. Бесекерский, Е. П. Попов. - СПб.: Профессия, 2003.

.        Егоров, О. Д. Мехатронные модули. Расчет и конструирование [Текст]: уч.пос. / О. Д. Егоров, Ю. В. - М.: ИЦ МГТУ «СТАНКИН», 2004.

.        Яцун, С. Ф. Аналого - цифровые системы автоматического управления [Текст]: уч. пос. / С. Ф. Яцун, Т.В. Галицына. - Курск: ИПО КГТУ, 2006.

.        Олссон, Г. Цифровые системы автоматизации и управления [Текст] / Г. Олссон, Пиани Д. - СПб.: Невский Диалект, 2001.

. Иванов М. Н. Детали машин: Учеб. для студентов высш. техн. учеб. заведений. - 5-е изд., перераб. - М.: Высш. шк., 1991. - 383 с.: ил.

. Курмаз Л. В., Скойбеда А. Т. Детали машин проектирование: Справочное учебно-методическое пособие - М.: Высш. шк., 2004. - 309 с.: