Материал: Разработка мультисервисной широкополосной сети в жилом доме

Внимание! Если размещение файла нарушает Ваши авторские права, то обязательно сообщите нам

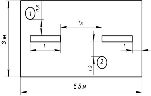
Определяем оптимальное расстояние между светящимися линиями, а также расстояние от светильников до стен помещения.

Оптимальное расстояние между светильниками регламентируется коэффициентом λ, т.е. отношением расстояния между рядами светильников к высоте их подвеса над рабочей поверхностью

λ = Х3 / Н

где Х3 - расстояние между рядами светильников, м;

Н - высота подвеса светильника над рабочей поверхностью, м

Х3= λ *Н= 1,3*(3,5-0,7) =2 м

Расстояние от светильников до стен ℓ = 0,5*Х3=0,5*2=1 м.Количество светящихся линий:

В= ℓ+ ℓ+( n -1)Х3 ,3=1.8+1.8+ (n -1)3,6; n=1

В помещении намечена одна светящаяся линия длиной Х6=6-2 ℓ =1.7м Значения параметров заносим в таблицу 6.4 и вводим в ПК.

Рисунок 6.2- Схема расположения светильников и контрольных точек, где 1, 2 - контрольные точки измерения

Наибольшее количество светильников для создания требуемой освещенности в одной из контрольных точек -3.Определяют длину ряда светильников:

p = p·U , мм

где U - количество светильников в ряду;

р - длина светильника, ммp=1100·2=2200 мм

Длина светильников больше длины линии, поэтому ряд образуем из сдвоенных светильников. Светильники в ряду размещают с одинаковыми между ними разрывами равными 1,5 м.

6.5 Электробезопасность

Для предотвращения травматизма при прикосновении к корпусам оборудования под напряжением, оборудование зануляем. Расчет выполняем на компьютере по методическому руководству [25].

Зануляем электрооборудование (компьютеры 3шт.), общая мощность 0,6 кВт. Для передачи энергии от трансформатора до оборудования принимаем провод с алюминиевыми жилами (сплав №4), удельное электрическое сопротивление которых Р=0,0294 Ом*мм2/м. Индуктивное сопротивление проводов из цветных металлов принимаем Х2= 0,0006 Ом/м. Провода от трансформатора до оборудования проложены в трубах поэтому коэффициенты С=1,57 и М=34,46. Отношение площади нулевого провода (F2) к фазному (F1) принимаем Х1= F2/ F1=0,6. Сопротивление одной обмотки трансформатора равно Z1=0,302 Ом. Коэффициент кратности тока плавкой вставки Х5=3. Исходные данные представлены в таблице 6.4

Таблица 6.4 - Исходные параметры.

№ п/п

Наименование параметра

Условное обозначение

Размерность

Численное значение

1

Мощность электроустановки

S

кВ m

0,6

2

Фазное напряжение

U

B

220

3

Косинус ФИ электроустановки

cos φ

-

0,9

4

Удельное электрическое сопротивление проводников

Р

0,0294


5

Длина проводника

L

м

100

6

Сопротивление одной обмотки тр-ра

Z1

Ом

0,302

7

Индуктивное сопротивление провода

Х2

Ом/м

0,0006

8

Коэффициент

С

-

1,75

9

Коэффициент

М

-

34,46

10

Коэффициент

Отношение площади нулевого провода к фазному

Х1

-

0.6



Отношение пускового тока к рабочему

Х3

 -

5



Режим работы установки

Х4

-

2,5



Кратности тока

Х5

-

3


Рисунок 6.3 - Результаты расчета программы на ПК

Для защиты от поражения током при замыкании фазы на корпус в цепь фазных проводов необходимо поставить плавкие уставки с номинальным током I3 (Н) = 5А.

6.6 Пожарная безопасность

.6.1 Определение категории пожарной безопасности и выбор степени огнестойкости здания

В помещениях жилого дома находятся в обращении негорючие вещества и материалы в холодном состоянии, поэтому согласно ОНТП 24-86 категория помещения Д (пожароопасная). Категория здания Д. Требуемую степень огнестойкости определяем по СНиП 2.09.02-85.

Требуемые пределы огнестойкости основных элементов конструкций здания и максимальный предел распространения по ним огня определены по ДБН В.1.1-7-2002и сведены в таблицу 6.5.

Таблица 6.5 - Минимальные пределы огнестойкости строительных конструкций и минимальные пределы распространения огня по ним зданий ІІ степени огнестойкости по ДБН В.1.1-7-2002.

Минимальные пределы огнестойкости строительных конструкций (в минутах) и минимальные пределы распространения огня по ним (см)

Стены

Колоны

Перекрытия между этажные (в т. ч. Чердачные и над подвалами)

Элементы совмещенных перекрытий

Несущие и лестничных клеток

Самонесущие

Внешние несущие

Внутренние несущие



Плиты, настилы, прогоны

Балки, фермы, арки, рамы

REI 120 M0

REI 60 M0

E 15 M0

EI 15 M0

R120 M0

REI 45 M0

RE 15 M0

R 30 M0


Принимаем следующую минимальную толщину конструктивных элементов здания:

Стены несущие из силикатного кирпича толщиной не менее 12 см;

Стены внутренние несущие (перегородки) из бетона толщиной не менее 6 см;

Колонны железобетонные, сечением 20х40 см.

Покрытия с использование стальных ферм и железобетонных плит при защите балок, ферм по сетке слоем бетона или штукатурки толщиной 20 мм.

6.6.2 Выбор первичных средств пожаротушения

Для тушения возможных пожаров оснащаем рассматриваемый объект средствами первичного пожаротушения. К первичным средствам пожаротушения относятся огнетушители, пожарный инвентарь (бочки с водой, пожарные ведра, ящики с песком, совковые лопаты, покрывала с теплоизоляционного полотна), а также пожарный инструмент (чаги, ломы, топоры). Пожарный инвентарь и инструменты, а также огнетушители размещаются на специальных пожарных щитах. Щиты устанавливают на территории объекта из расчета один щит на 5000 м2.

Выбор типа и расчет необходимого количества огнетушителей определяется на основе рекомендаций, приведенных в ОНТП 24-86 в зависимости от класса возможных пожаров, категории взрывной и пожарной опасности помещения. В помещении находятся твердые вещества, преимущественно органического происхождения, горение которых сопровождается тлением относим помещение лаборатории к классу пожара - А.

Таблица 6.6 - Необходимое количество огнетушителей.

Категория помещения

Площадь, м2

Класс пожара

Пенные и водные огнетушители, вместимостью 10л

Порошковые огнетушители вместимостью, л

Хладоновые огнетушители вместимостью 2 (3) л

Углекислотные огнетушители вместимостью, л





2

5

10


2(3)

5(8)

Д

1800

А

2++

4+

2++-

1+

-

-

-

Пенные и водные огнетушители, вместимостью 10л.

Порошковые огнетушители вместимостью, 5л.

6.6.3 Схема эвакуации

Для защиты людей от угарного газа должны быть предусмотрены пути эвакуации. План эвакуации при пожаре представлен на рисунке 6.4.

Рисунок 6.4 - План эвакуации персонала из помещения жилого дома

7. ГРАЖДАНСКАЯ ЗАЩИТА


Защита рабочих и служащих жилого дома при аварии со взрывом топливо-газо-воздушных сред (ТГВС)

 

7.1 Основные положения

 

Гражданская защита - это функция государства, направленная на защиту населения, территорий, окружающей среды и имущества от чрезвычайных ситуаций путем предотвращения таких ситуаций, ликвидации их последствий и оказания помощи пострадавшим в мирное время и в особый период.

Основными задачами единой государственной системы гражданской защиты является:

) обеспечение готовности министерств и других центральных и местных органов исполнительной власти, органов местного самоуправления, подчиненных им сил и средств к действиям, направленным на предотвращение и реагирование на чрезвычайные ситуации;

) обеспечение реализации мероприятий по предотвращения возникновению чрезвычайных ситуаций;

) обучение населения относительно поведения и действий в случае возникновения чрезвычайной ситуации;

) выполнения государственных целевых программ, направленных на предотвращение чрезвычайных ситуаций, обеспечения устойчивого функционирования предприятий, учреждений и организаций, уменьшение возможных материальных потерь;

) проработка информации о чрезвычайных ситуациях, издание информационных материалов по вопросам защиты населения и территорий от последствий чрезвычайных ситуаций;

) прогнозирование и оценка социально-экономических последствий чрезвычайных ситуаций, определение на основе прогноза потребности в силах, средствах, материальных и финансовых ресурсах;

) создание, рациональное хранение и использование резерва материальных и финансовых ресурсов, необходимых для предотвращения и реагирования на чрезвычайные ситуации;

) оповещения населения об угрозе и возникновении чрезвычайных ситуаций, своевременное и достоверное информирование о фактической обстановке и принятых мерах;

) защиту населения в случае возникновения чрезвычайных ситуаций;

) проведение спасательных и других неотложных работ по ликвидации последствий чрезвычайных ситуаций, организация жизнеобеспечения пострадавшего населения;

) смягчение возможных последствий чрезвычайных ситуаций в случае их возникновения;

) осуществление мероприятий по социальной защите пострадавшего населения;

) реализация определенных законом прав в сфере защиты населения от последствий чрезвычайных ситуаций, в том числе лиц (или их семей), принимавших непосредственное участие в ликвидации этих ситуаций;

) другие задачи, определенные законом.

Задач и обязанностей субъектов хозяйствования в сфере гражданской защиты относятся:

) обеспечение выполнения мероприятий в сфере гражданской защиты на объектах субъекта хозяйствования;

) обеспечение в соответствии с законодательством своих работников средствами коллективной и индивидуальной защиты;

) размещение информации о мерах безопасности и соответствующее поведение населения в случае возникновения аварии;

) организация и осуществление при возникновении чрезвычайных ситуаций эвакуационных мероприятий в отношении работников и имущества субъекта хозяйствования;

) создание объектовых формирований гражданской защиты согласно этого Кодекса и других законодательных актов, необходимую для их функционирования материально-технической базы и обеспечение готовности таких формирований к действиям по назначению;

) создание диспетчерских служб согласно этого Кодекса и других законов, необходимых для обеспечения безопасности объектов повышенной опасности;

) проведение оценки рисков возникновения чрезвычайных ситуаций на объектах субъекта хозяйствования, осуществление мероприятий по не превышение допустимых уровней таких рисков;

) осуществление обучения работников по вопросам гражданской защиты, в том числе правилам техногенной и пожарной безопасности;

) декларирование безопасности объектов повышенной опасности;

) разработка планов локализации и ликвидации последствий аварий на объектах повышенной опасности;

) проведение объектовых тренировок и учений по вопросам гражданской защиты;

) обеспечение аварийно-спасательного обслуживания субъектов хозяйствования в соответствии с требованиями статьи 133 настоящего Кодекса;

) осуществление за собственные средства мероприятий гражданской защиты, которые уменьшают уровень риска возникновения чрезвычайных ситуаций;

) обеспечение беспрепятственного доступа должностных лиц органов государственного надзора, работников аварийно-спасательных служб, с которыми заключены соглашения об аварийно-спасательное обслуживание субъектов хозяйствования, для проведения обследований на соответствие противоаварийных мероприятий планам локализации и ликвидации последствий аварий на объектах повышенной опасности и потенциально опасных объектах, сил гражданской защиты для проведения аварийно-спасательных и других неотложных работ в случае возникновения чрезвычайных ситуаций;

) обеспечение соблюдения требований законодательства относительно создания, хранения, содержания, использования и реконструкции защитных сооружений гражданской защиты;

) осуществление учета защитных сооружений гражданской защиты, находящихся на балансе (содержании);

) соблюдение противоэпидемического, противоэпизоотического и протиэпифитотичного режима;

) создания и использования материальных резервов для предотвращения и ликвидации последствий чрезвычайных ситуаций;

) разработка мероприятий по обеспечению пожарной безопасности, внедрения достижений науки и техники, положительного опыта по данному вопросу;

) разработку и утверждение инструкций и издание приказов по вопросам пожарной безопасности, осуществление постоянного контроля за их выполнением;

) обеспечение выполнения требований законодательства в сфере техногенной и пожарной безопасности, а также выполнение требований предписаний, постановлений и распоряжений центрального органа исполнительной власти, который осуществляет государственный надзор в сферах техногенной и пожарной безопасности;

) содержание в исправном состоянии средств гражданского и противопожарной защиты, недопущения их использования не по назначению;

) осуществление мер по внедрению автоматических средств выявления и гашения пожаров и использования для этой цели производственной автоматики;

) своевременное информирование соответствующих органов и подразделений гражданской защиты о неисправности противопожарной техники, систем противопожарной защите, водоснабжения, а также о закрытии дорог и проездов на соответствующей территории;

) выполнение других задач и мероприятий в сфере гражданской защиты, предусмотренных этим Кодексом и другими законодательными актами.

При взрыве газовоздушной смеси образуется очаг взрыва с ударной волной, вызывающей разрушение зданий, сооружений и оборудования аналогично тому, как это происходит от ударной волны ядерного взрыва.

В очаге взрыва газовоздущной смеси принято выделять три круговые зоны: I - зона детонационной волны; II - зона действия продуктов взрыва; III - зона воздушной ударной волны.

Ударная волна поражает людей, разрушает или повреждает здания, сооружения, оборудование, технику и имущество. Ударная волна поражает незащищенных людей в результате непосредственного (прямого), а также косвенного воздействия, вызывая травмы различной степени.

При непосредственном воздействии ударной волны причиной поражения является избыточное давление. При косвенном - люди поражаются обломками разрушенных зданий, осколками стекла и другими предметами, перемещающимися под действием скоростного напора. Травмы от действия ударной волны принято подразделять на легкие, средние, тяжелые и крайне тяжелые.

При воздействии ударной волны здания, сооружения, оборудование и коммунально-энергетические сети (КЭС) объекта могут быть разрушены в различной степени.

Разрушения принято делить на полные, сильные, средние и слабые.

)        Полные разрушения. В зданиях и сооружениях разрушены все основные несущие конструкции и обрушены перекрытия. Восстановление невозможно. Оборудование, средства механизации и техника восстановлению не подлежат. На КЭС и технологических трубопроводах разрывы кабелей, разрушение значительных участков трубопроводов, опор воздушных линий электропередач и т. п.

)        Сильные разрушения. В зданиях и сооружениях значительные деформации несущих конструкций, разрушена большая часть перекрытий и стен. Восстановление зданий и сооружений возможно, но нецелесообразно, так как практически сводится к новому строительству с использованием некоторых сохранившихся, конструкций. Оборудование и механизмы большей частью разрушены и значительно деформированы. Отдельные детали и узлы оборудования могут быть использованы как запасные части. На КЭС и трубопроводах разрывы и деформации на отдельных участках подземных сетей, деформации опор воздушных линий электропередач и связи, а также разрывы технологических трубопроводов.

)        Средние разрушения. В зданиях и сооружениях разрушены главным образом не несущие, второстепенные конструкции (легкие стены, перегородки, крыши, окна, двери). Возможны трещины в наружных стенах и вывалы в отдельных местах. Перекрытия и подвалы не разрушены, часть помещений пригодна к эксплуатации. Деформированы отдельные узлы оборудования и техники. Техника вышла из строя и требует капитального ремонта. На КЭС деформированы и разрушены отдельные опоры воздушных линий электропередач, имеются разрывы и повреждения технологических трубопроводов. Для восстановления объекта (элемента), получившего средние разрушения, требуется капитальный ремонт, выполнение которого возможно собственными силами объекта.

)        Слабые разрушения. В зданиях и сооружениях разрушены часть внутренних перегородок, заполнения дверных и оконных проемов. Оборудование имеет незначительные деформации второстепенных элементов. На КЭС имеются незначительные разрушения и поломки конструктивных элементов. Для восстановления объекта (элемента), получившего слабые разрушения, как правило; требуется мелкий ремонт.

Поражение людей, находящихся в момент взрыва в зданиях и убежищах, зависит от степени их разрушения. Так, например, при полных разрушениях зданий находящиеся в них люди погибнут. При сильных и средних разрушениях может выжить примерно половина людей, из которых значительная часть будет поражена в различной степени, многие могут оказаться под обломками конструкций, а также в помещениях с заваленными или разрушенными путями эвакуации.

При слабых разрушениях зданий гибель людей маловероятна. Однако часть из них может получить различные травмы и ранения.

Поражения людей в убежищах могут быть вызваны образованием зон затопления в местах их размещения, пожарами с большим выделением угарного газа или заражением' воздуха при разрушении технологических установок и емкостей с сильнодействующими ядовитыми веществами.

Степень разрушения конкретного типа здания, сооружения или оборудования при воздействии ударной волны определяется главным образом избыточным давлением ΔРф.

Поражающее действие светового излучения определяется поглощенной частью энергии светового импульса, которая, превращаясь в тепловую, нагревает облучаемый объект. Световое излучение, воздействуя на незащищенных людей, вызывает ожоги открытых участков тела и поражает глаза.

В результате воздействия светового излучения на материалы может произойти их коробление, растрескивание, оплавление, обугливание или воспламенение. Степень повреждения любого материала под действием светового излучения при одном и том же световом импульсе зависит от коэффициента поглощения, физических свойств (плотности, теплоемкости, теплопроводности), толщины материала и других факторов. Материалы темного цвета больше поглощают световых лучей, чем светлые, поэтому повреждаются быстрее. Предметы, окрашенные черной краской, поглощают около 96 % светового излучения, а белой - 18 %.

7.2 Задание

На расстоянии R3 = 600 м от жилого дома произошел взрыв емкости с бензином массой М = 140 тонн, вид хранения одиночный резервуар. Плотность населения в районе аварии 1 тыс.чел/км2.

Определить:

. Поражающее действие воздушной ударной волны.

. Поражающее действие теплового излучения.

. Потери людей.

 

7.3 Исследование обстановке на объекте после взрыва

 

.3.1 Исследование характеристик объекта

Административное многоэтажное здание с металлическим или железобетонным каркасом. Возгорающихся элементов в здании нет.

 

7.3.2 Определение поражающего действия воздушной ударной волны

- определение радиуса бризантного действия взрыва (ΔРφ=1700 кПа) по формуле

 

где Q - масса газа или топлива в резервуаре, для одиночного хранения Q = 0,5žМ = 0,5ž140 = 70 т.

 

определение радиуса зоны действия продуктов взрыва по формуле

 

определение избыточного давления в зоне огненного шара по формуле

 

определение избыточного давления в районе объекта

При ψ = 0,24žR3/R1 = 0,24ž600/72 = 2 ≤ 2 избыточное давление в зоне R3 определяется по формуле

 

определение степени разрушения исследуемого объекта и предела устойчивости его к воздействию воздушной ударной волны. Здание находится в слабом диапазоне разрушений. Предел устойчивости - 10 кПа.

определение зоны разрушений в которой находится объект - зона слабых разрушений.

 

7.3.3 Определение поражающего действия теплового излучения

- определение интенсивности теплового излучения взрыва на расстоянии R3:


,

где Q0 - удельная теплота пожара бензина (280), кДж/м2,

Т - прозрачность воздуха (Т = 1-0,058·lnR3 = 1-0,058ž6,4 = 0,63).

 - угловой коэффициент, характеризующий взаимное расположение источника и объекта.

 

 

определение продолжительности существования огненного шара

 

определение теплового импульса на объекте

UT = IžtCB = 7,056ž18,5 = 130,54 кДж/м2

определение теплового импульса, при котором происходит воспламенение возгораемых элементов конструкции объекта - нет.

определение предела устойчивости объекта к воздействию теплового излучения - нет.

определение зоны пожаров, в которой находится объект - зона отдельных пожаров.

 

7.3.4 Определение возможных потерь людей

- определение числа погибших людей


 

 

определение степени ожогов, которые получат люди в районе аварии. Люди в районе здания получат ожоги слабой степени.

7.3.5 Выводы по результатам исследования

- устойчив объект к воздействию воздушной ударной волны или нет

Административное многоэтажное здание окажется в зоне слабых разрушений с вероятным максимальным избыточным давлением ударной волны 16,12 кПа, а предел устойчивости здания к ударной волне 10 кПа, что больше ΔРфmax, и следовательно, здание неустойчиво к ударной волне; наиболее слабый элемент - здание.

устойчив объект к воздействию теплового излучения

) На объекте при взрыве заданной мощности ожидается максимальный световой импульс 130,54 кДж/м2 и избыточное давление ударной волны 16,12 кПа, что вызывает сложную пожарную обстановку. Здание окажется в зоне сплошных пожаров.

) Здание устойчиво к световому излучению. Предел устойчивости здания - 500 кДж/м2.

) Возгораемых элементов нет. Возможные потери людей на объекте - 51 человек.

7.4 Защитные мероприятия

Для предотвращения взрывов необходимо, во-первых, предотвратить образование взрывоопасных смесей; во-вторых, не допустить воспламенение этих смесей, т.е. исключить возможность воздействия источников энергии на взрывоопасные смеси, если они образуются; кроме того, нужно принять меры к локализации взрыва на случай его возникновения.

Радикальным способом предотвращения образования взрывоопасных смесей является их флегматизация (если она допустима по технологии).

Эффективная флегматизация взрывоопасных смесей достигается введением в них химических активных веществ (например, галоидопроизводных). Эти вещества или продукты их распада подавляют активные центры реакции окисления, вызывают обрыв цепей и торможение процесса горения.

Для предотвращения образования взрывоопасных смесей необходимо: исключить возможность засоса воздуха в устройства, в которых находится газ; предотвратить возникновение утечек и скоплений газа; контролировать сжигание топлива.

Для предотвращения образования взрывоопасных смесей в случае погасания пламени горелок используют устройства, автоматически выключающие подачу горючего.

Такие устройства должны:

а) быстро реагировать на появление и исчезновение пламени (не более чем через 5 с);

б) перекрывать подачу топлива при погасании пламени или отключении электроэнергии;

в) отсекать подачу топлива при какой-либо неисправности;

г) выдерживать вибрацию и механические удары и быть надёжным в работе.

Вблизи газовых устройств не разрешается применять открытый огонь, производить сварочные работы, курить. Газопроводы прокладывают на расстоянии не менее нормированного от мест выпуска расплавленного металла и шлака, железнодорожных и пешеходных путей, воздушных электрических сетей (или принимают меры против возможных прожогов или разрушений стенок газопроводов).

При ремонтных работах применяют рабочий инструмент из материалов, не дающий искр при ударе (омедненная сталь, бериллиевая бронза и др.), или смазывают инструмент тавотом.

Устранение статистических зарядов достигается заземлением производственных устройств (газо- и пылепроводов, дробилок и т.д.), повышением электрической проводимости путём замены соответствующих деталей (например, 0,005 % раствора магниевой соли олеиновой кислоты, уксусной кислоты, железных опилок), уменьшением скорости перемещения жидкостей, изготовлением трудящихся поверхностей механизмов из однородных материалов.

Руководители объектов должны предусмотреть управление чрезвычайными ситуациями. Для задачи обеспечения безопасности человека с ЧС стратегия управления должна включать осуществление 3-х целей:

-       Предотвращение причин возникновения;

-       Предотвращение самих экстремальных ситуаций;

-       Смягчение, максимальное ослабление последствий ЧС.

Стратегия предотвращения причин возникновения ЧС подразумевает недопущение таких действий или процессов, которые несут угрозу населению. Данная стратегия осуществляется либо отказом от строительства опасных объектов, либо уничтожением или перепрофилированием производств - источников повышенной опасности.

Вторая стратегия - предотвращение самой ЧС - предусматривает недопущение выхода опасного процесса изпод контроля путем использования надежных аварийных систем, сигнализации, автоматики и других мероприятий по повышению надежности и устойчивости работы предприятий, а также путем мероприятий превентивной эвакуации и т.д.

Третья стратегия - смягчение последних - подразумевает ориентацию на ослабление, локализацию последствий ЧС. Эта стратегия имеет приоритет в управлении стихийными бедствиями и ситуациями «комбинированного» типа.

В практике управления наибольший эффект дает совместное использование всех трех стратегий, особенно при промышленных авариях. В ЧС, вызванных стихийными бедствиями, приоритет отдается второй и третьей стратегиям. Для реализации любой из стратегий управления необходимо разрабатывать и принимать комплекс превентивных и оперативных мер.

Превентивные: анализ и установление внешних и внутренних причин, ведущих к катастрофе; прогнозирование очагов поражения, потерь и ущерба на предприятиях; мероприятия по повышению устойчивости; обоснование сил и средств для проведения и поисково-спасательных работ; обучение формирований и граждан способам защиты; подготовки надежного КП управления.

Оперативные: оповещение о ЧС; проведение всех видов разведки и оценки обстановки; проведение экстренных защитных мероприятий (укрытие в ЗС, эвакуация, использование СИЗ); использование сил постоянной готовности для локализации катастрофы; оказание первой медицинской и первой доврачебной помощи; наращивание сил и средств в ОП за счет привлечения формирований повышенной готовности; срочное снабжение пострадавших продовольствием и другими жизненно необходимыми средствами; введение аварийно-восстановительных работ.

При возникновении ЧС организуется чрезвычайное управление, состоящее из четырех стадий ликвидации последствий.

)        Стадия принятия экстренных мер. Цель - задействовать механизм чрезвычайного управления и своевременного реагирования на ЧС. Основные задачи начальной стадии: установление факта ЧС, предварительная оценка обстановки в зоне бедствия и масштабов последствий, мобилизация и постановка оперативных задач органам чрезвычайного управления, отдача распоряжений на задействование мобильных сил пожарной охраны, скорой медицинской помощи, охраны общественного порядка и других служб для помощи пострадавшим, содействие местным органам власти в организации спасательных работ и локализации зоны бедствия собственными силами; информирование населения и вышестоящих органов управления о ЧС и принимаемых мерах. Продолжительность начальной стадии - 1-10 час.

)        Стадия овладения ситуацией и организации механизма чрезвычайного управления в зоне бедствия, в планировании и проведении спасательной операции соответствующего масштаба. Задачи: детально оценить обстановку, срочно принять обоснованное решение и уточнить план ликвидации последствий ЧС; рассчитать необходимые силы и средства, ресурсы для всего комплекса работ в зоне бедствия, организовать четкое взаимодействие всех привлекаемых сил и аварийных служб. Продолжительность 2-ой стадии - несколько часов - несколько суток.

)        Основная и определяющая стадия. Цель - преодолеть чрезвычайный характер ситуации: восстановить безопасность населения в зоне бедствия, ликвидировать угрозу жизни и здоровья всем пострадавшим, создать минимально необходимые условия для жизнедеятельности оставшегося населения. Задачи: развертывание в кратчайшие сроки спасательных работ на всех пострадавших объектах зоны бедствия, оказание помощи пострадавшим для защиты их жизни, здоровья и поддержание жизнеспособности в экстремальных условиях; эвакуация пострадавших из зоны бедствия и их жизнеобеспечение; срочное проведение аварийно-восстановительных работ на системах водо-, тепло-, газо-, электросистемах и связи в зоне бедствия. Продолжительность несколько суток - несколько недель.

)        Стадия восстановления, т.е. экономическая, социальная, культурная и экологическая реабилитация зоны бедствия. Органы чрезвычайного управления исчерпали свою роль и передают функции постоянного действия местным органам управления. Разрабатывается специальная программа с очередностью комплекса мер по реабилитации зоны бедствия.

ЗАКЛЮЧЕНИЕ

В данном проекте была проделана большая работа по проектированию мультисервисной широкополосной сети в жилом доме. Проведя анализ различной литературы, были выбраны оптимальные и эффективные решения по использованию сетевых ресурсов, позволяющие в полной мере осуществить предоставление всех услуг. Одним из преимуществ является возможность модернизировать сеть. Она не ограничена теми параметрами, которые мы ей задали и при всеобщем желании абонентов она всегда может быть расширена следующим образом: к сети могут быть подключены устройства беспроводного доступа Wi-Fi; система охранного видеонаблюдения дополняется кодерами и видеокамерами, которые могут располагаться на лестничных пролетах здания. Данная сеть является дорогим проектом, но если учесть относительную новизну данного решения и то, что сеть строится в новом доме, следует взглянуть на это с другой стороны. Экономический расчет показал, что с одной стороны сеть относительно дорогая, если внедрять ее в уже заселенный дом, с другой стороны при распределении всей стоимости на стоимость одного квадратного метра жилплощади, общая цена квартиры превышает базовую всего лишь на 2,1%. А если учесть что квартиры в доме будут покупать состоятельные граждане, то для них этот процент не имеет решающего значения.

ПЕРЕЧЕНЬ ССЫЛОК

1.    Гургенидзе А.Т., Корше В.И. Мультисервисные сети и услуги
широкополосного доступа.-С.-П.,2013.-434с.

2. Технологии и средства связи. Широкополосные мультисервисные сети. Часть 2. Гротек. 2006.

3.      Семёнов Ю.А. Телекоммуникационные технологии. ГНЦ ИТЭФ 2014.

.        Олифер В.Г., Олифер Н.А. Компьютерные сети: принципы, технологии, протоколы.-М. Литер, 2002-668с.

.        Назаров А.Н., Симонов М.В. Высокоскоростные асинхронные сети ATM. Эко-Трендз: М., 1999.

.        Аджемов А.С, Гуркин Д.В., Кочнева Т.А. Принципы построения сетей. ФГУП ЦНИИС. 2004.

.        А.Н.Назаров. Модели и методы расчета структурно-сетевых параметров сетей АТМ.-М.:Наука,2002.-315с.

.        Крылов В.В., Самохвалова С.С. Теория телетрафика и ее приложения.-СПб.: БХВ-Петербург, 2005.

.        Мамаев Н. С. Системы цифрового телевидения и радиовещания. .-С.-П. 2006.

10.    www.ruslan-com.ru <http://www.ruslan-com.ru>. Системы видеонаблюдения.

11.  И. Янкевич А. IP-телефония для предприятий. "Экспресс-Электроника". 2004. #5.

12. ДЖ.Мартин. Системный анализ передачи данных, том 2. -М.: Мир, 1975.-432с.

13.    Д.А.Мельников. Информационные процессы в компьютерных сетях.-М.:Кудиц-образ,1999.

14.    www.foresystems.com <http://www.foresystems.com>. Оборудование ATM

.        Шин Одом, Хенсон Ноттинге. Коммутаторы. Кудиц-Образ. 2003.

.        Рошан П., Лиэри Д. Основы построения беспроводных локальных сетей. Диалектика-Вильяме. 2004.

17.    Верити Бет. Кабельные системы. Проектирование, монтаж и
обслуживание. Кудиц-Образ. 2004.

18. Закер К. Компьютерные сети. Модернизация и поиск неисправностей. BHV-СПб. 2004.

19.    Гук М. Энциклопедия аппаратных средств локальных сетей. Питер. 2002.

.        Палмер М.Проектирование и внедрение компьютерных сетей. Изд. 2. Учебный курс. BHV-СПб. 2005.

.        Рудакова С.Г. Башмакова Т.Н. Дипломное проектирование: раздел «Охрана труда» методические указания для студентов специальностей «Вычислительная техника», «Автоматизация технологических процессов и производств» дневного и заочного форм обучения. Мариуполь: ПГТУ, 2007.

.        Бухаров И.И. Волошин В.С. Методические указания к расчету на ПК освещения от люминесцентных источников. Мариуполь: ПГТУ, 2004.

.        Кноринг Г.М. Справочная книга по проектированию электрического освещения.-Л.:Энергия, 1976.

.        Правила устройства электроустановок. М.-Л.:Энергия, 1965.

.        Бухаров И.И., Волошин В.С. Методическое указание к расчету на ПК зануления электрооборудования. Мариуполь, ПГТУ, 2004.

.        Андрусенко В.Г., Волошин В.С., Данилова Т.Г. Разработка мероприятий по пожарной безопасности в разделе «Охраны труда» дипломных проектов: Методическое пособие. - Мариуполь: ПГТУ, 2005. - 19 c.

.        ГОСТ 12.1.003 - 83 ССБТ «Шум. Общие требования безопасности». - М.: Издательство стандартов. 1983.

28.    Кодекс цивільного захисту України : Закон від 2 жовтня 2012 року № 5403-VI // Відомості Верховної Ради (ВВР). - 2013. - № 34-35. - ст. 458. - Режим доступа: <http://zakon1.rada.gov.ua/laws/show/5403-17>

.        Охрана труда в металлургии : учеб. для вузов / Б. М. Злобинский. - 2-е изд., перераб. и доп. - М. : Металлургия, 1975. - 536 с.

.        Демиденко Г. П. Защита объектов народного хозяйства от оружия массового поражения [Электронный ресурс] : справочник / Г. П. Демиденко, Е. П. Кузьменко, П. П. Орлов ; ред. Г. П. Демиденко. - 2-е изд., перераб. и доп. - К. : Вища школа, 1989. - 287 с.- Режим доступа : www.oborona.zp.ua <http://www.oborona.zp.ua>

.        Шоботов В. М. Оценка обстановки при чрезвычайных ситуациях: учебное пособие / В. М. Шоботов. - Мариуполь: ПГТУ. Цикл ГО, 1999. -93 с.

.        Шоботов В. М. Гражданская оборона : учеб. пособие для вузов / В. М. Шоботов ; ПГТУ. Цикл ГО. - Мариуполь: ПГТУ, 2002. - 462 с.

.        Шоботов В. М. Действия производственного персонала и населения в чрезвычайных ситуациях : учебное пособие / В. М. Шоботов. - Мариуполь : ПГТУ, 1999. - 92 с.

.        Химическая технология и техника промышленных предприятий, безопасность жизнедеятельности : учебное пособие для студентов вузов в 2-х ч. Ч. 2. / В. М. Шоботов; ПГТУ. - Мариуполь, 2007.- 248 с


Не нашли материал для своей работы?
Поможем написать уникальную работу Без плагиата!