Содержание
Введение
. Разработка структурной схемы
. Краткое описание элементов схемы
. Описание электрической принципиальной схемы
. Блок схема алгоритма и программа
. Карты распределения адресного пространства памяти и увв
. Оценка ёмкости ПЗУ и ОЗУ
. Расчет потребления тока
Заключение
Список литературы
ПРИЛОЖЕНИЕ 1. Структурная схема МПС
ПРИЛОЖЕНИЕ
2. Листинг программы
ВВЕДЕНИЕ
К настоящему времени ЭВМ используются во всех сферах человеческой деятельности. Важную роль при этом сыграло развитие микроэлектроники: создание больших интегральных схем микропроцессоров, запоминающих устройств и др. Микропроцессорной технике здесь отводится особое место, поскольку микропроцессоры обладают высокими функциональными возможностями и эксплуатационными характеристиками.
БИС, на которых построены современные МПС, сочетают в себе высокую степень интеграции, обеспечивающую большие функциональные возможности, с универсальностью по применению.
Универсальность достигается тем, что в микропроцессорных БИС реализованы сложные устройства, позволяющие выполнять над исходными данными логические и арифметические операции, при этом управление ходом вычисления позволяется вести программно. Все современные мини-ЭВМ построены с использованием БИС, входящих в различные МП комплекты. Под микропроцессорными БИС понимают совокупность МП и других интегральных микросхем, совместимых по технологическому и конструкторскому исполнению и предназначенных для совместного использования при построении различных средств ВТ.
Основой каждого МПК БИС является микропроцессор (МП) - программно управляемое устройство для обработки данных. При использовании МП необходимо ясно представлять динамику его работы, т.е., на каких магистралях в зависимости от каких управляющих сигналов и какого МП будут выдаваться та или иная информация. Это поможет понять работу схемы, согласовать ее с различными периферийными устройствами.
В данном курсовом проекте рассматривается система, построенная на универсальном МПК БИС серии К580, который являлся в свое время наиболее распространенным. Широкое использование комплекта обуславливалось функциональной законченностью.
1. Разработка структурной схемы
Структурная схема устройства разрабатывается на основании анализа технического задания.
В структуру разрабатываемой МПС
необходимо включить генератор тактовых импульсов (генератор), снабжает
остальные блоки синхросигналами, вырабатывает импульсы синхронизации С1 и С2 с
уровнем 12В, а также сигнал
. Наряду с генератором мы должны
включить управляемый интегральный таймер (ИТ), предназначенный для отсчета
временных интервалов при выработке сигналов Y2 и Y3.Тактирование
таймера осуществляется от генератора. Основной частью устройства будет
микропроцессор, который является основным активным компонентом системы. Для
работы с внешними устройствами надо использовать параллельный периферийный
адаптер. Для организации системной(общей) шины для обмена данных и корректного
функционирования МПС следует использовать усилители формирователи, т.к. они
только способствуют усилению сигнала, то их на структурной схеме отображать не
будем. Для формирования временных интервалов для управления внешним устройством
используем интегральный управляемый таймер, который передает сигналы Y2 и Y3.
Программа, которая регулирует работу МПС хранится в ПЗУ. ОЗУ используется для
того чтобы связаться с ППА и передавать данные на объект управления, а также
для получения ответных сигналов от управляемого объекта. Схему обработки
прерываний организуем тоже на усилителе, записав код вектора прерывания. С
учетом изложенного структурную схему устройства можно представить в виде,
представленном на рис.1.1.
Взаимодействие микропроцессора с
памятью и средствами ВВ осуществляется посредством интерфейса "Общая
шина", состоящего из нескольких десятков линий (число линий в шине
называют ее шириной).
Рис. 1.1 Структурная схема МПС
Взаимообмен между МП, памятью и периферийными устройствами производится в режиме разделения времени (временного мультиплексирования). Для этого устройства, не участвующие в обмене, переводятся в режим высокого выходного сопротивления. Этим достигается отключение их от системных шин.
В структуру разрабатываемого
устройства необходимо включить генератор тактовых импульсов (генератор). Схема
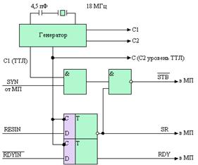
БИС генератора синхроимпульсов (ГСИ) КР580ГФ24 приведена на рис.1.2. ГСИ
вырабатывает импульсы синхронизации микропроцессора С1 и С2 с уровнем 12 В,
сигнал С с уровнем ТТЛ, а также сигнал
, стробирующий слово состояния микропроцессора.
Кроме того, в БИС размещены схемы, обеспечивающие синхронизацию выдачи в
микропроцессор сигналов сброса и готовности.
Основой МПС является микропроцессор (МП) КР580ВМ80А, работающий с тактовой частотой 2 МГц. Параллельный интерфейс МПС с внешними устройствами обеспечивается параллельным периферийным адаптером (ППА) КР580ВВ55, а временные интервалы формируются программируемым таймером КР580ВИ53.
Рис. 1.2 Схема генератора
синхроимпульсов КР580ГФ24
Формирователь сигнала сброса служит для начальной установки МПС при включении питания или при нажатии кнопки КН1.
Системный контролер (СК) служит для выработки системных управляющих сигналов на основе слова состояния микропроцессора, выдаваемого по шине данных.
Для осуществления прерываний в МПМ могут использоваться различные аппаратные средства, в частности в схеме. Первый триггер служит для предотвращения "дребезга" контактов кнопки КН2, второй - для выдачи запроса на прерывание в микропроцессор. После поступления от микропроцессора подтверждения запроса на прерывание на шину данных микропроцессора подается код команды RST, соответствующей реализуемому уровню прерывания.
Генератор - тактовый генератор, предназначенный для формирования тактовых импульсов с заданной частотой;
МП модуль - микропроцессор (МП) КР580ВМ80А, работающий с тактовой частотой 2 МГц;
Тумблеры - восемь тумблеров, определяющих значение константы К, используемой при реализации алгоритма работы МПС;
Кнопка КН1 "Сброс", осуществляющую начальную установку и запуск МПС;
Кнопки КН2 и КН3, обеспечивающие управление выдачей сигналов y2 и y3;
Модуль таймера - на базе БИС программируемого таймера (ПТ) КР580ВИ53;
Модуль ППА - модуль периферийного параллельного адаптера КР580ВВ55;
ПЗУ - постоянное запоминающее устройство на К155РЕ3;
ОЗУ - оперативное запоминающее устройство на
К155РУ2.
Рис. 1.3 Устройство вв/выв. пульт
контроля и управления
В ЗУ хранятся программы и данные. В современных ЭВМ ЗУ выполняют многоуровневым: ВЗУ (диски, ленты, барабаны); ОЗУ (полупроводниковые ОЗУ, феритные сердечники, цилиндрических магнитных доменах ИМД); СОЗУ (роны, КЭШ-память и др.).
Процессор предназначен для обработки информации.
Данные на обработку поступают из ОЗУ. Обрабатываются по программе, которая так же размещается в ОЗУ. Процесс обработки происходит в центре, состоящем из оперативной памяти (СОЗУ, ОЗУ) и процессора.
Процессор делит на 2 части: управляющий автомат чаще называют УУ и АЛУ устройство управление (управляющий автомат), и (оперативное устройство) арифметико-логическим устройством (АЛУ).
УВВ предназначено для ввода программ и данных в оперативную память то есть данные в начале подготавливаются в виде ПФК, ПФЛ, магнитных лент, магнитных дисков, а затем вводятся в ОП машины. Только после этого программа запускается на обработку. В современных машинах диалогового данные в память заносятся непосредственно с экрана дисплея.
Пульт контроля и управления предназначен для ручного пуска различного рода тестовых программ, контроля хода вычислительного процесса или функционирования устройства ЭВМ.
Микропроцессорный модуль (МПМ) является основной частью МПС и управляет всеми остальными ее блоками. Обобщенная структура МПМ показана на рис.1.4. МПМ содержит:
· микропроцессор КР580ВМ80А;
· системный контроллер;
· генератор синхроимпульсов;
· формирователь сигнала сброса;
· схему обработки прерываний;
· буфер адреса.
Рис. 1.4 Обобщенная структура микропроцессорного
модуля МПС
Формирователь сигнала сброса (рис.1.5) служит для начальной установки МПС при включении питания или при нажатии кнопки КН1. Время заряда конденсатора через резистор определяет длительность формируемого импульса. Диод служит для быстрой разрядки конденсатора при кратковременном отключении питания.
Схема БИС генератора синхроимпульсов
(ГСИ) КР580ГФ24 приведена на рис.1.2. ГСИ вырабатывает импульсы синхронизации
микропроцессора С1 и С2 с уровнем 12 В, сигнал С с уровнем ТТЛ, а также сигнал
,
стробирующий слово состояния микропроцессора. Кроме того, в БИС размещены
схемы, обеспечивающие синхронизацию выдачи в микропроцессор сигналов сброса и
готовности.
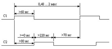
Вырабатываемые синхроимпульсы должны
соответствовать требованиям, задаваемым рис.1.6.
Рис. 1.5 Формирование импульса
сброса
Рис. 1.6 Требования к параметрам сигналов
синхронизации МП КР580ВМ80А
Системный контролер (СК) служит для выработки системных управляющих сигналов на основе слова состояния микропроцессора, выдаваемого по шине данных. СК содержит (рис. 1.7):
· регистр, фиксирующий слово состояния
микропроцессора по сигналу
приходящему из ГСИ;
· шинный формирователь, формирующий шину данных;
· логическую схему, вырабатывающую сигнал подтверждения прерывания и сигналы управления памятью и внешними устройствами.
Нагрузочная способность шин адреса и данных
микропроцессора ограничена в среднем одним ТТЛ входом или пятью выходами ТТЛШ.
Поэтому при реализации МПС необходимо выполнить расчет допустимой нагрузки
выходов микропроцессора. При превышении предельных значений требуется установка
шинных формирователей.
Рис. 1.7 Реализация системного контроллера
Для осуществления прерываний в МПМ могут
использоваться различные аппаратные средства, в частности в схеме, показанной
на рис.1.8. Первый триггер служит для предотвращения "дребезга"
контактов кнопки КН2, второй - для выдачи запроса на прерывание в
микропроцессор. После поступления от микропроцессора подтверждения запроса на
прерывание на шину данных микропроцессора подается код команды RST, соответствующей
реализуемому уровню прерывания.
Рис. 1.8 Реализация схемы обработки прерываний
Разработка модуля ввода-вывода
Для организации интерфейса с объектом и организации обмена информацией с пультом управления в МПС использован ППА КР580ВВ55. Интерфейс ППА и формат управляющего слова представлены на рис.1.9 и рис.1.10.
Адресный дешифратор задает базовый адрес ППА, а
входы А0 и А1 ППА определяют номер его внутреннего регистра. Управляющее слово,
загруженное в регистр управляющего слова (РУС), настраивает порты ППА на
указанный режим и направление передачи.
Рис. 1.9 Интерфейс ППА
Рис. 1.10 Формат управляющего слова ППА
Модуль таймера предназначен для отсчета
временных интервалов при выработке сигналов y2 и y3. Модуль таймера реализован на
базе БИС программируемого таймера (ПТ) КР580ВИ53. Интерфейс кристалла ПТ и
формат его управляющего слова показаны соответственно на рис.1.11 и 1.12.
Рис. 1.11 Интерфейс программируемого таймера
ПТ содержит три 16-разрядных счетчика, каждый из которых может работать в одном из шести режимов:
- программируемая задержка;
- программируемый одновибратор;
- программируемый делитель частоты;
- генератор меандра;
- строб с программным запуском;
- строб с аппаратным запуском.
Рис. 1.12 Формат управляющего слова
таймера
Подключение ПТ к системной магистрали аналогично подключению ППА. Тактирование счетчиков ПТ может осуществляться от имеющегося в МПМ генератора. Временные интервалы большой длительности могут быть обработаны путем последовательного соединения двух счетчиков ПТ.
Разработка памяти МПС
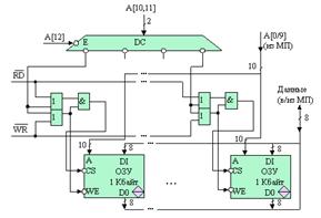
Разработка памяти МПС должна начинаться с определения ее емкости, требуемой для размещения программ (ПЗУ) и переменных (ОЗУ). Разрядность памяти соответствует разрядности микропроцессора и равна байту. Техническим заданием на курсовой проект определены конкретные типы ИС ОЗУ и ПЗУ. Если для реализации необходимого объема памяти оказывается недостаточно одной ИС ЗУ, потребуется модульная структура на основе нескольких банков памяти, выбираемых адресным дешифратором (рис.1.13).
Сигналы управления памятью (
- выбор
кристалла и
- разрешение
записи) формируются на основе системных управляющих сигналов, вырабатываемых
СК.

Рис 1.13 Пример организации
постоянной и оперативной памяти
Адресные дешифраторы построены так, чтобы разделить физические адреса ячеек ПЗУ, ОЗУ и внешних устройств согласно выбранной карте адресного пространства МПС. Микропроцессор по сигналу ”Сброс” начинает выполнять программу с нулевого адреса, поэтому после ПЗУ должно иметь начальные адреса. Из-за небольшого объема программ используется незначительная часть адресного пространства МПС, поэтому может осуществляться неполная дешифрация адресов, что сократит аппаратную сложность дешифраторов.
Итоговую структурную схему представим в приложении 1.
. Краткое описание элементов схемы
Микропроцессор КР580ВМ80А - функционально законченный однокристальный параллельный 8-разрядный микропроцессор с фиксированной системой команд, применяется в качестве центрального процессора в устройствах обработки данных и управления. Имеет 16-разряздый канал адреса, обеспечивающий адресацию памяти объёмом до 64кбайт, адресацию 256 устройств ввода-вывода, а также 8-разрядный канал данных.
Микропроцессор организован на работу с памятью,
имеющую байтовую организацию. Формат обрабатываемых данных имеет вид:
|
D7 (старший байт) |
D6 |
D5 |
D4 |
D3 |
D2 |
D1 |
D0 (младший байт) |
Микропроцессор КР580ВМ80А реализован на основе общей внутренней магистрали данных и включает в себя следующие функциональные узлы:
· блок регистров с адресной логикой;
· блок АЛУ;
· двунаправленную буферизованную магистраль данных;
· блок управления и синхронизации.
Условно графические обозначение микропроцессора
представлено на рисунке 2.1:
Рис. 2.1 Микропроцессор (МП)
КР580ВМ80
Шинный формирователь КР580 ВА86 - двунаправленный 8-разрядный шинный формирователь, предназначен для обмена данными между микропроцессором и системной шиной: обладает повышенной нагрузочной способностью. Формирователь без инверсии с 3 состояниями на выходе.