Материал: Разработка конструкции специального инструмента

Внимание! Если размещение файла нарушает Ваши авторские права, то обязательно сообщите нам

-       несоблюдение геометрических размеров, зазоров и биений колец; неточность в изготовлении тел качения. Замеры проводятся в лаборатории;

-       плохое качество сырья - крупные неметаллические включения, шлаковые раковины, неоднородности материала и др., выходящие на рабочую поверхности деталей подшипника; выявляются металлографическими методами исследований в лабораториях.

Изменение цвета рабочих поверхностей подшипника может свидетельствовать о неправильном монтаже подшипника, приводящим к большим натягам и, как следствие, к уменьшению зазоров, что в свою очередь приводит к нагреву и повышению износа.

При нагрузках и оборотах, выше штатных, цвета побежалости, перегрев и заклинивание подшипника могут явиться последствие выкрашивания металла с дорожек качения и увеличению трения между телами качения и поверхностями колец.

Следует отметить, что характер разрушения подшипника при работе без смазки и от усталостного выкрашивания поверхности деталей различен.

Подшипники с цветами побежалости на рабочих поверхностях деталей к дальнейшей работе непригодны.

Разрушение сепараторов, полученных штамповкой, происходит по следующим причинам [6]:

-      от касания о кольцо из-за износа гнезд сепаратора или некачественного его изготовления; у подшипников малых размеров с диаметром отверстия менее 10 мм касание о кольцо допускается, но в этом случае чистота бортов и допуска на геометрию ужесточены;

-       от появления выкрашивания металла на рабочих поверхностях дорожек колец; при появлении выкрашивания металла дорожках качения колец нагрузки на сепаратор возрастают; поэтому, если на кольцах имеется выкрашивание металла, то разрыв сепаратора является его следствием;

-       разрушение массивных сепараторов происходит также: из-за износа сепаратора по центрирующим поверхностям- при этом возникают дополнительные нагрузки на сепаратор, которые с увеличением износа возрастают; поэтому у разрушенного сепаратора необходимо внимательно осмотреть состояние центрирующих поверхностей;

-       как следствие выкрашивания на дорожках качения колец и работы подшипника с недостаточным количеством смазки.

Подшипники с разрушившимся сепаратором отбраковываются. Кроме того, к дальнейшей работе не допускаются подшипники, имеющие износ сепаратора, трещины, грубые забоины, обрыв заклепок.

После осмотра подшипник проверяется на легкость вращения. Проверка производится медленным вращением от руки наружного кольца относительно внутреннего в горизонтальной плоскости. При заеданиях и притормаживаниях производится повторная промывка в бензине. Если ненормальности не устраняются, нужно тщательнее осмотреть рабочие части. Для проверки наличия зазора между штампованным сепаратором и кольцами отверткой или другим инструментом перемещают сепаратор из одного крайнего положения в другое. Сепаратор не должен касаться бортов колец.

Процесс массового царапания при шлифовании, протекающий на весьма высоких скоростях, создает в поверхностном слое огромнейшее число высокотемпературных очагов.

Различают мгновенную температуру резания и установившуюся температуру поверхностного слоя. Мгновенная температура возникает в период снятия стружки абразивным зерном, резко достигает весьма большой величины и практически мгновенно отводится в массу металла шлифуемого изделия.

Высокие мгновенные температуры могут привести к структурным изменениям в закаленных сталях, появлению ожогов и шлифовочных трещин, т. е. к порче поверхностного слоя. Местное изменение структуры поверхностного слоя шлифуемой детали (ожог), образующееся в результате высоких мгновенных температур и интенсивного выделения тепла на весьма небольших участках поверхностного слоя детали вызывает снижение механических свойств поверхностного слоя, главным образом снижение его твердости и износоустойчивости.

Чрезмерный, практически мгновенный, местный нагрев поверхностного слоя детали может быть вызван следующими причинами:

-    завышенными режимами шлифования - чрезмерно большой толщиной слоя, снимаемого одним абразивным зерном, в результате чего развивается значительное давление абразивных зерен на шлифуемый металл и интенсивный его нагрев;

-       неправильно выбранным (слишком твердым) шлифовальным кругом, также развивающим чрезмерно большое давление абразивных зерен на шлифуемый металл;

-       недостаточным охлаждением при шлифовании твердых (закаленных) сталей;

-       биением круга, некачественной установкой детали в центрах станка.

В настоящие время для осуществления контроля ожогов в подшипниковой промышленности и в частности на Вологодском подшипниковом заводе применяются установки для контроля колец подшипников на ожоги, однако эта установка имеет ряд недостатков:

-    низкая производительность;

-       неудобство закрепления.

Поэтому целью ВКР является разработка конструкции и технологии изготовления привода установки для контроля колец подшипников на ожоги. исходя из поставленной цели необходимо решить ряд задач:

-    рассчитать и спроектировать привод;

-       произвести инженерный анализ напряженно-деформированного состояния детали;

-       разработать каталог узла привода;

-       разработать технологический процесс изготовления детали;

-       разработать конструкцию специального инструмента.

2. КОНСТРУКТОРСКАЯ ЧАСТЬ

2.1 Описание работы установки контроля подшипников качения на ожоги

Установка для контроля колец на ожоги, технические характеристики которой приведены в таблице 1, служит для контроля дорожек качения колец подшипников на ожоговые пятна электрофизическим методом с помощью прибора АПС ВС-47 НД-111Е.

Таблица 1 - Техническая характеристика

Параметр

Единица измерения

Значение

Наружный диаметр наружного кольца

мм

До 130

Внутренний диаметр наружного кольца

мм

30-110

Диаметр отверстия внутреннего кольца

мм

Не менее 12

Внешний диаметр внутреннего кольца

мм

15-130

Высота контролируемых колец

мм

6-40

Радиус дорожки качения

мм

0-10

Угол поворота датчика

град.

-90…+90

Частота вращения шпинделя

об/мин

120;240;360

Напряжение питающей сети

В

380

Частота тока

Гц

50

Установленная мощность

кВТ

0,16

Габаритные размеры

мм

650×460×426

Масса

кг

48


Установка состоит из шпинделя, устройства сканирования, датчика, электропривода шпинделя, электрооборудования, электронного прибора, основания и ограждения.

На основании на стойке размещается электропривод, состоящий из реверсивного электродвигателя РД-09 и круглоременной передачи, передающей вращение шпинделю. Шпиндель вращается в подшипниках качения и имеет конусный хвостик для посадки оправок, базирующих контролируемые кольца подшипников.

Устройство сканирования устанавливается на плите основания и имеет следующую конструкцию: на стойках закреплена направляющая по которой перемещается в направлении перпендикулярном оси шпинделя ползун. Столик имеет возможность вращаться на оси корпуса, корпус при наладке может перемещаться относительно ползуна параллельно оси шпинделя, для регулировки положения щупа датчика по центру дорожки качения контролируемого кольца. Салазки с державкой имеют возможность перемещаться по направляющим относительно столика, что необходимо для обеспечения требуемого радиуса сканирования. Рабочее движение - качание датчика при ощупывании поверхности дорожки качения, обеспечивается вращением с помощью ручки, столика с державкой вокруг оси относительно неподвижного корпуса. В салазках установлен подпружиненный валик, на котором, с помощью кронштейна, закреплена державка. Валик имеет ручку, с помощью которой датчик отводится от кольца и державка поворачивается на 60° обеспечивая свободный доступ к шпинделю, при смене контролируемого кольца. На пульте управления электрооборудования расположен вводный выключатель, тумблер включения электродвигателя, сигнальная лампочка и предохранители. На задней стенке электрошкафа имеются устройство для ввода металлорукава и разъем для подключения прибора АПС ВС-47 НД-111E. Сам прибор устанавливается на столик электрошкафа, расположенный над электрошкафом.

Работа установки. На шпиндель устанавливается оправка, соответствующая контролируемому кольцу. При неподвижном шпинделе на оправке базируется кольцо, включается электропривод вращения шпинделя. Валик с державкой и датчиком с помощью ручки подводится к кольцу и щуп датчика вводится в контакт с дорожкой качения, электронный привод включается на измерение. С помощью ручки меняется положение щупа датчика относительно дорожки качения кольца.

Дорожка качения проверяется в трех сечениях - по дну желоба и двум его краям. Электронный прибор анализирует состояние поверхности дорожки качения на наличие ожоговых пятен и в зависимости от результатов измерения дает информацию, в виде световой индикации на передней панели прибора "годен” или "брак" (загорается соответствующая лампочка). Оператор выключает прибор и привод шпинделя, отводит датчик от кольца, снимает кольцо с оправки и отправляет его в годные или бракованные.

2.2 Расчёт ремённой передачи

Данные: мощность ведущего шкива N1=0,16 кВт; частота вращения ведущего шкива n1=76 мин-1; частота вращения ведомого шкива n2=320 мин-1.

Для данной передачи примем резинотканевый ремень <#"898112.files/image004.gif">                                                                       (1)

где n1 - частота вращения ведущего шкива, мин-1;- частота вращения ведомого шкива, мин-1.

Диаметр ведущего шкива по формуле.

 мм                     (2)

Где N1 - мощность ведущего шкива, кВт;

n1 - частота вращения ведущего шкива, мин-1.

Примем d1=150 мм.

Проверим ремень по допускаемой скорости по формуле:

 м/с                                                    (3)

Где n1 - частота вращения ведущего шкива, мин-1;- диаметр ведущего шкива, м.

Выбранный ремень по скорости подходит.

Диаметр шкива шпинделя при относительном скольжении ремня ξ=0,01 по формуле:

мм                                       (4)

Где i - передаточное отношение;- диаметр ведущего шкива, мм.

В соответствии с ГОСТ 17383-73 d2=100 мм

Межосевое расстояние передачи в соответствии с формулой

 мм                                                                  (5)

Где d1 - диаметр ведущего шкива, мм;- диаметр ведомого шкива, мм.

Угол обхвата ремнём меньшего шкива по формуле:

                                   (6)

Где d1 - диаметр ведущего шкива, мм;- диаметр ведомого шкива, мм.

Расчётная окружная сила по формуле:

H,                                                       (7)

Где kд=1 - коэффициент динамической нагрузки;- мощность ведущего шкива, кВт;- скорость ремня, м/с.

Для расчёта ремня по тяговой способности вычислим расчётное допускаемое полезное напряжение [k].

Значения корректирующих коэффициентов из табл. kv=1; ka=1; kb=0,9. Допускаемое полезное напряжение для ремня

 Мпа,                                                     (8)

Требуемая по тяговой способности площадь поперечного сечения ремня по формуле:

 м2,                                             (9)

Где Ft - окружная сила, Н;

[k] - расчётное допускаемое полезное напряжение, Мпа.

А=0,00008101 м2=33,64 мм2

Ширина ремня:

мм,                                                                       (10)

где    А - площадь поперечного сечения ремня, мм2;

d - толщина ремня, мм.

Расчётная длина ремня по формуле:

 мм             (11)

Где d1 - диаметр ведущего шкива, мм;- диаметр ведомого шкива, мм.

Принимаем L=570 мм.

Проверим ремень на долговечность по частоте его пробегов в секунду по формуле:

 с-1,                                                                   (12)

Где v - скорость ремня, м/с;- длина ремня, м.

2.3 Инженерный анализ напряжённо-деформированного состояния

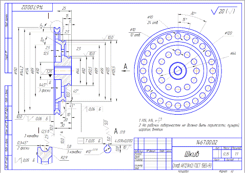
Целью данного раздела анализ состояния детали «шкив» во время действия нагрузок.

На шкив действует два вида нагрузок: нормальная сила и крутящий момент. Чертёж детали и ее 3D модель представлены на рисунке. Состояние шкива при нагрузках было исследовано средствами программного обеспечения APM WinMachine. Исходные данные для расчета были взяты из паспорта установки и чертежей деталей и узлов, а также из расчета круглоременной передачи из пункта 2.2


Рисунок 2.1 - Шкив

Далее исходя из полученных результатов расчета круглоременной передачи в модуле создания моделей для прочностного (конечно-элементного) анализа APM Studio была создана модель данного шкива и заданы такие параметра, как материал (Д16Т), закрепления и создана конечно элементная сетка, которая в дальнейшем была предана в модуль расчета напряженно-деформированного состояния APM Structure3D. В данном модуле были заданы соответствующие нагрузки. Результаты расчета представлены на рисунках 2.2, 2.3 и 2.4.

Рисунок 2.2 - Эпюра коэффициента запаса по пределу текучести

Рисунок 2.3 - Эпюра напряжений

Рисунок 2.4 - Эпюра перемещений

По полученным результатам можно сделать вывод что шкив работоспособен, т.к. минимальный коэффициент запаса равен 23,01.

3. ТЕХНОЛОГИЧЕСКАЯ ЧАСТЬ

.1      Разработка технологического процесса изготовления детали «Шкив»

Разработать рабочий технологический процесс изготовления детали «Вал» применительно условиям ВПЗ.

Исходные данные:

-        Конструкторский чертёж до модернизации (см. приложение);

-       Годовая программа изготовления 50 штук;

-       Сведения для проектирования (в действующем производстве имеются):

-       литейное оборудование для изготовления ступенчатых отливок;

-       металлорежущие станки: токарные станки с ЧПУ, долбежные станки с ЧПУ, фрезерно-сверлильные станки с ЧПУ, полировальные станки;

-       термическое оборудование: закалочная электропечь;

-       слесарное оборудование для слесарных и полировальных работ;

-       станочные приспособления: тиски, оправки;

-       инструментальные приспособления: резцедержатели;