Заготовки деталей штампов из инструментальных и
легированных сталей необходимо подвергать первичной термической обработке,
обеспечивающей возможность их дальнейшей механической и термической обработок и
стабильность размеров.
2.2 Модернизация
привода пресса
Особенностью кривошипных машин является то, что силовой расчет их ведется таким образом, что известные силы (номинальные усилия) прилагаются к инструменту. Усилия, возникающие на инструменте, определяются вычислением сопротивления деформированию заготовки. Большое значение при этом имеет характер изменения усилия по ходу ползуна пресса, или график рабочих нагрузок на ползуне. После выяснения сил и моментов, действующих на отдельные элементы машины, составляют расчетные схемы отдельных деталей. Это наиболее ответственная часть расчета, так как выбор правильной расчетной схемы способствует и наиболее правильному конструктивному оформлению детали и экономичному использованию материала.
Большую помощь при оформлении деталей и выборе их размеров оказывают статистические данные, которые имеются в литературных источниках. В этом отношении большую роль должны играть наблюдение за работой деталей, их износом при эксплуатации, за ремонтом, а также сбор и обобщение известных данных по поломкам деталей и корректировка на этой основе эмпирических правил конструирования, применяемых при выборе прочных размеров деталей.
Такие эмпирические данные применяют и для
определения размеров основных деталей кривошипных прессов, поэтому расчеты этих
деталей носят проверочный характер.
2.2.1 Проектирование кинематической схемы пресса
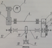
Кинематическая схема привода пресса (рис. 2.9)
разработана на основе типовых технических решений на данный тип машин.
Рисунок 2.9 - Кинематическая схема пресса: 1 -
электродвигатель, 2 - шкив, 3 - маховик, 4 - быстроходный вал, 5 - шестерня, 6
- зубчатое колесо, 7 пиевмомуфта, 8 - тихоходный вал, 9 - ползун, 10 - стол
пресса, 11- эксцентриковая втулка, 12 - тормоз
Вращение от электродвигателя (1) через
клиноременную передачу передается на шкив-маховик (3), установленный на
промежуточном валу (4). При своем вращении маховик накапливает кинетическую
энергию, которая передается от шестерни (5) на зубчатое колесо 6 открытой
передачи, установленное на главном валу в подшипниках. При включении муфты (7)
вращение передается на главный вал и от него через эксцентриковый привод (11) и
шатун оно преобразуется в возвратно-поступательное движение ползуна (9).
2.2.2 Расчет мощности электродвигателя
Решающим фактором при выборе системы электропривода пресса является экономическая целесообразность в сочетании с техническими требованиями. В период рабочего хода большая часть работы выполняется за счет кинетической энергии маховика, скорость вращения которого уменьшается. В остальные периоды цикла угловая скорость маховика восстанавливается.
Мощность двигателя в таком случае определяется исходя из средней работы за цикл. При этом чем: больше число ходов пресса и меньше величина расхода энергии на холостое перемещение механизмов пресса, тем больше должен быть запас мощности.
Номинальную мощность асинхронного,
короткозамкнутого электродвигателя определяют суммой средних мощностей активного
и холостого ходов за период одного технологического цикла по формуле [10]:
где к = 1,4 - коэффициент запаса, принимается по табл. 15.4 [10], в зависимости от числа включений пресса;
n0 - число включений муфты за цикл (на одиночных ходах nB =1; на автоматических ходах nB =0);
Ƞ0 - общий КПД привода;
Ƞм - КПД передачи от муфты до двигателя.
Значения КПД Ƞ0
и ȠM
зависят от типа и числа передач, расположенных между главным валом (для Ƞ0)
или валом муфты (для ȠM)
и электродвигателем:
Ƞ0=Ƞk
Ƞ3m1
, Ƞm=Ƞk
Ƞ3m2 (2.21)
где Ƞk - КПД клиноременной передачи, принимаемый равным 0,97;
Ƞ3 -КПД зубчатой передачи, Ƞ3 = 0,98 при использовании подшипников качения, и Ƞ3 = 0,96 при использовании подшипников скольжения;
ml, m2 - соответственно, общее число степеней зубчатого привода и число ступеней от вала муфты до двигателя. m1=1; m2=1.
Ƞ0 = 0,97∙0,98 = 0,95; Ƞm= 0,97∙0,98 = 0,95.
Время технологического цикла приближенно
определяется при выбранном коэффициенте использования ходов Рu
который представляет собой отношение tм
- времени машинного цикла (одного двойного хода ползуна) к времени
технологического цикла tц,
по формуле:
tц=
=
, c (2.22)
где ри = 0,4.. .0,8 - значение коэффициента использования ходов для листоштамповочного универсального пресса простого действия (табл. 15.2 [10]); nн = 80 - число ходов пресса.
Определим мощность электродвигателя:
Требуется электродвигатель мощностью Nò
≥10 кВт.
2.2.3 Подбор электродвигателя
Выбор электродвигателя производится в соответствии с условием Nò ≤Рэд. В нашем случае подходит электродвигатель серии 4А мощностью Рэд = 11 кВт.
Записываем все варианты электродвигателей:
.4А132М2УЗ синхронная частота 3000 об/мин;
асинхронная частота 2900 об/мин;
.4А132М4УЗ синхронная частота 1500 об/мин;
асинхронная частота 1460 об/мин;
.4A160S6y3 синхронная частота 1000 об/мин;
асинхронная частота 975 об/мин;
.4А160М8УЗ синхронная частота 750 об/мин;
асинхронная частота 730 об/мин.
Применение каждого из электродвигателей дает
общее передаточное число
где nим - частота вращения вала исполнительной машины, об/мин.
На основании выше приведенных зависимостей каждый из электродвигателей дает:
u01= =
= 36.25; u02=
=18.25; u03=
=12; u04 =
=9.125
Определим общее передаточное число передач,
входящих в привод:
u0=u1∙u2 (2.24)
где u1 и u2 - передаточные числа отдельных ступеней привода, рекомендуемые значения которых приведены в табл.2.2. '
Для заданной кинематической схемы справедливо:
) клиноременная передача - uрем = 2.. .4;
)цилиндрическая открытая передача - uцил.откр. = 4. ..8.
В свою очередь передачи могут обеспечить:
u0= (2...4)(4...8) = 8...32
Таким образом, очевидно, что из дальнейшего рассмотрения электродвигатель с частотой вращения nэд= 2900 об/мин должен быть исключен.
Что касается трех оставшихся вариантов, то может быть реализован любой из них.
Окончательно принимаем электродвигатель
4А132М4УЗ, имеющий минимальные габариты среди электродвигателей мощностью Рэд =
11 кВт (см. рисунок 2.10).

Рисунок 2.10 - Размеры электродвигателей серии
4А132М4УЗ
2.2.4 Определение передаточного отношения в приводе пресса
Передаточное отношение привода рассчитываем по общим методикам машиностроения [15].
Исходными данными для расчета являются:
N1 = 11 кВт - мощность на малом шкиве;
n1 - 1460 об/мин - частота вращения малого шкиве;
По известной частоте вращения двигателя, числу
ходов пресса определим общее передаточное отношение привода пресса:
В данном случае общее передаточное отношение; возможно, реализовать ременной и зубчатой передачей:
uобщ = 18,25 = u3„ ∙ uрп
где uзп - передаточное число открытой цилиндрической передачи;
uрп - передаточное число клиноременной передачи.
В соответствии с рядом Ra20
назначаем uред =5,4 тогда
передаточное число клиноременной передачи будет:
2.2.5 Определение частот вращения валов привода
Скорость вращения вала электродвигателя nдв = 1460 об/мин
Скорость вращения входного вала редуктора:
Скорость вращения выходного вала редуктора:
Скорость вращения вала исполнительной машины (фактическая): nим факт- 79,99 об/мин.
Разница между заданным и фактическим значениями nим факт составляет 0,025% что лежит в пределах допустимого при проектировании диапазона, равного ± 5%.
Окончательно принимаем иред =5,4, ирем = 3,38,
что дает фактическую частоту вращения вала исполнительной машины:
2.2.6 Определение циклических частот вращения валов привода
Циклические частоты вращения валов определяются
по формуле [15]:
Для входного вала:
Для выходного вала:
Для вала исполнительного механизма:
2.2.7 Определение мощности на валах привода
Мощность на валу определяется по формуле [15]:
Pi=Pi-1
Ƞi-1,i,Вт, (2.30)
где Pi-1 - мощность на предыдущем к i -му валу, Вт;
Ƞi-1, i - коэффициент полезного действия, учитывающий потери мощности на участке между i-1 и I валами.
Ррэд=11 кВт.
Pвх.в=Pэд∙Ƞрем ∙Ƞподщ=11∙0,95∙0,99 = 10,34 кВт;
Pвых.в=Pвх.в∙Ƞза∙Ƞподш=10,34∙0,93∙0,99 = 9,52 кВт;
Pим=Pвых.в∙Ƞм∙Ƞподш.ск=9,52∙0,98∙0,985 = 9,18 кВт.
Определение крутящих моментов на валах привода
Вращающий момент на любом валу Тi
рассчитывается как [15]:
где Pi - мощность на рассматриваемом валу, Вт;
ῳi- угловая скорость данного вала, с-1
Для входного вала крутящий момент будет:
Для выходного вала крутящий момент будет:
Для вала исполнительного механизма крутящий момент будет:
Полученные результаты запишем в итоговую таблицу
2.5.
Таблица 2.5 - Итоговая таблица расчетов
|
Параметр |
Входной вал |
Выходной вал |
Вал исполнительного механизма |
|
Скорость вращения n, об/мин |
431,95 |
79,99 |
79,99 |
|
Циклических
частот вращения |
45,23 |
837 |
8,37 |
|
Мощность Р, кВт |
10,34 |
9,52 |
9,18 |
|
Крутящий момент Т, Нм |
228,6 |
1137,39 |
1096,77 |
2.2.8 Расчёт зубчатой передачи
Открытые зубчатые передачи машин работают в условиях запыленных помещений, поэтому для них характерен абразивный износ. Практика показывает, что при нормальной эксплуатации даже с повышенным износом зубы» могут работать без поломки продолжительное время. Основной причиной выхода их из строя являются поломки зубьев колес. Поломки могут происходить от усталости при многократных перегрузках, несколько превышающих предел выносливости при изгибе материала колес, а также при однократных значительных перегрузках.
Так как при конструировании кузнечных машин размерам передач задаются на основе имеющихся хорошо работающий машин, то при конструировании приходится проводить проверочный расчет. Ориентировочные данные для выбора размеров передач приведены в приложении 3 [10]. Выбранные размеры подлежат проверочному расчету. При расчете выясняется, какой величины крутящий момент можно приложить на коленчатому валу исходя из прочности той или иной передачи, исходя из усталостной прочности на изгиб и на нормальные контактные напряжения или исходя из допускаемых пластических деформации поверхностей зубьев.
Число зубьев назначаем по шестерне (ZШ>Zmin).
Разброс значений для числа зубьев шестерни Zш
довольно узкий, для однокривошипного пресса с односторонним приводом составляет
13:21 (прил. 3 [10]). Шестерни и колеса диаметром менее 500,„800мм изготовляют
из стальных поковок марок 45,40,40 ХН и др., а колеса диаметром более 500...800
мм - из стальных отливок марок 35Л, 45Л, 35ХГСЛ, 40ХНЛ и др. Поковки подвергают
нормализации (Н) или улучшению (У) до твердости 190...280 НВ, отливки - нормализации
до 160...220 НВ. Более высокая твердость нецелесообразна, поскольку нарезание
зубьев производят после термообработки. Для лучшей прирабатываемости и во
избежание заедания зубьев твердость шестерни должна быть на 20...40НВ выше
твердости колеса.
Таблица 2.6 - Механические свойства сталей, используемых для зубчатых колес
|
Элемент |
Марка |
Вид заготовки |
Термообработка |
НВ |
σВ |
σ-1 |
σТ |
[σ]max |
|
передачи |
стали |
|
|
|
Н/мм2 |
кг/см2 |
||
|
Шестерня |
45 |
Поковка |
улучшение |
235:262 |
780 |
335 |
650 |
17600 |
|
Колесо |
45Л |
Литье |
нормализация |
207:235 |
680 |
285 |
440 |
13400 |
Для выбора зубчатой передачи воспользуемся приложением 3 [10], при этом получаем: