Материал: Расчеты болтового и шпилечного соединения

Внимание! Если размещение файла нарушает Ваши авторские права, то обязательно сообщите нам

Рис. 2.14 - Резьбовое соединение с применением винта, гайки и шайбы

При конструировании разъемных резьбовых соединений встречаются случаи, когда сквозное отверстие в притягиваемой детали необходимо выполнить квадратным или продолговатым (рис.2.16).

Рис. 2.15 - Соединение без зазора

Рис. 2.16 - Разъемное соединение с квадратным отверстием в детали


В сборочных чертежах соединения крепежными деталями обычно изображают упрощенными или условными (если диаметр резьбы на чертеже менее 2 мм). Такие изображения регламентированы ГОСТ 2.315-68.

2.3 Расчет болтового соединения

При выполнении на сборочных чертежах болтового соединения пользуются условными соотношениями между диаметром резьбы и размерами элементов гайки и шайбы.


Параметры болтового соединения

Обозначение

Условные размеры

Высоты гайки

Н

0,85*d=20,4 мм

Высота головки болта

Н6

0,7*d=16,8~15 мм

Высота шайбы

S

0,15*d=3,6~4 мм

Выход болта за гайку

К

(0,3-0,5)=12 мм

Высота фаски на стержне болта

С

0,15*d=3,6 мм

Диаметр шайбы

2,2*d=52,8~53 мм

Диаметр болта и гайки

D

2*d=48 мм

Диаметр отверстия под болт в соединяемых деталях

d0

1,1*d=26,4~27 мм

Внутренний диаметр резьбы

d1

0,85*d=20,4 мм


Длина l рассчитывается по формуле l=А+В+S+H+K=100 мм.

Учитывая расчёты выполняем графическую часть (формат А3, масштаб 1:1), болтовое соединение. Чертеж прилагается к работе.

Рис. 2.17

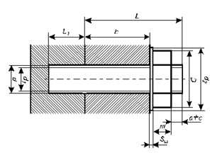
2.4 Расчет шпилечного соединения

Задана диаметр резьбы М=d=24, толщина присоединяемой детали С=30.

Высоты гайки

Н

0,85*d=20,4 мм

Высота шайбы

S

0,15*d=3,6~4 мм

Выход болта за гайку

К

(0,3-0,5)=10 мм

Высота фаски на стержне болта

С

0,15*d=3,6 мм

Диаметр шайбы

2,2*d=52,8~53 мм

Диаметр гайки

D

2*d=48 мм

Диаметр отверстия под шпильку в присоединяемой детали

d0

1,1*d=26,4~27 мм

Внутренний диаметр резьбы

d1

0,85*d=20,4 мм

Глубина отверстия l2 под ввинчиваемый конец шпильки

l2

l0+0,85*d=70,4~75 мм

=d=24 (рис. 2.18)

Длина l рассчитывается по формуле l=С+S+H+K=65 мм.

Полученную длину шпильки l уточняют по ГОСТ - 22032 - 76.

Учитывая расчёты выполняем графическую часть (формат А3, масштаб 1:1), шпилечное соединение. Чертеж прилагается к работе.

Рис. 2.18

2.5 Резьбовое соединение деталей

В резьбовом соединении выбор резьбы производят в зависимости от характера и назначения соединения.

Резьбовые соединения разделяют на подвижные и неподвижные.

На рисунке 2.19, а,б представлено неподвижное соединение трубы (5) с резьбовой втулкой (4), которая притягивается к ниппелю (1) при помощи накидной гайки (2). Герметичность соединения обеспечивается прокладкой (3).

Рис. 2.19 - Неподвижное резьбовое соединение

Подвижное резьбовое соединение (рис. 2.20) представляет собой винтовую пару, в которой при вращательном движении одного элемента другой элемент движется поступательно. Так, при вращении винта (1) гайка (2) вместе с кареткой (3) движется поступательно.

Рис. 2.20 - Подвижное резьбовое соединение

резьба шпилька деталь крепеж

2.6 Изображения упрощенные и условные крепежных деталей

Правила упрощенных и условных изображений крепежных деталей на сборочных чертежах устанавливает ГОСТ 2.315-68.

Основные требования:

. Стандарт устанавливает упрощенные и условные изображения крепежных деталей на сборочных чертежах и чертежах общих видов всех отраслей промышленности.

. На сборочных чертежах и чертежах общих видов изображение крепежных деталей (упрощенное или условное) выбирают в зависимости от назначения и масштаба чертежа.

Крепежные детали, у которых на чертеже диаметры стержней равны 2 мм и менее, изображают условно. Размер изображения должен давать полное представление о характере соединения.

. Упрощенные и условные изображения крепежных деталей должны соответствовать указанным в таблице 2.6 (см. приложение).

. Примеры упрощенных и условных изображений крепежных деталей в соединениях приведены в таблице 2.7 (см. приложение).

. Если на чертеже имеется несколько групп крепежных деталей, различных по типам и размерам, то вместо нанесения повторяющихся номеров позиций рекомендуется одинаковые крепежные детали обозначать условными знаками, а номер позиции наносить только один раз.

. Если изделие, изображенное на сборочном чертеже, имеет ряд однотипных соединений, следует показывать упрощенно или условно в одном-двух местах каждого соединения, а в остальных - центровыми или осевыми линиями (рис. 2.21).

. Шлицы на головках крепежных деталей следует изображать одной сплошной линией.

Толщину линии шлица следует принять равной двум толщинам сплошной основной линии, принятой на чертеже.

Рис. 2.21 - Однотипные резьбовые соединения

3. Нарезание резьбы

.1 Нарезание наружной резьбы

До нарезания резьбы стержень обтачивают до нужного диаметра. На конце стержня обрабатывают фаску Нужно следить за тем, чтобы поверхность стержня была гладкой. Ржавеющие поверхности обрабатывать нельзя, так как плашка быстро изнашивается.

При нарезании резьбы диаметр заготовки должен быть немного больше диаметра плашки, а диаметр стержня на 0,2…0,4 мм меньше внешнего диаметра резьбы.

Если диаметр стержня слишком маленький, то получается резьба неполного профиля.

До нарезания резьбы стержень закрепляют вертикально между губками тисков. Первые 1-1,5 оборота нарезают без смазочного вещества, потому что плашка лучше врезается в сухой металл (не скользит). В дальнейшем надо пользоваться теми же смазочными веществами, что и при нарезании внутренней резьбы.

Особое внимание следует уделить тому, чтобы ось плашки совпадала с осью заготовки. С этой целью можно изготовить специальное приспособление - усовершенствованный вороток, который позволяет нарезать резьбу быстро, без значительных усилий и с высоким качеством. Приспособление состоит из плашкодержателя и направляющего стакана, рассчитанного на резьбу определенного диаметра. Стакан фиксирует необходимое положение плашки по отношению к стержню, на котором нарезают резьбу. Плашка крепится винтами. Направляющий стакан в выточке имеет регулируемый радиальный зазор для само центрирования по отношению к стержню, на котором нарезается резьба.

При изготовлении стакана необходимо иметь в виду, что его внутренний диаметр должен быть больше диаметра резьбы (во избежание заклинивания при возможных неровностях стержня).

Наружную резьбу нарезают так же, как и внутреннюю, т.е. совершая плашкой, закрепленной в воротке, один поворот вперед и полповорота назад. При этом нажим на обе ручки воротка должен быть одинаков. При нарушении положения плашки могут произойти изменения профиля резьбы или сломаться зубья плашки.

3.2 Нарезание внутренней резьбы

Диаметр отверстия в котором нарезается резьба, должен быть меньше наружного диаметра нарезаемой резьбы, так как часть металла уходит в стружку. Если диаметр отверстия слишком велик, то невозможно получить резьбу нужной глубины. В случае если диаметр отверстия мал, коническая часть метчика не влезает в отверстие и метчик ломается. Диаметр метчика можно установить по специальной таблице или вычислить по формуле D = d - 0,9S, где D - диаметр метчика (спирального сверла); d - наружный диаметр резьбы; S - шаг резьбы.

После подготовки нарезаемого отверстия и выбора метчика деталь закрепляют в тисках так, чтобы ось отверстия была перпендикулярна губкам тисков.

Рис. 3.1

Правила нарезания резьбы метчиком:

при нарезании резьбы в глубоких отверстиях, в мягких и вязких металлах (медь, алюминий, бронза и др.) метчик необходимо периодически вывертывать из отверстия и очищать канавки от стружки;

нарезать резьбу следует полным набором метчиков; нарезание резьбы сразу средним метчиком без прохода черновым, а затем чистовым не ускоряет, а, наоборот, затрудняет работу; резьба в этом случае получается недоброкачественной, а метчик может сломаться;

Средний и чистовой метчики вводят в отверстие без воротка и только после того, как метчик пройдет правильно по резьбе, на головку надевают вороток и продолжают нарезание резьбы;

глухое отверстие под резьбу нужно делать на глубину, несколько большую, чем длина нарезаемой части, с таким расчетом, чтобы рабочая часть метчика немного вышла за пределы нарезаемой части; если такого запаса не будет, резьба получится неполной;

в процессе нарезания необходимо тщательно следить за тем, чтобы не было перекоса метчика; для этого надо через каждые две-три нарезанные нитки проверять с помощью угольника положение метчика по отношению к верхней плоскости изделия; особенно осторожно нужно нарезать резьбу в мелких и глухих отверстиях. Нарезанную внутреннюю резьбу проверяют калибрами-пробками.

Для сверления резьб МЗ...М14 используют комплект из шести магнитных втулок. На торец метчика кладут вороток, левой рукой слегка нажимают на него до тех пор, пока метчик не врежется в металл и положение в отверстий не станет устойчивым. Затем двумя руками поворачивают вороток и через каждые полкруга меняют положение рук. После одного полного поворота метчик поворачивают на 1/4 оборота назад, чтобы разломать стружку. По окончании работы метчик вынимают из отверстия.

Второй и третий метчики тоже смазывают смазочным веществом и устанавливают в отверстии без воротка. Вороток надевают после того, как станет ясно, что метчик идет по резьбе правильно, и продолжают нарезание резьбы. Для получения в отверстии резьбы заданной глубины используют опорные втулки, закрепленные болтами в нужном положении. Что бы облегчить работу при нарезании глубоких отверстий, метчик надо два-три раза вывернуть из отверстия.

Изнашивание метчика, засорение его гребешков и небрежность в работе нередко приводят к поломке метчика в отверстии. Извлечение из отверстия сломанного метчика требует много времени, портит резьбу, и нередко вся деталь превращается в брак. Для вынимания сломанного метчика пользуются различными способами. Один из них заключается в том, что метчик отжигают в пламени газовой горелки или паяльной трубки, затем просверливают в нем маленькое отверстие и забивают туда разветвленный с одной стороны стержень, с помощью которого и выворачивают метчик из отверстия. Другой способ: на нарезке сломанного метчика завязывают стальную проволоку. Зажав ее ручными тисками, сломанную часть метчика выкручивают из отверстия. Третий способ с помощью маленького зубила или острого керна сломанный метчик разламывают на куски, которые и вынимают из отверстия.

3.3 Смазывание резьбонарезного инструмента

На качество резьбы и стойкость инструмента влияет правильный выбор смазочно-охлаждающей жидкости (см. прил. таб.3.1)

При нарезании резьб в деталях из силумина, алюминия стружка налипает на метчик и вследствие этого возникают задиры; при нарезании резьбы в нержавеющих, жаропрочных и других высоколегированных сталях метчик быстро затупляется.

Смазка, предложенная Г.Д. Петровым, дает возможность получения высококачественной резьбы с наименьшими затратами труда. Она имеет следующий состав (%): олеиновая кислота - 78, стеариновая кислота - 17, сера тонкого помола - 5. Стеариновую и олеиновую кислоты смешивают при 60...65 °С, затем смесь охлаждают до 20 °С и смешивают с серой тонкого помола. Инструментом, смазанным этой пастой, легко нарезается резьба в отверстиях деталей, подвергнутых закалке до HRCЭ38...42.

Заключение

В процессе теоретико-экспериментального исследования, ставившего своей целью создание технологии индивидуализированного обучения начертательной геометрии студентов технических вузов, позволяющей повысить качество предметной подготовки, были получены следующие основные выводы и результаты:

. С позиций личностно-ориентированного обучения и системного подхода к его анализу выявлен комплект индивидуальных особенностей студентов технических вузов, которые следует учитывать при индивидуализации обучения начертательной геометрии. Он включает следующие особенности: обученность по геометрии, черчению, компьютерную грамотность, уровень сформированности умений самостоятельной работы, уровень развития пространственного мышления.

. Теоретически и экспериментально обоснован вывод о целесообразности применения при обучении начертательной геометрии технологии индивидуализированного обучения с элементами дистантной системы образования (учебно-методического обеспечения и организации). Выбор элементов учебно-методического обеспечения ДСО обоснован, с одной стороны, необходимостью индивидуализации обучения на всех этапах изучения учебного материала, с другой стороны, возможностью их реальной дифференциации по уровням овладения учебным материалом в зависимости от выделенных в исследовании индивидуальных особенностей студентов. К таким элементам отнесены электронное учебное пособие, включающее конспекты лекций, практикум по решению задач, контрольные вопросы и варианты зачетных заданий; система индивидуализированных учебных задач.

. Создано электронное учебное пособие, ориентированное на индивидуализацию обучения начертательной геометрии. Учет индивидуальных особенностей студентов обеспечен следующими особенностями структурных компонентов пособия: представление учебной информации в мультимедийных лекциях с различной степенью подробности и наглядности; сопровождение практикума по решению типовых задач образцами их пошагового решения; введение критериев рейтинговой оценки; индивидуализация графических задач; наличие прикладной графической программы для просмотра моделей рисунков.

. Сформулированы две группы требований к системе индивидуализированных задач, ориентированной на использование ее в обучении начертательной геометрии. К первой отнесены требования, обеспечивающие систематизацию: наличие системообразующей связи, существование внутрисистемных связей, включение всех подлежащих усвоению и разнообразных типов задач, предшествование менее сложных задач более сложным. Ко второй группе - обеспечивающие индивидуализацию: наличие нескольких уровней сложности; представление условия задачи в форме, учитывающей уровень развития пространственного мышления; предоставление образца пошагового решения; обеспечение выбора инструмента выполнения решения. В соответствии с этими требованиями разработана система индивидуализированных задач по начертательной геометрии для технических вузов.