Для
получения высокой стабильности генерируемой частоты угол отсечки
транзисторного АГ желательно выбирать так, чтобы токи
и напряжения на переходах транзистора были по форме близки к синусоиде. Чем
больше
, тем лучше форма тока. Однако с приближением
к 180° (мягкий колебательный режим) снижается
стабильность амплитуды колебаний вследствие того, что колебательная
характеристика и прямая обратной связи пересекаются под очень острым углом.
При
уменьшении
ток обогащается гармониками, что вызывает понижение
стабильности генерируемой частоты. Однако работа с
< 90° (жесткий колебательный режим) позволяет
обеспечить меньшее тепловое рассеяние на выходном электроде транзистора (более
высокий КПД) и более высокое значение входного сопротивления транзистора, что
способствует повышению стабильности частоты АГ. Но мягкое самовозбуждение
удобнее в эксплуатации, поскольку автоколебания возникают и самостоятельно
устанавливаются при произвольных условиях в момент включения АГ. Компромиссное
решение, при котором в момент включения АГ начинает работать без отсечки (в
режиме мягкого самовозбуждения) с последующим автоматическим переходом его в жесткий
режим, предусматривает автоматическое изменение, напряжения смещения по мере
нарастания амплитуды колебаний АГ При этом угол отсечки
в установившемся режиме автоколебаний транзисторного
АГ обычно выбирают равным (60...75)°.
Величина
коэффициента обратной связи с АГ
выбирается с учетом относительного, шунтирующего влияния на колебательную систему АГ входной и выгодной проводимостей транзистора. При малых Кос (т.е. при относительно небольших, Uk1) в значительной степени проявляется нелинейность барьерной емкости Ск. При больших Кос (т.е. при больших амплитудах Uб1) возрастает влияние входной проводимости транзистора. Обычно в АГ на биполярных транзисторах выбирают Кос = 1. При нежестких требованиях к стабильности частоты с целью увеличения выходной мощности Кос можно уменьшить, выбрав Кос = 0,3 . ..0,5.
С учетом изложенного в АГ необходимо использовать маломощные высокочастотные транзисторы типа КТЗ___ или аналогичные им.
Для повышения стабильности генерируемой частоты транзистор должен работать в облегченном режиме. Напряжение питания коллекторного перехода и амплитуду импульса коллекторного тока выбирают из условий iKМ = (0,2…0,4) iK доп; еKМ = (0,2…0,4) еK доп, где iK доп и еK доп - допустимые паспортные значения импульса коллекторного тока и коллекторного напряжения.
Режим
работы транзистора АГ выбирают резко недонапряженным. При перенапряженном
режиме увеличивается дестабилизирующее влияние на генерируемую частоту
изменения питающего напряжения, из-за повышенного содержания высших гармоник в
импульсах коллекторного тока, малейшее изменение угла отсечки приводит к
заметным относительным изменениям уровней высших гармоник, что эквивалентно
изменениям
. Кроме того, использование перенапряженного режима
приводит к увеличению выходной проводимости транзистора, снижающей добротность
колебательной системы АГ.
1. Выбираем транзистор малой мощности и фиксируем его параметры:
- средний коэффициент усиления по току: β = 30…90,
- Pкmax = 15 мВт,
- Ск = 5пФ,
- Сэ = 6 пФ,
- fт = 300 МГц,
- Eотс = 0,7 В,
- Iк = 0,02 А,
- iK доп = 20 мА,
Ск.а = Ск/2 = 2,5 пФ,
τос = rБСк.а. = 10 пс,
Вычисляем fβ = fт/ β = 10 МГц,
fα = fт + fβ = 310 МГц,
rБ = τос/ Ск.а. = 4 Ом.
iKМ = (0,2…0,4) iK доп =4 мА;
еKМ = (0,2…0,4) еK доп=5 В.
Выбираем
коэффициент обратной связи в АГ Кос = 1,
. Тогда
Расчет цепей смещения и питания транзистора:
1. Амплитуда первой гармоники коллекторного тока
2. Амплитуда постоянной составляющей тока коллектора
3. Амплитуда постоянной составляющей тока базы
![]()
4. Рассчитаем сопротивление делителей смещения
Известно, что R1=(10..20)R2
Выберем R2=R1/10=3900 Ом
5. Определим ток делителя
6. Рассчитаем резистор, включенный в эмиттерную цепь транзистора, исходя из неравенства (для уменьшения влияния дестабилизирующих факторов на ток базы, и соответственно на смещение на базе транзистора)
R1R2/( R1+ R2) << (1+ β0) R3
3500 << 31 R3
Ом << R3
Выберем R3 = 240 Ом
7. Рассчитаем смещение на базе транзистора в стационарном режиме
Здесь первый член - внешнее отпирающее смещение, второй- автоматическое смещение за счет базового тока, третий- автоматическое смещение постоянной составляющей эмиттерного тока.
8. Рассчитаем резистор стоящий в коллекторной цепи транзистора
(гасящее сопротивление необходимое для снижения напряжения на базе транзистора)
5.1 Расчет электрического режима АГ
1. Эквивалентное сопротивление нагрузки
2. Амплитуда первой гармоники напряжения на коллекторе транзистора
3. Полезная мощность отдаваемая в нагрузку
4. Мощность потребляемая от источника
5. Максимальная рассеиваемая мощность на коллекторе транзистора
6. КПД коллекторной цепи при номинальной нагрузки
Рассчитаем коэффициент использования коллекторного напряжения в недонапряженном режиме
Неравенство
есть условие недонапряженного режима.
Произведем
анализ оценку полученного численного значения:
1. По эквивалентному сопротивлению нагрузки транзистора RН находим коэффициент включения
транзистора в схему:
=
=0,015
Сопротивление емкости делителя:
=
0,015*640 = 10 Ом.
Сопротивление емкости:
Эта величина должна быть больше 0.

= 525 Ом
> 0. - условие выполняется, значит можно продолжить расчет.
Найдем величину емкости С2: С2 = 1/(2πƒХс2) =1/2π 27,86*106 525= 11*10-12 Ф.
Напряжение радиочастоты на варикапе VD1 не должно превышать обратного смещения
1 [B] < Umin - 1 = 6-1 = 5 (B)
Примем UVD1 = 5 В.
2. Теперь произведем расчет частотного модулятора на варикапе VD2.
Так как относительная девиация частоты очень мала, то следует обратить внимание на повышение уровня модулирующего напряжения. Варикап VD2 необходимо выбрать с резким переходом (n=0,5). Пользуясь таблицей 8.1 в [2], выберем варикап КВ109В.
Определяем максимальное и минимальное значения емкости выбранного
варикапа Св2
,
,
где С0 - номинальная емкость варикапа при номинальном напряжении Е0;
С0 = 10 пФ,
Е0 = 4 В - номинальное напряжение,
Еφ = 0,7 - контактная разность потенциалов,
Umax = 12 В;
Umin = 6 В.

Ф

Ф.
Емкость
варикапа на средней частоте
МГц:
![]()
Ф.
Целесообразно на VD2 в режиме молчания установить смещение ЕВТ ≈ 6 В и уменьшать коэффициент включения VD2 в схему. Для этого подберем
С3 < 0,2·СВ2 = 1,27 *10-12
Выберем С3 = 1,1 пФ.
Коэффициент включения варикапа в схему
Д
=
< 0,2 .
kД =
= 0,14 < 0,2 - условие выполняется, т.е. варикап
нам подходит,
где СВ2 - емкость варикапа VD2 в отсутствии модуляции.
Тогда
амплитуда модулирующего напряжения на варикапе VD2:
![]()
= 4,5 В.
3. Определим остальные элементы каскада
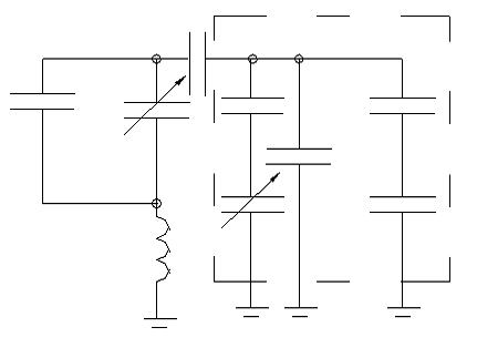
Изобразим эквивалентную схему контура автогенератора:
Эквивалентная схема контура АГ
На
рисунке пунктирной линией обведена емкость делителя, сопротивление которой нам
известно
19 Ом. Емкости С3 , Св2 , Скб -емкость перехода транзистора
Были найдены ранее. Кроме того, по выбранному коэффициенту обратной связи в АГ:
Кос = С5/С4 = 1. Отсюда С4 = С5, их необходимо нам найти.
Из
рисунка:
(![]()
) ||
|| (![]()
)
= 1/(2πƒС3)=1/2π*27,86*106 1,1*10-12= 5000 Ом.
=1/(2πƒСВ2) =1/2π*27,86*106 6,3*10-12= 900 Ом.
=1/(2πƒСКБ)= 1/2π*27,86*106 5*10-12 = 1100 Ом.
(![]()
) ||
=
= 920
Ом.
![]()
Отсюда найдем:
+
=
18 Ом.
= 9 Ом.
Тогда С4 = 1/(2πƒХС4)= 1/2π*27,86*106 9 = 600 пФ = С5.
Индуктивность L2 выберем такой, чтобы ее сопротивление было достаточно большим и не возникло обратной связи по переменному току:
ХL2 > (R1+ R2) = 41900 Ом. Отсюда L2 =ХL2/2πƒ=42000/2π*27,86*106 =240*10-6 Гн.
Блокировочную емкость С7 (служит для создания пути току высокой частоты) найдем из условия блокировочная емкость должна быть много больше емкости контура (Ск=9пФ), таким образом С7=300 пФ.
Индуктивность L3 выберем такой, чтобы ее сопротивление было достаточно большим по сравнению с ХVD2 : ХL3 > ХVD2= 900 Ом.
Отсюда L2 =ХL2/2πƒ=2000/2π*27,86*106 =11*10-6 Гн.
Сопротивление R5 необходимо выбрать таким, чтобы оно было минимальным для постоянных токов и большим для переменных.
Емкость С8 (служит для создания пути току высокой частоты) найдем из условия что сопротивление емкости должно быть много больше ХL2, ХL3 < ХVD2=4000 Ом.
Отсюда C8 =1/2πƒ=1/2π*27,86*4000*106 =1.4*10-12 Гн. таким образом С7=1.4 пФ.
Выбор конденсаторов:
Произведем сначала выбор контурных конденсаторов.
В фильтрующих цепях выходных каскадов транзисторных передатчиков применяют керамические конденсаторы. В таблице 1 приведены стандартные конденсаторы, соответствующие расчетным значениям контурных конденсаторов в соответствии с рядом номинальных значений емкостей (табл.3,25, табл.3,27 из [2]).
Таблица 1
|
|
Расчетное значение емкости конденсатора в схеме, пФ |
Тип выбранного конденсатора |
Номинальное значение емкости выбранного конденсатора, пФ |
Номинальное напряжение, В |
Допустимые отклонения от номинала, % |
|
С1 |
140 |
|
|
|
|
|
С2 |
11 |
|
|
|
|
|
С3 |
1,1 |
|
|
|
|
|
С4 |
600 |
|
|
|
|
|
С5 |
600 |
|
|
|
|
Произведем теперь выбор блокировочных конденсаторов.
В таблице 2 приведены стандартные конденсаторы, соответствующие расчетным
значениям блокировочных конденсаторов в соответствии с рядом номинальных
значений емкостей (табл.3,26, табл.3,27 из [2]).
Таблица 2
|
|
Расчетное значение емкости конденсатора в схеме, пФ |
Тип выбранного конденсатора |
Номинальное значение емкости выбранного конденсатора, пФ |
Номинальное напряжение, В |
Допустимые отклонения от номинала, % |
|
С7 |
300 |
|
|
|
|
|
С8 |
1,4 |
|
|
|
|
Выбор резисторов:
Как видно из приведенной схемы (рис. 3) для схемы ГУН с ЧМ нам нужно выбрать резисторы R1, R2 - резисторы делителя, R3 - резистор, включенный в эмиттерную цепь для стабилизации напряжения смещения за счет постоянной составляющей эмиттерного тока, R4 - гасящее сопротивление.