Материал: Расчет структурной схемы передатчика для радиолюбительской СИ-БИ радиостанции

Внимание! Если размещение файла нарушает Ваши авторские права, то обязательно сообщите нам

При косвенных методах синтеза частот выходной сигнал получают от подстраиваемого по частоте генератора (ПГ) без каких-либо нелинейных преобразований. Косвенный метод синтеза частот состоит из двух основных этапов:

-   генерация колебаний с высоким содержанием гармоник, основная частота которого равна шагу сетки выходных частот;

-        выделение колебания нужной гармоники.

Системы косвенного синтеза частот обладают множеством преимуществ перед системами прямого синтеза, в том числе такими, как малые габаритные размеры и масса, потребление малой мощности. Также этот метод хорош при формировании сетки частот с определенным фиксированным шагом, при этом на выходе синтезатора можно получить конкретную частоту.

Таким образом одной из главных задач косвенного метода синтеза частот является выделение колебания нужной гармоники. На практике используются несколько способа ее выделения :

-   можно использовать перестраиваемый фильтр, но он может быть использован в тех случаях, когда разнос по частоте между соседними гармониками велик по сравнению со значением выходной частоты, так что необходимое подавление колебаний остальных гармоник может быть обеспечено фильтром с небольшим числом звеньев, узкополосные перестраиваемые многозвенные фильтры дороги и сложны в изготовлении;

-        наиболее предпочтительно использование петли фазовой автоматической подстройки частоты (ФАПЧ).

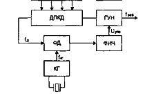
Для обеспечения требуемой стабильности частоты ПГ используют систему фазовой автоматической подстройки частоты (ФАПЧ) по сигналу опорного генератора. При косвенном синтезе приращения частоты получают, используя принцип обратной связи. При использовании этого метода также применяются смесители, умножители и делители частоты и фильтры, но наряду с ними широко применяются генераторы управляемые напряжением (ГУН), программируемые делители частоты, фазовые и частотные дискриминаторы.

Кратко опишем принцип работы синтезатора частот с ФАПЧ.


Суть его работы состоит в том, что в качестве источника колебаний (генератора передатчика или гетеродина приемника) выступает ГУН - генератор, управляемый напряжением. Его частота может меняться при изменении напряжения, подаваемого на варикап, включенный в его колебательный контур. Понятно, что колебания ГУН нестабильны. Все остальные узлы синтезатора частоты предназначены для того, чтобы при отклонении частоты на выходе ГУН от требуемой, выработать управляющее напряжение, которое будет приложено к варикапу ГУН и обеспечит устранение возникшей его расстройки.

Таким образом выходной сигнал ГУН, кроме подачи его на узел назначения, подается еще и на делитель с переменным коэффициентом деления (ДПКД). Задача ДПКД - делить сигнал частоты ГУН каждый раз так, чтобы на его выходе всегда присутствовал сигнал с частотой fд. Этот сигнал подается на фазовый детектор (ФД). С другой стороны на ФД подается сигнал с кварцевого генератора (КГ) с частотой fкг. Если частоты fд и fкг равны, напряжение на выходе ФД равно нулю. Однако, частота fд несет сигнал расстройки, она нестабильна, и при отклонении ее значения от fкг на выходе ФД образуется управляющее напряжение UУПР, причем с таким знаком, который обеспечивает подстройку частоты ГУН в нужную сторону. Как только ГУН будет подстроен, выходное напряжение системы ФАПЧ станет равным нулю, а выходная рабочая частота синтезатора fраб будет соответствовать заданному значению. Работой ДПКД управляет процессор.

Отсюда следует, что записанные в память ПЗУ параметры, определяющие рабочий диапазон, количество каналов, шаг сетки, обеспечат работу радиостанции на фиксированных каналах с высокой стабильностью частоты.

Выходная рабочая частота синтезатора определяется также режимом работы радиостанции. Так в режиме передачи она будет равна несущей частоте установленного канала, а в режиме приема - частоте первого гетеродина приемника.

Запишем основную формулу для расчета частоты ГУНа:

гун=fсдв+N*fш

где fгун- частота ГУН,

fсдв- частота генератора сдвига,

N- код программируемый ДПКД,

fш- шаг сетки частот (100 Гц).

Основным преимуществом является низкий уровень побочных спектральных составляющих. Основной недостаток- зависимость параметров от окружающих условий.

Приняв во внимание все преимущества и недостатки косвенного когерентного метода, выбираем его как оптимальный и будем использовать.

Выбор схемотехнического построения ЧМГ:

На практике выделяют два способа получения ЧМ.

Первый. Прямой метод получения ЧМ состоит в том, что передаваемый сигнал непосредственно или после пред коррекции воздействует на АГ передатчика и изменяет его частоту. Для этого в контур АГ вводится управляемый реактивный элемент, емкость или индуктивность, которого меняется в зависимости от приложенного к нему модулирующего напряжения.

Под пред коррекцией понимают следующее: на практике во всех передатчиках с угловой модуляцией для повышения качества работы системы вещания или связи в целом производится предварительная обработка (пред коррекция) передаваемого сигнала. Обычно это подъем верхних модулирующих частот на 6 дБ на октаву, что эквивалентно дифференцированию передаваемого сигнала.

Второй. Косвенный метод угловой модуляции реализуется с помощью фазовращателя, поворачивающего фазу колебания, полученного от автогенератора несущей частоты, пропорционально приложенному к нему модулирующему напряжению, т. е. непосредственно модулирующему сигналу или (чаще) модулирующему сигналу, подвергнутому предкоррекции.

Таким образом косвенные методы предполагают получение нужного вида угловой модуляции осуществлением другой модуляции и соответствующим преобразованием сигнала. Так как частота и фаза гармонического колебания взаимосвязаны () ЧМ колебание можно получить, осуществляя модуляцию по фазе, но при этом необходимо устранить зависимость девиации частоты  от частоты модуляции , присущую ФМ. Это нетрудно выполнить, пропустив модулирующий сигнал через цепь с коэффициентом передачи, пропорциональным. Девиация фазы на выходе такого устройства , а девиация частоты при этом будет зависеть только от амплитуды , что характерно для ЧМ.

Из сравнения двух методов можно заключить, что при прямом методе получения УМ управляющее устройство УРЭ вместе с питающими напряжениями входит в состав АГ неизбежно увеличит нестабильность его средней частоты. С другой стороны, мгновенная частота такого генератора может меняться в довольно широких пределах, т. е. возможно получение большого значения .

При косвенном методе УМ в АГ могут быть приняты все доступные меры стабилизации частоты, поэтому в таких передатчиках без дополнительных мер достигается высокая стабильность средней частоты (несущей). Но, глубина девиации фазы  в модуляторах таких передатчиков невелика. Для увеличения девиации и получения заданной рабочей частоты применяют несколько ступеней умножения частоты. Затем следует тракт усиления мощности радиочастоты.

Таким образом для нашего проектируемого передатчика выберем метод прямого получения ЧМ.

Конструктивно ЧМГ выполнен на основе схемы емкостной трёхточки. Модуляция осуществляется с помощью варикапа, при подаче на его вход модулирующего напряжения. В качестве управляющего реактивного элемента чаще всего используем варикап, т. е. полупроводниковый диод специальной конструкции, барьерная емкость запертого р-n-перехода которого определенным образом зависит от приложенного напряжения.

Использование варикапов для осуществления ЧМ определяется такими их свойствами, как высокая механическая и электрическая надежность работы, малые габаритные размеры, большая добротность емкости, возможность получения широкополосной ЧМ с уровнем нелинейных искажений, не превышающим долей или единиц процентов.

Выбор активных элементов тракта радиочастоты:

В передатчиках используются различные электронные приборы и радиодетали. Наиболее надежные из них - радиолампы и полупроводниковые приборы (транзисторы).

В нашем проекте я буду использовать в качестве активных элементов- транзисторы.

Отметим основные преимущества транзисторов:

·    С точки зрения устойчивости к механическим воздействиям (вибрациям, ускорениям, ударам) полупроводниковые приборы находятся в значительно лучшем положении, чем электровакуумные лампы со стеклянными баллонами.

·        Отсутствие цепей накала, что определяет практически мгновенную готовность передатчика к работе (сюда не относятся разного рода прецизионные устройства, например высокостабильные автогенераторы, в которых заданная частота с высокой степенью точность устанавливается через некоторое время после прогрева полупроводниковых приборов) и упрощает вопросы резервирования. Кроме того, повышаются энергетические показатели передатчика небольшой мощности (до 10..50 Вт), уменьшаются габаритные размеры и масса.

·  Низкие питающие напряжения. Полупроводниковые приборы не требуют высоковольтных выпрямителей, высоковольтных блокировочных конденсаторов. Упрощаются меры по техники безопасности. В ряде случаев это позволяет несколько уменьшить габариты и массу. Как правило, в передатчиках на полупроводниковых приборах обходятся источником питания одного номинала, в отличие от ламповых, где требуется отдельные источники питания цепей накала, управляющих сеток, анодных цепей и экранных сеток, существенно различные по величине и полярности.

·        Широкодиапазонность, схемные и конструктивные преимущества. Ввиду низких напряжений и больших токов полупроводниковых приборов нагрузочные сопротивления для них составляют всего десятки, и даже единицы ома, что в 10..1000 раз меньше, чем в ламповых устройствах. Так как входные и выходные емкости ламп и полупроводниковых приборов примерно одинаковы, малые нагрузочные сопротивления позволяют применить в каскадах полупроводниковых передатчиков очень простые схемы с апериодической (широкодиапазонной) нагрузкой на частотах до 50..200 МГц, а в ряде случаев-до 1000..2000 МГц. В таких устройствах не требуются построечные и перестроечные элементы.

·        Большой срок службы при условии защиты от недопустимых напряжения, токах и нагрева

·        Малые габаритные размеры, масса полупроводниковых приборов.

В качестве полупроводниковых приборов будем использовать биполярные транзисторы т.к.

o транзисторные отличаются, способами включения (с ОЭ, ОБ, или ОК), их конструктивным выполнением (p-n-p или n-p-n)

o   транзисторные отличаются многообразием схем построения (резонансные, широкополосные)

o   транзисторные отличаются возможностью применения более эффективного ключевого режима;

o   большой срок службы.

В целях достижения высокой стабильности частоты при выполнении других требований, современные передатчики чаще всего строят, как многокаскадные. Задача составления структурной схемы состоит в том, чтобы определить рациональное число каскадов высокой частоты между возбудителем и выходом передатчика, обеспечивающее выполнение заданных технических требований к передатчику при минимальных затратах средств на изготовление и при достаточно высоком коэффициенте полезного действия. Колебания маломощного возбудителя последовательно усиливаются несколькими каскадами усиления и доводятся до заданной мощности.

На основании изложенных требований произведем выбор конкретных типов транзисторов для каждого каскада усиления.

Выбор транзистора для оконечного каскада:

Расчет структурной схемы передатчика начинается с выходного каскада, поскольку нам известна выходная мощность передатчика. Мощность транзисторов выходного каскада Рок определяется выходной мощностью передатчика РА и потерями в его выходной фильтрующей и согласующей цепи (ηВФС), а также потерями в фидере (КБВ фидера). Из технической литературы [2],[3] выберем ηВФС=0.8, а КБВ фидера=0.85.

Таким образом, мощность на выходе оконечного каскада(УМ4):


Составим исходные данные для расчета транзистора:

Требуемая полезная мощность……………………12 Вт

Высшая рабочая частота…………………………...27860 кГц

Предполагаемая схема оконечного каскада………однотактная

Критерий выбора транзистора:

·    пригодность в разработке, т.е. подходить по заданным требованиям;

·        удобное стандартное напряжение питание Ек;

·        по возможности высокое ожидаемое значение КР и;

·        невысокая стоимость.

№ тр.

Тип транзистора

Вид проводимости

Диапазон рабочих частот, МГц

Номинальная мощность, Вт

Ек, В

Примерное (ожидаемое) значение КР

1

КТ997А

n-p-n

1.5-30

13

12

5

2

КТ955А

n-p-n

1.5-30

15

28

3.5

3

КТ633Б

n-p-n

1.5-175

0.25

12

6


Из выше приведенных транзисторов для оконечного каскада выбираем транзистор КТ997, т.к. он имеет хороший Кр, подходящую мощность, невысокую стоимость. Транзистор КТ955 имеет хороший Кр, но он не подходит по питанию. Транзистор КТ633 имеет хороший Кр, но он не подходит по требуемой мощности. Также можно видеть, что 1 и 2 транзистор имеют почти одинаковую выходную мощность, но Ек 2-го в 2 раза больше, т.е. выходная мощность в 2 раза меньше.

Осуществим пересчет КР для заданных условий работы транзистора:


Следует отметить, что в виду соображения устойчивости ГВВ к самовозбуждению в расчете Кр следует принимать не выше 25..30.

Ограничимся КР = 4,5.

Выбор транзистора для предоконечного каскада:

Выберем транзистор для предоконечного каскада. Определим ожидаемую мощность на выходе предоконечного каскада:

Вт

№ тр.

Тип транзистора

Вид проводимости

Диапазон рабочих частот, МГц

Номинальная мощность, Вт

Ек, В

Примерное (ожидаемое) значение КР

1

КТ967А

n-p-n

1.5-30

6

12

4,6

2

КТ815В

n-p-n

1.5-30

3

13.5

5.6

3

КТ932В

n-p-n

1.5-175

6

13.5

5.1


Из выше приведенных транзисторов для предоконечного каскада выбираем транзистор КТ967А, т.к. он имеет хороший Кр, подходящую мощность, нормальное напряжение питания, невысокую стоимость. Транзистор КТ815В имеет хороший Кр, но он не подходит по требуемой мощности. Транзистор КТ932В имеет требуемой мощности, но он не подходит по питанию.