Материал: Расчет привода механизма передвижения мостового крана

Внимание! Если размещение файла нарушает Ваши авторские права, то обязательно сообщите нам

=1


для средних значений коэффициента торцового перекрытия  и 8-й степени точности =.

Проверяем прочность зуба колеса:


МПа  МПа.

Условие прочности выполнено.

Расчёт открытой цилиндрической зубчатой передачи


Принимаем для шестерни сталь 45, термообработка - улучшение, твердость НВ 230; для колеса сталь 45, термообработка -улучшение, твердость НВ 200.

Допускаемые контактные напряжения

 

Предел контактной выносливости при базовом числе циклов для выбранного материала

 = 2HB + 70.

Коэффициент долговечности при длительной эксплуатации редуктора, когда число циклов нагружения больше базового, KKL= 1; коэффициент безопасности при объемной закалке [SH] = 1,1

Допускаемое контактное напряжение для шестерни

МПа ;

допускаемое контактное напряжение для колеса

МПа.

Для косозубых колес расчетное допускаемое контактное напряжение

.

Коэффициент ширины венца по межосевому расстоянию принимаем

Межосевое расстояние из условия контактной выносливости

активных поверхностей зубьев

м.

Примем по ГОСТ 2185-66  =140 мм.

Нормальный модуль зацепления

мм.

По ГОСТ 9563-60 принимаем тп= 2,5мм.пределим числа зубьев шестерни и колеса:

 

принимаем z1 = 37,3; тогда z2 = zu =.

Основные размеры шестерни и колеса.

Делительные диаметры

м;

мм.

Проверка

мм.

Диаметры вершин зубьев

мм;

мм.

Ширина колеса b2 = = 0,25 • 140 = 35 мм.

Ширина шестерни b1 = b2 + 5 мм = 40 мм.

Коэффициент ширины шестерни по диаметру

 

Окружная скорость колес

м/с,где = 99,3 рад/с.

При данной скорости и повышенной твердости принимаем 8-ю степень точности.

Определяем коэффициент нагрузки для проверки контактных напряжений

 

= 0,42;  = 1,02; =1,06; =1,05.

Таким образом,

 

Проверка контактных напряжений

 

Силы, действующие в зацеплении:

окружная

радиальная =

Проверяем зубья на выносливость по напряжениям изгиба по формуле.:

σF=FtKFYFYβK / bmn≤[σF]

Здесь коэффициент нагрузки KF=K*KFv=1,05*1,25=1,31

Эквивалентное число зубьев: у шестерни zv1=z1=37,3

у колеса zv2=z2=74,6F1=3,75 и YF2=3,61.

Допускаемое напряжение по формуле σ°Flimb / [SF].

Для шестерни σ°Flimb=1,8*200=360 МПа; для колеса σ°Flimb=1,8*270=486МПа.

Допускаемые напряжения:

для шестерни [σF1]=360/1,75=205 МПа

для колеса [σF2]=486/1,75=278 МПа

Находим отношения [σF]/YF:

для шестерни 205/3,84=53,5 МПа

для колеса 278/3,6=77,1 МПа

Определяем коэффициенты Yβ и K: Yβ=1; K=(4+(εα-1)(n-5))/4 εα,для средних значений коэффициента торцового перекрытия εα=1,5; K=0,92

Проверяем прочность зуба колеса по формуле σF2=FtKFYFYβK / b2mn≤[σF]

σF2=3254*1,31*3,61*0,91 / 35*2,5=160,04 Мпа <[σF2]

Условие прочности выполнено.

Предварительный расчет валов редуктора и выбор подшипников.

Расчет выполняем на кручение по пониженным допускаемым напряжениям.

Крутящие моменты в поперечных сечениях валов:

ведущего Tк1 = Т1 = 16,8·10 3 Н·мм.

ведомого Нмм

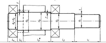
Ведущий вал


Диаметр выходного конца определяем при допускаемом напряжении = 25 МПа, чем учитываем влияние натяжения от ременной передачи.


принимаем dB1 = 22 мм.

Диаметр под подшипниками примем dп1 = 30 мм;

Ведомый вал


Диаметр выходного конца вала dB2 определяем при меньшем  = 20 МПа,


принимаем dB2 = 32 мм.

Диаметр под подшипниками dn2 = 30 мм, под зубчатым колесом dK2 = 35 мм.

Выбор подшипников


Выбор типа подшипника для данных условий работы редуктора зависит от передаваемой мощности редуктора, типа передачи, соотношения сил в зацеплении, частоты вращения внутреннего кольца подшипника, требуемого срока службы, схемы установки.

Предварительно намечаем подшипники роликовые конические однорядные легкой серии; габариты подшипников выбираем по диаметру вала в месте посадки подшипников. Подшипники установлены враспор, обе опоры фиксирующие.

Вал.

dп ,мм

D,мм.

Т ,мм.

с, мм

С,кН

С0 кН

е

У

Быстроходный

30

36106

55

21

12

15,3

8,570

0,36

1,65

Тихоходный

30

36106

55

21

12

15,3

8,570

0,41

1,45


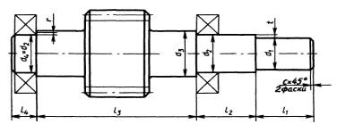
Конструктивные размеры шестерни и колеса


Шестерню выполняем за одно целое с валом, ее размеры определены выше:

 

Колесо кованое:

 

Диаметр ступицы:

 

Длина ступицы:

 

Принимаем

 

Толщина обода:

 

Принимаем

 

Толщина диска:

 Принимаем С=10мм

Конструктивные размеры корпуса редуктора


Толщина стенок корпуса и крышки:

δ = 0,025a+ 1 = 0,025· 80 +1 = 30 мм;

принимаем δ=8

δ1 = 0,02a + 1 = 0,02· 80 + 1 = 2,6 мм;

принимаем δ=8

Толщина фланцев (поясов) корпуса и крышки: верхнего пояса корпуса и пояса крышки:

b = 1,5δ = 1,5·8= 12 мм; b1 = 1,5δ1 = 1,5·8 = 12 мм;

нижнего пояса корпуса:

ρ = 2,35δ = 2,35·8 = 19мм;

принимаем ρ = 20

Диаметры болтов:

фундаментных d1 = (0,030,036)a+12= (0,030,036)80+12=14,414,88 мм; принимаем фундаментные болты с резьбой М14;

Болтов, крепящих крышку к корпусу у подшипника:

2 = (0,7~0,75)d1 = (0,7~ 0,75)14 = 9,8 ~108,5 мм;

принимаем болты с резьбой M10;

Болтов, соединяющих крышку с корпусом,

3 = (0,5 ~ 0.6)d1= (0,5~0,6)14 = 7~8,4 мм;

принимаем болты с резьбой M8.

Выбор муфты


Ведущая и ведомая полумуфты в виде круглых дисков (1), которые своими ступицами (2) установлены на концах валов с использованием шпоночного соединения <https://ru.wikipedia.org/wiki/%D0%A8%D0%BF%D0%BE%D0%BD%D0%BE%D1%87%D0%BD%D0%BE%D0%B5_%D1%81%D0%BE%D0%B5%D0%B4%D0%B8%D0%BD%D0%B5%D0%BD%D0%B8%D0%B5> (3). Оба диска соединены болтами <https://ru.wikipedia.org/wiki/%D0%91%D0%BE%D0%BB%D1%82> (4). В одном из дисков между болтом и отверстием вложены резиновые втулки (5). Резиновые втулки могут сглаживать вибрации и колебания, которые возникают на приводном валу и в некоторой степени компенсировать динамические нагрузки во время запуска и торможения.

Для соединения выходных концов вала редуктора и вала электродвигателя применяют устройства , называемые муфтой.

Согласно заданию для этой цели применено муфта упругая втулочно-пальцевая.

Муфты получили широкое распространение благодаря простоте конструкции и удобству замены упругих элементов. Однако они умеют небольшую компенсирующую способность и при соединении несоосных валов оказывают большое силовое воздействие на валы и опоры, при этом резиновые втулки быстро выходят из строя.

Полумуфта изготовлена 315-1-40-1-У2 (ГОСТ 20884-93);

 

=3920*0,3=1176

Первый этап компоновки редуктора


Компоновочный чертеж выполняем в двух проекциях -разрез по оси колеса и разрез по оси чертежа; желательный масштаб 1:1, чертить тонкими линиями!

Примерно посередине листа параллельно его длинной стороне проводим осевую линию; вторую осевую, параллельную первой, проводим на расстоянии aw = 189 мм. Затем проводим две вертикальные осевые линии, одну для главного вида, вторую для вида сбоку.

Вычерчиваем на двух проекция* червяк и червячное колесо.

Очерчиваем внутреннюю стенку корпуса, принимая зазор между стенкой и червячным колесом и между стенкой и ступицей червячного колеса ~15 мм.

Вычерчиваем подшипники червяка на расстоянии l1daM2 = 228 мм один от другого, располагая их симметрично относительно среднего сечения червяка.

Так же симметрично располагаем подшипники вала червячного колеса.

В связи с тем, что в червячном зацеплении возникают значительные осевые усилия, примем радиально-упорные подшипники: шариковые легкой серии для червяка и для вала червячного колеса.

Построение эпюр изгибающих и крутящих моментов


Быстроходный вал

Определяем реакции в подшипниках:

Дано:

 

Горизонтальная плоскость

а) Определяем опорные реакции, Н:

 

 

 

 

 

б) строим эпюру изгибающих моментов относительно оси X

 

 

 

 

 

 

Вертикальная плоскость

а) Определяем опорные реакции, Н:

 

 

 

 

Проверка:

б) строим эпюру изгибающих моментов относительно оси X

 

 

 

 

 

 

 

 

) Строим эпюру крутящих моментов, Нм:

 

) Определяем суммарные радиальные реакции, Н: