Оглавление
Введение
Расчёт зубчатых колес редуктора
Выбор подшипников.
Конструктивные размеры шестерни и колеса.
Конструктивные размеры корпуса редуктора
Выбор муфты.
Первый этап компоновки редуктора
Построение эпюр изгибающих и крутящих моментов
Проверка долговечности подшипников.
Уточненный расчёт валов
Расчет ведомого вала.
Проверка прочности шпоночных соединений.
Смазывание. Выбор сорта масла.
Сборка редуктора.
Список использованной литературы
Техническое задание 3
Вариант 1
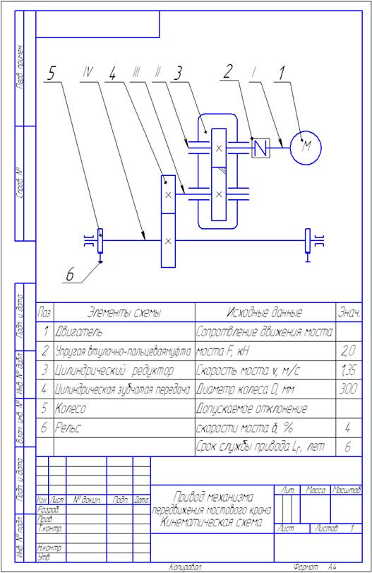
ПРИВОД МЕХАНИЗМА ПЕРЕДВИЖЕНИЯ МОСТОВОГО КРАНА
Исходные данные
Сопротивление движения моста F = 1,5 кН
Скорость моста v = 1,0 м/с
Диаметр колеса D = 200мм
Допускаемое отклонение скорости моста δ = 3 %
Срок службы привода Lr = 5 лет
Курсовая работа по деталям машин является первой конструкторской работой студента, выполненной на основе знаний общеобразовательных дисциплин. Здесь есть все: и анализ назначения и условия работы проектируемых деталей; и наиболее рациональные конструктивные знания с условием технологических, монтажных, эксплуатационных и экономических требованиях; и кинематические расчеты и определение сил, действующих на детали и узлы, и расчеты конструкций на прочность, и выбор материалов, и процесс сборки и разборки конструкции и многое другое.
Таким образом, достигаются основные цели этого проекта:
Овладеть техникой разработки конструкторских документов на стадиях проектирования;
Приобрести навыки самостоятельного решения инженерно-технических задач и умения анализировать получение результаты;
Научиться работать со стандартами, различной инженерной, учебной и справочной литературой;
Уметь обоснованно защищать курсовую работу.
В результате приобретенных навыков и опыта проектирования машин и механизмов общего назначения станут базой для выполнения курсовых работ по специальным дисциплинам.
Поэтому необходимо применять материалы наиболее подходящие с учетом их
стоимости и дефицитности, а также рассчитывать детали без лишних запасов.
Работоспособность и надежность деталей машин характеризуется определенными
критериями. Важнейшие критерии: прочность, жесткость, износостойкость,
теплостойкость, виброустойчивость.
Выбор электродвигателя и кинематический расчет
привода
КПД закрытой передачи - ηзп = 0,98;
КПД открытой передачи - ηоп = 0,96;
КПД подшипников качения - ηпк = 0,98;
КПД подшипников скольжения - ηск = 0,99.
Определяем общий КПД привода
η=ηзп*ηоп*ηпк2*ηск
η=0,98*0,96*0,992*0,98=0,9
Определяем требуемую мощность для работы конвейера
где F - тяговая сила цепи;
υ - скорость тяговой цепи.
Находим требуемую мощность электродвигателя
Определяем угловую скорость барабана
Определяем частоту вращения вала барабана
По требуемой мощности Ртр=2,0 кВт выбираем двигатель с номинальной мощностью Рном=2.2 кВт, трехфазный, закрытый, обдуваемый, с синхронной
частотой вращения nc=1000 об/мин 4А100L6 УЗ и скольжением S=5,1%.
Определяем номинальную частоту вращения
Находим угловую скорость двигателя
Проверим общее передаточное отношение
Делаем разбивку его для цилиндрической и клиноременной передачи. Для
редуктора по ГОСТ 2185 - 66 Uред=4, тогда для клиноременной передачи
Частоты вращения и угловые скорости валов редуктора и приводного барабана:
|
Вал В |
nдв=949 об/мин |
ωдв=99,3рад/с |
|
Вал С |
|
|
|
Вал А |
nк=95,5 об/мин |
ωк=10 рад/с |
Вращающие моменты:
электродвигатель
на валу шестерни
на валу колеса
Вращающие моменты:
=
=32,27·4,95·0,96·0,99= 152 Н·м
редуктор колесо шестерня шпоночный
Так как в задании нет особых требований в отношении габаритов передачи, выбираем материалы со средними механическими характеристиками (табл. 3.3): для шестерни сталь 45, термическая обработка - улучшение, твердость HB 230; дляколеса - сталь 45, термическая обработка - улучшение, но твердость на 30 единиц ниже - HB 200.
Допускаемые контактные напряжения:
![]()
Предел
контактной выносливости при базовом числе циклов (табл. 3.2):
2HB+70
Коэффициент
долговечности:
Коэффициент
безопасности:
Для
прямозубых колес расчетное допускаемое контактное напряжение находим:
0,45![]()
![]()
![]()
МПа
![]()
![]()
МПа
![]()
![]()
МПа
![]()
![]()
МПа
Тогда расчетное допускаемое контактное напряңение:
0,45
МПа
Требуемое
условие
≤ 1,23
выполнено.
≤ 681
Принимаем
коэффициент (табл. 3.1)
Принимаем
для прямозубых колес коэффициент ширины венөа по меңосевому
расстоянию ![]()
Межосевое
расстояние из условия контактной выносливости активных поверхностей зубьев:
Для
прямозубых колес
, а передаточное число редуктора U= 5
мм
Ближайшее
значение межосевого расстояния по ГОСТ 2185-66
мм
Нормальный
модуль зацепления:
мм
Принимаем
по ГОСТ 9563-
мм
Определим
число зубьев шестерни и колеса:
Принимаем
; тогда
Уточненное
значение угла наклона зубьев:
![]()
Основные размеры шестерни и колеса:
Диаметры
делительные
![]()
![]()
мм
![]()
![]()
мм
Проверка:
![]()
![]()
мм
Диаметры
вершин зубьев:
мм
мм
Ширина
колеса:
мм
Ширина
шестерни:
мм
Определяем
коэффициент ширины шестерни по диаметру:
![]()
Окружная
скорость колес и степень точности передачи:
![]()
м/с
При такой скорости для прямозубых колес следует принять 8-ю степень точности.
Коэффициент
нагрузки:
Из
табл. 3.5 при
твердости НВ
350 и
консольным расположении зубчатых колес относительно опор
По
табл. 3.4 при
м/с и 8-й степени точности
По
табл. 3.6 для прямозубых колес при
м/с
имеем
. Таким образом
Проверка
контактных напряжений:
![]()

![]()
МПа
Силы, действующие в зацеплении
окружная
![]()
радиальная
Проверяем
зубья на выносливость по напряжениям изгиба:
Здесь
коэффициент нагрузки
По табл. 3.7 при
твердости
НВ
и консольном расположении зубчатых колес относительно
опор
По табл. 3.8
Таким
образом, коэффициент
- коэффициент, учитывающий форму зуба и зависящий от
эквивалентного числа зубьев
у
шестерни ![]()
у
колеса ![]()
=3,84 и
3,60
Допускаемое
напряжение:
По
табл. 3.9 для стали 45 улучшенной при твердости НВ
350
Для
шестерни
МПа; для колеса
МПа
-
коэффициент безопасности, где
(табл.
3.9),
(для поковок и штамповок). Следовательно,
.
Допускаемые напряжения:
для
шестерни
МПа
для
колеса
МПа
Находим
отношения
:
для
шестерни
МПа
для
колеса
МПа
Дальнейший
расчет следует вести для зубьев колеса, для которого найденное отношение
меньше. Определяем коэффициенты
и
: