Материал: Расчет посадок и параметров зубчатого колеса

Внимание! Если размещение файла нарушает Ваши авторские права, то обязательно сообщите нам

Кривая вероятностей натягов и зазоров посадки:

ω = σN,S= 6∙4,99 = 29,94

Диапазон рассеяния зазоров и натягов. Вероятность получения натягов в соединении: 0,7+0,2580 = 0,96 или 96%.

Вероятность получения зазоров соединении:

-0,4 = 0,4 или 4%.

Предельные значения натягов и зазоров:

Smax =3σN,S -3,5 = 14,97-3,5 = 11,47;max =3σN,S -3,5= 14,97+3,5 = 18,47

Рис.2 - Кривая вероятностей натягов и зазоров посадки

1.3 Посадка подшипника качения

Выбор посадок зависит от вида нагружения колец подшипника. Определяем виды нагружения.

По условию работы узла внутреннее кольцо подшипника имеет циркуляционное нагружение, наружное - местное.

Принимаем класс точности 0 и лёгкую серию, по которой в зависимости от диаметров d = 45 мм, D = 85 мм определяем ширину кольца В = 19 мм и r = 2 мм. (ГОСТ 8328-75, таблица 3)

Определяем виды нагружения колец подшипника. Вращается вал 7, внутренняя обойма подшипника вращается вместе с валом и воспринимает радиальную нагрузку последовательно всей окружностью дорожки качения. Следовательно, нагружение внутренней обоймы циркуляционное. Наружная обойма подшипника монтируется в неподвижный корпус и воспринимает постоянную по направлению радиальную нагрузку лишь ограниченным участком дорожки качения. Нагружение наружной обоймы местное.

)        Для циркуляционного нагруженного кольца подшипника посадку выбирают по интенсивности радиальной нагрузки на посадочной поверхности:

РR =  , где

- радиальная реакция опоры на подшипник(задано по условию); R= 4000 Н;

-рабочая ширина посадочной поверхности кольца подшипника за вычетом фасок; = В-2r = 19-1∙2 = 17 мм;

-динамический коэффициент посадки, = 1;

-коэффициент, учитывающий степень ослабления посадочного натяга, =1;

-коэффициент неравномерности распределения радиальной нагрузки, =1;

РR =  Н/мм

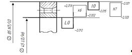
Номер квалитета зависит от класса точности подшипника, при посадке на вал, если подшипник 0, 6 класса, то вал IT6, следовательно «k6»

2)      Для циркулярно нагруженного кольца - отклонение «N», квалитет- IT7, следовательно «N7»

Проставляем посадки: ø45 ; ø85.

3)      Для построения схемы расположения полей допусков находим отклонения наружного и внутреннего колец подшипника по ГОСТ 520-71. Отклонения вала и отверстия корпуса находим из таблиц ГОСТ 25347-82, найденные отклонения наносим на схему.

Схема полей допусков для детали 14:

Рис.3 - Схемы расположения полей допусков подшипника, вала и корпуса.

2. РАСЧЕТ КАЛИБРОВ

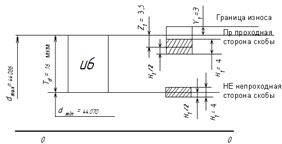
.1 Расчет исполнительных размеров гладкого калибра-скобы для детали 5


По ГОСТ 25347-82 определим верхнее и нижнее отклонение вала:

Ø44 u6 верхнее отклонение вала es=+0,086 мм;

нижнее отклонение вала ei=+0,070 мм;

Наибольший предельный размер вала dmax , мм:

, (2.1)

мм.

Наименьший предельный размер вала dmin, мм:

, (2.2)

мм. По таблице 2 ГОСТ 24853-81 определяем:

Z, Z1 = 0,0035- отклонение середины поля допуска на изготовление проходного калибра для вала относительно наибольшего предельного размера вала;

Н, Н1 = 0,004 - допуск на изготовление калибров для вала;

Y, Y1 = 0,003- допустимый вход размера изношенного проходного калибра для вала за границу поля допуска изделия.

Определяем исполнительные размеры калибра:

Наименьший предельный размер проходной стороны калибра-скобы dminПР, мм:

dminПР = dmax- Z1 - ; (2.3)

dminПР = (44,086-0,0035-0,002)+ 0,004 = 44,0805 +0,004 мм.

Наименьший предельный размер не проходной стороны калибра-скобы dminНЕ, мм:

dminНЕ = dmin-; (2.4)

dminНЕ = (44,070-0,002) +0,004 = 44,068 + 0,004 мм.

Исполнительный размер проходной стороны калибра-скобы, который ставится на чертеже калибра, равен 35,060 +0,004 мм. Исполнительный размер не проходной стороны калибра-скобы равен 35,058 + 0,004 мм.

Предельный размер изношенного калибра скобы:

,

Строим схему расположения полей допусков вала, ПР и НЕ калибр-скобы:

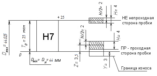
2.2 Расчет исполнительных размеров гладкого калибра-пробки для детали 4


Контроль отверстия по размеру Æ44Н7 осуществляется с помощью предельных калибров-скоб. Наибольший предельный размер отверстия Dmax , мм:

верхнее отклонение вала ES=+0,025 мм;

нижнее отклонение вала EI=0 мм;

, (2.5)

мм.

Наименьший предельный размер отверстия Dmin, мм:

, (2.6)

мм.

По таблице 2 ГОСТа 24853-81: Z=3,5 мкм - отклонение середины поля допуска на изготовление проходного калибра для отверстия относительно наименьшего предельного размера отверстия;

H=4 мкм - допуск на изготовление калибров для вала;

Y=3 мкм - допустимый вход размера изношенного проходного калибра для отверстия за границу поля допуска изделия.

Определяем наименьший предельный размер проходной стороны калибра-пробки dmaxПР, мм:

; (2.7)

 мм.

Наименьший предельный размер не проходной стороны калибра-пробки dmaxНЕ, мм:

; (2.8)

мм.

Исполнительный размер проходной стороны калибра-пробки- мм. Исполнительный размер непроходной стороны калибра-пробки равен .

Предельный размер изношенного калибра-пробки:

,

Строим схему расположения полей допусков отверстия, ПР и НЕ калибр-пробки:


2.3 Расчет рабочих калибров для резьбового соединения 7 - 16


Расчет исполнительных размеров ПР и НЕ резьбовых калибров-пробок для внутренней резьбы (деталь 7) М12-7Н.

По ГОСТ 24705-81 определяем основные размеры резьбы М12-7Н:

-       наружный диаметр D = 12 мм;

-       средний диаметр D2 = 10.863мм;

-       внутренний диаметр D1 = 10.106 мм.

По ГОСТ 16093-81 находим предельные отклонения диаметров резьбы:

-       нижнее отклонение D, D1, D2 EI = 0;

-       верхнее отклонение D1 ESD1 = +425 мкм;

-       верхнее отклонение D2 ESD2 = +250 мкм.

-       Данные используемые в схемах и формулах взяты из ГОСТ 24997-81 «Калибры для метрической резьбы. Допуски»:

P=1,75

Шаг резьбы

r1=0,072P=H/12=0,126 (табл.1)

Радиус закругления впадины профиля резьбового проходного и непроходного калибров-пробки

Расстояние между линией среднего диаметра и вершиной укороченного профиля резьбы

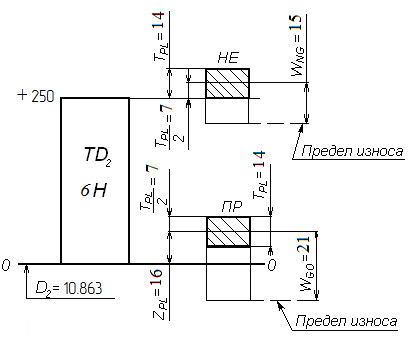
TD2=250 мкм

Допуск среднего диаметра внутренней резьбы

TPL=14мкм

Допуск внутреннего и среднего диаметров резьбового проходного и непроходного калибров-пробок

ZPL=16мкм

Расстояние от середины поля допуска TPL резьбового проходного калибра-пробки до проходного (нижнего) предела диаметра внутренней резьбы

WGOпробки=21мкм (табл.5)

Величина средне допустимого износа резьбовых проходных калибров-пробок

WNGпробки=15 мкм

Величина средне допустимого износа резьбовых непроходных калибров-пробок


Строим схему расположения полей допусков резьбовых калибров-пробок. По ГОСТ 24997-81 определяем отклонения и допуски калибров и наносим их на схему.


Рисунки 7-8 - Схемы расположения полей допусков резьбовых калибров-пробок.

посадка калибр скоба допуск

Для ПР резьбового калибра-пробки:

наибольший предельный наружный диаметр:


наибольший предельный средний диаметр:


наибольший предельный внутренний диаметр:


В соответствии с рисунками 10, 11 определяем допуски на изготовление калибра. Допуск наружного диаметра ПР резьбового калибра-пробки:


Допуск среднего диаметра ПР резьбового калибра-пробки:


Исполнительные размеры ПР резьбового калибра-пробки:

наружный диаметр-  

средний диаметр -

внутренний диаметр- 9,854 max по канавке или радиусу.

Размер изношенного ПР резьбового калибра-пробки по среднему диаметру:


Для НЕ резьбового калибра-пробки:

наибольший предельный наружный диаметр:


наибольший предельный средний диаметр:

наибольший предельный внутренний диаметр:


Определяем допуски на изготовление калибра:

Допуск наружного диаметра НЕ резьбового калибра-пробки


Допуск среднего диаметра НЕ резьбового калибра-пробки


Исполнительные размеры НЕ резьбового калибра-пробки:

наружный диаметр  

средний диаметр

внутренний диаметр 10,279 max по канавке или радиусу

Размер изношенного НЕ резьбового калибра-пробки по среднему диаметру:


3. РАСЧЕТ ПАРАМЕТРОВ ЗУБЧАТОГО КОЛЕСА

Зубчатое колесо 8-А: модуль m=4 число зубьев z=30. По ГОСТ 1643-81 для норм кинематической точности по 8-ой степени точности:

Допуск на колебание измерительного межосевого расстояния за оборот зубчатого колеса мкм;

Допуск на колебание длины общей нормали -не нормируется

По 8-ой степени точности допуск на колебание измерительного межосевого расстояния на одном зубе мкм. По 8-ой степени точности показатель норм контакта зубьев в передаче: суммарное пятно контакта по длине зуба не менее 50%, по высоте не менее 40%.

Номинальный размер длины общей нормали:

, (3.1)

где n - число зубьев, захватываемых губками нормалемера:

; (3.2)

;

 мм.

По ГОСТ 1643-81 наименьшее отклонение средней длины общей нормали (первое слагаемое) мкм;

наименьшее отклонение средней длины общей нормали (второе слагаемое) мкм (радиальное биение мкм).

 мкм.

По ГОСТу 1643-81 допуск на среднюю длину общей нормали мкм.

Наибольшее отклонение средней длины общей нормали:

 мкм.

Показатель бокового зазора:

.


, (3.3)

где  - допуск на отклонение направления зуба, по ГОСТу 164381  мкм при ширине зубчатого венца b=35 мм;

d - делительный диаметр:

; (3.4)

мм;

мкм.

ЗАКЛЮЧЕНИЕ

По завершении работы были изучены методики подбора и расчета посадок для различного типа соединений, а также методы и средства контроля заданных точностей.

БИБЛИОГРАФИЧЕСКИЙ СПИСОК

1.      Взаимозаменяемость, стандартизация и технические измерения: Учебное пособие для выполнения курсовой работы с применением ЭВМ серии СМ для расчета посадок с натягом/ Бойков Ф.И., Боблик Н.Л., Серадская И.В. и др. - Челябинск: ЧПИ, 1985.

.        Допуски и посадки: Справочник в 2-х ч./Мягков В.Д. -Л.: Машиностроение, 1979.

.        Анурьев В.И. Справочник конструктора - машиностроителя: в 3-х т. - М.: Машиностроение, 1980.