Рисунок 3.1 Рисунок 3.2
Рисунок 3.3 Рисунок 3.4
Рисунок 3.5 Рисунок 3.6
Рисунок 3.7 Рисунок 3.8
Рисунок 3.9 Рисунок 3.10
4 Расчетно-графическая работа №3.
Расчёт линейных электрических цепей несинусоидального тока
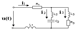
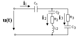
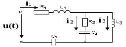
Электрическая
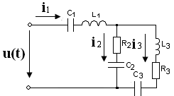
цепь подключена к источнику несинусоидального периодического напряжения u(t).
Несинусоидальные периодические напряжения u(t)
представлены на рисунках 2.11
2.15.
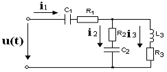
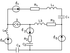
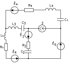
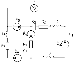
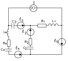
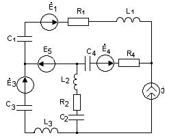
Электрические схемы приведены на рисунках 2.1
2.10.
Требуется выполнить следующее:
Oпределить
мгновенные значения несинусоидальных токов в ветвях электрической цепи
Oпределить
действующее значение несинусоидального периодического напряжения источника U и
действующие значения несинусоидальных периодических токов
,
,
.
Oпределить активную, реактивную и полную мощности цепи.
Построить график мгновенного значения одного из токов, указанного в таблице 2.1.
Построить амплитудно-частотный и фазочастотный спектры входного напряжения и тока на входе электрической цепи.
Вариант
выбирается по таблицам 2.1-2.3 в соответствии с номером зачетной книжки и
первой буквой фамилии.
Таблица 2.1
|
Год поступления |
Последняя цифра зачетной книжки |
|||||||||
|
чётный |
1 |
2 |
3 |
4 |
5 |
6 |
7 |
8 |
9 |
0 |
|
нечётный |
0 |
9 |
8 |
7 |
6 |
5 |
4 |
3 |
2 |
1 |
|
№ схемы |
2.10 |
2.8 |
2.9 |
2.5 |
2.6 |
2.7 |
2.4 |
2.2 |
2.3 |
2.1 |
|
u(t) |
2.11 |
2.13 |
2.15 |
2.11 |
2.13 |
2.14 |
2.12 |
2.15 |
2.12 |
2.14 |
|
Um, В |
60 |
85 |
75 |
80 |
50 |
70 |
55 |
90 |
78 |
|
|
|
- |
- |
|
- |
- |
- |
- |
|
|
|
|
График тока |
i2 |
i1 |
i3 |
i1 |
i2 |
i3 |
i2 |
i1 |
i2 |
i1 |
Таблица 2.2
|
Год поступления |
Предпоследняя цифра зачетной книжки |
|||||||||
|
чётный |
1 |
2 |
3 |
4 |
5 |
6 |
7 |
8 |
9 |
0 |
|
нечётный |
0 |
9 |
8 |
7 |
6 |
5 |
4 |
3 |
2 |
1 |
|
L1,мГн |
3,0 |
4,0 |
6,0 |
4,5 |
5,5 |
3,0 |
3,5 |
5,2 |
3,6 |
5,0 |
|
L2, мГн |
5,2 |
3,8 |
4,6 |
3,5 |
4,7 |
5,0 |
4,5 |
6,0 |
4,5 |
3,6 |
|
L3, мГн |
4,0 |
6.0 |
5,5 |
5,0 |
3,5 |
4,5 |
2,5 |
3,5 |
5,8 |
4,8 |
|
|
|
|
|
|
|
|
|
|
|
|
Таблица 2.3
|
Год поступления |
Первая буква фамилии |
|||||||||
|
чётный |
БЛЦ |
КХ |
ВМЧ |
ГНШ |
ДОЯ |
ЕПР |
ЖСЗ |
ТЭИ |
УЮФ |
АЩ |
|
нечётный |
КХ |
ВМЧ |
ГНШ |
БЛЦ |
ЕПР |
ДОЯ |
ТЭИ |
ЖСЗ |
АЩ |
УЮФ |
|
R1,Ом |
60 |
50 |
70 |
80 |
48 |
64 |
88 |
90 |
56 |
78 |
|
R2,Ом |
56 |
74 |
80 |
68 |
92 |
78 |
86 |
54 |
70 |
84 |
|
R3,Ом |
70 |
80 |
90 |
94 |
64 |
82 |
76 |
68 |
80 |
66 |
|
С1,мкФ |
2,2 |
2,4 |
1,8 |
1,4 |
2,6 |
3,2 |
2,8 |
1,9 |
1,6 |
2,5 |
|
С2, мкФ |
2,0 |
1,8 |
2,8 |
2,4 |
3,0 |
2,18 |
1,6 |
2,5 |
1,9 |
1,3 |
|
С3, мкФ |
1,5 |
3,0 |
2,0 |
1,9 |
1,7 |
1,8 |
2,1 |
3,0 |
2,4 |
2,8 |

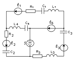
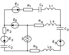
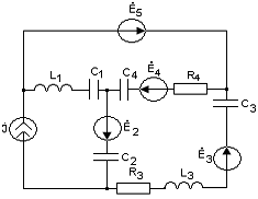
Рисунок 2.1Рисунок 2.2
Рисунок 2.3Рисунок 2.4
Рисунок 2.5Рисунок 2.6
Рисунок 2.7 Рисунок 2.8
Рисунок 2.9Рисунок 2.10
Рисунок
2.11
Рисунок 2.12
Рисунок
2.13
Рисунок
2.14
Рисунок 2.15
5 Методические указания к выполнению
расчетно-графических работ № 1-3
Для электрических цепей с идеальными источниками тока при составлении уравнений по второму закону Кирхгофа следует выбирать независимые контуры, не содержащие источников тока.
Если электрическая цепь содержит Nт идеальных источников тока, то при составлении уравнений
методом контурных токов рекомендуется выбирать Nт контурных токов так, чтобы каждый из них проходил через один
источник тока (эти контурные совпадают с соответствующими токами источников
тока и задаются условием задачи). Оставшиеся К=Nв-Nу+1-Nт контурных токов выбирают так, чтобы они проходили по ветвям
не содержащим источников тока (К=Nв-Nу+1-Nт- число неизвестных контурных токов, Nв- число ветвей, Nу- число узлов, Nт-число источников тока). Для
определения оставшихся К контурных токов составляют К контурных уравнений по
второму закону Кирхгофа. Составим систему уравнений по методу контурных токов
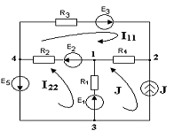
для цепи постоянного тока (рисунок 4.1)
}
Рисунок
4.1
Если в электрической схеме некоторые узлы соединяются идеальными источниками ЭДС, то число У уравнений, составляемых по методу узловых потенциалов, уменьшается и равно
У= Nу -Nи -1
где Nи- число ветвей, содержащих только идеальные источники ЭДС.
Если
электрическая схема содержит только одну ветвь с идеальным источником ЭДС Е, то
при составлении уравнений по методу узловых потенциалов к нулю приравнивается
потенциал одного из узлов, к которому присоединена данная ветвь. Тогда
потенциал другого узла, присоединенного к этой же ветви, будет равен
Е. Составим систему уравнений по методу узловых
потенциалов для цепи постоянного тока (рисунок 4.1)
![]()
}
Расчёт электрических цепей в режиме гармонических воздействий базируется
на изображении синусоидальных ЭДС, напряжений, токов векторами и комплексными
величинами:
Таблица 4.1
|
Синусоидальная функция времени |
Комплексная амплитуда |
Комплексное действующее значение |
|
|
|
|
|
|
|
|
|
|
|
|
Представление синусоидальных ЭДС, напряжений, токов комплексными
величинами позволяет применить методы расчета цепей постоянного тока к расчётам
цепей синусоидального тока. Так как уравнения, выражающие законы Кирхгофа в
комплексной форме для цепей синусоидального тока аналогичны уравнениям,
выражающим законы Кирхгофа для цепей постоянного тока, только ЭДС, напряжения,
токи и сопротивления входят в уравнения в виде комплексных величин
,
где
- комплексное сопротивление.
Расчёт линейных электрических цепей несинусоидального тока распадается на три этапа:
а) разложение несинусоидальных ЭДС на постоянную и синусоидальные составляющие (в тригонометрический ряд Фурье) см. рисунки 2.1-2.10;
б)
применение принципа наложения и расчет токов и напряжений в цепи для каждой из
составляющих в отдельности. При расчете цепи с постоянными составляющими ЭДС
следует учитывать, что индуктивное сопротивление равно 0 и индуктивность в
эквивалентной схеме заменяется короткозамкнутым участком, а ёмкостное равно
и ветвь с ёмкостью размыкается. При расчете цепи для
каждой синусоидальной составляющей ЭДС можно пользоваться комплексным методом,
но недопустимо сложение комплексных токов и напряжений различных синусоидальных
составляющих. Необходимо учитывать, что индуктивное и емкостное сопротивления
для различных частот неодинаковы, индуктивное сопротивление для k-й
гармоники равно
, а емкостное сопротивление для k-й
гармоники равно
;
в) совместное рассмотрение решений, полученных для каждой из
составляющих. Причём суммируются только мгновенные значения составляющих токов
и напряжений.
Список литературы
3. Демирчян К.С., Нейман Л.Р., Коровкин Н.В., Чечурин В.Л. Теоретические основы электротехники. - т.1. - Санкт-Петербург: Питер, 2003.-463с.
. Демирчян К.С., Нейман Л.Р., Коровкин Н.В., Чечурин В.Л. Теоретические основы электротехники. - т.2. - Санкт- Петербург: Питер, 2003.-576с.
5. Бессонов Л.А. Теоретические основы электротехники. - М.: Гардарики, 1999. - 638с.
. Шебес М.Р., Каблукова М.В. Задачник по теории линейных электрических цепей. - М.: Высш. шк., 1990.- 544с.
. Карлащук В.И. Электронная лаборатория на IВМ РС. Программа Electronics Workbench и её применение.-М.: Солон-Р,
1999.-506с.