РГКП «Евразийский национальный университет им. Л.Н. Гумилева»
МОН РКСистема менеджмента качества
Стандарт университета
Структура учебно-методического
комплекса СМК ЕНУ С 04-2008
Расчет линейных электрических цепей постоянного и синусоидального тока
Методические указания и задания к расчетно-графическим
работам №1-3, для студентов бакалавриата очной формы обучения
специальности 050719 - Радиотехника,
электроника и телекоммуникации
Астана 2010
СОСТАВИТЕЛЬ: К.Т. Бажиков. Теория электрических цепей 1 (ТЭЦ1). Расчет линейных электрических цепей постоянного и синусоидального тока. Методические указания и задания к расчетно-графическим работам №1-3, для студентов очной формы обучения специальности 050719 - Радиотехника, электроника и телекоммуникации.
Астана: ЕГУ, 2010, - 20с.
Методические указания к расчетно-графическим работам содержат требования к выполнению и оформлению расчетно-графических работ, задания, схемы и параметры электрических цепей постоянного тока с зависимыми источниками и электрических цепей синусоидального тока. Задания к расчетно-графическим работам соответствуют типовой программе по ТЭЦ 1, включающей различные методы расчета электрических цепей.
Ил. 20, табл. 6, библиогр.- 5-назв.
Рецензент: канд. техн. наук, доцент каф. ТКС Г.С. Казиева.
Печатается по плану издания «Евразийский национальный университет им. Л.Н. Гумилева» на 2010г.
© «Евразийский национальный университет им. Л.Н. Гумилева» 2010г.
Содержание
1 Требования к выполнению и оформлению расчетно-графических
работ
2 Расчетно-графическая работа №1. Расчет линейных электрических
цепей постоянного тока
Расчетно-графическая работа №2 . Расчёт разветвленных электрических
цепей однофазного синусоидального тока
Расчетно-графическая работа №3. Расчёт линейных электрических
цепей несинусоидального тока
Методические указания к выполнению РГР № 1-3
Список литературы
электрическая
цепь фаза синусоидальный ток
1 Требования к выполнению и
оформлению расчетно-графических работ
Расчетно-графическая работа (РГР) должна включать следующие элементы:
а) титульный лист (приложение А);
б) задание:
в) содержание;
г) введение;
д) основную часть;
е) заключение (выводы):
ж) список литературы;
з) приложения.
Текст задания должен быть переписан полностью, со всеми рисунками и числовыми значениями для своего варианта.
Каждый этап расчетно-графической работы должен быть озаглавлен.
Расчетно-графическая работа может быть выполнена рукописным способом или с применением компьютерной печати (в программе Microsoft Word, шрифт высотой 14 пунктов с интервалом 1,0 - 1,5). Текст пишется на одной стороне листа белой бумаги формата А4. По всем четырем сторонам листа оставляются поля: левое не менее 30мм, правое - не менее 10мм, верхнее и нижнее - 20мм.
Все листы расчетно-графической работы должны иметь сквозную нумерацию, начиная с титульного листа, включая приложение.
Расчеты должны сопровождаться пояснениями. Нельзя приводить только расчетные формулы и конечные результаты. Расчетно-графические работы, в которых вычисления и пояснения приводятся сокращенно к защите не допускаются.
Рисунки должны быть пронумерованы.
На графиках указываются названия изображаемых величин, их единицы измерения. Масштабы необходимо подбирать так, чтобы было удобно пользоваться графиком или диаграммой.
У величин, имеющих определенные размерности, писать в окончательных результатах соответствующие единицы измерения. Все обозначения электрических величин должны соответствовать ГОСТу.
Введение должно содержать цель работы и методы анализа и расчета режимов электрической цепи. Слово «ВВЕДЕНИЕ» записывается прописными буквами в виде заголовка.
Заключение (выводы) должно содержать анализ и оценку результатов работы.
Расчетно- графическая работа должна быть сдана на проверку в срок, в
соответствии с графиком учебного процесса. В случае нарушения срока сдачи РГР
снижается итоговый балл за работу.
2 Расчетно-графическая работа №1.
Расчет линейных электрических цепей постоянного тока
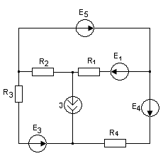
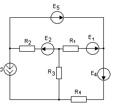
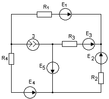
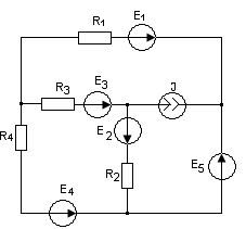
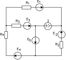
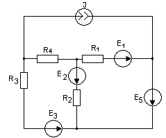
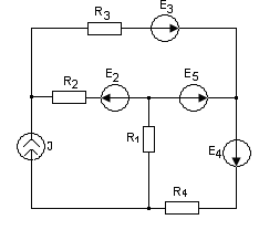
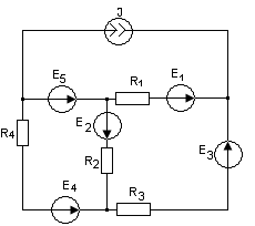
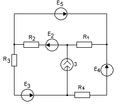
Для электрической цепи постоянного тока (рисунки 2.1-2.10), содержащей независимые источники ЭДС и независимый источник тока J, выполнить следующее:
Составить систему уравнений по законам Кирхгофа.
Рассчитать токи во всех ветвях электрической цепи методом контурных токов.
Рассчитать токи во всех ветвях электрической цепи методом узловых потенциалов.
Рассчитать ток в ветви с сопротивлением Rx методом эквивалентного генератора.
Проверить баланс мощностей.
Вариант выбирается по таблицам 2.1-2.3 в соответствии с номером зачетной
книжки и первой буквой фамилии.
Таблица 2.1
|
Год поступления |
Последняя цифра зачетной книжки |
|||||||||
|
чётный |
1 |
2 |
3 |
4 |
5 |
6 |
7 |
8 |
9 |
0 |
|
нечётный |
0 |
9 |
8 |
7 |
6 |
5 |
4 |
3 |
2 |
1 |
|
№ схемы |
2.1 |
2.2 |
2.3 |
2.4 |
2.5 |
2.6 |
2.7 |
2.8 |
2.9 |
2.10 |
|
Е1, В |
110 |
50 |
60 |
65 |
80 |
55 |
75 |
85 |
95 |
100 |
|
Е2, В |
86 |
75 |
90 |
58 |
90 |
95 |
110 |
70 |
60 |
65 |
|
Е3, В |
70 |
80 |
75 |
60 |
45 |
80 |
40 |
50 |
86 |
50 |
|
Е4, В |
65 |
90 |
80 |
85 |
110 |
40 |
65 |
100 |
55 |
80 |
Таблица 2.2
|
Год поступления |
Предпоследняя цифра зачетной книжки |
|||||||||
|
чётный |
1 |
2 |
3 |
4 |
5 |
6 |
7 |
8 |
9 |
0 |
|
нечётный |
0 |
9 |
8 |
7 |
6 |
5 |
4 |
3 |
2 |
1 |
|
R1, Ом |
50 |
45 |
75 |
70 |
50 |
70 |
96 |
105 |
90 |
85 |
|
R2, Ом |
70 |
75 |
80 |
55 |
85 |
55 |
67 |
60 |
77 |
57 |
|
R3, Ом |
80 |
65 |
90 |
65 |
75 |
95 |
46 |
84 |
56 |
68 |
|
R4, Ом |
60 |
80 |
50 |
45 |
100 |
64 |
75 |
56 |
88 |
45 |
Таблица 2.3
|
Год поступления |
Первая буква фамилии |
|||||||||
|
чётный |
БЛЦ |
КХ |
ВМЧ |
ГНШ |
ДОЯ |
ЕПР |
ЖСЗ |
ТЭИ |
УЮФ |
АЩ |
|
нечётный |
КХ |
ВМЧ |
ГНШ |
БЛЦ |
ЕПР |
ДОЯ |
ТЭИ |
ЖСЗ |
АЩ |
УЮФ |
|
E5, B |
45 |
56 |
85 |
97 |
75 |
95 |
50 |
46 |
77 |
88 |
|
J, A |
0,03 |
0,045 |
0,036 |
0,018 |
0,06 |
0,05 |
0,02 |
0,04 |
0,07 |
0,04 |
|
Rx, Ом |
R4 |
R3 |
R2 |
R1 |
R3 |
R4 |
R2 |
R1 |
R4 |
R3 |
Рисунок 2.1 Рисунок 2.2
Рисунок 2.3 Рисунок 2.4
Рисунок 2.5 Рисунок 2.6
Рисунок 2.7 Рисунок 2.8
Рисунок 2.9 Рисунок 2.10
3 Расчетно-графическая работа №2 .
Расчёт разветвленных электрических цепей однофазного синусоидального тока
Для разветвленных электрических цепей однофазного синусоидального тока (рисунки 3.1-3.10) выполнить следующее:
Записать уравнения по законам Кирхгофа в дифференциальной и комплексной формах.
Рассчитать комплексные токи во всех ветвях схемы методом контурных токов.
Рассчитать комплексные токи во всех ветвях схемы методом узловых потенциалов.
Записать мгновенные значения токов во всех ветвях схемы.
Проверить баланс мощностей.
Построить топографическую диаграмму, совмещённую с векторной диаграммой токов.
Вариант выбирается по таблицам 3.1-3.3 в соответствии с номером зачетной
книжки и первой буквой фамилии.
Таблица 3.1
|
Год поступления |
Последняя цифра зачетной книжки |
|||||||||
|
чётный |
1 |
2 |
3 |
4 |
5 |
6 |
7 |
8 |
9 |
0 |
|
нечётный |
0 |
9 |
8 |
7 |
6 |
5 |
4 |
3 |
2 |
1 |
|
№ схемы |
3.1 |
3.2 |
3.3 |
3.4 |
3.5 |
3.6 |
3.7 |
3.8 |
3.9 |
3.10 |
|
Еm1, В |
96 |
58 |
90 |
70 |
88 |
56 |
68 |
75 |
85 |
100 |
|
Ψe1, град. |
-40 |
35 |
60 |
30 |
0 |
-45 |
-30 |
20 |
70 |
50 |
|
Еm2, В |
80 |
70 |
85 |
65 |
60 |
90 |
50 |
55 |
40 |
|
|
Ψe2, град. |
35 |
-45 |
60 |
30 |
-60 |
45 |
20 |
50 |
90 |
-З0 |
|
Еm3, В |
65 |
70 |
80 |
50 |
45 |
40 |
60 |
55 |
88 |
77 |
|
Ψe3, град. |
20 |
-50 |
45 |
-30 |
60 |
-40 |
70 |
-90 |
30 |
-60 |
|
Еm4, В |
50 |
80 |
70 |
75 |
90 |
86 |
100 |
80 |
55 |
60 |
|
Ψe4, град. |
0 |
90 |
35 |
-45 |
-60 |
-30 |
40 |
30 |
45 |
-70 |
Таблица 3.2
|
Год поступления |
Предпоследняя цифра зачетной книжки |
|||||||||
|
чётный |
1 |
2 |
3 |
4 |
5 |
6 |
7 |
8 |
9 |
0 |
|
нечётный |
0 |
9 |
8 |
7 |
6 |
5 |
4 |
3 |
2 |
1 |
|
Еm5, В |
50 |
70 |
90 |
60 |
100 |
55 |
75 |
85 |
90 |
80 |
|
Ψe5, град. |
-60 |
30 |
-45 |
45 |
-30 |
40 |
90 |
60 |
-90 |
60 |
|
R1, Ом |
50 |
40 |
70 |
80 |
68 |
84 |
92 |
98 |
82 |
74 |
|
R2, Ом |
68 |
56 |
62 |
94 |
76 |
88 |
44 |
58 |
68 |
40 |
|
R3, Ом |
82 |
77 |
86 |
60 |
52 |
48 |
68 |
84 |
67 |
60 |
Таблица 3.3
|
Год поступления |
Первая буква фамилии |
|||||||||
|
чётный |
БЛЦ |
КХ |
ВМЧ |
ГНШ |
ДОЯ |
ЕПР |
ЖСЗ |
ТЭИ |
УЮФ |
АЩ |
|
нечётный |
80 |
60 |
78 |
48 |
54 |
40 |
38 |
68 |
90 |
100 |
|
R4,Ом |
КХ |
ВМЧ |
ГНШ |
БЛЦ |
ЕПР |
ДОЯ |
ТЭИ |
ЖСЗ |
АЩ |
УЮФ |
|
J, A |
0,04 |
0,02 |
0,05 |
0,03 |
0,06 |
0,07 |
0,08 |
0,04 |
0,02 |
0,05 |
|
ΨJ, град. |
90 |
45 |
-60 |
60 |
30 |
-30 |
45 |
-45 |
-90 |
40 |
|
XL1, Ом |
50 |
80 |
70 |
90 |
20 |
90 |
60 |
50 |
90 |
65 |
|
XC1, Ом |
90 |
20 |
30 |
50 |
65 |
65 |
100 |
90 |
40 |
105 |
|
XL2, Ом |
90 |
20 |
40 |
75 |
30 |
80 |
68 |
25 |
36 |
70 |
|
XC2, Ом |
44 |
70 |
80 |
100 |
80 |
20 |
30 |
75 |
88 |
20 |
|
XL3, Ом |
86 |
50 |
35 |
75 |
40 |
95 |
80 |
96 |
50 |
76 |
|
XC3, Ом |
34 |
90 |
75 |
25 |
90 |
35 |
40 |
44 |
92 |
26 |
|
XL4, Ом |
90 |
80 |
40 |
56 |
88 |
64 |
75 |
54 |
46 |
85 |
|
XC4, Ом |
40 |
45 |
78 |
80 |
48 |
80 |
45 |
84 |
82 |
45 |