Материал: Расчет источника вторичного электропитания

Внимание! Если размещение файла нарушает Ваши авторские права, то обязательно сообщите нам

.10 Выбираем обмоточные провода на основе полученного значения тока и допустимой плотности тока с помощью соотношения


где j - плотность тока, А/мм2, - площадь поперечного сечения, мм2

Выберем из таблицы № 2 (по значению поперечного сечения) провод эмалированный термостойкий, влагостойкий, первой технологической модификации ПЭВ-1:

, , ,ml=100м=31,9 г;

, d21=1.06 мм,, ml=100м=798 г;

, d31=d32=0.53мм,, ml=100м=200 г;

Уточняем значение плотности тока в проводах обмоток:

;

;

Откуда среднее значение плотности равно:


где К=1 -кол-во вторичных обмоток без вывода средней точки,

L=2 -кол-во вторичных обмоток c выводом средней точки.

.11 Рассчитываем конструкцию трансформатора

Конструктивный расчет трансформатора начнем с согласования плана размещения обмоток в окне магнитопровода, с указанием числа витков и диаметра провода с изоляцией для каждой из обмоток.

Обмотки броневого трансформатора выполним в виде катушек каркасной или бескаркасной намотки, в обоих случаях используем рядовую многослойную намотку обмоток по всей высоте окна магнитопровода.

Каркас отличается от гильзы наличием боковых щек, имеющих обычно толщину, равную толщине гильзы: δГ=δЩ. Толщина гильзы (каркаса) составляет 1…3 мм. Зазор между гильзой и магнитопроводом δЗ возьмем в пределах 0,5…1 мм.

На рис.7 изображена конструкция броневого трансформатора с ленточным магнитопроводом.

Рис. 7 Конструкция броневого трансформатора с ленточным магнитопроводом.

Высота hоб11 одного слоя обмотки равна:


где =1 мм - зазор между гильзой или между каркасом катушки обмотки и сердечником, мм; δГ=δЩ=3мм - толщина стенки каркаса катушки, мм; h - высота окна, мм.

Определим количество витков в слое обмотки с учетом плотности намотки (с помощью коэффициента укладки kУ) и округленим полученные значения до ближайшего меньшего числа:


где d11, d21 , d31(d32) - диаметр провода с изоляцией первого слоя первичной обмотки и 2-го и 3-го слоя вторичной обмотки, мм; kУ11, kУ21 , kУ31- коэффициенты укладки обмоток выберем из таблицы 2.6 [1. c. 42]

.12 Рассчитаем число слоев в каждой обмотке


где m1 - число катушек, в трансформаторе броневого типа m1=1; р=1 для обмотки в два провода с выводом средней точки или без вывода, р=2 в противном случае.

.13 Произведем расчет размеров обмоток

Толщина (сечение) первичной обмотки  и вторичных обмоток  с коэффициентом не плотности намотки, равным 1,2:

В результате общий радиальный размер всех обмоток катушки будет составлять величину:


где =0,25 - толщина прокладки между обмотками катушки, мм; р=1 для обмотки в два провода с выводом средней точки или без вывода, р=2 в противном случае.

Средняя длина обмотки трансформатора кроме прочего определяется ее положением на катушке, т.е. величиной условного радиуса rср закругления витка, который определим с помощью соотношений:

Для первичной обмотки:


Для 1-ой вторичной обмотки:


Для 2-ой вторичной обмотки :


Определим среднюю длину витка обмотки трансформатора


где а и b - размеры стержня магнитопровода в мм; rср - условный радиус закругления витка.

Рассчитаем активное сопротивление обмоток при максимальной температуре окружающей среды:


где kt=1+0,004(TC+ΔT-20)=1,32 - температурный коэффициент удельного сопротивления материала проводников; ТС =50 °С - максимальная температура окружающей среды, °С; ΔТ=50 °С - максимальная температура перегрева обмоток, °С; kf - коэффициент увеличения сопротивления провода в зависимости от частоты преобразования напряжения, на частотах меньших 10 кГц, kf=1.

Определим потери в меди первичной, вторичных обмоток:


Суммарные потери в меди будут равны:


Коэффициент полезного действия трансформатора:


где - суммарная активная мощность в нагрузке, Вт.

. Расчет выпрямительного устройства при работе на активно-емкостную нагрузку


Задание № 2 : Произвести расчет выпрямительного устройства при работе на активно-емкостную нагрузку.

Таблица 4 Исходные данные по расчету выпрямителя.

Вторая цифра варианта

, ОмUo, ВIo, АВm, Тл




1

1.1

2

1.5


Выберем для расчетов однофазную мостовую схему выпрямления(рис.8), которая характеризуется высоким коэффициентом использования по мощности трансформатора и поэтому позволяет добиться оптимальных характеристик выпрямителя.

Рис. 8 Однофазная мостовая схема выпрямления емкостным фильтром.

Определяем фазность( пульсность) схемы выпрямления: m=2 - фазность для однофазной мостовой схемы.

Определим параметры схемы выпрямления с активно-емкостной нагрузкой по следующим выражениям:

Выпрямленное напряжение: Uо=6 В

Номинальное значение выпрямленного тока: Iо=2 А

Максимальное амплитудное значение обратного напряжения диода:


Среднее значение тока диода:


Максимальное значение тока диода:


Фазная( пульстная) частота:

С=50Гц- частота входного (переменного) напряжения.

Выбор диода выпрямителя произведем на основании выполнения следующих условий:

максимальное обратное напряжение диода UОбрmVD> UОбрm;

максимальный прямой средний ток IПрСрVD> IПрСр;

максимальный импульсный ток IПрИVD>IПрm.

Выберем кремневый диод КД213Г из таблицы [4. c 53].

Параметры выбранного диода:

ОбрmVD =85 В> UОбрm

IПрСрVD =10А> IПрСр

Uпр=1 В

Находится сопротивление диода в открытом состоянии:


Находим полное сопротивление фазы, т.е. обмоток трансформатора и диодов:


где n - число последовательно включенных диодов (для мостовой схемы n=2).

Определим основной расчетный параметр:


Найдем приближенное значение угла φ, характеризующего сопротивление фазы выпрямителя:


где LS - индуктивность рассеяния трансформатора, Гн.


где kL - коэффициент, определяемый схемой выпрямителя (для мостовой схемы равен 5.10-3); s-число стержней трансформатора, несущих обмотки: для стержневой конструкции s=2; р - число чередующихся секций обмоток: в случае размещения первичной обмотки между половинами вторичной р=3, в противном случае р=2; Вm - максимальное значение индукции в магнитопроводе, Тл; fС - частота первичной электросети, Гц; Uo, Io - напряжение и ток на выходе выпрямителя.

С помощью графиков на рис.8, рис.9, рис.10 и параметров А и φ определим вспомогательные расчетные параметры В, D , F. Таблица 5 Вспомогательные расчетные параметры.

B

D

F

1,45

1,85

3,5


Рисунок 8 Зависимость параметра F от расчетного параметра А.

Рисунок 9 Зависимость параметра B от расчетного параметра А.

Рисунок 10 Зависимость параметра D от расчетного параметра А.

На основе параметров В, D, F и H рассчитаем параметры диода:

Действующие значения напряжения вторичной обмотки:


Действующее значение тока диода:


Действующие тока фазы вторичной обмотки:


Соотношение произведения первичного тока на число витков первичной обмотки и выпрямленного тока на число витков вторичной обмотки:


Габаритная (расчетная) мощность трансформатора:


Мощность вторичной обмотки трансформатора:


Мощность первичной обмотки трансформатора:


Коэффициент пульсаций это отношение амплитуды Uomk k-ой гармоники выпрямленного напряжения к его среднему значению Uo:

ПК=Uomk/Uo =0,05

Величину емкости фильтра определим по формуле:


Выбираем алюминиевый электролитический конденсатор К50-35 на номинальную емкость 1500 мкФ и на рабочее напряжение 10 В.

Значение Н02 определяем из графика на рисунке 12.

А= 0,725 соответствует значение Н02=44000.

Рисунок 11 Зависимость параметра Н02 от расчетного параметра А для двухтактных схем выпрямления.

. Расчет компенсационного стабилизатора с непрерывным регулированием напряжения


Задание № 3 Произвести расчет компенсационного стабилизатора с непрерывным регулированием напряжения.

Таблица 7. Исходные данные по расчету стабилизатора.

Первая цифра варианта

0

Напряжение (первичное) питания стабилизатора.

UВХ, В

25

Относительное отклонение напряжения питания в сторону увеличения.

аMAX

0,1

Относительное отклонение напряжения питания в сторону уменьшения.

аMIN

0,11

Номинальное значение выходного напряжения стабилизатора

UВЫХ, В

16

Максимальный токи нагрузки стабилизатора

IНMAX, А

1

Минимальный ток нагрузки стабилизатора

IНMIN, А

0,5

Коэффициент стабилизации по входному напряжению

KСТU

100

Амплитуда пульсации выходного напряжения стабилизатора

UВЫХM, В

0,1


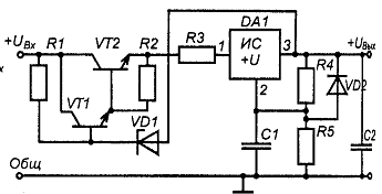
Выберем схему компенсационного стабилизатора с последовательным включением регулирующего элемента. Схема позволяет получить выходное напряжение, большее, чем допустимое напряжение интегрального стабилизатора. Внешний регулирующий транзистор VT1 работает в активном режиме с изменяющимся напряжением коллектор-эмиттер UКЭVT1.

Рисунок 13 Компенсационный стабилизатор напряжения

Минимально возможное первичное напряжение на входе стабилизатора:


Минимально возможное напряжение на входе интегрального стабилизатора DA1 равно:


где - минимальное падение напряжения на регулирующем транзисторе, обеспечивающее линейный режим работы, для биполярных транзисторов 1,5-2,5 В, для полевых транзисторов 1-2,5 В; - амплитуда пульсаций входного напряжения, В ; - напряжение падения на резисторе схемы защиты от перегрузки по току, принимаем равным 0,6 В;  - величина просадки входного напряжения при максимальном токе нагрузки, В; - внутреннее сопротивление первичного источника напряжения, принимаем 2,5 Ом.